TKM (769660)
Текст из файла
Московский ордена Ленина, ордена Октябрьской революции и ордена Трудового Красного знамени государственный технический университет имени Н.Э. Баумана
Домашнее задание №1
По дисциплине «Технология Конструкционных Материалов»
Тема: «Получение детали обработкой резанием заготовки сортового проката круглого сечения»
Работу выполнил студент:
Факультета СМ Группы СМ9-31
Работу проверил преподаватель Третьяков А.Ф.
| Вариант | Д.З. | Сдано | Проверил | Исправил | Зачёт |
| 3 | 1 |
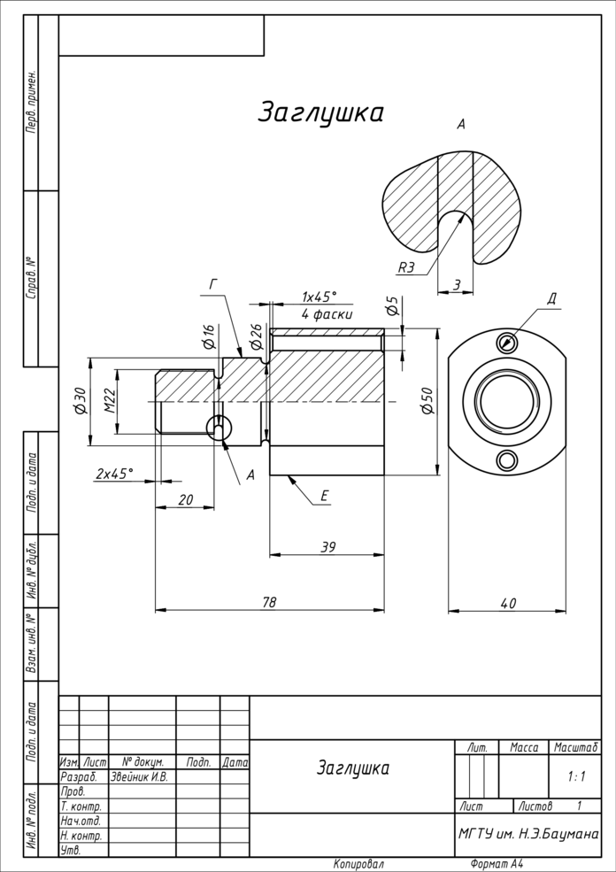
Рис. 1
Анализ исходных данных детали
(деталь приведена на рис. 1)
-
Тип детали: тело вращения с соотношением
, что соответствует жесткой конструкции. Деталь включает поверхности: торцовые, наружные цилиндрические, плоские, отверстия, фаски; -
Условия эксплуатации: большие статические нагрузки, допустимый предел прочности не ниже 400 МПа.
Материалы:
-
Механическая обработка резанием: Сталь 25
Материал был выбран, потому что он удовлетворяет условиям эксплуатации (предел прочности 450 МПа) и имеет хорошую обрабатываемость резанием.
-
Механическая обработка давлением: Сталь 10
Материал был выбран, потому что она обладает высокой пластичностью, после холодной объемной штамповки обладает удовлетворительным пределом прочности.
-
Литейное производство: ВЧ 40
Материал был выбран, потому что чугуны с шаровидной формой графита имеют более высокие механические свойства по сравнению с другими чугунами. Высокопрочные чугуны близки по свойствам к литой углеродистой стали, но обладают лучшими литейными свойствами, хорошо обрабатываются резаньем, сохраняют высокую износостойкость.
-
Сварное производство: Сталь 20
Материал был выбран, потому что низкоуглеродистые (менее 0,3 % С) обладают хорошей свариваемостью и соединяются большинством видов сварки без особых трудностей.
| Методы изготовления заготовок | Форма и размеры заготовки | Требуемая точность и качество поверхностного слоя | Технологические свойства материала | Годовая программа | Производственные возможности предприятия | Сумма | Марка материала |
| Механическая обработка резанием | 1 | 1 | 1 | 1 | 1 | 5 | Сталь 25 |
| Обработка давлением | 1 | 1 | 1 | 0 | 1 | 4 | Сталь 10 |
| Литье | 1 | 1 | 1 | 1 | 1 | 5 | ВЧ 40 |
| Сварка | 0 | 1 | 1 | 1 | 1 | 4 | Сталь 20 |
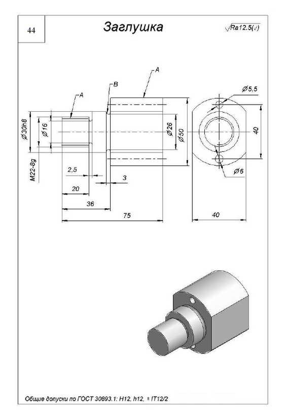
Механическая обработка резанием
(поверхности Г, Д, Е)
Поверхность Г:
|
| 1) Подрезание торцов заготовки
|
|
| 2) Снятие фаски
|
Поверхность Д:
|
| 1) Получение отверстия
|
| 2) Зенкерование
| |
| 1) Снятие фаски
|
Поверхность Е:
|
| 1) Обтачивание наружной поверхности
|
Итоговый чертеж
(с изменениями и дополнениями)
Характеристики
Тип файла документ
Документы такого типа открываются такими программами, как Microsoft Office Word на компьютерах Windows, Apple Pages на компьютерах Mac, Open Office - бесплатная альтернатива на различных платформах, в том числе Linux. Наиболее простым и современным решением будут Google документы, так как открываются онлайн без скачивания прямо в браузере на любой платформе. Существуют российские качественные аналоги, например от Яндекса.
Будьте внимательны на мобильных устройствах, так как там используются упрощённый функционал даже в официальном приложении от Microsoft, поэтому для просмотра скачивайте PDF-версию. А если нужно редактировать файл, то используйте оригинальный файл.
Файлы такого типа обычно разбиты на страницы, а текст может быть форматированным (жирный, курсив, выбор шрифта, таблицы и т.п.), а также в него можно добавлять изображения. Формат идеально подходит для рефератов, докладов и РПЗ курсовых проектов, которые необходимо распечатать. Кстати перед печатью также сохраняйте файл в PDF, так как принтер может начудить со шрифтами.
, что соответствует жесткой конструкции. Деталь включает поверхности: торцовые, наружные цилиндрические, плоские, отверстия, фаски;
















