Uchebnoe_posobie_dlya_vypolenia_DZ_po_TK M_Razdel_5_Mekhanicheskaya_obrabotka_rez aniem_pokovki (769666)
Текст из файла
Глава 5. Выбор оптимального метода изготовления заготовки проектируемой детали.
Анализ вариантов заготовки проектируемой детали показал, что минимальный объём механической обработки резанием, при изготовлении заготовки объёмной штамповкой.
Технология изготовления поковки «Ступица» приведена в главе 3. Рис. 3.
Последовательность механической обработки резанием поковки «Ступица» на токарно – винторезном станке.
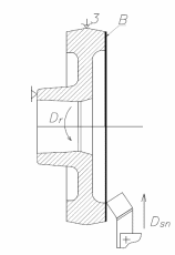
Установ 1.
1) Установить заготовку в трёхкулачковый самоцентрирующий патрон по поверхности «В».
2) Подрезать торцовую поверхность «В». Инструмент: токарный проходной отогнутый резец (рис.5.1);
3)Расточить отверстие «Д» 54 мм. Инструмент: токарный расточной резец для обработки сквозных отверстий (рис.5.2);
4)Расточить отверстие «А» 165мм на глубину 15 мм. Инструмент: токарный проходной упорный резец (рис.5.3);
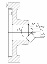
5) Снять фаску «3» в отверстии 165 мм. Инструмент: токарный проходной отогнутый резец (рис.5.4);
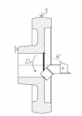
6) Снять фаску «К» в отверстии 54 мм. Инструмент: токарный проходной отогнутый резец (рис.5.5);
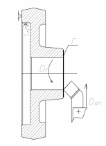
Установ 2.
7) Установить заготовку в трёхкулачковый самоцентрирующий патрон по поверхности «А»;
8) Подрезать торцовую поверхность «Г», выдержав размер 73 мм. Инструментарий: токарный проходной отогнутый резец (рис.5.6);
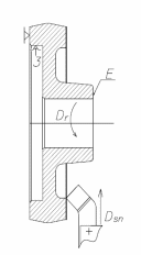
9) Подрезать торцовую поверхность «Е», выдержав размер 42 мм. Инструментарий: токарный проходной отогнутый резец (рис.5.7);
10)Обточить наружную цилиндрическую поверхность «Б» до диаметра 205 мм. Инструментарий: токарный проходной упорный резец (рис.5.8);
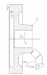
11) Снять фаску «Л» на наружной поверхности 81 мм. Инструментарий: токарный проходной отогнутый резец (рис.5.9);
12) Снять фаску «М» в отверстии 54 мм. Инструментарий: токарный проходной отогнутый резец (рис.5.10).
2.Анализ исходных данных детали.
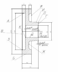
Поверхность «А» - внутренняя цилиндрическая; шероховатость Ra не более 6.3мкм;
Поверхность «Б» - наружная цилиндрическая; шероховатость Ra не более 3.2мкм;
Поверхность «В» - наружная торцовая; шероховатость Ra не более 6.3мкм;
Поверхность «Г» - наружная торцовая; шероховатость Ra не более 6.3мкм;
Поверхность «Д» - внутренняя цилиндрическая; шероховатость Ra не более 1.25мкм;
Поверхность «Е» - наружная торцовая; шероховатость Ra не более 6.3мкм;
Поверхность «Ж» - внутренняя цилиндрическая; шероховатость Ra 40 мкм;
Поверхность «З» - внутренняя фаска; шероховатость Ra не более 12.5мкм;
Поверхность «И» - наружная цилиндрическая; шероховатость Ra40мкм;
Поверхность «К» - внутренняя фаска; шероховатость Ra не более 12.5мкм;
Поверхность «Л» - наружная фаска; шероховатость Ra не более 12.5мкм;
Поверхность «М» - внутренняя фаска; шероховатость Ra не более 12.5мкм;
3.Выбор вида механической обработки резанием.
Поверхность «А» - растачивание черновое (Ra 10..3.2 мкм; квалитет размера ISO 14..10);
Поверхность «Б» - точение чистовое(Ra 6.3..0.4 мкм; квалитет размера ISO 10..8);
Поверхность «В» - точение получистовое (Ra 20..1.6 мкм; квалитет размера ISO 13..11);
Поверхность «Г» - точение получистовое (Ra 20..1.6 мкм; квалитет размера ISO 13..11);
Поверхность «Д» - растачивание тонкое (Ra 1.6..0.2мкм; квалитет размера ISO 8..6);
Поверхность «Е» - точение получистовое (Ra 20..1.6 мкм; квалитет размера ISO 13..11);
Поверхность «Ж» - обработка резанием не подвергается (Ra 40 мкм);
Поверхность «З» - растачивание черновое (Ra 12.5..6.3мкм; квалитет размера ISO 14..10);
Поверхность «И» - обработке резанием не подвергается (Ra 40 мкм);
Поверхность «К» - растачивание черновое (Ra 12.5..6.3 мкм; квалитет размера ISO 14..10);
Поверхность «Л» - растачивание черновое (Ra 80..6.3; квалитет размера ISO 14..10);
Поверхность «М» - растачивание черновое (Ra 12.5..6.3 мкм, квалитет размера ISO 14..10).
Условия технической реализации обработки поверхностей.
У
станов 1
Поверхность В
-
Вид обработки – точение получистовое;
-
Оборудование: токарно-винторезный станок, т.к. производство единичное, габариты детали средние.
-
Режущий инструмент: токарный проходной отогнутый резец.
-
Способ установки заготовки: трёхкулачковый самоцентрирующий патрон, т.к. конструкция детали жёсткая.
-
Способ установки инструмента: четырёхпозиционный поворотный резцедержатель.
Рис.5.1
П
оверхность Д.
-
Вид обработки: растачивание тонкое; предварительно выполнить растачивание черновое и чистовое;
-
Оборудование: токарно – винторезный станок;
-
Режущий инструмент: токарный расточной резец для обработки сквозных отверстий;
-
Способ установки заготовки: трёхкулачковый самоцентрирующий патрон;
-
Способ установки инструмента: четырёхпозиционный поворотный резцедержатель.
Рис 5.2
Поверхность А.
-
Вид обработки: растачивание черновое;
-
Оборудование: токарно – винторезный станок;
-
Режущий инструмент: токарный проходной упорный резец;
-
Способ установки заготовки: трёхкулачковый самоцентрирующий патрон;
-
Способ установки инструмента: четырёхпозиционный поворотный резцедержатель.
Рис 5.3
Поверхность З.
-
Вид обработки: растачивание черновое;
-
Оборудование: токарно – винторезный станок;
-
Режущий инструмент: токарный проходной отогнутый резец;
-
Способ установки заготовки: трёхкулачковый самоцентрирующий патрон;
-
Способ установки инструмента: четырёхпозиционный поворотный резцедержатель.
Рис 5.4
Поверхность К.
-
Вид обработки: растачивание черновое;
-
Оборудование: токарно – винторезный станок;
-
Режущий инструмент: токарный проходной отогнутый резец;
-
Способ установки заготовки: трёхкулачковый самоцентрирующий патрон;
-
Способ установки инструмента: четырёхпозиционный поворотный резцедержатель.
Рис 5.5
У
станов 2.
Поверхность Г
-
Вид обработки: точение получерновое;
-
Оборудование: токарно – винторезный станок;
-
Режущий инструмент: токарный проходной отогнутый резец;
-
Способ установки заготовки: трёхкулачковый самоцентрирующий патрон;
-
Способ установки инструмента: четырёхпозиционный поворотный резцедержатель.
Рис 5.6.
Поверхность Е.
-
Вид обработки: точение получистовое;
-
Оборудование: токарно – винторезный станок;
-
Режущий инструмент: токарный проходной отогнутый резец;
-
установки заготовки: трёхкулачковый самоцентрирующий патрон;
-
Способ установки инструмента: четырёхпозиционный поворотный резцедержатель.
Рис 5.7
Поверхность Б.
-
Вид обработки: точение чистовое;
-
Оборудование: токарно – винторезный станок;
-
Режущий инструмент: токарный проходной упорный резец;
-
Способ установки заготовки: трёхкулачковый самоцентрирующий патрон;
-
Способ установки инструмента: четырёхпозиционный поворотный резцедержатель.
Рис 5.8
П
оверхность Л
-
Вид обработки: растачивание черновое;
-
Оборудование: токарно – винторезный станок;
-
Режущий инструмент: токарный проходной отогнутый резец;
-
Способ установки заготовки: трёхкулачковый самоцентрирующий патрон;
-
Способ установки инструмента: четырёхпозиционный поворотный резцедержатель.
Рис 5.9
Поверхность М
-
В
ид обработки: растачивание черновое; -
Оборудование: токарно – винторезный станок;
-
Режущий инструмент: токарный проходной отогнутый резец;
-
Способ установки заготовки: трёхкулачковый самоцентрирующий патрон;
-
Способ установки инструмента: четырёхпозиционный поворотный резцедержатель.
Рис 5.10
Рис 5.11
Рис.5.11 Чертёж детали «Ступица», изготовленной из поковки, полученной открытой штамповкой.
Характеристики
Тип файла документ
Документы такого типа открываются такими программами, как Microsoft Office Word на компьютерах Windows, Apple Pages на компьютерах Mac, Open Office - бесплатная альтернатива на различных платформах, в том числе Linux. Наиболее простым и современным решением будут Google документы, так как открываются онлайн без скачивания прямо в браузере на любой платформе. Существуют российские качественные аналоги, например от Яндекса.
Будьте внимательны на мобильных устройствах, так как там используются упрощённый функционал даже в официальном приложении от Microsoft, поэтому для просмотра скачивайте PDF-версию. А если нужно редактировать файл, то используйте оригинальный файл.
Файлы такого типа обычно разбиты на страницы, а текст может быть форматированным (жирный, курсив, выбор шрифта, таблицы и т.п.), а также в него можно добавлять изображения. Формат идеально подходит для рефератов, докладов и РПЗ курсовых проектов, которые необходимо распечатать. Кстати перед печатью также сохраняйте файл в PDF, так как принтер может начудить со шрифтами.
ид обработки: растачивание черновое;















