Uchebnoe_posobie_dlya_vypolenia_DZ_po_TK M_Misha_15_04_2014 (769665), страница 14
Текст из файла (страница 14)
ВАРИАНТЫ ДОМАШНЕГО ЗАДАНИЯ ПО ДИСЦИПЛИНЕ
«ТЕХНОЛОГИЯ КОНСТРУКЦИОННЫХ МАТЕРИАЛОВ»
Список литературы
-
Базаров Б.М. «Основы технологии машиностроения», М., Машиностроение, 2005 г.;
-
Даниленко Н.Б., Зубков Н.Н. «Выбор режимов резанья», М., МГТУ им. Н.Э.Баумана, 2005 г.;
-
Шачиева И.Б., Барсукова Т.М., Яковлев А.И. «Механическая обработка поверхностей заготовок», М., МГТУ им. Н.Э.Баумана, 2000 г.;
-
Технология изготовления отливок: Учебное пособие / А.Ф. Вязов, Е.А. Соколов, С.И. Лутковский и др.; Под ред. А.Ф. Вязова. – 2-е изд., испр. И доп. - М.: Изд-во МГТУ им. Н.Э. Баумана, 2004 г.
-
Основы технологии получения поковок: Учебное пособие / С.А. Евсюков, С.И. Лутковский, В.К. Стратьев, Ю.Х. Хациев; Под ред. С.А. Евсюкова. – М.: Изд-во МГТУ им. Н.Э. Баумана, 2005 г.
-
Технология конструкторских материалов. Курс лекций: учеб. пособие / А.Ф.Третьяков. – М.: Изд-во МГТУ им. Н.Э.Баумана, 2010.
-
Электронный марочник сталей http://www.splav.kharkov.com/main.php
-
Легчилин А.И., Мальцев В.П., Якушин Б.Ф. Обоснование выбора способа получения заготовок: Метод. указания по курсу ТКМ / Под ред. Б.Ф.Якушина. – М.: Изд-во МВТУ, 1989.
-
Кременский И.Г., Легчилин А.И., Стратьев В.К. Детали из штампованных поковок. Сборник задач по курсу «ТКМ» Ч.2 / М.: Изд-во МГТУ им. Н.Э. Баумана, 2003.
-
Ярославцев В.М., Алешин В.Ф., Ярославцева Н.А. «Сборник чертежей деталей машин к выполнению домашнего задания» / М.: Изд-во МГТУ им. Н.Э. Баумана, 2010.
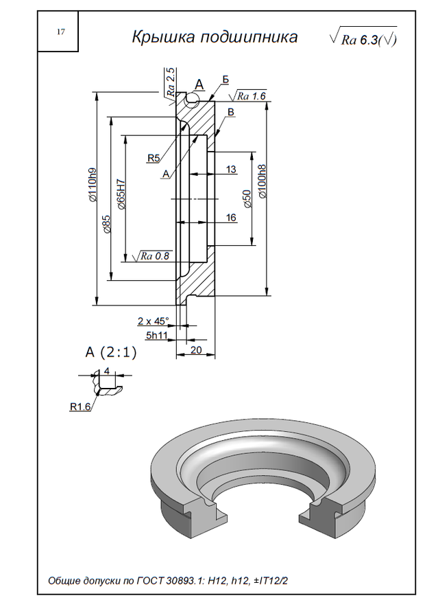
17
















