62472 (597562), страница 7
Текст из файла (страница 7)
Значения Uвх1 = const, Uвх2 = const берутся из таблицы вариантов. При построении временных диаграмм считать, что Uвх1 и Uвх2 являются постоянными напряжениями. Напряжение насыщения усилителя Uн± = 7В.
Работа №6
Исследование суммирующего усилителя
Цель работы
Изучение схемы суммирующего усилителя на основе операционного усилителя.
Теоретическая часть
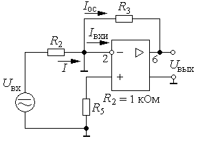
Для суммирующего усилителя используется инвертирующее включение операционного усилителя. В этой схеме действует параллельная отрицательная обратная связь по напряжению (рис.1). Сопротивление обратной связи Rос соединяет точки 6 и 2.
Схема усилителя приведена на рис.1.
Рис.1. Схема суммирующего усилителя
Пусть на инвертирующий вход поступают два сигнала Uвх1 и Uвх2, которые подключаются к точке 2 через резисторы R2 и R4. Операционный усилитель является идеальным усилителем напряжения, поэтому для него iвхи≈0, где iвхи – входной ток инвертирующего входа. Тогда точка 2 является виртуальным нулем и справедливо уравнение
i1 + i2 = iос. (1)
Значения токов определяются из соотношений:
i1 =
; i2 =
; iос =
. (2)
Выражения (2) подставляются в выражение (1):
+
= –
, Uвых = – (Uвх1
+ Uвх2
), (3)
где
,
называются масштабными коэффициентами. Знак минус говорит об инверсии результата суммирования.
Масштабные коэффициенты применяются для того, чтобы усилитель работал на линейном участке амплитудной характеристики. Если необходимо ослабить значения Uвх1 и Uвх2, то
< 1 и
< 1. Если сумма наибольших значений Uвх1 и Uвх2 не превышает значения напряжения насыщения, то масштабные коэффициенты равны единице, а выражение (3) принимает вид:
Uвых = – (Uвх1 + Uвх2). (4)
Экспериментальная часть
-
Снятие амплитудной характеристики усилителя.
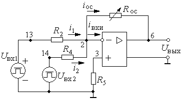
Снять амплитудные характеристики усилителя: Uвых = F(Uвх1) при Uвх2 = const и Uвых = F(Uвх2) при Uвх1 = const. Источники постоянных напряжений находятся на лабораторном стенде. При снятии характеристики установить заданное значение сопротивления обратной связи Rос.
-
Суммирование импульсных напряжений.
Снять осциллограммы входных и выходных напряжений при разном времени задержки двух импульсов. Амплитуды импульсных напряжений установить согласно таблице вариантов, а время задержки импульсов – опытным путем.
-
Измерение переходных искажений.
При работе усилителя с периодическим импульсным сигналом переходные искажения проявляются в изменении времени фронта и среза импульса, а также вершины импульса.
-
В
начале установить Uвх2=0 и работать от одного импульса.
З
америть времена фронта у входного (Uвх1) и выходного импульса (рис. 2).
Р
0
0
ис.2. Измерение фронтов импульсов:tф – время фронта; tс – время среза
-
Изменением амплитуды входного сигнала uвх1 при uвх2=0 добиться искажения вершины импульса. Зарисовать осциллограммы uвх1(t) и uвых(t).
-
Установить uвх1≠0 и uвх2≠0 и зарисовать осциллограммы uвх1(t) и uвх2(t) и uвых(t).
-
Оформление отчета.
По результатам опыта построить амплитудные характеристики и обработать осциллограммы.
Контрольные вопросы
-
Почему операционный усилитель является идеальным усилителем напряжения?
-
Что такое «виртуальный ноль» операционного усилителя?
-
Раскрыть назначение масштабных коэффициентов.
-
Как определить вид обратной связи в схеме суммирующего усилителя?
-
Чем ограничена величина суммирующих напряжений?
-
Какое влияние на работу усилителя оказывает резистор R5?
-
Нужна ли балансировка суммирующего усилителя?
-
Что называется переходными искажениями?
-
Как определяются времена фронта и среза импульса?
-
Что такое переходные искажения в области малых времен и в области больших времен?
Таблица вариантов
| № вар. | Rос, кОм | Uвх1, В | Uвх2, В | № вар. | Rос, кОм | Uвх1, В | Uвх2, В |
| 1 | 6,8 | 6,5 | 1,0 | 13 | 4,7 | 1,0 | 1,0 |
| 2 | 10,0 | 1,0 | 0,5 | 14 | 6,8 | 1,5 | 1,5 |
| 3 | 22,0 | 1,5 | 1,0 | 15 | 10,0 | 2,0 | 2,0 |
| 4 | 33,0 | 2,0 | 1,5 | 16 | 22,0 | 2,5 | 2,5 |
| 5 | 47,0 | 2,5 | 2,5 | 17 | 33,0 | 3,0 | 3,0 |
| 6 | 100,0 | 3,0 | 3,0 | 18 | 47,0 | 4,0 | 4,0 |
| 7 | 4,7 | 0,5 | 0,5 | 19 | 6,8 | 2,0 | 2,0 |
| 8 | 6,8 | 1,0 | 1,0 | 20 | 10,0 | 2,5 | 2,5 |
| 9 | 10,0 | 1,5 | 1,5 | 21 | 22,0 | 3,0 | 3,0 |
| 10 | 22,0 | 2,0 | 2,0 | 22 | 33,0 | 3,5 | 3,5 |
| 11 | 33,0 | 2,5 | 2,5 | 23 | 47,0 | 4,0 | 4,0 |
| 12 | 47,0 | 3,0 | 3,0 | 24 | 6,8 | 2,0 | 2,0 |
Примечание: студенты, получившие подвариант А – строят амплитудную характеристику Uвых = F (Uвх2) для Uвх1 = const, Uвх2 = var; подвариант Б – строят амплитудную характеристику Uвых = F (Uвх1) для Uвх1 = var, Uвх2 = const; подвариант В – временные диаграммы uвх1(t), uвх2(t), uвых(t). Напряжение насыщения усилителя Uн± = 7 В.
Работа №7
Исследование усилителей на основе операционного усилителя
Цель работы
Изучение схем инвертирующего и неинвертирующего включения операционного усилителя.
Теоретическая часть
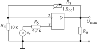
Схема инвертирующего усилителя приведена на рис.1. В цепи обратной связи усилителя включен резистор R3, который создает параллельную отрицательную обратную связь по напряжению. Отрицательная обратная связь стабилизирует работу усилителя, то есть уменьшает дрейф нуля.
Рис.1. Схема инвертирующего усилителя
Пусть операционный усилитель является идеальным усилителем напряжения, тогда ток инвертирующего входа отсутствует, то есть Iвхи = 0. В этом случае точка 2 является виртуальным нулем, поэтому I = Iос (1). Значение токов определяются из соотношений:
,
. (2)
Знак минус в значении тока Iос говорит о повороте фазы сигнала на выходе. На основании условия (1) получается выражение:
(3), откуда определяется коэффициент усиления по напряжению усилителя с обратной связью:
(4).
Коэффициент усиления по напряжению кос не зависит от коэффициента усиления операционного усилителя коу, так как петлевое усиление β*коу подчиняется соотношению β*коу >>1, где β – коэффициент передачи цепи обратной связи по напряжению. Амплитудная характеристика усилителя приведена на рис.2. Выходное напряжение изменяется до значения насыщения Uн±. Линейный участок амплитудной характеристики лежит в пределах изменения входного напряжения ΔUлин. По амплитудной характеристике определяется коэффициент усиления по напряжению:
(5).
Амплитудно-частотная характеристика усилителя представляет собой зависимость амплитуды выходного напряжения от частоты при постоянной амплитуде входного напряжения: Uвыхm = F(f) при Uвхm = const. Амплитуда входного сигнала выбирается на линейном участке амплитудной характеристики. Из-за неизменной амплитуды Uвхm коэффициент усиления по напряжению Кос будет изменяться так же, как и амплитуда выходного напряжения, то есть амплитудно-частотная характеристика усилителя определяется не только как Uвыхm, но и как Кос = F(f). Амплитудно-частотная характеристика приведена на рис.3.
Рис.3. Амплитудно-частотная характеристика
В усилителе отсутствует разделительный конденсатор и трансформаторы, поэтому он пропускает и усиливает постоянный ток и низкочастотные составляющие сигнала. Уменьшение выходного напряжения происходит в области высоких частот за счет паразитных емкостей, действующих параллельно входу и выходу усилителя.
Пусть усиление на низкой частоте происходит с коэффициентом К0. При уменьшении коэффициента в
раз или на 3 дб определяется полоса пропускания усилителя. Коэффициент частотных искажений на верхних частотах определяется из выражения
.
Схема неинвертирующего усилителя приведена на рис.4.
Рис.4. Схема неинвертирующего усилителя
В схеме усилителя введена последовательная отрицательная обратная связь по напряжению. Из условия идеальности операционного усилителя получается равенство потенциалов на инвертирующем и неинвертирующем входах:
U2 = U3. (1)
Р
0
Uвх
ис.5. Амплитудные характеристики неинвертирующего усилителя для трех значений Rос
Значение потенциалов в точках 2 и 3 определяется из соотношения
, (2)
U3 = eг. (3)
















