62472 (597562), страница 4
Текст из файла (страница 4)
Р
ис.16. Вольтамперная характеристика туннельного диода
По характеристике определить дифференциальные сопротивления на разных участках прямой ветви, пиковый ток, ток впадины, отношение пикового тока к току впадины, напряжение пика, напряжение впадины (рис.16.) При оформлении отчета представить таблицы измерений и обработанные осциллограммы. Сделать выводы по каждому пункту.
Внимание! Тумблер «Усилитель Y» держать в положении «x10».
Контрольные вопросы
-
Пояснить образование несимметричного ступенчатого p-n-перехода.
-
Как изменить сопротивление p-n-перехода?
-
Почему возрастает ток при прямом включении p-n-перехода, а при обратном включении p-n-переход закрыт?
-
Что показывают предельные параметры диода?
-
Перечислить характеризующие и предельные параметры выпрямительного диода?
-
Что такое ток термогенерации?
-
Причины возникновения пробоя p-n-перехода.
-
Как определить класс вентиля?
-
Как зависит вид вольтамперной характеристики диода от концентрации примесей в слоях?
-
Как снимается вольтамперная характеристика диода?
Таблица вариантов
| № вар. | Uпор, В | Ri, Ом | Pдоп, Вт | Iп, А | № вар. | Uпор, В | Ri, Ом | Pдоп, Вт | Iп, А |
| | 0,40 | 0,80 | 0,32 | 0,40 | | 0,40 | 0,90 | 0,32 | 0,40 |
| | 0,50 | 0,80 | 0,50 | 0,50 | | 0,50 | 0,90 | 0,40 | 0,50 |
| | 0,60 | 0,80 | 0,70 | 0,60 | | 0,60 | 1,50 | 0,24 | 0,30 |
| | 0,45 | 0,75 | 0,70 | 0,70 | | 0,45 | 1,20 | 0,24 | 0,30 |
| | 0,65 | 0,70 | 0,75 | 0,80 | | 0,65 | 1,30 | 0,28 | 0,35 |
| | 0,40 | 0,70 | 0,80 | 0,90 | | 0,40 | 0,75 | 0,70 | 0,80 |
| | 0,45 | 0,60 | 1,0 | 1,0 | | 0,45 | 0,65 | 1,10 | 1,0 |
| | 0,50 | 0,20 | 1,50 | 2,50 | | 0,50 | 0,25 | 1,45 | 2,50 |
| | 0,40 | 0,10 | 3,0 | 5,0 | | 0,40 | 0,10 | 3,50 | 5,0 |
| | 0,45 | 0,10 | 4,0 | 7,0 | | 0,45 | 0,09 | 5,0 | 7,0 |
| | 0,50 | 0,08 | 6,0 | 8,0 | | 0,50 | 0,07 | 6,0 | 8,0 |
| | 0,40 | 0,05 | 8,0 | 10,0 | | 0,40 | 0,05 | 8,0 | 10,0 |
Примечание: Студенты, получившие подвариант А, строят вольтамперную характеристику диода; получившие подвариант Б – строят кривую максимально допустимой мощности рассеивания; получившие подвариант В – составляют таблицу параметров для выпрямительных диодов большой мощности.
Работа №3
Исследование однополупериодного выпрямителя
и параметрического стабилизатора постоянного напряжения
Цель работы
Изучить работу однополупериодного выпрямителя однофазного тока и принцип стабилизации постоянного напряжения при помощи одноанодного стабилитрона.
Теоретическая часть
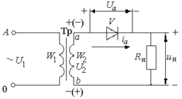
Схема однополупериодного выпрямителя однофазного тока приведена на рис.1. Выпрямитель питается от фазного напряжения U1 с действующим значением 220 В. Трансформатор Тр преобразует величину напряжения, создавая на вторичной обмотки W2 напряжение U2, действующее значение которого зависит от коэффициента трансформации Ктр= W1/W2 = U1/U2 . Кроме этого трансформатор разделяет потенциально цепи первичной и вторичной обмоток. Диод V включен последовательно с нагрузкой в цепь вторичной обмотки трансформатора.
Рис.1. Схема однополупериодного выпрямителя однофазного тока
Пусть в некоторый момент времени напряжение uab > 0, тогда к диоду прикладывается прямое напряжение и он проводит ток iа. На нагрузке появляется напряжение uн = iа*Rн. При изменении полярности напряжения uаb диод закрыт, ток в контуре не протекает и напряжение на нагрузке равно 0. Итак, за период переменного напряжения во вторичной обмотке трансформатора получается один импульс тока, поэтому схема называется однополупериодной.
Рассмотрим работу схемы в двух режимах:
-
U2m Uпор; 2) U2m >> Uпор, где Uпор – пороговое напряжение вольтамперной характеристики диода.
Пусть работа диода происходит в первом режиме, тогда при построении нагрузочной диаграммы необходимо учитывать нелинейность вольтамперной характеристики. Нагрузочная диаграмма изображена на рис.2.
Анодный ток в интервалах времени t1–t2 и t8–t9 не протекает, а в интервалах времени t2–t4 и t6–t8 имеет нелинейные искажения. Когда изменения напряжения U2 приходятся на линейный участок вольтамперной характеристики между точками 3 и 4, тогда нелинейные искажения тока отсутствуют.
Временные диаграммы работы выпрямителя с учетом нелинейности приведены на рис.3.
Рис.3. Временные диаграммы работы выпрямителя
Экспериментальная часть
-
Исследование выпрямителя на пониженном напряжении
Рис.4. Схема однополупериодного выпрямителя однофазного тока
Установить на входе выпрямителя напряжение с амплитудой 3 В. Измере-ние напряжения производить при помощи осциллографа. Зарисовать осциллог-раммы входного напряжения uвх, напряжения на нагрузке uн, напряжения на ди-оде uа, анодного тока iа. Убедиться в появлении нелинейных искажений тока и напряжения нагрузки.
-
Исследование выпрямителя при входном напряжении 12 В.
Установить на входе выпрямителя напряжение с максимальной амплитудой. Зарисовать осциллограммы uвх, uн, uа, iа.
Снять зависимость среднего значения напряжения и тока нагрузки от амплитуды входного напряжения: Uн = F(Uвхm), Ia = F(Uвхm). Сравнить зависимости Uн = F(Uвхm), Ia = F(Uвхm) с расчетными.
Среднее значение напряжения на нагрузке
;
где
– среднее значение выпрямленного напряжения на холостом ходе выпрямителя;
uа – падение напряжения на диоде, которое берется из вольтамперной характеристики диода.
Среднее значение анодного тока
, где Rн = 120 Ом.
Построить зависимость Uн = F(Uвхm) и Iн = F(Uвхm).
-
Снятие вольтамперной характеристики одноанодного стабилитрона
С
обрать схему, приведенную на рис.5.
Р
Y
ис.5. Схема для снятия вольтамперной характеристики стабилитрона:Х – горизонтальный вход осциллографа, Y – вертикальный вход
Зарисовать вольтамперную характеристику стабилитрона и определить по ней параметры: дифференциальные сопротивления в прямом и обратном направлениях, напряжение стабилизации, прямое падение напряжения.
Определение параметров показано на рис.6.
Рис.6. Определение параметров по вольтамперной характеристике стабилитрона
-
Исследование параметрического стабилизатора постоянного напряжения.
Собрать схему, приведенную на рис.7.
Рис.7. Схема параметрического стабилизатора постоянного напряжения: V1, V2 – вольтметры.
Снять зависимость выходного напряжения стабилизатора от входного напряжения: Uвых = F(Uвх). Построить зависимость. Измерить изменение тока I. Определить коэффициент стабилизации по напряжению:
















