62472 (597562), страница 2
Текст из файла (страница 2)
Делитель напряжения (рис.4.) представляет собой цепь из двух последовательно включенных резисторов. Цепь подключается к источнику напряжения. С одного из плеч снимается выходное напряжение, которое получается меньше входного, т.е. ослабляется.
Рис.4. Делитель напряжения
-
Измерение переменного напряжения
Установить род работы «~». Убедиться в том, что в этом положении нельзя замерить постоянное напряжение. Подключить переменное напряжение «12 В». Определить амплитуду и действующее значение переменного напряжения
. Зарисовать осциллограмму напряжения в разных масштабах генератора развертки. Определить масштаб времени. Проверить влияние рода синхронизации на изображение сигнала: «
», «~», «сеть», «внутренняя», «внешняя». Сделать выводы о влиянии синхронизации на устойчивость изображения.
-
Измерение эталонного сигнала
На вертикальный вход подключить эталонный сигнал с гнезда «кГц». Замерить его амплитуду в масштабах 1 В/дел и 0,5 В/дел. Определить масштаб времени и период следования импульсов.
-
Измерение сигналов при помощи горизонтального входа
Переключатель «Развертка» поставить в положение «Х». При этом генератор развертки отключается от входа «Х» и на экране появляется точка. Подать на вход «Х» сигнал от гнезда «2 кГц». Определить масштаб по напряжению. Снять осциллограмму.
Далее при помощи делителя напряжения измерить переменное напряжение источника питания. Схема подключения приведена на рис.5.
Рис.5. Подключение делителя к источнику переменного напряжения
-
Оформление отчета.
При оформлении отчета представить таблицы измерений и осциллограммы напряжений. Сделать выводы по каждому пункту.
Контрольные вопросы
-
Как осуществляется фокусировка электронного луча на экране?
-
Как получить отклонение луча по вертикали?
-
Как измерить сигнал по входу X?
-
Для чего применяется генератор развертки?
-
Как синхронизировать сигнал, если его частота равна 150 Гц?
-
Для чего применяется внутренняя синхронизация?
-
Какой род работы необходимо установить, если должна фиксироваться нулевая линия?
-
Чем отличается внешняя синхронизация от внутренней?
-
Как расширить пределы измерения сигнала по оси Y или X?
Работа №2
Исследование выпрямительного и туннельного диодов
Цель работы
Изучение характеристик и параметров выпрямительных и туннельных диодов.
Теоретическая часть
-
Формирование электронно-дырочного перехода.
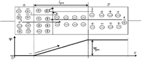
Плоскостные выпрямительные диоды основаны на плоскостном контакте слоев полупроводников с разным типом проводимости. Структура полупроводников n- и р-типа приведена на рис.1, где n-слой с электронной проводимостью, а p-слой с дырочной проводимостью.
Рис.1. Структура полупроводников с электронной и дырочной проводимостью
При соединении слоев происходит диффузия электронов из n-слоя в p-слой. Принимается условие, что концентрация электронов в n-слое больше концентрации дырок в p-слое. После диффузии электронов у границы n-слоя остается неподвижный положительный заряд ионов примеси (донора). В p-слое электроны рекомбинируют с дырками, в результате чего у границы p-слоя возникает неподвижный отрицательный заряд ионов примеси (акцептора). Область неподвижных зарядов ионов примеси в основном составляет p-n-переход (рис.2).
П
ереход получается в единой пластине полупроводника, в которой получена резкая граница между слоями n и р. Резкость границы играет основную роль для образования p-n-перехода, т.к. плавный переход не обладает вентильными свойствами, на которых основана работа диодов и транзисторов.
Граница между слоями является резкой, если выполняется неравенство:
, (1)
где
– градиент концентрации примеси на границе перехода,
li – глубина проникновения электрического поля в кристалл,
ni – собственная концентрация электронов.
Например, для значений ni = 1013 зар/см3 и li = 1,5 мкм условие (1) выполняется при
зар/см4. Согласно условию (1) концентрация примеси в переходе должна существенно изменяться на отрезке, меньшем li. Переходы, в которых наблюдается скачкообразное изменение концентрации на границе слоев
, называются ступенчатыми. Ступенчатые переходы хорошо воспроизводят параметры и характеристики реальных структур и проще для анализа.
Рис.2. Структура несимметричного ступенчатого p-n-перехода и потенциальный барьер p-n-перехода
По соотношению концентраций основных носителей в слоях n и р переходы делятся на симметричные и несимметричные: nnpp и nnpp или ppnn, где nn – концентрация электронов в области n, pp – концентрация дырок в области р. Практическое применение находят несимметричные переходы, у которых различие в концентрациях составляет до 100 – 1000 раз.
Заряды p-n-перехода образуются не только за счет ионов примесей, но и за счет некоторого числа носителей, поступивших из соседнего слоя. Количество свободных носителей невелико. В рассматриваемом случае концентрация доноров значительно выше концентрации акцепторов, в то же время полные заряды в обеих частях перехода одинаковы, поэтому область отрицательного заряда в р-слое будет гораздо шире, чем область положительного заряда в n-слое. Следовательно, несимметричный переход сосредоточен в основном в высокоомном слое.
Заряды p-n-перехода создают внутреннее поле, которое препятствует перемещению основных носителей 1 и 2. Под действием внутреннего поля перемещаются неосновные носители 3 и 4, которые создают ток дрейфа. Внутреннее поле создает на границе слоев потенциальный барьер, который принято изображать для электронов. Для перехода электрона 1 из n-слоя в p-слой электрону необходимо сообщить потенциал pn, который для кремниевых p-n-переходов составляет величину 0,6–0,7 В, а для германиевых – 0,2–0,3 В. При отсутствии внешнего напряжения через переход протекают токи диффузии и дрейфа, которые равны по величине. Ширина p-n-перехода зависит от материала полупроводника, концентрации электронов и дырок, температуры.
-
Подключение p-n-перехода к внешнему напряжению.
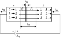
Подключение внешнего напряжения позволяет изменить ширину p-n-перехода и высоту потенциального барьера. Различают прямое и обратное включение p-n-перехода. Схема прямого включения приведена на рис.3. Источник Епр действует встречно внутреннему полю, поэтому уменьшаются ширина p-n-перехода и высота потенциального барьера. Основные носители электроны получают возможность для диффузии из n-слоя в p-слой.
Рис.3. Прямое включение p-n-перехода
Пусть электроны 1, 2, 3 совершают диффузию в p-слой, который на мгновение теряет электрическую нейтральность, приобретая избыточный отрицательный заряд. Между p-слоем и его выводом возникает электрическое поле, которое выбрасывает во внешнюю цепь электроны 4, 5, 6 из ближайших орбит парно-электронных связей полупроводника p-типа. Далее электроны 1, 2, 3 начинают диффузионное перемещение по дыркам вправо к правому контакту.
Во время диффузии электронов 1, 2, 3 n-слой также теряет электрическую нейтральность, приобретая избыточный положительный заряд. Между n-слоем и его выводом возникает электрическое поле, которое втягивает из внешней цепи электроны 7, 8, 9. В результате у левого и правого контакта, а также через структуру протекает прямой ток. Величина прямого тока определяется площадью p-n-перехода и зависит от приложенного прямого напряжения и ограничивающего сопротивления.
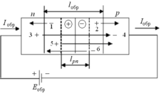
Рис.4. Обратное включение p-n-перехода
Схема обратного включения p-n-перехода приведена на рис.4. Под действием обратного напряжения происходит отток основных носителей 1 и 2 от границ перехода, поэтому p-n-переход расширяется. Для основных носителей создается сильное тормозящее поле, поэтому диффузия носителей невозможна. Поле, действующее на переходе, является ускоряющим для неосновных носителей, поэтому происходит дрейф носителей. Ток дрейфа имеет три составляющие: ток термогенерации, тепловой ток, ток утечки.
Ток термогенерации создается неосновными носителями 5 и 6, которые генерированы в области перехода, и зависит от температуры Iтг(Т) = Iтг(Т0)еТ, где Т0 – начальное значение температуры (250С); Т – текущее значение температуры; Т – изменение температуры; – температурный коэффициент. Ток термогенерации преобладает у кремниевых диодов, которые имеют бóльшую ширину p-n-перехода по сравнению с германиевыми диодами.
Тепловой ток создается неосновными носителями 3 и 4, которые генерированы в слоях полупроводника, прилегающих к переходу. Тепловой ток преобладает у германиевых p-n-переходов. Он зависит от температуры Iт(Т) = Iт(Т0)еТ. Существует эмпирическое правило для оценки токов, зависящих от температуры: при возрастании температуры на 100С обратный ток возрастает в 2 раза.
Ток утечки создается неосновными носителями, которые генерируются на поверхности слоев. Этот ток не зависит от температуры, т.к. определяется состоянием поверхности кристалла полупроводника. Основной особенностью тока утечки является нестабильность во времени, которая называется ползучестью.
Суммарное значение тока неосновных носителей при температуре до 400С много меньше тока диффузии: Iпр/Iобр = 104 – 105. Из этого соотношения следует, что несимметричный ступенчатый p-n-переход обладает вентильными свойствами.
-
Вольтамперная характеристика p-n-перехода.
Вольтамперная характеристика p-n-перехода приведена на рис.5, где прямая и обратная ветви изображены в разных масштабах. Участки прямой характеристики: 0–А, А–В, В–С. На участке 0–А прямой ток не протекает из-за тормозящего действия потенциального барьера на p-n-переходе. На участке А–В ток возрастает, т.к. часть электронов преодолевает потенциальный барьер. На участке А–В изменение тока носит нелинейный характер. На участке В–С действие потенциального барьера незначительное, т.к. большая часть электронов имеет энергию достаточную для диффузии из n-слоя в p. Участок В–С является линейным и рабочим для p-n-перехода. На нем при незначительном увеличении напряжения ток резко возрастает. Рассмотренный закон изменения прямого тока связан с различными скоростями электронов, а именно, число электронов с большими скоростями мало, а с малыми скоростями – велико.
Рис.5. Вольтамперная характеристика ступенчатого p-n-перехода
На участке 0–D обратный ток резко возрастает при незначительном увеличении обратного напряжения. Это связано с тем, что при заданной температуре в структуре образуются тепловой ток и ток термогенерации. На участке D–E при значительном увеличении напряжения происходит незначительное увеличение тока. Этот участок носит приблизительно линейный характер, т.к. ток термогенерации зависит от обратного напряжения по закону Iтг
, а ток утечки пропорционален обратному напряжению. В точке Е происходит пробой p-n-перехода. Если материал полупроводника – кремний, то в точке Е происходит резкий переход на участок пробоя.
















