62472 (597562), страница 10
Текст из файла (страница 10)
На линейных участках характеристик транзистора статический и дифференциальный коэффициент передачи одинаковы, поэтому для линейного режима работы используется одно значение α.
Из схемы включения транзистора следует основное уравнение для токов:
. (2)
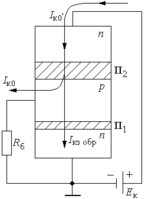
В цепи коллектора необходимо учесть ток неосновных носителей, который протекает под действием источника Eк. Этот ток определяется при оборванном эмиттере и обозначается Iк0 (рис.2). С учетом обратного тока коллектора Iк0 значение выходного тока в схеме с общей базой определяется выражением:
. (3)
Рис.2. Схема включения с общей базой при Iэ = 0
Влияние выходного напряжения на ток коллектора зависит от дифференциального сопротивления коллекторного перехода rк и определяется соотношением Uк/rк. Уравнение выходного тока для линейного участка вольтамперной характеристики имеет вид:
. (4)
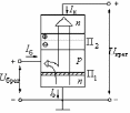
Схема включения с общим эмиттером приведена на рис.3. В этой схеме на вход и на выход подаются регулируемые напряжения Uбрег и Uкрег. Эмиттер является общим электродом для входа и выхода. Принцип действия биполярного транзистора не изменяется при изменении схемы включения, так как эмиттерный переход П1 включается в прямом направлении, а коллекторный П2 – в обратном. В отличие от схемы с общей базой напряжение Uкрег подключается к двум p-n-переходам П1 и П2. Из-за этого в области базы появляется избыточный отрицательный заряд, если разомкнута цепь эмиттера. Отрицательный заряд скапливается у границы перехода П2 и вызывает полевой пробой этого перехода, поэтому в схемах включения с общим эмиттером и общим коллектором нельзя включать транзистор с оборванной базой. Данное условие необходимо соблюдать для биполярных транзисторов разной мощности, особенно для средней и большой. В паспортных данных биполярных транзисторов указывается минимальный ток базы или внешнее сопротивление в цепи базы, при которых не происходит пробоя коллекторного перехода.
Рис.3. Схема включения с общим эмиттером
Выражение выходного тока для схемы с общим эмиттером получается на основе уравнения выходного тока схемы с общей базой. В выражение (4) подставляется выражение (2):
. (5)
После преобразования выражения (5) получается коллекторный ток, зависящий от параметра α:
. (6)
В выражении (6) каждое слагаемое можно рассмотреть отдельно:
;
;
, (7)
где В – коэффициент передачи тока базы, причем, различают статический коэффициент передачи и дифференциальный; на линейных участках характеристик статический и дифференциальный коэффициенты одинаковы;
Iк0’ – обратный ток коллектора в схеме с общим эмиттером;
rd – дифференциальное сопротивление коллекторного перехода для схемы с общим эмиттером.
; при Uк = const. (8)
; при Iб = const. (9)
Для оценки параметров транзистора зададим коэффициент передачи тока эмиттера α=0,98 и подсчитаем параметры В, rd, Iк0’:
;
;
. (10)
Из соотношения (10) следует, что в схеме с общим эмиттером происходит усиление тока базы, поэтому коэффициент передачи В называется коэффициентом усиления тока базы. Выходное сопротивление транзистора rd уменьшается, а ток Iк0’ возрастает по сравнению со схемой включения с общей базой.
Уравнение выходного тока с учетом соотношений (7) запишется в виде:
. (11)
Для графоаналитического расчета усилительных каскадов используются статические характеристики транзистора: входные Iб = F(Uб) при Uк = const; выходные Iк = F(Uк) при Iб = const; передачи по току Iк = F(Iб) при Uк = const.
Входные характеристики имеют вид, аналогичный прямой вольтамперной характеристике диода (рис.4). С ростом коллекторного напряжения характеристики сдвигаются вправо, так как происходит расширение коллекторного перехода в сторону базы и вследствие этого уменьшение ширины базы, а значит – базового тока. Влияние коллекторного напряжения на ток базы незначительное, так как базовый ток в основном определяется прямым напряжением, поступающим на базу.
Рис.4. Входные характеристики транзистора
Выходные характеристики транзистора имеют вид, аналогичный вольтамперным характеристикам диода в обратном включении (рис.5а). Принято изображать выходные характеристики в первом квадранте (рис.5б). Первая характеристика представляет собой обратный ток коллектора, который протекает при нулевом полезном сигнале в цепи базы (рис.6). По выходным характеристикам определяются выходное сопротивление транзистора rd в схеме с общим эмиттером и коэффициент усиления тока базы В.
а) б)
Рис.5. Выходные характеристики транзистора
Рис.6. Контур протекания обратного тока Iк0’
При включении нагрузки в цепь коллектора (рис.7) транзистор работает в квазистатическом (нагрузочном) режиме. Значение тока коллектора определяется из уравнения 2-го закона Кирхгофа, составленного для выходной цепи:
, (12)
. (13)
Рис.7. Схема с общим эмиттером в нагрузочном режиме
Из выражения (13) определяются точки холостого хода и короткого замыкания выходной цепи:
iк = 0, uк = Ек; uк = 0,
. (14)
По точкам холостого хода и короткого замыкания строится нагрузочная прямая на выходных характеристиках транзистора (рис.8). Прямая пересекает три области работы: область отсечки, активную область усиления и область насыщения.
Рис.8. Области работы транзистора в нагрузочном режиме
Область отсечки находится ниже характеристики обратного тока коллектора Iк0’. На рис.8 рабочей точкой отсечки является точка 1. На коллекторе действует напряжение отсечки Uкотс. Мощность, рассеиваемая на транзисторе в режиме отсечки, равна:
.
Активная область усиления расположена между рабочими точками 1 и 4, где выходной ток изменяется пропорционально входному току: Iк = В*Iб. Область называется активной, т.к. на ней происходит усиление сигнала за счет внутренних свойств транзистора и взаимодействия эмиттерного и коллекторного переходов. В этой области на транзисторе рассеивается наибольшая мощность, определяемая рабочей точкой: Pакт = Iк*Uк.
Область насыщения находится между осью тока и выходными характеристиками, которые сливаются в одну линию при малых напряжения коллектора. Рабочей точкой насыщения является точка 4, в которой ток коллектора достигает значения насыщения. При увеличении тока базы Iб ≥ Iб3 ток коллектора не изменяется, а напряжение достигает значения насыщения Uкэн. Мощность, рассеиваемая на транзисторе равна: Pн = Iкн*Uкэн. Причем, в режиме насыщения рассеиваемая мощность больше, чем в режиме отсечки.
Экспериментальная часть
Рис.9. Схема для снятия статических характеристики транзистора
1. Снятие входной характеристики.
Снять входную характеристику транзистора Iб = F(Uб) при постоянном значении Е2. Построить входную характеристику и определить по ней входное сопротивление:
. Входная характеристика показана на рис.10.
2. Снятие характеристики передачи в статическом режиме.
Построить характеристику передачи. Определить по ней коэффициент усиления тока базы
. Характеристика передачи транзистора показана на рис.11.
Рис.10. Входная характеристика транзистора
Рис.11. Статическая характеристика передачи транзистора
-
Снятие характеристики передачи в нагрузочном режиме.
Для этого в цепь коллектора включить резистор Rк согласно заданному варианту. Схема включения приведена на рис.12.
Построить характеристику Iк = B(Iб) при Rк = const. По ней найти токи насыщения базы и коллектора, а также коэффициент усиления тока. Определение этих величин по характеристике показано на рис.13.
Рис.13. Характеристика передачи в нагрузочном режиме
Коэффициент усиления по току
. (15)
-
Снятие выходных характеристик транзистора.
Выходные характеристики снимаются при изменяющемся токе коллектора. Для этого в цепь коллектора подается положительная полуволна напряжения, которая получается в результате однополупериодного выпрямления напряжения ~6,3 В. Схема включения приведена на рис.14.
По выходным характеристикам определить выходное сопротивление транзистора:
. (16)
Определение rd показано на рис.15.
Рис. 15. Выходные характеристики транзистора
5. Оформление отчета.
При оформлении отчета представить таблицы измерений, характеристики транзистора, определение параметров по характерситикам. Сделать выводы по каждому пункту.
Контрольные вопросы
-
Что такое электронная и дырочная проводимости полупроводника?
-
Чем отличаются транзисторы типа n-p-n и p-n-p?
-
Показать подключение транзисторов типа n-p-n и p-n-p к источникам входной цепи?
-
Изобразить характеристики передачи биполярного транзистора в статическом режиме и нагрузочном?
-
Какой параметр транзистора определяется по характеристике передачи?
-
Как выглядят выходные характеристики транзистора и какие параметры определяются по ним?
-
Как влияет температура на выходные характеристики транзистора?
-
Как смещается линия нагрузки на выходных характеристиках, если сопротивление нагрузки возрастает (уменьшается)?
Таблица вариантов
| № вар. | Eк, В | Rк, кОм | № вар. | Eк, В | Rк, кОм |
| | 6 | 1,5 | | 6 | 1,3 (1,5//10) |
| | 7 | 1,5 | | 6 | 1,8 (2,2//10) |
| | 8 | 1,8 (2,2//10) | | 8 | 2,2 |
| | 9 | 1,8 (2,2//10) | | 9 | 2,2 |
| | 10 | 2,2 | | 10 | 2,48 (3,3//10) |
| | 11 | 2,48 (3,3//10) | | 11 | 2,2 |
| | 6,5 | 1,5 | | 6,5 | 1,3 (1,5//10) |
| | 7,5 | 1,5 | | 7,5 | 1,8 (2,2//10) |
| | 8,5 | 1,8 (2,2//10) | | 8,5 | 2,2 |
| | 9,5 | 2,2 | | 9,5 | 2,48 (3,3//10) |
| | 10,5 | 2,2 | | 10,5 | 2,48 (3,3//10) |
| | 11,5 | 2,48 (3,3//10) | | 11,5 | 2,7 (3,3//15) |
Примечание: студенты, получившие подвариант А – строят нагрузочную прямую на выходных характеристиках транзистора; подвариант Б – строят характеристику передачи в статическом режиме; подвариант В – строят характеристику передачи в нагрузочном режиме.















