62472 (597562), страница 5
Текст из файла (страница 5)
;
где значение Uвх в точке покоя принять 11 В, Uвых взять из вольтамперной характеристики стабилитрона –Uвых =Uсm.
-
Оформление отчета.
При оформлении отчета представить таблицы измерений и обработанные осциллограммы. Сделать выводы по каждому пункту
Внимание! Тумблер «Усилитель Y» держать в положении «x10».
Контрольные вопросы
-
Какая схема выпрямления называется однополупериодной?
-
Как работает схема выпрямления однофазного тока?
-
В каком случае необходимо учитывать нелинейность вольтамперной характеристики диода?
-
Как построить кривую анодного тока при малом значении питающего напряжения, когда U2m
Uпор. -
Можно ли считать выпрямительный диод идеальным вентилем?
-
Как снимается вольтамперная характеристика стабилитрона?
-
Какой вид пробоя используется в одноанодных стабилитронах? Охарактеризовать каждый вид пробоя.
-
Как строится схема параметрического стабилизатора напряжения? Раскрыть назначение элементов.
Таблица вариантов
| № вар. | U2m, B | Rн, Ом | № вар. | U2m, B | Rн, Ом |
| 1 | 0,9 | 10 | 13 | 0,9 | 12 |
| 2 | 1,0 | 12 | 14 | 1,0 | 14 |
| 3 | 1,1 | 13 | 15 | 1,1 | 13 |
| 4 | 1,2 | 14 | 16 | 1,2 | 15 |
| 5 | 1,3 | 15 | 17 | 1,3 | 12 |
| 6 | 1,4 | 16 | 18 | 1,4 | 15 |
| 7 | 0,9 | 15 | 19 | 1,9 | 12 |
| 8 | 1,0 | 14 | 20 | 1,0 | 13 |
| 9 | 1,1 | 13 | 21 | 1,1 | 14 |
| 10 | 1,2 | 12 | 22 | 1,2 | 15 |
| 11 | 1,3 | 16 | 23 | 1,3 | 18 |
| 12 | 1,4 | 17 | 24 | 1,4 | 20 |
Примечание: студенты, получившие подвариант А, строят кривую анодного тока ia(t); подвариант Б – кривую анодного напряжения ua(t); подвариант В – временные диаграммы u2(t), ia(t), ua(t), uн(t) для заданной вольтамперной характеристики (ВАХ) диода. ВАХ диода приведена на рис.8.
Рис.8. Вольтамперная характеристика диода для предварительного расчета
Работа №4
Исследование однооперационного тиристора
Цель работы
Изучение параметров и характеристик тиристора и исследование однофазного управляемого выпрямителя.
Теоретическая часть
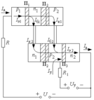
Однооперационный тиристор является плоскостным полупроводниковым прибором, который состоит из четырех слоев р1-n1-р2-n2. Тиристор имеет три вывода: анод (А), катод (К), управляющий электрод (УЭ). Принцип действия тиристора рассматривается на четырехслойной структуре, имеющей два вывода. Такая структура называется динистором. Структура динистора приведена на рис.1.
Рис.1. Структура и условное обозначение динистора
На границе слоев образуются p-n-переходы П1, П2, П3. При подключении динистора к источнику прямого напряжения p-n-переходы П1 и П3 смещаются в прямом направлении, а П2 – в обратном направлении. Сопротивление перехода П2 велико и составляет величину порядка 1 МОм, поэтому ток через структуру не протекает. В таком состоянии динистор закрыт. Для того чтобы рассмотреть условия включения структуры, необходимо представить схему замещения четырехслойной структуры двумя трехслойными.
Рис.2. Схема замещения динистора
На схеме замещения определяются слои эмиттеров и коллекторов каждого транзистора. Эмиттер является крайним слоем того p-n-перехода, который смещен в прямом направлении, поэтому эмиттерами являются слои p1 и n2. Коллектор является крайним слоем p-n-перехода, который смещен в обратном направлении, поэтому коллекторами являются слои n1 и p2. На основании схемы замещения определяется ток перехода П2:
. (1)
Коллекторные токи определяются из уравнения:
. (2)
Структура динистора разделена на две части, поэтому ток неосновных носителей перехода П2 делится пополам между двумя транзисторами и составляет
. С учетом этого замечания выражение (2) представляется в виде:
,
, (3)
где α1, α2 – коэффициенты передачи тока эмиттера.
Выражения (3) подставляются в выражение (1):
. (4)
В динисторе все слои включены последовательно, поэтому токи Iп2, Iэ1, Iэ2 одинаковые и равны анодному току во внешней цепи Iа:
. (5)
Из выражения (5) определяется анодный ток:
. (6)
Выражение (6) определяет условия включения четырехслойной структуры:
– наличие тока I'к0;
– (α1 + α2) = 1. (7)
При выполнении условия (7) анодный ток резко возрастает и динистор включается. Пусть напряжение, приложенное к динистору, возрастает. Тогда возрастают токи Iэ1, Iэ2, Iп2 и одновременно возрастают коэффициенты α1 и α2. Необходимо отметить, что в структуре динистора действует положительная обратная связь, так как выходной ток одного транзистора равен входному току другого: Iк1 = Iб2, Iк2 = Iб1 (рис.2). Благодаря обратной связи включение динистора происходит лавинообразно, если выполняется условие (7).
Процесс включения происходит следующим образом. При увеличении анодного напряжения возрастают токи в структуре, а также коэффициенты передачи α1 и α2. Для малых анодных напряжений (α1 + α2) << 1. При некотором анодном напряжении, называемым напряжением переключения, сумма (α1 + α2) приближается к 1 и начинается процесс включения, в процессе которого динистор переходит на диодную ветвь вольтамперной характеристики (рис.3). На участке 0–1 динистор закрыт, а на участке 1–2 происходит его включение.
Под действием обратного анодного напряжения два перехода П1 и П3
Рис.3. Вольтамперная характеристика динистора
смещаются в обратном направлении, следовательно, оба транзистора структуры закрыты. Для того чтобы появился анодный ток, необходимо пробить переходы П1 и П3. На рис.3 обратная ветвь показана до участка пробоя.
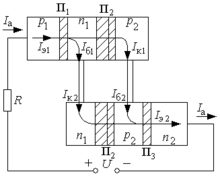
Структура однооперационного тиристора и схема прямого включения его приведена на рис.4. В базу транзистора n-p-n задается ток управления, который приводит к увеличению всех токов четырехслойной структуры: Iэ2, Iк2, Iб1, Iк1, Iэ1, Iб2. По сравнению с динистором включение тиристора произойдет при меньшем напряжении переключения Uпк. С возрастанием тока управления Iу напряжение переключения уменьшается.
Рис.4. Структура и схема прямого включения тиристора
Уравнение анодного тока выглядит следующим образом:
. (8)
При больших анодных напряжениях, составляющих сотни вольт, может произойти лавинный пробой перехода П2, что приводит к увеличению концентрации носителей тока, а в выражении (8) появляется коэффициент лавинного размножения носителей М>1:
. (9)
Выключение тиристора происходит по анодной цепи, когда анодный ток уменьшается до тока удержания. Током управления тиристор не выключается, так как анодный ток значительно больше тока управления.
Вольтамперные характеристики анодной цепи тиристора приведены на рис.5. Обратная ветвь характеристики сливается с осью.
Рис.5. Вольтамперные характеристики тиристора
Экспериментальная часть
1. Включение тиристора на постоянном токе
Рис.6. Схема включения тиристора на постоянном токе
В работе исследуется тиристор типа Т6-10 с предельным током 6 А. В анодную цепь и цепь управления подаются постоянные напряжения 9 В и 27 В от блока питания (рис.6). Ограничение анодного тока после включения тиристора осуществляется резистором Rн = 120 Ом. Нагрузкой цепи управления является резистор Rу = 75 Ом.
-
Определение отпирающего тока управления Iу0 и условий выключения тиристора.
Потенциометр RП1 установлен в такое положение, когда напряжение на управляющем электроде равно нулю, т.е. Uу = 0. При помощи потенциометра RП2 установить анодное напряжение 12 В. Регулируя напряжение в цепи управления, добиться включения тиристора. Результаты измерения занести в таблицу. Примерное значение параметров приведено в таблице 1.
Таблица 1 – Измерение параметров включения тиристора
| Ua, В | Ia, мА | Iу0, мА | Uу0, В |
| 12 – 0,9 | 0 – 50 | 22 | 1,6 |
После включения тиристора переключить предел измерения вольтметра V2 на 10 В и замерить прямое падение напряжения на тиристоре Uпр. В таблице 1 это значение равно 0,9 В. Также записать значение анодного тока после включения тиристора. В таблице 1 это значение равно 50 мА.
Уменьшить ток управления до нуля. Убедиться в том, что значение анодного тока не изменяется, т.е. тиристор не выключается. Выключить тиристор по анодной цепи, уменьшая напряжение U2. Записать анодный ток удержания тиристора и анодное напряжение, при котором тиристор выключается.
-
Снятие характеристики управления.
С
Uу
нять зависимость Iу = F(Uу) при разорванной анодной цепи, используя схему рис.6. Построить характеристику управления (рис.7), нанести на нее отпирающие значения тока и напряжения Iу0, Uу0. По характеристике управления определить дифференциальное сопротивление
вблизи точки Iу0, Uу0.
-
С
В
нятие анодных вольтамперных характеристик
Собрать схему, приведенную на рис.8. Подключить входы «Y» и «X» осциллографа к сигналам, пропорциональным соответственно анодному току и напряжению тиристора. Вход «Y» подключается к резистору Rш, напряжение на котором пропорционально току iа. Масштаб по току mi определяется следующим образом: находится масштаб по напряжению по указателю на переключателе, например 20 мВ/см; затем это значение делится на сопротивление шунта:
.
Uпор.















