62472 (597562), страница 8
Текст из файла (страница 8)
На основании выражений (1) – (3) определяется коэффициент усиления по напряжению с обратной связью:
. (4)
Если отношение
<1, то получается
, а схема работает как неинвертирующий повторитель. Если отношение
>1, то получается неинвертирующий усилитель. Амплитудная характеристика неинвертирующего усилителя приведена на рис.5.
R
Uвых
ос1При изменении параметров резисторов R3 и R4 изменяется наклон линейного участка характеристики. Амплитудно-частотная характеристика выглядит так же, как и инвертирующего усилителя.
Экспериментальная часть
1. Балансировка усилителя.
Собрать схему согласно рис.1. Сбалансировать усилитель. Для этого использовать потенциометр R6, расположенный на плате операционного усилителя. Изменяя плечи потенциометра, добиться того, чтобы напряжение на выходе упало до нуля при заземлении точки 13 схемы. Выходное напряжение контролировать при помощи осциллографа.
2. Снятие амплитудной характеристики неинвертирующего усилителя на постоянном токе.
Снять амплитудную характеристику усилителя Uвых = F(Uвх) для заданного Rос1. В качестве источника сигнала использовать регулируемое напряжение Uрег. Построить амплитудную характеристику (рис.2) и по ней определить коэффициент усиления Кос, напряжения насыщений Uн+, Uн– и динамический диапазон изменения амплитуды входного сигнала.
3. Снятие амплитудных характеристик неинвертирующего усилителя при помощи осциллографа.
Снять амплитудные характеристики усилителя при помощи осциллографа для трех значений Rос1: заданного и двух соседних. По характеристикам определить коэффициенты усиления. Для опыта необходимо подключить на инвертирующий вход в точку 13 генератор сигнала, используя у него переменный синусоидальный сигнал. В качестве источника переменного сигнала используется генератор синусоидальных и импульсных напряжений.
Для снятия зависимости данной величины от другой надо использовать два входа осциллографа: «Y» и «Х». Вход «Y» подключается к выходу усилителя в точку 6, а выход «Х» к входу усилителя в точку 13; развертка переключается в положение «Х».
4. Снятие амплитудно-частотной характеристики неинвертирующего усилителя.
Снять амплитудно-частотную характеристику (АЧХ) усилителя кu = F(f) при Uвх = const для заданного значения Rос1. Амплитуду выходного сигнала выбрать на линейном участке амплитудной характеристики. Сигналы uвх, uвых замерить осциллографом.
На амплитудно-частотной характеристике определить полосу пропускания усилителя 0…fв для коэффициента частотных искажений на верхних частотах Мв =
. Зарисовать uвх(t) и uвых(t) для частоты 1 кГц.
5. Снятие амплитудных характеристик неинвертирующего усилителя.
Собрать схему неинвертирующего усилителя согласно рис.4.
Снять амплитудные характеристики усилителя при помощи осциллографа для трех значений резистора R3. Определить по характеристикам коэффициенты усиления и напряжения насыщения Uн+, Uн–.
6. Снятие амплитудно-частотной характеристики неинвертирующего усилителя.
Снять амплитудно-частотную характеристику неинвертирующего усилителя кu = F(f) при Uвх = const для заданного значения Rос1.
Зарисовать uвх(t) и uвых(t) для частоты 1 кГц. По АЧХ определить полосу пропускания усилителя для коэффициента частотных искажений на верхних частотах Мв=
.
7. Оформление отчета.
По результатам опыта построить характеристики усилителей, определить их параметры, обработать осциллограммы.
Контрольные вопросы
-
Как определяется вид обратной связи в усилителе?
-
Почему отрицательная обратная связь называется стабилизирующей обратной связью?
-
Почему параллельная отрицательная обратная связь уменьшает входное сопротивление? Это является недостатком или достоинством?
-
Как вывести коэффициенты усиления по напряжению для инвертирующего и неинвертирующего усилителей?
-
Что называется амплитудной характеристикой усилителя?
-
Что такое балансировка усилителя и как она осуществляется?
-
Что представляет собой операционный усилитель? Каковы его параметры?
-
Что называется амплитудно-частотной характеристикой усилителя? Как по ней определяются полоса пропускания и коэффициент частотных искажений?
Таблица вариантов
| № вар. | Кu | Uн±, В | № вар. | Кu | Uн±, В |
| 1 | 2 | 6,3 | 13 | 20 | 6,3 |
| 2 | 4 | 9,0 | 14 | 15 | 9,0 |
| 3 | 6 | 12,0 | 15 | 10 | 12,0 |
| 4 | 10 | 15,0 | 16 | 5 | 15,0 |
| 5 | 15 | 6,3 | 17 | 2 | 6,3 |
| 6 | 20 | 9,0 | 18 | 10 | 9,0 |
| 7 | 2 | 12,0 | 19 | 15 | 12,0 |
| 8 | 4 | 15,0 | 20 | 20 | 15,0 |
| 9 | 6 | 6,3 | 21 | 25 | 6,3 |
| 10 | 8 | 9,0 | 22 | 30 | 9,0 |
| 11 | 10 | 12,0 | 23 | 5 | 12,0 |
| 12 | 15 | 15,0 | 24 | 10 | 15,0 |
Примечание: студенты, получившие подвариант А, строят амплитудную характеристику и временные диаграммы uвх(t), uвых(t) для инвертирующего усилителя; подвариант Б – для неинвертирующего усилителя; подвариант В – вывод коэффициентов усиления по напряжению для усилителей.
Работа №8
Исследование компараторов на основе операционного усилителя
Цель работы
Изучение различных схем компараторов и их характеристик.
Теоретическая часть
Компаратором называется схема для сравнения двух напряжений. В зависимости от используемой элементной базы существуют аналоговые компараторы и цифровые. Аналоговые компараторы сравнивают величины напряжений порядка 1 – 15 В; цифровые компараторы сравнивают коды чисел.
Аналоговые компараторы разделяются на 4 вида: 1) одновходовые без обратной связи; 2) двухвходовые без обратной связи; 3) триггер Шмитта; 4) двухвходовый с положительной обратной связью.
-
Одновходовый компаратор без обратной связи
Схема компаратора приведена на рис.1.
Рис.1. Схема одновходового компаратора
Входное напряжение Uвх и опорное Uоп подаются на один вход, поэтому знаки напряжений должны быть разными. Переключение компаратора произойдет тогда, когда входное напряжение сравняется по величине с опорным и превысит значение Uоп на порог срабатывания операционного усилителя: |Uвх| ≥ |Uоп|.
Временные диаграммы работы компаратора приведены на рис.2.
Рис.2. Временные диаграммы работы одновходового компаратора
До момента времени t1 (см. рис.2) состояние компаратора определяется опорным напряжением, которое подается на инвертирующий вход (см. рис.1). Для положительного значения Uоп на выходе получается отрицательное значение напряжения насыщения Uн¯. В момент времени t1 компаратор переключается из одного состояния насыщения в другое – Uн+.
При изменении опорного напряжения характеристика смещается вдоль оси Uвх влево или вправо в зависимости от полярности напряжения Uоп.
Для Uоп = 0 получается амплитудная характеристика операционного усилителя.
Временные диаграммы работы для положительного значения напряжения Uоп и периодического входного сигнала приведены на рис.4. Выходное напряжение имеет вид прямоугольных знакопеременных импульсов, имеющих длительность tи+ и tи–.
Рис.4. Временные диаграммы одновходового компаратора для периодического входного сигнала
По осциллограмме выходного напряжения определяются коэффициенты заполнения для положительного и отрицательного импульсов:
,
.
-
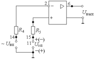
Двухвходовый компаратор без обратной связи.
Схема компаратора приведена на рис.5. В ней напряжения Uоп и Uвх подаются на разные входы, поэтому знаки сравниваемых напряжений должны быть одинаковыми. Для подключения опорного напряжения необходимо на плате соединить точки 15 и 11.
Рис.5. Схема двухвходового компаратора
Временные диаграммы работы для нарастающего входного сигнала приведены на рис.6.
Рис.6. Временные диаграммы работы двухвходового компаратора
До момента времени t1 состояние компаратора определяется неинвертирующим входом, так как на нем действует большее по величине напряжение. Как только напряжение на инвертирующем входе превысит значение Uоп на порог срабатывания компаратора, так напряжение на выходе скачком меняется из состояния Uн+ в состояние Uн–. Временные диаграммы для периодического входного сигнала и отрицательного значения Uоп приведены на рис.7.
Рис.7. Временные диаграммы работы двухвходового компаратора для периодического входного сигнала
-
Триггер Шмита.
Триггером называется схема с двумя устойчивыми состояниями равновесия, которая под действием входного сигнала переключается из одного состояния равновесия в другое и обладает памятью. Существуют аналоговые триггеры и цифровые. Аналоговый триггер выполняется на операционном усилителе. При построении схем триггеров применяется положительная обратная связь.
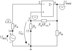
Схема триггера Шмитта приведена на рис.8.
Рис.8. Схема триггера Шмитта
Резистор обратной связи соединяет точки 6 и 3. В схеме введена последовательная обратная связь по напряжению, так как напряжение обратной связи Uос пропорционально выходному напряжению и включено во входную цепь последовательно с входным сигналом.
Для определения знака обратной связи на вход задается сигнал любого знака, например, положительного. В точке 6 сигнал инвертируется, поэтому на схеме показан отрицательный сигнал, который передается на вход в точку 3, причем,
. Во входном контуре получается согласное включение сигналов Uвх и Uос (стрелки направлены в одну сторону). Знаки или фазы сигналов совпадают, поэтому связь – положительная. Положительная обратная связь приводит к уменьшению времени переключения компаратора и создает память триггера.
Амплитудная характеристика триггера Шмитта приведена на рис.9. Если на выходе схемы появляется положительное напряжение Uн+, то такой же знак имеет напряжение обратной связи Uос. Для переключения операционного усилителя на инвертирующий вход необходимо подать положительное напряжение. Когда выполняется условие Uвх ≥ Uос, тогда компаратор переключается в другое состояние насыщения Uн¯.
1>














