62472 (597562), страница 9
Текст из файла (страница 9)
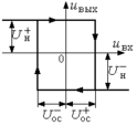
Для отрицательного выходного напряжения изменяется знак напряжения обратной связи на отрицательный. Чтобы переключить компаратор, необходимо на вход подать отрицательное напряжение, которое должно сравняться с напряжением обратной связи и превысить его на малую величину. В результате переключения усилителя под действием входного сигнала разной полярности получается релейная характеристика в виде петли гистерезиса (рис.9). Пока значение входного сигнала лежит в пределах петли, триггер сохраняет значение выходного сигнала. Это означает, что схема триггера обладает памятью. Значения напряжения Uос называются пороговыми Uпор.
Рис.9. Амплитудная характеристика триггера Шмитта
-
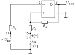
Двухвходовый компаратор с положительной обратной связью
Рис.10. Схема двухвходового компаратора с положительной обратной связью
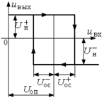
Схема компаратора приведена на рис.10. В ней включен источник опорного напряжения в цепь неинвертирующего входа, а входной сигнал – в цепь инвертирующего входа. В зависимости от полярности опорного напряжения петля амплитудной характеристики сдвигается от нуля влево или вправо. На рис.11 изображена амплитудная характеристика для Uоп >0.
Рис.11. Амплитудная характеристика двухвходового компаратора с положительной обратной связью
Экспериментальная часть
-
Снятие амплитудной характеристики операционного усилителя.
Снять амплитудную характеристику операционного усилителя для Uоп = 0. Для этого вертикальный вход осциллографа подключить к выходу усилителя, а горизонтальный вход – к инвертирующему входу.
-
Снятие амплитудной характеристики одновходового компаратора.
Снять амплитудную характеристику одновходового компаратора для Uоп ≠ 0. Значение опорного напряжения взять из таблицы вариантов.
-
Снятие амплитудной характеристики триггера Шмита.
Амплитудная характеристика триггера Шмитта снимается также как и амплитудная характеристика одновходового компаратора: вертикальный вход осциллографа подключается к выходу, а горизонтальный – к инвертирующему входу.
-
Снятие амплитудной характеристики двухвходового компаратора.
Снять амплитудную характеристику двухвходового компаратора с положительной обратной связью для Uоп ≠ 0. Подключение осциллографа остается таким же как в п.3, а в цепь неинвертирующего входа подключается опорное напряжение.
-
Исследование работы компараторов от переменного входного сигнала.
5.1. Зарисовать осциллограммы напряжений uвх(t), Uоп(t), uвых(t) для Uоп ≠ 0. В качестве источника входного напряжения использовать генератор импульсов.
5.2. Зарисовать осциллограммы напряжений uвх(t), uвых(t) триггера Шмитта. В качестве источника входного напряжения использовать генератор импульсов.
5.3. Зарисовать осциллограммы напряжений uвх(t), Uоп(t), uвых(t) двухвходового компаратора с положительной обратной связью.
Снять зависимость коэффициента заполнения γ± от опорного напряжения Uоп±.
Контрольные вопросы
-
Что называется компаратором?
-
Зачем в схему компаратора включается опорное напряжение?
-
Зачем в компаратор включается положительная обратная связь?
-
В каких случаях применяется одновходовый компаратор?
-
Что такое амплитудная характеристика и как она выглядит для разных схем компараторов?
-
Как повысить помехоустойчивость триггера Шмитта?
-
Что такое коэффициент заполнения? Как изменяется коэффициент заполнения от опорного напряжения при синусоидальном входном сигнале в разных схемах компараторов?
Таблица вариантов
| № вар. | Uоп, В | Uвхm, В | | № вар. | Uоп, В | Uвхm, В | |
| 1 | 0,5 | 4,0 | 0,3 | 13 | 0,5 | 3,0 | 0,4 |
| 2 | 1,0 | 5,0 | 0,5 | 14 | 1,0 | 4,0 | 0,6 |
| 3 | 1,5 | 6,0 | 1,0 | 15 | 1,5 | 3,5 | 1,0 |
| 4 | 2,0 | 5,0 | 1,5 | 16 | 2,0 | 4,0 | 0,5 |
| 5 | 2,5 | 6,0 | 1,0 | 17 | 2,5 | 4,5 | 1,0 |
| 6 | 3,0 | 5,0 | 1,5 | 18 | 3,0 | 6,0 | 0,5 |
| 7 | 0,5 | 3,0 | 0,3 | 19 | 0,5 | 4,0 | 1,0 |
| 8 | 1,0 | 3,5 | 0,5 | 20 | 1,0 | 3,5 | 0,3 |
| 9 | 1,5 | 4,0 | 0,8 | 21 | 1,5 | 4,0 | 0,5 |
| 10 | 2,0 | 4,5 | 1,0 | 22 | 2,0 | 4,5 | 1,0 |
| 11 | 2,5 | 3,0 | 1,5 | 23 | 2,5 | 5,0 | 1,5 |
| 12 | 3,0 | 5,0 | 1,0 | 24 | 3,0 | 5,5 | 1,0 |
Примечание: студенты, получившие подвариант А, строят временные диаграммы uвх(t), uвых(t), uоп(t) для двухвходового компаратора; подвариант Б – временные диаграммы uвх(t), uвых(t), uпор(t) для триггера Шмитта; подвариант В – временные диаграммы uвх(t), uвых(t), uоп(t), uпор(t) для двухвходового компаратора с положительной обратной связью (ПОС). Напряжение насыщения усилителя Uн± = 7 В.
Работа № 9
Исследование биполярного транзистора
Цель работы
Изучение характеристик и параметров биполярного транзистора.
Теоретическая часть
В биполярном транзисторе два типа носителей заряда (электроны и дырки) участвуют в процессе протекания тока. Кроме того, транзистор содержит две цепи: входную и выходную. Входная цепь транзистора состоит из перехода эмиттер-база, который включается в прямом направлении, а выходная цепь состоит из перехода коллектор-база, который включается в обратном направлении.
По типу основных носителей, которые перемещаются в структуре, различают транзисторы типа n-p-n и p-n-p. В транзисторе типа n-p-n основные носители – электроны, а в транзисторе типа p-n-p – дырки. По способу перемещения основных носителей через базу различают диффузионные и дрейфовые транзисторы.
Дрейфовые транзисторы имеют более тонкую базу, в которой характер перемещения основных носителей – дрейфовый. В диффузионных транзисторах время перемещения основных носителей через базу больше чем в дрейфовых. Статические характеристики и параметры диффузионных и дрейфовых транзисторов одинаковые, а динамические параметры разные. Дрейфовые транзисторы относятся к высокочастотным полупроводниковым приборам и используются в интегральных схемах или в виде отдельных полупроводниковых приборов. Схема включения транзисторов в статическом режиме с общей базой приведена на рис.1. Стрелками на структуре показано перемещение электронов.
Рис.1. Схема включения с общей базой в статическом режиме
Под действием прямого напряжения Uэ происходит диффузия электронов из эмиттера в базу. Потенциальный барьер перехода П1 не препятствует диффузии, т.к. его ослабляет внешнее напряжение. В базе происходит диффузионное перемещение электронов от перехода П1 к переходу П2, если рассматривается транзистор диффузионного типа. В процессе диффузионного перемещения происходит рекомбинация электронов и дырок. Если заполненные электронные связи получаются устойчивыми, то к переходу П2 подходят не все электроны, которые были инжектированы в базу из эмиттера.
В результате актов рекомбинации база теряет электрическую нейтральность и приобретает избыточный отрицательный заряд. Между слоем базы и ее выводом возникает электрическое поле, выталкивающее во внешнюю цепь электроны, в результате чего появляется ток базы.
Основная масса электронов подходит к коллекторному переходу П2 и под действием напряжения Uк дрейфует в коллектор. Слой коллектора приобретает избыточный отрицательный заряд, поэтому между слоем коллектора и его выводом возникает электрическое поле, выталкивающее во внешнюю цепь электроны. По аналогии с цепью коллектора в цепи эмиттера протекает ток, вызванный избыточным положительным зарядом эмиттера. Таким образом, протекание токов в цепях эмиттера, базы и коллектора связано с поддержанием электрической нейтральности слоев транзистора.
Для взаимодействия эмиттерного и коллекторного переходов необходимо, чтобы слой базы был достаточно тонким, например, для диффузионного транзистора ширина базы составляет десятки мкм. Передача тока из эмиттерной цепи в коллекторную определяется коэффициентом α. Различают статический коэффициент передачи тока эмиттера и дифференциальный:
,
. (1)















