62472 (597562), страница 3
Текст из файла (страница 3)
При спрямлении рабочего участка В–С на оси напряжений определяется пороговое напряжение Uпор (рис.6). Величина этого напряжения зависит от материала полупроводника и составляет величину 0,2–0,6 В.
Величина рабочего напряжения, которое прикладывается к переходу, составляет десятки и сотни вольт, поэтому имеет смысл рассмотреть вольтамперную характеристику в одинаковых масштабах для напряжения и для тока. При этом прямая вольтамперная характеристика сливается с осью тока (рис.7). На рис.7 масштабы по току и напряжению одинаковые для прямого и обратного включения. Обратная ветвь сливается с осью напряжений до участка пробоя. Итак, согласно рис.7, вольтамперная характеристика несимметричного ступенчатого p-n-перехода представляет собой характеристику идеального вентиля, а p-n-переход применяется в выпрямительных диодах.
Диффузия электронов при прямом включении носит характер впрыскивания, или инжекции. Инжектирующий слой, имеющий относительно малое удельное сопротивление, называется эмиттером. В рассмотренном примере эмиттер – n-слой. Эмиттер имеет малое удельное сопротивление из-за повышенной концентрации основных носителей по сравнению с p-слоем. Второй слой, в который происходит инжекция, называется базой. База имеет относительно большое удельное сопротивление из-за пониженной концентрации примесей по сравнению с эмиттером.
В слове диод «ди» означает наличие двух выводов или двух электродов полупроводникового прибора. Разновидности диодов:
-
плоскостные выпрямительные;
-
точечные выпрямительные;
-
диоды Шоттки;
-
туннельные диоды;
-
полупроводниковые стабилитроны;
-
варикапы.
-
Параметры выпрямительных диодов.
Плоскостные выпрямительные диоды различаются по мощности и диапазону частот. По мощности они делятся на три группы: маломощные, средней мощности, большой мощности. Маломощные диоды имеют предельный ток Iп = 10–100 мА, диоды средней мощности – Iп = 0,1–10 А, большой мощности – Iп 10 А. Чем больше предельный ток, тем меньше граничная частота работы диода. Например, диод с предельным током 500 А имеет граничную частоту работы 600 Гц. Маломощные диоды имеют граничную частоту в пределах десятков, сотен килогерц.
Полупроводниковые диоды имеют два вида параметров: характеризующие параметры и предельные. Характеризующие параметры определяют значения электрических, тепловых и механических величин в заданной точке вольтамперной характеристики.
-
Основные характеризующие параметры диода.
R – сопротивление постоянному току, которое определяется как для прямой, так и для обратной ветви: R =
.
Ri – дифференциальное сопротивление, которое называется еще внутренним, или динамическим: Ri =
. Оно определяется для линейного рабочего участка прямой ветви: Ri =
(рис.6).
Uпор – пороговое напряжение, которое определяется по спрямленному линейному участку (рис. 6).
Р – мощность, рассеиваемая на переходе,
. Мощность Р нагревает переход, а тепло рассеивается в окружающую среду.
Rt – тепловое сопротивление, которое определяет способность диода рассеивать тепло, выделяемое на переходе. Значение установившегося теплового сопротивления переход-среда равно: Rt пс уст =
≠ [град/Вт].
uпр – прямое падение напряжения; представляет собой мгновенное значение напряжения для значения прямого тока: Iпр = (23)Iпред.
Uпроб – обратное напряжение, при котором диод теряет вентильные свойства.
-
Предельные параметры диода.
Iпред – предельный ток – это максимально допустимое среднее значение тока в однополупериодной схеме выпрямления однофазного тока. Его значение зависит от типа охладителя и скорости охлаждающего воздуха или воды. По значению тока различают диоды малой, средней и большой мощности. К мощным диодам относятся диоды с током Iпред 10 А.
Uп – повторяющееся напряжение – это максимально допустимое импульсное напряжение, которое прикладывается к диоду в обратном направлении. По значению Uп определяется класс вентиля (класс = Uп/100). Выпрямительные диоды выполняются от 1 до 22 класса. Класс вентиля берется по импульсному напряжению, т.к. нагрузка выпрямителя носит индуктивный характер, а прерывание тока в индуктивности создает перенапряжение, которое складывается с синусоидальным напряжением.
Uнеп – неповторяющееся напряжение – это максимально допустимое импульсное напряжение, которое прикладывается однократно к вентилю в аварийной ситуации. Повторное приложение напряжения Uнеп снижает класс вентиля. Для вентиля большой мощности Uнеп Uп+200 В.
Iуд – ударный ток, который определяется для вентилей большой мощности – это максимально допустимая амплитуда одной полуволны, имеющей длительность 10 миллисекунд (рис. 8).
Рис.8. Ударный ток
[pn] – максимально допустимая температура p-n-перехода, которая для кремниевых диодов составляет величину 120 – 1250 С.
Рдоп – максимально допустимая мощность, рассеиваемая на переходе.
Рис.9. Кривая максимально допустимой мощности рассеивания
Мощность Рдоп рассеивается при максимально допустимой температуре p-n-перехода: Рдоп = ([pn] – Токр)/Rt [Вт], где Токр – температура окружающей среды. Построение линии Рдоп = 1 Вт для диода с предельным током 10 А показано на рис.9. Для построения кривой составляется таблица 1. В ней задается значение тока, по которому вычисляется значение напряжения U = Рдоп/I.
Таблица 1 – Значения тока и напряжения для Pдоп = 1 Вт
| I, А | 1,0 | 2,0 | 5,0 | 10 |
| U, В | 1,0 | 0,5 | 0,2 | 0,1 |
-
Схема замещения диода
.
Схема замещения диода приведена на рис.10, где rэ и rб – омические сопротивления слоев эмиттера и базы;
rpn – дифференциальное сопротивление p-n-перехода. Омические сопротивления слоев определяются известным выражением:
.
Дифференциальное сопротивление rpn определяется выражением
. В прямом направлении rpn очень мало, поэтому внутреннее сопротивление диода определяется сопротивлением базы: Ri rб. В обратном направлении омические сопротивления слоев много меньше rpn, поэтому Rобр rpn.
Одноименная область зарядов на p-n-переходе представляет собой диэлектрик, а прилегающие слои полупроводников – обкладки конденсатора, поэтому в схеме замещения появляется емкость p-n-перехода. Различают барьерную и диффузионную емкости.
Барьерная определяется для обратного включения диода. Она зависит от распределения зарядов в p-n-переходе, которое, в свою очередь, зависит от обратного напряжения Uобр. Зависимость барьерной емкости от обратного напряжения приведена на рис.11. В общем случае характеристика носит нелинейный характер, но можно выделить на ней линейный участок. С увеличением обратного напряжения емкость Сpn уменьшается. Изменение емкости p-n-перехода используется в диодах – варикапах.
Рис.11. Зависимость барьерной емкости от напряжения и условное обозначение варикапа
Диффузионная емкость определяется для прямого включения диода. Она зависит от распределения зарядов в базе, т.к. ширина перехода становится очень малой. Распределение зарядов в базе зависит от прямого тока.
Емкость Сpn влияет на скорость изменения концентрации основных носителей, когда в схеме действуют высокочастотные сигналы или прямоугольные импульсы, поэтому, как параметр, емкость Сpn используется при расчете переходных процессов. Для уменьшения влияния Сpn необходимо иметь меньшее значение емкости.
Экспериментальная часть
-
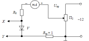
Снятие вольтамперной характеристики кремниевого диода D226 методом амперметра-вольтметра
Резистор Rб (балластный) служит для ограничения тока, шунт Rш – для снятия осциллограммы тока, потенциометр П2 – для регулирования питающего напряжения. Снять зависимость тока диода от напряжения на нем Iа = F(Ua). Данные занести в таблицу 2.
Таблица 2 – Примерные значения тока и напряжения диода
| Iа, мА | 0 | 5 | 10 | 30 |
| Ua, В | 0-0,60 | 0,70 | 0,75 | 0,78 |
При изменении полярности питающего напряжения необходимо изменить подключение миллиамперметра и вольтметра.
Построить вольтамперную характеристику. Определить по ней пороговое напряжение, дифференциальное сопротивление, обратный ток, прямое падение напряжения при токе 30 мА. Определение параметров показано на рис.13.
Рис.13. Определение параметров диода по вольтамперной характеристике
-
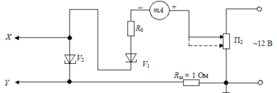
Снятие вольтамперной характеристики выпрямительных диодов при помощи осциллографа
Собрать схему, приведенную на рис.14.
Рис.14. Схема для снятия вольтамперной характеристики диода при помощи осциллографа: Х – горизонтальный вход осциллографа, Y – вертикальный вход
Зарисовать вольтамперные характеристики диодов: кремниевого типа D226 и германиевого типа D7А. Для каждого диода снять 2 характеристики: без делителя напряжения и с делителем, причем, Кдел = 4. Определить масштабы тока и напряжения. По характеристикам определить пороговое напряжение, прямое падение напряжения при токе 30 мА. Сравнить параметры в пунктах 1 и 2. Сравнить параметры кремниевого и германиевого диодов.
-
Снятие вольтамперной характеристики туннельного диода при помощи осциллографа.
Собрать схему, приведенную на рис.15.
Рис.15. Схема для снятия вольтамперной характеристики туннельного диода при помощи осциллографа
Схема позволяет снять прямую ветвь характеристики. Перед началом опыта движок потенциометра поставить в положение, показанное на рис.15. Внимание! Постепенно увеличивать напряжение от нуля.
















