федоров Курсовая 1 часть (540019)
Текст из файла
ФЕДЕРАЛЬНОЕ АГЕНТСТВО ПО ОБРАЗОВАНИЮ
РОССИСКОЙ ФЕДЕРАЦИИ
Московский Государственный Технический Университет «МАМИ»
Факультет «Автоматизация и управление»
Кафедра «Автоматика и процессы управления»
Курсовая работа
по дисциплине:
«Проектирование систем управления»
Тема: «Разработка микропроцессорной системы управления (МСУ) резьбонарезным станком»
Выполнил студент: Фёдоров А.С. Группа: 9-УИк-8
Допустить к защите: ___________________________
Руководитель: Бунько Е.Б. /_____________/
Дата: «__» ________ 2006г.
Защита работы с оценкой: _________________
Бунько Е. Б./_____________ /
Москва 2006г.
Задание на курсовую работу
по дисциплине
«Проектирование систем управления.»
Выдано студенту: Фёдорову А.С. Группа: 9-УИк-8
Выдано: «___» сентября 2006 г. Срок сдачи: «___» декабрь 2006 г.
-
Тема курсовой работы:
«Разработка микропроцессорной системы управления (МСУ) по технологической схеме объекта.»
-
Исходные данные:
Вариант№3
1.Технологическая схема резьбонарезного станка.
2.Датчики и органы управления.
-
Разработать:
1.Структурную схему МСУ.
2.Первичное описание функционирования объекта в виде графа операций.
3.Промежуточное описание алгоритма управления объектом в виде систем секвенций.
4.Алгоритм управления в виде граф-схемы алгоритмов.
5.Таблицы привязки датчиков и исполнительных механизмов к конкретным портам (входам и выходам) микроконтроллера.
6.Программу управления в системе команд микроконтроллера МКП-1.
Руководитель:______________________ / Бунько Е. Б.
1.Введение.
В данной курсовой работе разрабатывается микропроцессорная система управления (МСУ) объектом, по его технологической схеме. Объектом управления является резьбонарезной станок.
Современное оборудование проектируется, как правило, только на микропроцессорной технике, что отображается на методике проектирования. В данной работе рассматривается система управления объектом на базе МКП-1.
Технологический процесс контролируется датчиками. Сигналы, поступающие от датчиков, обрабатываются микроконтроллером МКП-1 передаются на исполнительные механизмы.
Конечной целью работы является составление программы управления технологическим процессом в системе команд МКП-1.
В процессе составления программы мы проходим такие этапы проектирования, как первичное описание функционирования объекта в виде параметрического графа операций (ПГО) (этап алгоритмического проектирования); промежуточное описание алгоритма в виде систем секвенций (этап логического проектирования); алгоритм управления в виде граф-схемы алгоритмов.
2.Исходные данные.
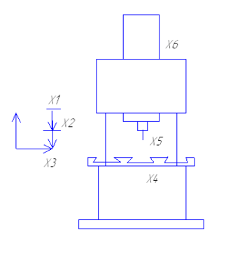
Рис.1 Технологическая схема резьбонарезного станка.
X- датчики и органы управления;
Y- исполнительные механизмы и органы индикации.
Таблица 1. Датчики, органы управления, адреса датчиков.
| X1 | Датчик крайнего верхнего положения. | Е01 |
| X2 | Датчик рабочего положения. | Е02 |
| X3 | Датчик крайнего нижнего положения. | Е03 |
| X4 | Датчик стола | Е04 |
| X5 | Общее включение системы. | Е05 |
| X6 | Цикловой пуск(тумблер автомат / п/автомат) | Е06 |
Таблица 2. Исполнительные механизмы, органы индикации, адреса нагрузок.
| Y1 | Сигнал управления мотором вращения. | Z01 | |
| Y2, Y3 | Сигналы спуска и подъема инструмента. | Z02 | Z03 |
| Y4 | Сигнал на соседний агрегат и на индикацию оператору – станок находится с исходном состоянии (инструмент вверху). | Z04 | |
| Y5 | Сигнал на индикацию – идет рабочий цикл станка. | Z05 | |
Таблица 3. Дополнительные характеристики исполнительных механизмов.
| Y2 | Y3 | действия |
| 1 | 1 | Быстрое перемещение вниз. |
| 1 | 0 | Медленное перемещение вниз. |
| 0 | 1 | Быстрое перемещение вверх. |
| 0 | 0 | Стоп. |
Эти 2 таблицы конечно можно совместить в одну – надо минимизировать описания на каждом этапе, Но здесь ошибки нет
Рис. 2. Первичное описание функционирования объекта в виде графа операций (ГО).
Таблица 4. Позиции графа.
| Р0 | Исходное состояние системы, крайнее верхнее положение. |
| Р1 | Быстрое перемещение инструмента вниз. |
| Р2 | Медленное перемещение инструмента вниз |
| Р3 | Быстрое перемещение инструмента вверх. |
Таблица 5. Переходы.
| t1 | Быстрое перемещение инструмента вниз. |
| t2 | Медленное перемещение инструмента вниз. |
| t3 | Быстрое перемещение инструмента вверх. |
| t4 | Цикловой пуск системы. |
| t5 | Возврат системы в исходное состояние. |
Рис.3 Структурная схема МСУ.
ПУИ – пульт управления и индикации.
МКП –микроконтроллер.
БП – блок питания.
РС – Резьбонарезной станок
РС
ПУИ
МКП
МКП
БП
Характеристики
Тип файла документ
Документы такого типа открываются такими программами, как Microsoft Office Word на компьютерах Windows, Apple Pages на компьютерах Mac, Open Office - бесплатная альтернатива на различных платформах, в том числе Linux. Наиболее простым и современным решением будут Google документы, так как открываются онлайн без скачивания прямо в браузере на любой платформе. Существуют российские качественные аналоги, например от Яндекса.
Будьте внимательны на мобильных устройствах, так как там используются упрощённый функционал даже в официальном приложении от Microsoft, поэтому для просмотра скачивайте PDF-версию. А если нужно редактировать файл, то используйте оригинальный файл.
Файлы такого типа обычно разбиты на страницы, а текст может быть форматированным (жирный, курсив, выбор шрифта, таблицы и т.п.), а также в него можно добавлять изображения. Формат идеально подходит для рефератов, докладов и РПЗ курсовых проектов, которые необходимо распечатать. Кстати перед печатью также сохраняйте файл в PDF, так как принтер может начудить со шрифтами.















