аверьянова (540001)
Текст из файла
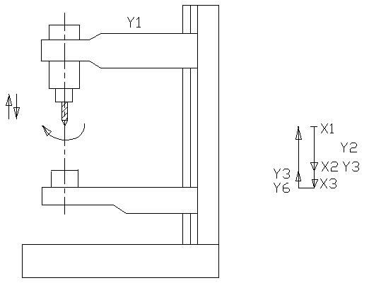
Рис.1 Технологическая схема вертикально-сверлильного станка.
X- датчики и органы управления;
Y- исполнительные механизмы и органы индикации.
Таблица 1. Датчики, органы управления, адреса датчиков.
| X1 | Датчик крайнего верхнего положения. | Е01 |
| X2 | Датчик рабочего положения. | Е02 |
| X3 | Датчик крайнего нижнего положения. | Е03 |
| X4 | Датчик стола | Е04 |
| X5 | Общее включение системы. | Е05 |
| X6 | Цикловой пуск.( тумблер автомат / п/автомат) | Е06 |
Таблица 2. Исполнительные механизмы , органы индикации, адреса нагрузок.
| Y1 | Сигнал управления мотором вращения. | Z01 | |
| Y2, Y3 | Сигналы спуска и подъема инструмента. | Z02 | Z03 |
| Y4 | Сигнал на индикацию оператору – станок находится с исходном состоянии (инструмент вверху). | Z04 | |
| Y5 | Сигнал на индикацию – идет рабочий цикл станка. | Z05 | |
| Y6 | Сигнал на реверс инструмента (при движении сверла вверх, для вывода его из зоны резания) | Z06 | |
Таблица 3. Дополнительные характеристики исполнительных механизмов.
| Y | Y3 | Y6 | Действия |
| 1 | 1 | 0 | Быстрое перемещение вниз. |
| 1 | 0 | 0 | Медленное перемещение вниз. |
| 1 | 0 | 1 | Перемещение инструмента вверх на РП, реверс сверла. |
| 0 | 0 | 1 | Быстрое перемещение инструмента вверх. |
| 0 | 0 | 0 | Стоп. |
Рис. 2. Первичное описание функционирования объекта в виде графа операций (ГО).
Модель основана на использовании математического аппарата Сети Петри. С помощью данного этапа алгоритмического проектирования решаются задачи декомпозиции алгоритма, описания стартовых и наладочных режимов, проверяется корректность синтезированного первичного описания.
Рис. 2.
Таблица 4. Позиции графа.
| Р0 | Исходное состояние системы, крайнее верхнее положение. |
| Р1 | Быстрое перемещение инструмента вниз. |
| Р2 | Медленное перемещение инструмента вниз |
| Р3 | Перемещение инструмента вверх на РП (реверс сверла). |
| Р4 | Быстрое перемещение инструмента вверх. |
Таблица 5. Переходы.
| t1 | Быстрое перемещение инструмента вниз. |
| t2 | Медленное перемещение инструмента вниз. |
| t3 | Перемещение инструмента вверх на РП, реверс сверла. |
| t4 | Быстрое перемещение инструмента вверх. |
| t5 | Цикловой пуск системы. |
| t6 | Возврат системы в исходное состояние. |
Рис.3 Структурная схема МСУ.
ПУИ – пульт управления и индикации.
МКП –микроконтроллер.
БП – блок питания.
ВСС – вертикально-сверлильный станок станок.
ВСС
ПУИ
МКП
БП
Рис.3
Система секвенций, описывающих граф (этап логического проектирования - логического программирования).
На этапе логического проектирования происходит переход от первичного языка описания логического алгоритма к промежуточному языку, который обладает нужными нам положительными свойствами. Этот язык называется язык систем секвенций.
Мы составляем аналитическую форму графа операций в виде системы конъюнктивных секвенций, упрощающую переход от первичного графического описания к управляющей программе. При этом в левой части секвенционных операторов содержится конъюнкция, состоящая из логических переменных, кодирующих позиции, из которых ведет данный переход и логических переменных, взвешивающих данный переход. В правой части содержится конъюнкция, состоящая из логических переменных, кодирующая позиции, в которые ведет данный переход и логических переменных, взвешивающих эти позиции.
Это преобразование соответствует принципу локальности преобразований.
Граф-схема алгоритма, реализующая систему секвенций .
Программа управления в системе команд МКП-1.
| Адрес | Команда | Описание команды |
| 000 | 260А | Активизация счетчика А |
| 001 | 2800 | Запись числа 00 в счетчик А |
| 002 | 0601 | Выключить нагрузку Y1 по адресу Z01 |
| 003 | 0602 | Выключить нагрузку Y2 по адресу Z02 |
| 004 | 0603 | Выключить нагрузку Y3 по адресу Z03 |
| 005 | 0504 | Включить нагрузку Y4 по адресу Z04 |
| 006 | 0606 | Выключить нагрузку Y6 по адресу Z06 |
| 007 | 0401 | Проверка датчика X1 по адресу Е01 на 1 |
| 008 | 0405 | Проверка датчика X5 по адресу Е05 на 1 |
| 009 | 0304 | Проверка датчика X4 по адресу Е04 на 0 |
| 00A | 1201 | Прямой вывод БУ на адрес Z01 |
| 00B | 1202 | Прямой вывод БУ на адрес Z02 |
| 00C | 1203 | Прямой вывод БУ на адрес Z03 |
| 00D | 1304 | Инверсный вывод БУ на адрес Z04 |
| 00E | 1306 | Инверсный вывод БУ на адрес Z06 |
| 00F | 0А10 | Переход на адрес 011 если БУ=0 |
| 010 | 2700 | Инкремент счетчика А |
| 011 | 0402 | Проверка датчика X2 по адресу Е02 на 1 |
| 012 | 0603 | Выключить нагрузку Y3 по адресу Z03 |
| 013 | 0505 | Включить нагрузку Y5 по адресу Z05 |
| 014 | 0А15 | Переход на адрес 016 если БУ=0 |
| 015 | 2700 | Инкремент счетчика А |
| 016 | 0403 | Проверка датчика X3 по адресу Е03 на 1 |
| 017 | 0602 | Выключить нагрузку Y2 по адресу Z02 |
| 018 | 0503 | Включить нагрузку Y3 по адресу Z03 |
| 019 | 0506 | Включить нагрузку Y6 по адресу Z06 |
| 01А | 0А1В | Переход на адрес 01C если БУ=0 |
| 01В | 2700 | Инкремент счетчика А |
| 01С | 0302 | Проверка датчика X2 по адресу Е02 на 0 |
| 01D | 0605 | Выключить нагрузку Y5 по адресу Z05 |
| 01E | 0606 | Выключить нагрузку Y6 по адресу Z06 |
| 01F | 0А20 | Переход на адрес 021 если БУ=0 |
| 020 | 2700 | Инкремент счетчика А |
| 021 | 0306 | Проверка датчика X6 по адресу Е06 на 0 |
| 022 | 0401 | Проверка датчика X1 по адресу Е01 на 1 |
| 023 | 1Е06 | Установка БУ как значение датчика X6 по адресу Е06 |
| 024 | 0А07 | Переход на адрес 00А если БУ=1 |
| 025 | 0901 | Безусловный переход на адрес 001 |
Эффективность программной реализации:
-
Время выполнения программы на МКП-1 (секвенциально-счётчиковая программа):
- время выполнения одной команды микропроцессорного средства.
Характеристики
Тип файла документ
Документы такого типа открываются такими программами, как Microsoft Office Word на компьютерах Windows, Apple Pages на компьютерах Mac, Open Office - бесплатная альтернатива на различных платформах, в том числе Linux. Наиболее простым и современным решением будут Google документы, так как открываются онлайн без скачивания прямо в браузере на любой платформе. Существуют российские качественные аналоги, например от Яндекса.
Будьте внимательны на мобильных устройствах, так как там используются упрощённый функционал даже в официальном приложении от Microsoft, поэтому для просмотра скачивайте PDF-версию. А если нужно редактировать файл, то используйте оригинальный файл.
Файлы такого типа обычно разбиты на страницы, а текст может быть форматированным (жирный, курсив, выбор шрифта, таблицы и т.п.), а также в него можно добавлять изображения. Формат идеально подходит для рефератов, докладов и РПЗ курсовых проектов, которые необходимо распечатать. Кстати перед печатью также сохраняйте файл в PDF, так как принтер может начудить со шрифтами.
2














