Курсовик-вариант 4 бликицкий (539989)
Текст из файла
ФЕДЕРАЛЬНОЕ АГЕНТСТВО ПО ОБРАЗОВАНИЮ РФ
Московский Государственный Технический Университет
«МАМИ»
Кафедра: «АиПУ »
Факультет: «АиУ»
Курсовая работа
по дисциплине:
«Проектирование систем управления»
Тема: «Разработка микропроцессорной системы управления (МСУ) резьбонарезного станка ».
Выполнил студент:Бликицкий С.Г. /___________/ Группа: 9-УИ-7
Допустить к защите: ___________________________
Руководитель: Бунько Е.Б. /_____________/
Дата: «__» ________ 2006г.
Защита работы с оценкой: _________________
Бунько Е. Б./_____________ /
Москва 2006г.
Задание на курсовую работу
Выдано студентке: Бликицкий С.Г. Группа: 9-УИ-7
Выдано: «___» сентября 2006 г.
Срок сдачи: «___» декабря 2006 г.
-
Тема курсовой работы: «Разработка микропроцессорной системы управления (МСУ) резьбонарезного станка».
-
Исходные данные: Вариант№4
-
Технологическая схема резьбонарезного станка.
-
Датчики и органы управления.
-
Разработать:
-
Структурную схему МСУ.
-
Первичное описание функционирования объекта в виде графа операций.
-
Промежуточное описание алгоритма управления объектом в виде систем секвенций.
-
Алгоритм управления в виде граф-схемы алгоритмов.
-
Таблицы привязки датчиков и исполнительных механизмов к конкретным портам (входам, выходам) МК.
-
Программу управления в системе команд микроконтроллера МКП-1.
-
Введение.
В данной курсовой работе разрабатывается микропроцессорная система управления (МСУ) объектом управленния. В качестве объекта управления мы рассматриваем технический агрегат – отрезной станок.
Современное оборудование проектируется, как правило, только на микропроцессорной технике, что отображается на методике проектирования. В данной работе рассматривается система управления объектом на базе МКП-1.
Программируемый микроконтроллер типа МКП-1 предназначен для циклового двухпозиционного программного управления манипуляторами и промышленным технологическим оборудованием.
Технологический процесс контролируется датчиками. Сигналы, поступающие от датчиков, обрабатываются микроконтроллером МКП-1 и передаются на исполнительные механизмы.
Конечной целью работы является составление программы управления технологическим процессом в системе команд МКП-1.
В процессе составления программы мы проходим такие этапы проектирования, как первичное описание функционирования объекта в виде параметрического графа операций (ПГО) (этап алгоритмического проектирования); промежуточное описание алгоритма в виде систем секвенций (этап логического проектирования); алгоритм управления в виде граф-схемы алгоритмов.
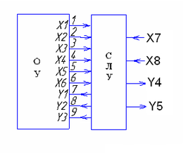
Технологическая схема Структурная схема МСУ
резьбонарезного станка резьбонарезного станка
Рис 1. Рис 2.
Х- это датчики и органы управления ОУ – объект управления.
Y- это исполнительные механизмы СЛУ – система логического управления.
и органы индикации
X- датчики и органы управления;
Y- исполнительные механизмы и органы индикации.
Таблица 1. Датчики, органы управления, адреса датчиков.
| X1 | Датчик крайнего верхнего положения. | Е01 |
| X2 | Датчик рабочего положения. | Е02 |
| X3 | Датчик крайнего нижнего положения. | Е03 |
| X4 | Датчик стола | Е04 |
| X5 | Общее включение системы. | Е05 |
| X6 | Цикловой пуск.( тумблер автомат / п/автомат) | Е06 |
Таблица 2. Исполнительные механизмы , органы индикации, адреса нагрузок.
| Y1 | Сигнал управления мотором вращения. | Z01 | |
| Y2, Y3 | Сигналы спуска и подъема инструмента. | Z02 | Z03 |
| Y4 | Сигнал на соседний агрегат и на индикацию оператору – станок находится с исходном состоянии (инструмент вверху). | Z04 | |
| Y5 | Сигнал на индикацию – идет рабочий цикл станка. | Z05 | |
Таблица 3. Дополнительные характеристики исполнительных механизмов.
| Y2 | Y3 | действия |
| 1 | 1 | Быстрое перемещение вниз. |
| 1 | 0 | Медленное перемещение вниз. |
| 0 | 1 | Быстрое перемещение вверх. |
| 0 | 0 | Стоп. |
Рис. 2. Первичное описание функционирования объекта в виде графа операций (ГО).
Модель основана на использовании математического аппарата Сети Петри. С помощью данного этапа алгоритмического проектирования решаются задачи декомпозиции алгоритма, описания стартовых и наладочных режимов, проверяется корректность синтезированного первичного описания.
Рис. 3. Граф операций.
Таблица 4. Позиции графа.
| Р0 | Исходное состояние системы, крайнее верхнее положение. |
| Р1 | Быстрое перемещение инструмента вниз. |
| Р2 | Медленное перемещение инструмента вниз |
| Р3 | Быстрое перемещение инструмента вверх. |
Таблица 5. Переходы.
| t1 | Быстрое перемещение инструмента вниз. |
| t2 | Медленное перемещение инструмента вниз. |
| t3 | Быстрое перемещение инструмента вверх. |
| t4 | Цикловой пуск системы. |
| t5 | Возврат системы в исходное состояние. |
Структурная схема МСУ.
ПУИ – пульт управления и индикации.
МКП –микроконтроллер.
БП – блок питания.
РС – Отрезной станок.
РС
ПУИ
МКП
БП
Рис.4 Структурная схема МСУ.
Система секвенций, описывающих граф (этап логического проектирования - логического программирования).
На этапе логического проектирования происходит переход от первичного языка описания логического алгоритма к промежуточному языку, который обладает нужными нам положительными свойствами. Этот язык называется язык систем секвенций.
Мы составляем аналитическую форму графа операций в виде системы конъюктивных секвенций, упрощающую переход от первичного графического описания к управляющей программе. При этом в левой части секвенционных операторов содержится конъюкция, состоящая из логических переменных, кодирующих позиции, из которых ведет данный переход и логических переменных, взвешивающих данный переход. В правой части содержится конъюкция, состоящая из логических переменных, кодирующая позиции, в которые ведет данный переход и логических переменных, взвешивающих эти позиции.
Это преобразование соответствует принципу локальности преобразований.
Граф-схема алгоритма, реализующая систему секвенций .
Программа управления в системе команд МКП-1.
| Адрес | Команда | Описание команды |
| 000 | 260А | Активизация счетчика А |
| 001 | 2800 | Запись числа 00 в счетчик А |
| 002 | 0601 | Выключить нагрузку Y1 по адресу Z01 |
| 003 | 0602 | Выключить нагрузку Y2 по адресу Z02 |
| 004 | 0603 | Выключить нагрузку Y3 по адресу Z03 |
| 005 | 0504 | Включить нагрузку Y4 по адресу Z04 |
| 006 | 0401 | Проверка датчика X1 по адресу Е01 на 1 |
| 007 | 0405 | Проверка датчика X5 по адресу Е05 на 1 |
| 008 | 0304 | Проверка датчика X4 по адресу Е04 на 0 |
| 009 | 1201 | Прямой вывод БУ на адрес Z01 |
| 00А | 1202 | Прямой вывод БУ на адрес Z02 |
| 00В | 1203 | Прямой вывод БУ на адрес Z03 |
| 00С | 1304 | Инверсный вывод БУ на адрес Z04 |
| 00D | 2700 | Переход на адрес 00F если БУ=0 |
| 00E | 0В02 | Инкремент счетчика А |
| 00F | 0402 | Проверка датчика X2 по адресу Е02 на 1 |
| 010 | 0602 | Включить нагрузку Y2 по адресу Z02 |
| 011 | 0603 | Выключить нагрузку Y3 по адресу Z03 |
| 012 | 0605 | Включить нагрузку Y5 по адресу Z05 |
| 013 | 0А13 | Переход на адрес 015 если БУ=0 |
| 014 | 2700 | Инкремент счётчика А |
| 015 | 0403 | Проверка датчика Х3 по адресу Е03 на 1 |
| 016 | 0602 | Выключить нагрузку Y2 по адресу Z02 |
| 017 | 0503 | Включить нагрузку Y3 по адресу Z03 |
| 018 | 0605 | Выключить нагрузку Y5 по адресу Z05 |
| 019 | 0А19 | Переход на адрес 01А если БУ=0 |
| 01А | 2700 | Инкремент счётчика А |
| 01В | 0306 | Проверка датчика X6 по адресу Е06 на 0 |
| 01С | 0401 | Проверка датчика Х1 по адресу Е01 на 1 |
| 01D | 1Е06 | Установка БУ как значение датчика Х6 по адресу Е06 |
| 01Е | 0А06 | Переход на адрес 009 если БУ=1 |
| 01F | 0901 | Безусловный переход на адрес 001 |
Эффективность программной реализации:
-
Время выполнения программы на МКП-1 (секвенциально-счётчиковая программа):
Характеристики
Тип файла документ
Документы такого типа открываются такими программами, как Microsoft Office Word на компьютерах Windows, Apple Pages на компьютерах Mac, Open Office - бесплатная альтернатива на различных платформах, в том числе Linux. Наиболее простым и современным решением будут Google документы, так как открываются онлайн без скачивания прямо в браузере на любой платформе. Существуют российские качественные аналоги, например от Яндекса.
Будьте внимательны на мобильных устройствах, так как там используются упрощённый функционал даже в официальном приложении от Microsoft, поэтому для просмотра скачивайте PDF-версию. А если нужно редактировать файл, то используйте оригинальный файл.
Файлы такого типа обычно разбиты на страницы, а текст может быть форматированным (жирный, курсив, выбор шрифта, таблицы и т.п.), а также в него можно добавлять изображения. Формат идеально подходит для рефератов, докладов и РПЗ курсовых проектов, которые необходимо распечатать. Кстати перед печатью также сохраняйте файл в PDF, так как принтер может начудить со шрифтами.















