Курсовая работа Тимофеевой Н (539985)
Текст из файла
ФЕДЕРАЛЬНОЕ АГЕНТСТВО ПО ОБРАЗОВАНИЮ РФ
Московский Государственный Технический Университет
«МАМИ»
Кафедра: «АиПУ »
Факультет: «АиУ»
Курсовая работа
по дисциплине:
«Проектирование систем управления»
Тема: «Разработка микропроцессорной системы управления (МСУ) сверлильным станком».
Выполнила студентка: Тимофеева Н.В. Группа: 9-УИ-7
Допустить к защите: ___________________________
Руководитель: Бунько Е.Б. /_____________/
Дата: «__» ________ 2006г.
Защита работы с оценкой: _________________
Бунько Е. Б./_____________ /
Москва 2006г.
Задание на курсовую работу
Выдано студентке: Тимофеевой Н.В. Группа: 9-УИ-7
Выдано: «___» сентября 2006 г.
Срок сдачи: «___» декабря 2006 г.
-
Тема курсовой работы: «Разработка микропроцессорной системы управления (МСУ) сверлильным станком».
-
Исходные данные: Вариант№1
-
Технологическая схема отрезного станка.
-
Датчики и органы управления.
-
Разработать:
-
структурную схему МСУ;
-
первичное описание функционирования объекта в виде параметрического графа операций (ПГО) (этап алгоритмического проектирования);
-
промежуточное описание алгоритма управления объектом в виде систем секвенций (этап логического проектирования – логического программирования);
-
алгоритм управления в виде граф - схемы алгоритмов;
-
таблицы привязки датчиков и исполнительных механизмов к конкретным портам (входам и выходам) микроконтроллера;
-
программу управления в системе команд микроконтроллера МКП – 1.
Введение.
В данной курсовой работе разрабатывается микропроцессорная система управления (МСУ) объектом – сверлильный станок.
Современное оборудование проектируется, как правило, только на микропроцессорной технике, что отображается на методике проектирования. В данной работе рассматривается система управления объектом на базе МКП-1.
Программируемый микроконтроллер типа МКП-1 предназначен для циклового двухпозиционного программного управления манипуляторами и промышленным технологическим оборудованием.
Технологический процесс контролируется датчиками. Сигналы, поступающие от датчиков, обрабатываются микроконтроллером МКП-1 и передаются на исполнительные механизмы.
Конечной целью работы является составление программы управления технологическим процессом в системе команд МКП-1.
В процессе составления программы мы проходим такие этапы проектирования, как первичное описание функционирования объекта в виде параметрического графа операций (ПГО) (этап алгоритмического проектирования); промежуточное описание алгоритма в виде систем секвенций (этап логического проектирования); алгоритм управления в виде граф - схемы алгоритмов.
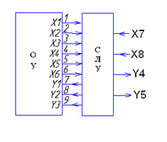
Рис.1 Технологическая схема Рис.2 Структурная схема МСУ
сверлильного станка. сверлильного станка.
X- датчики и органы управления; ОУ – объект управления.
Y- исполнительные механизмы и СЛУ – система логического управления
органы индикации.
Таблица 1. Датчики, органы управления, адреса датчиков.
| X1 | Датчик крайнего верхнего положения. | Е01 |
| X2 | Датчик рабочего положения. | Е02 |
| X3 | Датчик крайнего нижнего положения. | Е03 |
| X4 | Датчик станины. | Е04 |
| X5 | Датчик посторонних предметов. | Е05 |
| X6 | Датчик перегрузки. | Е06 |
| Х7 | Общее включение системы. | Е07 |
| Х8 | Цикловой пуск. | Е09 |
Таблица 2. Исполнительные механизмы, органы индикации, адреса нагрузок.
| Y1 | Сигнал управления мотором вращения. | Z01 | |
| Y2, Y3 | Сигналы спуска и подъема инструмента. | Z02 | Z03 |
| Y4 | Сигнал на соседний агрегат и на индикацию оператору – станок находится с исходном состоянии (инструмент вверху). | Z04 | |
| Y5 | Сигнал на индикацию – идет рабочий цикл станка. | Z05 | |
Таблица 3. Дополнительные характеристики исполнительных механизмов.
| Y2 | Y3 | действия |
| 1 | 1 | Быстрое перемещение вниз. |
| 1 | 0 | Медленное перемещение вниз. |
| 0 | 1 | Быстрое перемещение вверх. |
| 0 | 0 | Стоп. |
Первичное описание функционирования объекта в виде графа операций (ГО).
Модель основана на использовании математического аппарата Сети Петри. С помощью данного этапа алгоритмического проектирования решаются задачи декомпозиции алгоритма, описания стартовых и наладочных режимов, проверяется корректность синтезированного первичного описания.
Рис. 2. Граф операций.
Таблица 4. Позиции графа.
| Р0 | Исходное состояние системы, крайнее верхнее положение. |
| Р1 | Быстрое перемещение инструмента вниз. |
| Р2 | Медленное перемещение инструмента вниз |
| Р3 | Быстрое перемещение инструмента вверх. |
Таблица 5. Переходы.
| t1 | Быстрое перемещение инструмента вниз. |
| t2 | Медленное перемещение инструмента вниз. |
| t3 | Быстрое перемещение инструмента вверх. |
| t4 | Цикловой пуск системы. |
| t5 | Возврат системы в исходное состояние. |
Структурная схема МСУ.
ПУИ – пульт управления и индикации.
МКП –микроконтроллер.
БП – блок питания.
СС – сверлильный станок.
ПУИ
СС
МКП
БП
Рис.3 Структурная схема МСУ.
Система секвенций, описывающих граф (этап логического проектирования - логического программирования).
На этапе логического проектирования происходит переход от первичного языка описания логического алгоритма к промежуточному языку, который обладает нужными нам положительными свойствами. Этот язык называется язык систем секвенций.
Мы составляем аналитическую форму графа операций в виде системы конъюнктивных секвенций, упрощающую переход от первичного графического описания к управляющей программе. При этом в левой части секвенционных операторов содержится конъюнкция, состоящая из логических переменных, кодирующих позиции, из которых ведет данный переход и логических переменных, взвешивающих данный переход. В правой части содержится конъюнкция, состоящая из логических переменных, кодирующая позиции, в которые ведет данный переход и логических переменных, взвешивающих эти позиции.
Это преобразование соответствует принципу локальности преобразований.
Граф-схема алгоритма, реализующая систему секвенций .
Да
Нет
Да
Нет
Да
Нет
Да
Нет
Да
Нет Да
Нет
Да
Нет
Да
Нет Да
Нет
Да
Нет
Да
Нет Да
Нет
Да
Нет
Да
Нет
Да
Нет Да
Нет
Да
Нет
Да
Нет
Да
Да
Нет
Программа управления в системе команд МКП-1.
| Адрес | Команда | Описание команды |
| 000 | 260А | Активизация счетчика А |
| 001 | 2800 | Запись числа 00 в счетчик А |
| 002 | 0601 | Выключить нагрузку Y1 по адресу Z01 |
| 003 | 0602 | Выключить нагрузку Y2 по адресу Z02 |
| 004 | 0603 | Выключить нагрузку Y3 по адресу Z03 |
| 005 | 0504 | Включить нагрузку Y4 по адресу Z04 |
| 006 | 0401 | Проверка датчика X1 по адресу Е01 на 0 |
| 007 | 0405 | Проверка датчика X7 по адресу Е07 на 0 |
| 008 | 0304 | Проверка датчика X4 по адресу Е04 на 0 |
| 009 | 1201 | Прямой вывод БУ на адрес Z01 |
| 00А | 1202 | Прямой вывод БУ на адрес Z02 |
| 00В | 1203 | Прямой вывод БУ на адрес Z03 |
| 00С | 1304 | Инверсный вывод БУ на адрес Z04 |
| 00D | 2700 | Переход на адрес 00F если БУ=0 |
| 00E | 0В02 | Инкремент счетчика А |
| 00F | 0402 | Проверка датчика X2 по адресу Е02 на 1 |
| 010 | 0602 | Включить нагрузку Y2 по адресу Z02 |
| 011 | 0603 | Выключить нагрузку Y3 по адресу Z03 |
| 012 | 0605 | Включить нагрузку Y5 по адресу Z05 |
| 013 | 0А13 | Переход на адрес 015 если БУ=0 |
| 014 | 2700 | Инкремент счётчика А |
| 015 | 0403 | Проверка датчика Х3 по адресу Е03 на 1 |
| 016 | 0602 | Выключить нагрузку Y2 по адресу Z02 |
| 017 | 0503 | Включить нагрузку Y3 по адресу Z03 |
| 018 | 0605 | Выключить нагрузку Y5 по адресу Z05 |
| 019 | 0А19 | Переход на адрес 01В если БУ=0 |
| 01А | 2700 | Инкремент счётчика А |
| 01В | 0306 | Проверка датчика X8 по адресу Е08 на 0 |
| 01С | 0401 | Проверка датчика Х1 по адресу Е01 на 1 |
| 01D | 1Е06 | Установка БУ как значение датчика Х8 по адресу Е08 |
| 01Е | 0А06 | Переход на адрес 009 если БУ=1 |
| 01F | 0901 | Безусловный переход на адрес 001 |
Эффективность программной реализации.
Время выполнения программы на МКП-1 (секвенциально – счётчиковая программа).
Характеристики
Тип файла документ
Документы такого типа открываются такими программами, как Microsoft Office Word на компьютерах Windows, Apple Pages на компьютерах Mac, Open Office - бесплатная альтернатива на различных платформах, в том числе Linux. Наиболее простым и современным решением будут Google документы, так как открываются онлайн без скачивания прямо в браузере на любой платформе. Существуют российские качественные аналоги, например от Яндекса.
Будьте внимательны на мобильных устройствах, так как там используются упрощённый функционал даже в официальном приложении от Microsoft, поэтому для просмотра скачивайте PDF-версию. А если нужно редактировать файл, то используйте оригинальный файл.
Файлы такого типа обычно разбиты на страницы, а текст может быть форматированным (жирный, курсив, выбор шрифта, таблицы и т.п.), а также в него можно добавлять изображения. Формат идеально подходит для рефератов, докладов и РПЗ курсовых проектов, которые необходимо распечатать. Кстати перед печатью также сохраняйте файл в PDF, так как принтер может начудить со шрифтами.















