курсовой проект-вариант-2 (539963)
Текст из файла
Курсовые работы к курсу
« Проектирование систем управления».
Задание:
По технологической схеме объекта управления (см. варианты) разработать микропроцессорную систему управления (МСУ) объектом, включая:
-
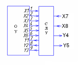
Структурную схему МСУ
-
Первичное описание функционирования объекта в виде параметрического графа операций (ПГО) (этап алгоритмического проектирования).
-
Промежуточное описание алгоритма управления объектом в виде систем секвенций (этап логического проектирования – логического программирования).
-
Алгоритм управления в виде граф-схемы алгоритмов.
-
Таблицы привязки датчиков и исполнительных механизмов к конкретным портам (входам и выходам) микроконтроллера.
-
Программу управления в системе команд микроконтроллера МКП – 1.
При переходе от одного вида описаний к другому проверять полученное описание на соблюдение принципа локальности преобразований.
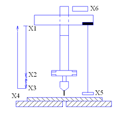
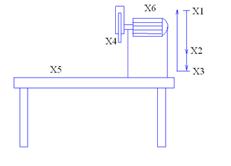
Вариант 1. Разработка микропроцессорной системы управления (МСУ) сверлильным станком.
Технологическая схема структурная схема МСУ
сверлильного станка сверлильного станка
Рис 1. Рис 2.
Х- датчики и органы управления ОУ – объект управления.
Y- исполнительные механизмы СЛУ – система логического управления.
и органы индикации
Таблица 1. Таблица датчиков и органов управления.
X1 – датчик крайнего верхнего положения.
X2 – датчик рабочего положения.
X3 – датчик крайнего нижнего положения.
X4 – датчик станины.
X5 – датчик посторонних предметов.
X6 – датчик перегрузки.
Х7 – общее включение системы.
Х8 – цикловой пуск.
Таблица 2. Таблица исполнительных механизмов и органов индикации.
Y1 – сигнал управления мотором вращения.
Y2, Y3 – сигналы спуска и подъёма инструмента.
Y4 – сигнал на соседний агрегат и на индикацию оператору – станок находится в исходном состоянии ( инструмент сверху) .
Y5 – сигнал на индикацию – идёт рабочий цикл станка.
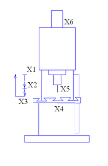
Вариант 2. Разработка микропроцессорной системы управления (МСУ) токарным станком.
Технологическая схема структурная схема МСУ
токарного станка токарного станка
Рис 1. Рис 2.
Х- датчики и органы управления ОУ – объект управления.
Y- исполнительные механизмы СЛУ – система логического управления.
и органы индикации
Таблица 1. Таблица датчиков и органов управления.
X1 – датчик крайнего правого положения.
X2 – датчик рабочего положения.
X3 – датчик крайнего левого положения.
X4 – датчик патрона.
X5 – датчик посторонних предметов.
X6 – датчик перегрузки.
Х7 – общее включение системы.
Х8 – цикловой пуск.
Таблица 2. Таблица исполнительных механизмов и органов индикации.
Y1 – сигнал управления мотором вращения.
Y2, Y3 – сигналы спуска и подъёма инструмента.
Y4 – – сигнал на соседний агрегат и на индикацию оператору – станок находится в исходном состоянии ( инструмент сверху) .
Y5 – сигнал на индикацию – идёт рабочий цикл станка.
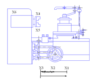
Вариант 3. Разработка микропроцессорной системы управления (МСУ) роботом манипулятором М1.
Технологическая схема структурная схема МСУ
робота манипулятора М1 робота манипулятора М1.
Рис 1. Рис 2.
Х- это датчики и органы управления ОУ – объект управления.
Y- это исполнительные механизмы СЛУ – система логического управления.
и органы индикации
Таблица 1. Таблица датчиков и органов управления.
X1 – датчик крайнего нижнего положения.
X2 – датчик крайнего верхнего положения.
X3 – датчик крайнего правого положения.
X4 – датчик крайнего левого положения.
X5, X6 – датчики поворота руки.
X7 – датчик схвата заготовки.
Х9 – общее включение системы.
Х9 – цикловой пуск.
Таблица 2. Таблица исполнительных механизмов и органов индикации.
Y1 – сигнал управления мотором вращения.
Y2, Y3 – сигналы спуска и подъёма инструмента.
Y4 – сигнал соседнему агрегату или оператору – станок находится в исходном состоянии т.е. инструмент сверху.
Y5 – сигнал индикация – идёт рабочий цикл станка.
Вариант 4. Разработка микропроцессорной системы управления (МСУ) резьбонарезным станком.
Технологическая схема структурная схема МСУ
резьбонарезного станка резьбонарезного станка
Рис 1. Рис 2.
Х- это датчики и органы управления ОУ – объект управления.
Y- это исполнительные механизмы СЛУ – система логического управления.
и органы индикации
Таблица 1. Таблица датчиков и органов управления.
X1 – датчик крайнего верхнего положения.
X2 – датчик рабочего положения.
X3 – датчик крайнего нижнего положения.
X4 – датчик стола.
X5 – датчик перегрузки инструмента.
X6 – датчик перегрузки двигателя.
Х7 – общее включение системы.
Х8 – цикловой пуск.
Таблица 2. Таблица исполнительных механизмов и органов индикации.
Y1 – сигнал управления мотором вращения.
Y2, Y3 – сигналы спуска и подъёма инструмента.
Y4 – сигнал соседнему агрегату или оператору – станок находится в исходном состоянии т.е. инструмент сверху.
Y5 – сигнал индикация – идёт рабочий цикл станка.
Вариант 5. Разработка микропроцессорной системы управления (МСУ) отрезным станком.
Технологическая схема структурная схема МСУ
отрезного станка отрезного станка
Рис 1. Рис 2.
Х- это датчики и органы управления ОУ – объект управления.
Y- это исполнительные механизмы СЛУ – система логического управления.
и органы индикации
Таблица 1. Таблица датчиков и органов управления.
X1 – датчик крайнего верхнего положения.
X2 – датчик рабочего положения.
X3 – датчик крайнего нижнего положения.
X4 – датчик стола.
X5 – датчик перегрузки инструмента.
X6 – датчик перегрузки двигателя.
Х7 – общее включение системы.
Х8 – цикловой пуск.
Таблица 2. Таблица исполнительных механизмов и органов индикации.
Y1 – сигнал управления мотором вращения.
Y2, Y3 – сигналы спуска и подъёма инструмента.
Y4 – сигнал соседнему агрегату или оператору – станок находится в исходном состоянии т.е. инструмент сверху.
Y5 – сигнал индикация – идёт рабочий цикл станка.
Вариант с минироботом СГ141 находится в стадии проработки.
Характеристики
Тип файла документ
Документы такого типа открываются такими программами, как Microsoft Office Word на компьютерах Windows, Apple Pages на компьютерах Mac, Open Office - бесплатная альтернатива на различных платформах, в том числе Linux. Наиболее простым и современным решением будут Google документы, так как открываются онлайн без скачивания прямо в браузере на любой платформе. Существуют российские качественные аналоги, например от Яндекса.
Будьте внимательны на мобильных устройствах, так как там используются упрощённый функционал даже в официальном приложении от Microsoft, поэтому для просмотра скачивайте PDF-версию. А если нужно редактировать файл, то используйте оригинальный файл.
Файлы такого типа обычно разбиты на страницы, а текст может быть форматированным (жирный, курсив, выбор шрифта, таблицы и т.п.), а также в него можно добавлять изображения. Формат идеально подходит для рефератов, докладов и РПЗ курсовых проектов, которые необходимо распечатать. Кстати перед печатью также сохраняйте файл в PDF, так как принтер может начудить со шрифтами.















