Раздел 9 (1253007), страница 7
Текст из файла (страница 7)
Номер программы и имя программы отделяется символом LF от других кадров программы.
Пример:
%О1234 (ИМЯ ПРОГРАММЫ) LF /1N12345G1X0Y…LF G2Z5…
…LF
…LF
…LF
N1 G40…M2 LF
%
Если в ходе обработки сложных деталей повторяющиеся операции должны быть выполны в различных местах, то нет необходимости писать эти разделы много раз в основной программе; вместо этого должна быть организована подпрограмма, которая может быть вызвана из любого места основной УП. Таким образом, основная УП будет состоять из отдельных подпрограмм и кадров, обеспечивающих взаимосвязь в общем порядке обработки детали. Такой метод, когда УП составляется из отдельных, сравнительно независимых подпрограмм, более прост, чем покадровое программирование всей обработки в целом. При программировании допускается меньше ошибок и облегчается процесс редактирования, т.к. можно исправить одну программу, не касаясь всей УП в целом. Кроме того, достаточно просто, меняя места подпрограмм в основной УП, менять общий порядок обработки всей детали.
Разница между основной программой и подпрограммой заключается только в том, что когда заканчивается обработка основной программы, система ЧПУ ожидает нового запуска программы, а когда происходит возврат из подпрограммы, процесс обработки продолжается с точки вызова.
Конец основной программы определяется командами М02 или М30, конец подпрограммы определяется обязательным присутствием команды М99.
Вызов подпрограммы.
Команды М98Р
Организуют вызов подпрограммы. В результате из исполняемой программы будет вызвана подпрограмма, номер которой определён адресом Р. Значение Р может быть от 1 до 9999. После выполнения подпрограммы обработка продолжится со следующего кадра, перед которым подпрограмма была вызвана.
вызов программы подпрограмма комментарий
О0010 выполнение программы О0010
…………..
…………..
М98Р0011 О0011 вызов подпрограммы О0011
…….. выполнение подпрограммы О0011
……..
……..
Следующий кадр М99 возврат в программу
Исполнение программы О0010
…….
…….
Команды М98Р…L
Будет вызывать подпрограмму (определяемую адресом Р) столько раз, сколько указано по адресу L. Пределы значений L от 1 до 9999. Если значение L не определено, подпрограмма будет вызвана только один раз, т.е. система воспринимает L=1. Например, М98 Р11 L6 означает, что подпрограмма 0011 будет последовательно вызвана шесть раз.
Имеется возможность вызова подпрограммы из другой подпрограммы. Вызовы подпрограмм могут быть “глубиной” до 4-х уровней.
Возврат из подпрограммы.
Использование команды М99
В подпрограмме означает её окончание, и система переходит к отработке кадра, следующим за вызовом подпрограммы.
вызов программы подпрограмма комментарий
О0010 выполнение программы О0010
…………..
…………..
М98Р0011 О0011 вызов подпрограммы О0011
…….. выполнение подпрограммы О0011
……..
Следующий кадр М99 возврат к следующему
кадру, прерванной
программы О0010
…….
Использование команды М99
вызов программы подпрограмма комментарий
О0010 выполнение программы О0010
…………..
…………..
N101M98 P0011 О0011 вызов подпрограммы О0011
…….. выполнение подпрограммы О0011
……..
……..
N250 М99P250 возврат к кадру N250
прерванной
программы О0010
…….
…….
Команды М99 (Р…)L…
Переустанавливают циклический счётчик вызова подпрограмм. Если значение L=0, подпрограмма вызывается только один раз. Если, например, подпрограмма О0011 вызывается М98 Р11 L20, а возврат из неё осуществляется командой М99 L5, подпрограмма Щ0011 будет вызвана в целом 6 раз (значение L может быть от 1 до 9999).
Переход внутри основной программы.
Использование команды М99
В основной программе приведёт к безусловному переходу на первый кадр основной программы, и выполнение программы возобновится снова. Использование этой команды приводит к бесконечному циклу.
Использование команды М99Р…
Приведёт к переходу на кадр основной программы, определяемый адресом Р, и выполнение программы возобновится с этого кадра. Использование этой команды позволяет организовывать бесконечные циклы:
9.7. Постоянные циклы обработки.
В современных УЧПУ, имеется большой набор специально разработанных постоянных подпрограмм.
Постоянные подпрограммы, составленные для различных инструментов, охватывают наиболее часто повторяющиеся схемы обработки. Позтому они называются циклами обработки и вводятся в память УЧПУ с помощью программоносителя или диалоговым программированием, либо находятся в памяти УЧПУ постоянно. Типовые, многократно повторяющиеся при обработке разных деталей траектории инструмента в ряде УЧПУ сформированы как постоянные (стандартные) циклы.
Постоянный цикл обработки – процесс отдельных движений станка для различных видов обработки, выполняемых специальными инструментами. Каждый постоянный цикл обработки имеет определенный формат записи, который записывается и вызывается при необходимости в кадрах основной УП.
Как правило, циклы выражены в параметрах, с помощью которых задается действительная траектория движения инструмента. Наиболее часто параметры в циклах задаются латинскими буквами R, P или Е с двух или трехзначными числами или специальными знаками (например, # ) с цифрами после них. Для различных УЧПУ циклы сравнительно одинаковы. Они могут отличаться принятыми схемами траекторий инструмента и видом используемых параметров.
9.7.1. Расточные постоянные циклы (G80 - G89).
Функции постоянных расточных циклов G81 - G89, позволяют программировать ряд операций (сверление, нарезание резьбы метчиком, растачивание и т.д.). Перечень и характеристики постоянных расточных циклов приведены в таблице 9.1.
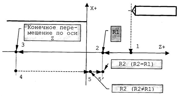
Последовательность движений при постоянных расточных циклах следующая (рис. 9.56):
-
быстрое позиционирование к оси отверстия;
-
быстрый подход к плоскости обработки (размер R1);
-
перемещение со скоростью рабочей подачи до запрограммированного размера (Z);
-
функции цикла на дне отверстия;
-
возвращение на быстром ходе или со скоростью рабочей подачи к координате R1 или R2, если координата возврата отличается от координаты подхода R1.
Функции G81 - G89 являются модальными. Стираются при помощи G80. Невозможно программировать новый постоянный цикл без закрытия предыдущего постоянного цикла. Во время расточного цикла нельзя программировать другую функцию G.
Циклы G81 - G89 стартуют координатами, запрограммированными сразу после кадра, содержащего постоянный цикл. После выполнения первого цикла для того, чтобы выполнить последующие циклы, идентичные первому, достаточно запрограммировать координаты точек отверстия.
Общий формат кадра постоянного расточного цикла следующий:
G8X [R1[R2]] координата цикла [дополнительные команды] [скорость подачи] [вспомогательные функции],
Параметры расточных циклов G81 - G89:
• [R1[R2]] – это координаты, относящиеся к оси шпинделя. Они определяют
координаты быстрого позиционирования в плоскости обработки в точке начала
обработки и координаты возврата в конце обработки. Если R2 отсутствует, то
R1 считается конечной координатой.
• координата цикла – определяет координату глубины отверстия и ось, вдоль
которой выполняется цикл (X, Y, Z).
• [скорость подачи] – определяется символом F; выражает скорость подачи, с
которой выполняется обработка отверстия в мм/мин, если отсутствует, то
скорость подачи будет последняя запрограммированная F.
• [дополнительные команды]– являются командами, определяющими
параметры операций (например, K для глубокого сверления; Р – время
в сек).
• [вспомогательные функции]– определяют функции S, M, T, H.
Примеры расточных циклов приведены в п. 9.7.1.1, 9.7.1.2, 9.7.1.3, 9.7.1.4.
Характеристики постоянных циклов Таблица 9.1
| Постоянный цикл | Подход | Функция на дне отверстия | Возврат | |
| Выдержка времени | Вращение шпинделя | |||
| G81 сверление | рабочая подача | нет | нормальное | Ускоренное перемещение к R1 или R2 |
| G82 растачивание | рабочая подача | да | нормальное | Ускоренное перемещение к R1 или R2 |
| G83 глубокое сверление (с разгрузкой стружки) | В прерывистой работе (подход с рабочей скоростью с промежутком во время быстрого возврата или остановки) | да /нет | нормальное | Ускоренное перемещение |
| G84 нарезание резьбы метчиком | рабочая подача; начало вращения | нет | обратное вращение | Рабочая подача к R1 ускоренное перемещение к R2 |
| G85 рассверлива ние или нарезание резьбы метчиком | рабочая подача | нет | нормальное | Рабочая подача к R1 ускоренное перемещение к R2 |
| G86 развертыва ние | рабочая подача; начало вращения шпинделя | нет | остановка | Ускоренное перемещение |
| G89 развертыва ние с растачива нием | рабочая подача | да | нормальное | Рабочая подача к R1 ускоренное перемещение к R2 |
| G80 отмена постоянных циклов | ||||
9.7.1.1. Цикл сверления (G81).
Постоянный цикл сверления G81 может быть также использован для операций растачивания, развертывания и центровочного сверления.
Функцию G81 можно программировать одну или вместе с другой информацией в одном кадре. Все путевые размеры в цикле программируются как абсолютные величины (G90), т.к. при активной G81 программирование G91 не разрешается.
Последовательность движений при цикле G81: (см. рис. 9.56)
-
оси позиционирования перемещаются на ускоренной подаче, и одновременно включается шпиндель.
-
после достижения позиции позиционирования происходит перемещение на ускоренной подаче к верхней кромке детали (значение R)
-
после достижения значения R с запрограммированной рабочей подачей F происходит перемещение к рабочей глубине (значение Z)
-
после достижения рабочей глубины (значение Z) на ускоренной подаче происходит обратное перемещение к верхней кромке детали (значение R).
Формат: G81 R…X…Y…Z…F…
где R – верхняя кромка детали (начальная координата отверстия) и координата
точки возврата
Z – рабочая глубина сверления
X, Y – значения позиционирования
F – рабочая подача
Пример G81 (рис.9.57)
| N10 | G90 | S1000 | M42 | LF | ||||
| N20 | G81 | X85 | Y45 | Z-25 | R-55 | F300 | M3 | LF |
| N30 | X45 | Y30 | Z-15 | R-40 | LF | |||
| N40 | X25 | LF | ||||||
| N50 | G80 | Z-60 | H0 | LF | ||||
| N60 | G0 | X150 | Y0 | M30 | LF |
Выполнение перемещений в кадрах:
| N20 P0→P1 P1→P2 P2→P3 P3→P2 | G0 и шпиндель ВКЛ G0 G1 G0 |
| N30 P2→P4 P4→P5 P5→P6 P6→P5 | G0 G1 G0 G0 |
| N40 P5→P7 P7→P8 P8→P7 | G0 G1 G0 |
| N50 P7→P9 | G0, шпиндель ВКЛ стирается |
| N60 P9→P0 | G0 |















