Раздел 9 (1253007), страница 5
Текст из файла (страница 5)
N010 G92 Y....LF
N010 G92 Z....LF
N010 G92 X....Y....Z....LF
Координаты, определяемые функцией G92, всегда расчитываются в абсолютном значении.
Впоследствии любая дополнительная команда в абсолютной системе измерения будет иметь отношение к этой новой системе координат детали, и положение осей будут также отображаться в этой системе координат.
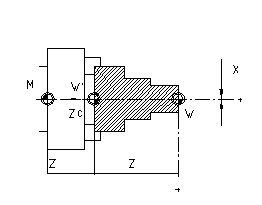
Если, например, инструмент остановлен в точке с координатами X=150, Y=100 в фактической (текущей) системе координат X,Y детали (рис. 9.42), функция G92 X90 Y60 загрузит новую систему координат X, Y детали, в которой инструмент переместится в точку с координатами X=90, Y=60.
Составляющие вектора смещения V между системами координат X,Y и X,Y есть: Vx=150-90=60 и Vy=100-60=40.
Команда G92 будет воздействовать на каждую из шести систем координат детали, т.е. смещение V, рассчитанное для одной системы координат, распространится и на остальные пять. (рис. 9.43).
Пример (G92) (рис. 9.44)
| P0 → P1 | N10 G1 F3000 N20 G90 X140 Y70 N30 G92 X0 | в кадре 20 подход к точке P1 в абсолютных координатах в кадре 30 устанавливается программный нуль по оси X(W’). Все последующие значения относятся к этому нулю. |
| P1 → P2 | N40 G1 Y30 F500 | |
| P2 → P3 | N50 G2 X-10 Y20 1-10F300 | |
| P3 → P4 | N60 G1 X-55 | |
| P4 → P5 | N70 X-65 Y30 | |
| P5 → P6 | N80 X-85 | |
| P6 → P7 | N90 X-95 Y20 | |
| P7 → P8 | N100 X-100 | |
| P8 → P9 | N110 G2 X-110 Y30 J10 | |
| P9 → P10 | N120 G1 Y70 | |
| P10 → P0 | N130 X0 | |
| P1 → P11 | N140 X40 Y60 F3000 N150 G92 X180 N160 M30 | в кадре 140 подход к точке Р11 в кадре 150 обратное переключение с G92 на ноль детали W1 |
а) б)
Рис. 9.41. Выбор и установка системы координат детали программным смещением
а) по функции G10
б) по функции G51
Рис. 9.42. Установка новой системы координат детали (G92).
Рис. 9.43. Влияние функции G92 на задаваемые системы координат детали W1, W2.
Рис. 9.44. Пример установки новой системы координат W’ при помощи функции G92.
9.5. Подача.
9.5.1. Скорость подачи (рабочая подача).
Термин “подача” относиться к скорости перемещения инструмента относительно детали в течение процесса обработки. Желательная подача в УП может быть определена по адресу F с числовым значением (рис. 9.45). Например, F150 означает подачу 150 мм/мин. Заданная в кадре скорость подачи воспринимается только совместно с линейной (G01) или круговой (G02, G03) интерполяцией.
Скорость подачи является касательной относительно траектории перемещения (рис. 9.46):
-
F – касательная скорость (заданная величина);
-
FX – составляющая скорости в направлении Х;
-
FY – составляющая скорости в направлении Y.
Заданная подача может быть скорректирована корректором скорости в диапазоне 0-120 %.
Значение F является модальным.
Рис. 9.45. Задание в программе подачи F, как скорости перемещения инструмента.
Рис. 9.46. Скорость рабочей подачи относительно траектории перемещения.
9.5.2. Подача в минуту (G94), подача на оборот (G95).
Единица подачи может быть задана в УП функциями G94 и G95:
-
G94 – подача в минуту;
-
G95 – подача на оборот.
Термин “подача в минуту” означает, что подача задается в мм/мин, дюйм/мин или градус/мин.
Термин “подача на оборот” означает, что подача связанна с вращением шпинделя, и задается в мм/об или градус/об.
При активной G94 скорость подачи при G01, G02, G03 определяется в мм/мин при помощи запрограммированного слова F. Слово F нужно ввести для запоминания только один раз, однако, при изменении нужно запрограммировать новое слово F.
Пример G94:
| N10 G1 F400 M3 LF | |
| N20 G18 M42 S500 LF | |
| N30 G95 F20 LF | в кадре 30 программирование подачи мм/об, G95 активна |
| N40 Z300 LF | |
| N50 G94 F300 LF | в кадре 50 программирование подачи мм/мин, G94 активна |
| N60 G73 X40 Z450 LF | В кадрах c 60 по 90 при активной G94 при помощи функций G01, G02, G03 оси станка перемещаются с различными значениями, |
| N70 G1 X60 F600 LF | |
| N80 G2 X70 Z460 I10 F200 LF | |
| N90 G1 Z500 M30 LF |
При активной G95 подача в функциях G01, G02, G03 определяется числом оборотов шпинделя. Ввод мм/об в G95 происходит при помощи слова F. Например,
F1=1 мм/об
F0.1=0.1 мм/об
G95 программируется в том кадре, в котором слово F впервые должно иметь значения в мм/об. Значения F можно задавать после этого в любое время без использования нового программирования.
Пример G95:
| N10 G1 M43 S1000 LF | в кадре 10 выбор диапазона вращения шпинделя и числа оборотов |
| N20 G95 F20 M3 LF | в кадре 20 задание направления вращения шпинделя, G95 активна с подачей 20 мм/об |
| N30 G4 F20 | в кадре 30 пауза |
| N40 673 X40 Z450 LF |
В кадрах c 40 по 90 при активной G95 оси G01, G02, G03 станка перемещаются с различными подачами |
| N50 G1 X60 F4000 LF | |
| N60 G2 X70 Z460 I10 F2000LF | |
| N70 G1 Z500 F2000 LF | |
| N80 X65 Z550 F2500 LF | |
| N90 Z800 M30 LF |
Максимально программируемое значение подачи на конкретном станке задается производителем станка. Если скорость подачи больше чем может быть задана, то СЧПУ выдает сообщение об ошибке в процессе выполнения программы.
9.5.3. Подача в обратном времени (G93).
Функция программирования G93 используется тогда, когда вычисление значения подачи в единицу времени (мм/мин) например, при трехмерной интерполяции, без помощи ЭВМ трудно.
G93 можно программировать одну или вместе с другой информацией в одном кадре. Время обработки программируется при помощи слова F. Слово F нужно заново программировать при каждом новом пути пробега. Стирается функциями G94, G95.
Вычисление слова F (подачи в обратном времени) при G93 производится по следующим зависимостям:
Пример G93: (рис. 9.47)
| P0→ P1 | N10 G1 X125 Y50 F3000 | |
| N20 M3 S800 | ||
| P1→ P2 | N30 G93 X115 Y20 F12.9 | в кадре 30 все движения выполняют с подачей 400 мм/об, G93 активна |
| P2→ P3 | N40 X45 F5.7 | |
| P3→ P4 | N50 G2 X30 Y35 J15 F26.6 | |
| P4→ P5 | N60 G1 Y50 F26.6 | |
| P5→ P6 | N70 G2 X45 Y65 115 F26.6 | |
| P6→ P7 | N80 G1 X60 F26.6 | |
| P7→ P8 | N90 G2 X90 115 F26.6 | |
| P8→ P9 | N100 G1 X125 F11.4 | |
| P9→ P1 | N110 G1 Y50 F26.6 | в кадре 110 вычислены значения подачи в обратном времени |
| N120 G94 | в кадре 120 G94 стирает G93 | |
| P1→ P0 | N130 G1 X170 Y75 F3000 M30 |
Вычисление значений F:
-
N30 V=400 мм/мин S=31 мм F= V /S= 400 /31=12.9
-
N40 V=400 мм/мин S=70 мм F= V /S= 400 /70=5.7
-
N50 V=400 мм/мин R=15 мм F= V /R= 400 /15=26.6
-
N60 V=400 мм/мин S=15 мм F= V /S= 400 /15=26.6
-
N70=N50 F 26.6
-
N80=N60 F 26.6
-
N90=N50 F 26.6
-
N100 V=400 мм/мин S=35 мм F= V /S= 400 /35=11.4
-
N110=N60 F 26.6
Рис. 9.47. Пример программирования подачи в обратном времени G93.
9.5.4. Отработка подачи станком с ЧПУ.
При перемещении на рабочей подаче заданная скорость достигается системой ЧПУ с линейным ускорением и, наоборот, её величина будет линейно снижаться при торможении (рис.9.48). Интенсивность ускорения определяется производителем станка в зависимости от динамических характеристик станка.
Использование линейного характера разгона и торможения до заданной скорости подачи рабочих органов в станках с ЧПУ (по сравнению с традиционным экспоненциальным) имеет следующие преимущества. Во-первых, снижается время разгона-торможения, т.е. быстрее достигается заданная скорость (рис.9.49 а). Во-вторых, при обработке окружности (рис.9.49 б), уменьшается погрешность обработки профиля
, возникающее из-за запаздывания сервосистемы.
Ускорение до новой скорости (более высокой, чем предыдущая) начинается системой ЧПУ независимо от начала выполнения конкретного кадра, в котором эта новая скорость задана. Этот процесс может, если необходимо, учитывать сразу несколько кадров (рис.9.50). Торможение до новой скорости (более низкой, чем предыдущая) начинается в предыдущем кадре, так что обработка начнётся с заданной скоростью в конкретном кадре, в котором эта скорость задана.















