Диплом Авасов (1223125), страница 3
Текст из файла (страница 3)
Организацию работы бригад без отдыха в пунктах оборота следует принимать только как вынужденную, когда по пробегу поездов без переработки невозможно удлинить такие участки, а также при наличии естественных границ участков работы бригад (границы изменения видов тяги, рода тока, типа локомотива, тупиковая линия и т. п.).
При размещении пунктов приписки и оборота, а соответственно и длины участков работы локомотивных бригад, кроме учета работы с отдыхом и без отдыха в пунктах оборота, следует принимать во внимание схему обслуживания бригадами участков их работы и способ обслуживания бригадами различных видов движения – грузовых и пассажирских поездов.
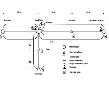
По данным пунктов 2.1 и 2.2 размещаем устройства локомотивного хозяйства при плечевом способе обслуживания поездов локомотивами, если длина плеча Н.Ургал – Комсомольск = 527 км.
Исходя из максимального пробега по техническому обслуживанию ТО-2
, песку –
(для грузовых) и топливу –
(для грузовых) ПТОЛ и устройства экипировки размещаем в основном депо ст. Н.Ургал и оборотном депо ст. Комсомольск, поскольку длина участка обращения локомотивов (527км) меньше пробега по расходу песка, топлива, смазки или воды. Тяговое плечо Н.Ургал – Комсомольск – длинное и по условиям непрерывной работы бригады (
) на этом плече необходимо расположить пункт смены бригад с домом отдыха на станции Постышево.
Места жительства локомотивных бригад располагаются на станциях Тырма, Постышево, Известковая, Н.Ургал, Февральск, Комсомольск-на-Амуре.
Схема размещения устройств экипировки, ПТОЛ и пунктов смены локомотивных бригад представлена на рисунке 1.1.
Рисунок 1.1 – Схема размещения устройств экипировки, ПТОЛ и пунктов смены локомотивных бригад
2 АНАЛИЗ СУЩЕСТВУЮЩИХ МЕТОДОВ НОРМИРОВАНИЯ РАСХОДА ТОПЛИВА НА ТЯГУ ПОЕЗДОВ
2.1 Нормы и их классификация
Рациональное ведение хозяйства любой отрасли железнодорожного транспорта немыслимо без хорошей организации топливо и энергоиспользования, без правлильного определения потребности ТЭР, соответсвующих данному уровню технического развития, организации технологического процесса перевозок и задаваемому объему перевозочной работы.
Основой для такого определения являются научно-обоснованные нормы расхода топлива и электрической энергии,отражающие техническо-экономические показатели подвижного состава и его использования.
Научно-обоснованные нормы, отражающие основные условия работы подвижного состава и организацию перевозочного процесса, являются необходимым инструментом при планировании расходов топливно-энергетических ресурсов как в масштабе всей сети железных дорог, так в масштабе хозяйственного подразделения.
С другой стороны, правильно установленная норма расхода топлива или электроэнергии при наличии стимулирования их экономии (в виде выплаты премии) является фактором, мобилизующим на улучшение использования топливно – энергетических ресурсов, на вскрытие технически обосновынных резервов их дальнейшей экономии.
Ежегодные затраты на энергоресурсы РЖД для всех видов тяги достигают десятки миллиардов рублей.
Поэтому ясно, какое важное значение имеют правильно установленные нормы расхода топлива и электрической энергии для организации наиболее целесообразного расходования крупных денежных средств для приобретения топливно – энергетических ресурсов на тягу поездов.
Нормой расхода топлива или электрической энергии называется плановая мера, определяющая максимально допустимую величину расхода ТЭР на единицу транспортной продукции
Единицей продукции на железнодорожном транспорте является :
- перевозочная работа А, выраженная в 10 тыс.тонно-километрах (тонно-км) брутто;
- пробег локомотивов L, выраженный в 100 локомотиво-километрах (локомотиво-км).
В зависимости от своего назначения нормы делятся на :
- плановые (групповые) и технические (индивидуальные);
- плановые (групповые) нормы устанавливаются для определения потребности в энергоресурсах в целом подразделению локомотивного хозяйства (МПС, дорога отделение, депо) и по видам движения в подразделении.
По видам движения норма не является обязательной.
Технические (индивидуальные) нормы устанавливаются для каждой серии локомотивов зависимости:
- от участка обращения локомотива;
- вида работы;
- массы состава;
- типа вагонов;
- метеорологических условий.
Технические нормы устанавливают ежемесячно для тепловозов в килограммах натурного топлива, а для электроподвижного состава в кВт.ч на следующие виды работ:
- на 10 тыс. т-км брутто при следовании во главе поезда, двойной тягой или при подталкивании.
Работа исчисляется по массе состава брутто, без учета массы локомотива. Работа моторвагонного состава и дизель – поездов определяется исходя из их расчетной паспортной массы:
- на 100 локомотиво-км одиночно следующих локомотивов или при возвращении толкачей;
- на 1 час маневровой работы, производимой в парках и на горочных путях сортировочных станций, на промежуточных станциях и подъездных путях депо;
- на 1 час простоя в депо или на станционных путях в ожидании работы.
Расход топлива и электроэнергии на простой локомотива на промежуточных станциях, предусмотренный графиком движения, входит в поездную норму.
Нормы расхода электрической энергии для локомотивных бригад при наличии счетчиков на электроподвижном составе устанавливают без учета потерь в контактной сети и на тяговых подстанциях.
Плановая норма расхода электроэнергии в целом по подразделению локомотивного хозяйства как при индивидуальном учете электроэнергии, так и при коллективном по всему электроподвижному составу должна включать потери в устройствах энергоснабжения, устанавливаемые на основании нормативов Главного управления электрификации и энергетического хозяйства МПС.
Плановые нормы в целом по подразделению локомотивного хозяйства (Н, НОД, ТЧ) устанавливаются в кг условного топлива (кг.усл.т) или в кВтч на единицу перевозочной продукции.
2.2 Организациооная структура существующей системы
В настоящее время вопросами расчета и планирования топливно-энергетических ресурсов для дороги занимается топливно-теплотехнический отдел службы локомотивного хозяйства (ТП). В своей работе этот отдел решает следующие задачи:
- нормирование и учет расхода топлива и электроэнергии на тягу поездов;
- снабжение топливом и нефтепродуктами всех подразделений дороги;
- ежемесячных анализ расхода топливно – энергетических ресурсов, нефтепродуктов и угля подразделениями дороги;
- установление рациональных норм расхода топлива и электроэнергии локомотивным депо дороги.
Топливно-теплотехнический отдел службы локомотивного хозяйства по отраслевому принципу непосредственно подчиняется департаменту локомотивного хозяйства МПС, а по утверждению норм расхода топливно-энергетических ресурсов – Росжелдорснабу.
Отдел состоит из:
- начальника, в обязанности которого входит координация и контроль действий всего отдела, а также отчетность о работе отдела перед вышестоящим органом;
- инжинера по теплотехнике, который занимается нормированием, учетом, контролем за расходом топлива и электроэнергии и распределением их по подрзделениям дороги; планированием мероприятий по экономии топливно-энергетических ресурсов; подекадным, помесячным, поквартальным и годовым анализом выполнения норм. В своей работе он пользуется информацией, поступающей из отделений дорог и депо;
- инженера по нефтепродуктам, который занимается планированием, учетом и контролем за расходом угля, мазута, смазочных материалов по подразделениям дороги;
- техника-оператор, в обязанности которого входит суточный учет поступления и расхода дизельного топлива, мазута, смазочных материалов и угля.
2.3 Информационная база существующей системы
Информация поступает в отдел из основных депо, отделений и дорожного вычислительного центра (ДВЦ) из следующих форм статистической отчетности: ТХО-1, ТХО-2, ТХО-5, ТХО-9, ЦО-1, ЦО-2, ЦО-4, ЦО-5.
ТХО-1 – месячный отчет о расходе натурного топлива или электроэнергии на локомотивы бригадами в зависимости от вида движения, поезда участкаи серии локомотива. ДВЦ высылает отчетность в отделение дороги (НОД), локомотивное депо (ТЧ) и ТП – 22 числа после отчетного периода.
ТХО-2 – месячный (годовой) отчет о расходе условного топлива или электроэнергии локомотивами в границах участков работы локомотивных бригад дороги (отделения) по видам движения и сериям локомотивов. ДВЦ высылает отчетность в НОД, НЧ ( отдел статистики и учета дороги) и в вычислительный центр МПС (ГВЦ) 17 числа после отчетного месяца, за год – НЧ и ГВЦ 2 февраля:
- ТХО-5 – месячный отчет о результатах расхода условного топлива или электроэнергии каждым локомотивом депо. Группа учета депо (ТЧУ) высылает НОД, ДВЦ и ТП 8 числа после отчетного периода;
- ТХО-9 – срочный декадный (или ежедневный) и месячный отчет о расходе условного топлива или электроэнергии на локомотивах в границах участков работы локомотивных бригад и количестве электроэнергии отпущенной энергосистемами на тягу и количество электроэнергии, возвращенной в сеть при рекуперации.ТЧ представляет информацию ТП нарастающим итогом с начала месяца 12, 22 и 5 числа;
- ЦО-1 – месячный, годовой отчет о наличии, распределений, работе и использовании подвижного состава на дороге.ДВЦ высылает НЧ и ГВЦ 10 числа после отчетного периода, за год в те же адреса 20 января;
- ЦО-2 – месячный отчет о наличии, распределении и использовании локомотивов в депо. ДВЦ высылает отчет в ТЧ, НОД и НЧ 8 числа после отчетного периода, а по дороге в целом в НЧ 10 числа после отчетного периода.
2.4 Анализ расхода дизельного топлива в маршруте машиниста
В разделе 5 маршрута машиниста на каждую секцию локомотива заполняются следующие атрибуты:
- А – Сдано топлива предыдущей бригадой при заходе в депо или при смене на станционных путях;
- Б – Принято машинистом от депо или при смене на путях в начале поездки;
- В – Сдано машинистом после поездки при заходе в депо или при смене на путях;
- Г – Набрано топлива на локомотив;
- Д – Снято топлива по акту.
При обработке маршрута машиниста задействован следующий алгоритм:
- А – Б = Расход в депо или на станции за время простоя без бригады при наличии такого простоя (между временем сдачи локомотива предыдущей бригадой и временем начала приемки последующей бригадой минус время простоя в НЭПе. Этот расход в квитанции для бригады не показывается;
- Б+Г-Д-В= Расход топлива бригадой за поездку;
- Д- Снято топлива по акту;
- Из показаний А-Б программа величину топлива, снятого по акту не вычитает.
Если топливо сливалось с тепловоза за время простоя его в депо или простоя на станционных путях без бригады , то при формировании сообщения ТУ3 величина снятого топлива должна «сидеть» в показателе «Б», так как программа сама вычтет эту величину из расхода за поездку по показателю Д и правильно определит расход топлива за время простоя локомотива в депо. Поэтому для правильного определения фактического расхода топлива машинистом за поездку оператор ЦОТУ при наличии акта на снятие топлива должен увеличить показатель Б на величину, снятую по акту.
Если топливо снималось с тепловоза во время работы (с тепловоза на тепловоз), в маршруте должен присутствовать показатель Д, величина которого вычтется из расхода за поездку.
При формировании сообщения ТУ3 необходима ручная корректировка показателя Б в следующем случае , когда набор топлива на локомотив осуществляла экипировочная бригада, на работу которой маршрут машиниста не выдается. Последующая бригада оформляет в своем маршруте показатель Б с учетом набранного экипировочной бригадой топлива, а в этом случае невозможно определить расход топлива без бригады (А-Б). Поэтому набранное топливо (Г) в сообщении ТУ3 передается в последующем маршруте. В этом случае оператор ЦОТУ, наоборот, уменьшает показатель Б на величину набранного топлива, так как программа сама его добавит по показателю Г.
Бывают случаи, когда за время простоя тепловоза в горячем состоянии происходил неоднократный набор топлива, все топливо было израсходовано, а маршрут машиниста не оформлялся. Для того, чтобы учесть этот расход топлива в расходе на горячий простой , а, следовательно, и на тягу поездов, необходимо составить ТУ-3 для учета этого расхода. В фиктивном ТУ-3 во фразе Ю7 проставляется 1 минута работы локомотива на маневрах при депо, на месте сдачи локомотива предыдущей бригады проставляется фактическая сдача локомотива предыдущей бригадой из ф. ТУ-152 (бортового журнала), фактический набор топлива, произведенный экипировочной бригадой и весь расход топлива за время простоя л-ва. Табельный номер в маршруте машиниста проставляется по машинисту, работающему при депо. Никаких искажений по этому машинисту в выходных формах при таком заполнении не произойдет. Даже в таком фиктивном маршруте расход дизельного топлива не может быть менее 1 кг. Иначе маршрут выйдет на ошибку.
2.5 Влияние качества работы различных служб железной дороги на росход топливно-энергетических ресурсов
На расход топлива и электроэнергии локомотивами оказывают влияние различные факторы, одни из которых приводят к перерасходу, а другие, наоборот способствуют экономии ТЭР. Поэтому в показателе энергетических затрат на тягу поездов словно в фокусе, сводятся результаты деятельности работников многих профессии – от машиниста и слесаря ремонтника до диспетчера и составителя поездов, монтера пути и слесаря по осмотру вагонов.
К числу основных факторов, определяющих перерасход энергоресурсов, относятся:
- по локомотивному хозяйству – низкий уровень технического состояния локомотивов (неисправности топливной аппаратуры, плохое качество технического обслуживания и текущего ремонта), недостатки нормирования и учета расхода топлива и электроэнергии, низкая квалификация локомотивных бригад;
- по хозяйству движения – формирование неполносоставных и неполновесных поездов , стоянки у входных сигналов станции, неприем поездов по стыковым станциям, стоянки на промежуточных станциях, пропуск пассажирских поездов, ожидание отправления, неравномерность движения, следование грузовых поездов за пригородными, предоставление “зеленых” улиц для одних поездов и “красных” для многих других, нереальность разработанных графиков движения поездов, заполнение пропускной и провозной способности, недостаточное взаимодействие между диспетчерами и локомотивными бригадами, недостаточная квалификация диспетчерского аппарата;
- по вагонному хозяйству – ожидание локомотивными бригадами проверки тормозов поезда, некачественный осмотр вагонов;















