ПЗ (1222901), страница 4
Текст из файла (страница 4)
Привод выгребной цепи осуществляется гидромотором мощностью 540 кВт через двухступенчатый редуктор. Первая ступень редуктора представляет собой цилиндрическую зубчатую передачу, а вторая ступень – однорядную планетарную передачу, у которой солнечное колесо соединено с валом первой ступени, а водило – с выходным валом, на котором установлена звездочка скребковой цепи. За счет регулирования угловой скорости вращения вала гидромотора обеспечивается скорость цепи в диапазоне 1,8…3,2 м/с. Положение РШР при работе фиксируется ПРУ 23 с роликовыми клещевыми захватами. При проходе стыка РШР удерживается сначала задними, а затем передними захватами. ПРУ позволяет вывешивать РШР на высоту до 100 мм при боковом сдвиге в пределах ±180 мм.
Вырезанный выгребным устройством балласт через бункер 9 поступает на конвейер 2 и далее на поворотный конвейер 7. В режиме очистки он подается на очистной модуль, а в режиме вырезки балласта – на специальный подвижной состав (очистной модуль отцеплен от комплекса).
Очищенный щебень возвращается через бункер 27 на конвейер 4, откуда поступает к двухъярусному грохоту-классификатору 5, предназначенному для разделения чистого щебня на крупную и мелкую фракции. Верхний ярус грохота имеет просеивающее сито с размерами ячеек 32x32 мм, а нижний ярус состоит из сплошного листа. Разделенный щебень двумя потоками через систему заслонок бункера 6 попадает в распределительный бункер 20. Далее он дозируется в путь: мелкая фракция спереди бункера в нижний слой, а крупная фракция – сзади бункера в верхний слой призмы. Нижний слой балласта уплотняется планировочно-уплотнительным устройством 21, смонтированным на распределительном бункере 20.
При изменении положения заслонок бункера 6 и сдвиге конвейера 19 чистый щебень от грохота 5 может загружаться в накопительный бункер 18. Этот бункер имеет 6 донных крышек, через которые чистый балласт дозируется в путь в местах зарядки и разрядки выгребного устройства машины при недостатке щебня.
После отсыпки поверхность балластного слоя разравнивается планировщиком 16, который также обеспечивает безопасный проход задней тележки 13. Верхний слой балласта устройством 14 предварительно уплотняется со стороны торцов шпал.
Измерительная тележка 12 позволяет после работы комплекса контролировать положение пути по уровню.
Экипажная часть очистного модуля включает сварную раму 39, которая в задней части опирается на двухосную ходовую тележку 40 типа 18-100, а в передней части – на тележку 44 с приводными колесными парами, аналогичную тележкам тяговых модулей. Привод 43 колесных пар электромеханический.
Вырезанный добывающе-распределительным модулем щебень с конвейера 1 попадает на конвейер 36 и далее направляется к грохотам 37 и 31. Для направления части потока щебня к грохоту 31 применено распределительное устройство 35 с системой заслонок, направляющих поток балласта, и конвейер 30. Очищенный балласт через бункеры 32, 38 и систему конвейеров 42, 41 поступает в приемный бункер 27 добывающе-распределительного модуля для дозирования в путь. Засорители через бункер 33 и систему конвейеров 34, 29 и 28 перегружаются в СПС или удаляются на обочину.
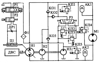
Привод 8 цепи выгребного устройства 7 позволяет плавно регулировать скорость цепи, приспосабливая ее к условиям вырезания балласта. В гидросистеме привода (рисунок 1.7) для этого установлен аксиально-поршневой насос H1 с объемно-регулируемой подачей, который напрямую соединен с нерегулируемым аксиально-поршневым гидромотором - Ml, образуя контур закрытой циркуляции масла с максимальным давлением 35 МПа.
H1, H2 и НЗ – основной регулируемый, системы подпитки и системы регулирования насосы; Ml – гидромотор привода выгребной цепи; Р1 – сервовентиль; Р2, РЗ – гидрораспределители; КП1 – КП5 – предохранительные клапаны; АК1 и АК2 – гидроаккумуляторы; К01 – КОЗ – обратные клапаны; ДР1 – дроссель; Ф1 – напорный фильтр
Рисунок 1.7 − Принципиальная гидравлическая схема регулируемого привода выгребной цепи с замкнутой циркуляцией
Насос имеет поворотный хвостовик с блоком цилиндров, который поворачивается относительно оси выходного вала гидроцилиндром Ц1. Привод насоса HI осуществляется от отдельного дизельного агрегата мощностью 697 кВт фирмы CUMMINS (Великобритания), расположенного на добывающе-распределительном модуле. Кроме того, система включает насос Н2 для восполнения потерь масла в основном контуре циркуляции, а также насос НЗ для подачи масла в систему управления основным насосом HI.
Предохранительные клапаны КП2 и КПЗ настроены на давление перепуска 38 МПа и при нормальной работе привода не срабатывают. При подаче давления в напорную линию мотора Ml распределитель РЗ подключает его сливную линию к предохранительному клапану КП1, отрегулированному на давление перепуска 1,6 МПа. Подпитка сливной линии производится через один из обратных клапанов (К01 или КОЗ). Другой клапан держит давление в напорной линии. Предохранительный клапан КП4 с управлением через пилот-распределитель отрегулирован на давление 35 МПа и позволяет быстро останавливать движение выгребной цепи при включении его электромагнита.
Величина и направление подачи масла насосом HI зависят от положения его хвостовика, управляемого гидроцилиндром Ц1. При перекрытом дросселе ДР1 и нейтральной позиции распределителя Р2 шток цилиндра Ц1 фиксируется в определенном положении. Для регулирования подачи распределитель Р2 переключается в рабочую позицию, а масло подается в систему управления через сервовентиль Р1. Он позволяет регулировать подачу масла насосом HI, отслеживая скорость вращения вала гидромотором Ml в режиме ручного или автоматического управления.
Взаимодействие элементов тяговой выгребной цепи с вырезаемым материалом в забое, элементов гидравлической и механической передач, изменение нагрузок на приводном Baity дизеля и приводной звездочке цепи носит выраженный Динамический характер. Возникают вынужденные крутильные колебания приводной звездочки, вызывающие пульсации давления в гидросистеме. Спектр частот колебаний широкий. Колебания, связанные с вхождением скребков цепи в забой и движением цепи по зубьям приводной звездочки, носят устойчивый характер и зависят от линейной скорости движения цепи; колебания, связанные с изменением свойств щебня в слое, с изменением скорости движения машины носят случайный характер. При расчете поддерживаемого давления в гидросистеме необходимо учитывать, что на пиковых значениях давления может срабатывать предохранительный клапан КП4, поэтому демпфирование пульсаций давления позволяет поддерживать большее рабочее давление, соответственно улучшить рабочие свойства выгребного устройства. Для решения этой и других задач анализа нагрузок разрабатываются и анализируются соответствующие математические модели.
Исследования под руководством проф. В.Ф. Ковальского и В.А. Дубровина показали, что гидропривод в динамике описывается моделью фильтра частот ниже 3,5…4,0 Гц (колебания на низких частотах не демпфируются системой). Колебания с более высокими частотами в значительной степени гасятся, системой, позволяя увеличить передаваемую нагрузку. Для понижения уровня фильтруемых частот в напорную и сливную линию гидропривода введены пневмогидравлические аккумуляторы АК1 и АК2, обеспечивающие более спокойную передачу энергии от насоса HI к мотору Ml. Исследованы и другие аспекты работы привода выгребной цепи.
1.5 Технические характеристики щебнеочистительных машин
Таблица 1.2 – Технические характеристики щебнеочистительных машин
| Показатель | СЧ-601 | RM-80 UHR | ЩОМ-1200 |
| Производительность, м3/ч: при очистке балласта: на перегоне на стрелочном пе- реводе при вырезке балласта | 500 – 500 | 650 650 700 | 1200 – 800 |
| Глубина очистки, мм | 650 | 600 | 600 |
| Ширина очищаемой зоны, м: для пути для стрелочного перевода | 3800…5000 – | 3720…5100 7600 | 4395…5095 – |
| Скорость выгребной цепи, м/с | – | 1,8…3,4 | 1,8…3,2 |
| Скорость движения км/ч: в рабочем режиме в транспортном режиме | 0,05…0,5 80 | 0…1,0 80 | 0,06…0,6 80 |
| Минимальный радиус кривой, м: при работе при транспортиро- вании | 150 120 | – – | 300 150 |
| Мощность привода выгребной цепи, кВт | 2х75 | – | 540 |
продолжение таблицы 1.2
| Мощность силовых установок , кВт: собственных тягового модуля | – 666 | 666 – | 698 1000 |
| Масса комплекса без тягового модуля, т | 76 | 88 | 150+94 |
| Обслуживающий персонал, чел | 4 | 3 | 7 |
1.6 Перспективы развития машин и комплексов для очистки щебня
При достижении предельного засорения щебеночной балластной призмы выправочно-подбивочные работы становятся недостаточно эффективными: наблюдается быстрое повторное накопление остаточных неравномерных осадок пути под воздействием поездной нагрузки. Своевременная и качественная очистка балластной призмы позволяет разрешить целый комплекс проблем технического обслуживания пути. Задача решается комплексно путем совершенствования технологий, организации работ и конструкций машин и комплексов.
Путевые работы в «окно» производятся поточным методом, поэтому используемые путевые машины технологического комплекта должны иметь согласованную на максимально высоком уровне производительность. Машины и комплексы для глубокой очистки щебеночной призмы имеют линейную производительность 300 – 500 м/ч, которая ниже производительности других машин комплекта. Поэтому дальнейшее повышение производительности является приоритетным направлением развития этого класса машин. К настоящему времени созданы и эксплуатируются машины ЩОМ-1200 и ЩОМ-1200ПУ, решается задача создания машин и комплексов с производительностью до 1600 м3/ч, а в перспективе до 2000 – 2500 м3/ч. Прежде всего, такие машины должны иметь высокопроизводительный выгребной рабочий орган или систему рабочих органов. Возможности скребкового рабочего органа ограничены допустимой скоростью движения цепи, ее размерами. При увеличении скорости возрастают динамические нагрузки на элементы конструкции и привод, нарушается схема движения вырезаемого балластного материала. Необходим поиск новых технических решений.
Увеличенные объемы перерабатываемого материала при ограниченных габаритах приводят к необходимости использования в технологической цепочке нескольких грохотов повышенной производительности, работающих согласованно по последовательной или по параллельной схеме. При последовательной схеме щебень проходит последовательно несколько грохотов с отделением в каждом фракций, часть которых далее не просеивается, а другая часть идет на следующий грохот. В параллельной схеме общий поток щебня разделяется в определенном отношении на части и полностью обрабатывается одновременно на нескольких грохотах. Например, в комплексе ЩОМ-1200 (рисунок 1.6) реализована параллельно-последовательная схема: на очистной секции щебень просеивается двумя грохотами 31 и 37 после разделения на потоки распределительным устройством 35 с отбором засорителей, а затем поток очищенного щебня разделяется в грохоте-классификаторе 5 на мелкую и крупную фракцию.
Усложнение схемы очистки для достижения более высокой производительности в стесненных габаритных условиях приводит к необходимости разрабатывать усложненные схемы переброски потоков щебня и засорителей в двух направлениях вдоль комплекса. Можно сказать, что необходимо решать задачу логистики – построения и оптимизации инфраструктуры движения потоков и накапливания сыпучих грузов.
















