ПЗ (1222901), страница 10
Текст из файла (страница 10)
3.18.1 Расчет полезных мощностей исполнительных механизмов
Привод исполнительного механизма осуществляется двумя гидромоторами; во время холостого хода вращающей рукояти работает один гидромотор.
Полезная мощность определяется по формуле
(3.29)
где М – крутящий момент на роторе гидромотора, Нм; – угловая скорость вращения ротора, с-1
Для гидромотора:
В рабочем режиме (2 гидромотора):
В режиме холостого хода:
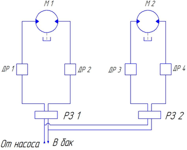
Рисунок 3.16 – Структурная схема гидросистемы
Приведение гидросистемы в действие осуществляется гидронасосом экскаватора, который подает рабочую жидкость трехпозиционным золотниковым распределителям. Два золотниковых распределителя выбираем, основываясь на том, что в системе каждый из механизмов может работать независимо друг от друга, т.е. по распределителю на мотор. Золотник имеет три положения, соответствующие операциям: вращение в рабочем режиме, нейтральное положение, вращение в режиме холостого хода.
Через дроссели регулируется скорость движения гидромотора.
Во избежание повышения давления в системе выше допустимого применяем предохранительные клапаны, которые автоматически контролируют давление, спуская излишнюю жидкость в бак.
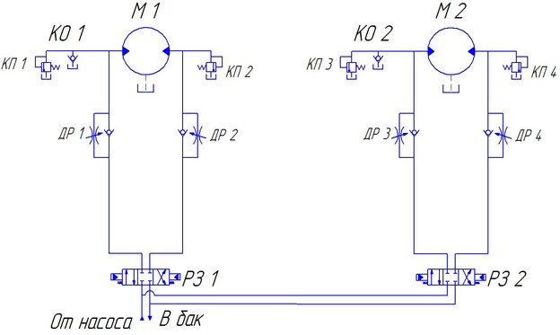
Рисунок 3.17 – Принципиальная схема гидропривода
3.18.2 Особенности работы гидропривода
После включения насоса Н рабочая жидкость поступает в напорную магистраль.
В рабочем режиме работают два исполнительных механизма, включаются правые положения распределителей 1 и 2 и жидкость, проходя через обратные клапаны дросселей Др 2 и Др 4, заставляет вращаться роторы гидромоторов против часовой стрелки. Так как нагрузка в этот момент знакопеременная в сливной магистрали предусмотрены подпитывающие клапаны КО 1 и КО 2. Регулирование скорости вращения роторов осуществляется дросселями ДР 1 и Др 3. Далее жидкость, проходя через распределители РЗ 1 и РЗ 2, поступает в бак.
При работе в холостом режиме достаточно включить один гидромотор, для этого золотник распределителя перемещают влево и жидкость, проходя через обратный клапан дросселя Др 1, заставляет вращаться ротор гидромотора по часовой стрелке. Регулирование скорости вращения роторов осуществляется дросселями Др 2 и Др 4. Далее жидкость, проходя через распределитель РЗ 1, поступает в бак.
Клапаны КП 1…КП 4 служат для предотвращения перегрузок.
3.18.3 Выбор рабочей жидкости
В качестве рабочей жидкости для районов с умеренным климатом при работе в тяжелом режиме применяем масло гидравлическое МГЕ-46В летом, а ВМГЗ – зимой.
Гидравлическое масло МГЕ-46В предназначено для гидроприводов строительных и дорожных машин при отрицательных и положительных температурах.
Масло гидравлическое ВМГЗ (ТУ 38.101479-86) - маловязкая низкозастывающая минеральная основа, вырабатываемая посредством гидрокаталитического процесса, загущенная полиметакрилатной присадкой. Содержит присадки: противоизносную, антиокислительную, антипенную. Масло предназначено для систем гидропривода и гидроуправления строительных, дорожных, лесозаготовительных, подъемно-транспортных и других машин, работающих на открытом воздухе при температурах в рабочем объеме масла от -40 до +50 °С в зависимости от типа гидронасоса. Для северных регионов рекомендуется как всесезонное, а для средней географической зоны - как зимнее.
Масло МГЕ-46В (ТУ 38 001347-83) для гидрообъемных передач вырабатывают на базе индустриальных масел с антиокислительной, противоизносной, депрессорной и антипенной присадками. Масло обладает высокой стабильностью эксплуатационных (вязкостных, противоизносных, антиокислительных) свойств, не агрессивно по отношению к материалам, применяемым в гидроприводе. Предназначено для гидравлических систем сельскохозяйственной и другой техники, работающей при давлении до 35 МПа с кратковременным повышением до 42 МПа. Работоспособно в диапазоне температур от -10 до +80 °С. Ресурс работы в гидроприводах достигает 2500 ч.
Таблица 3.12 – Технические характеристики масел
| Марка масла | Плотность при 200С, кг/м3 | Вязкость 106 м2/с | Температура 0С | Температурные пределы применения, 0С | Условия применения. | |
| При 400С | застывания | вспышки | ||||
| МГЕ-46В | 890 | 41,4-50,6 | -32 | 190 | -10…+80 | При положительных температурах |
| ВМГЗ | 860 | 10 | -60 | 135 | -40…+50 | При отрицательных температурах |
3.18.4 Выбор рабочего давления
При выборе рабочего, давления в гидросистеме следует учитывать следующие факторы:
-увеличение давления, по сравнению с оптимальным, приводит к увеличению массы гидрооборудования;
-при завышении давления снижается срок службы оборудования, понижается надежность;
-превышение давления может вызвать вибрацию и повышение износа уплотнительных узлов, что приводит к удорожанию эксплуатации;
-во всех случаях увеличение давления в рациональных пределах приводит к уменьшению удельных затрат на изготовление гидропривода, увеличению технико-экономических показателей.
Номинальное давление в гидроприводе выбирается по ГОСТ 12445-80. Величина давления связана с типом насоса и назначением гидропривода на машине (для выполнения вспомогательных и установочных движений или для привода рабочего оборудования). Например, в гидроприводах бульдозеров, скреперов, рыхлителей и т. д. обычно применяют шестеренные насосы с поминальным давлением 10, 16 и 20 МПа, в гидроприводах экскаваторов, погрузчиков, автокранов – аксиально-поршневые насосы с поминальным давлением 16, 20, 25, 32 МПа [1].
Принимаем номинальное давление в гидроприводе 16 МПа, как в системе машины СЧ-601.
3.18.5 Расчет мощности и производительности насосов
Максимальная мощность привода равна
3.18.6 Выбор распределителей
Тип и марку распределителей выбирают по номинальному давлению, подаче насоса и количеству гидродвигателей.
Для Рном=25МПа и Qh=296,25 л/мин принимаем трехпозиционный секционный, четырехлинейный блочный распределитель с электричёским управлением типа Р-32. Техническая характеристика данного распределителя приведена в таблице 3.
Таблица 3.14 – Техническая характеристика распределителя типа Р – 32.
| Условный проход, мм | Поток жидкости, л/мин | Давление, МПа | Допустимое давление на сливе, МПа | ||
| номинальный | максимальный | Номинальный | максимальный | ||
| 32 | 320 | 400 | 25 | 32 | 0,8 |
3.18.7 Расчет трубопроводов
Под гидравлическим расчетом трубопроводов понимают определение внутреннего диаметра трубы на основе рекомендованных значений скорости потока жидкости.
Рекомендованные значения скорости потока жидкости:
а) для всасывающего трубопровода – 0,8...1 м/с;
б) для сливного трубопровода – 1,4...2 м/с;
в) для напорного трубопровода – 3,6...4, 5 м/с.
Внутренний диаметр трубы и площадь ее поперечного сечения находят из уравнения неразрывности потока жидкости:
(3.31)
где - скорость потока жидкости, м/c
, (3.32)
где S – площадь поперечного сечения трубопровода, м2.
Для напорного трубопровода:
Принимаем =4,5 м/с,
В соответствии с ГОСТ 12447-80 принимаем dв=40 мм.
Для сливного трубопровода:
Принимаем v=1,8 м/с
В соответствии с ГОСТ 12447-80 принимаем dв=63 мм.
Уточняем действительные скорости потока жидкости по формуле:
(3.33)
где d – диаметр трубопровода, м
3.18.8 Выбор гидромотора
Определение параметров гидромотора
Рисунок 3.18 – Расчетная схема гидромотора
Рабочий объем гидромотора определим по формуле:
(3.34)
где Мм – крутящий момент на валу гидромотора, Н·м; рн – рабочее давление гидромотора. Па; гм – гидромеханический к.п.д. гидромотора, гм= 0,93
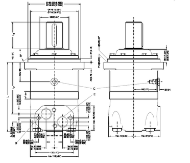
Принимаем орбитально-роторный гидромотор OMV 315 (рисунок 3.19). Его техническая характеристика представлена в таблице 3.15.
Рисунок 3.19 – Гидромотор орбитально-роторный OMV 315
Таблица 3.15 – Технические характеристики гидромотора OMV 315
| Рабочий объем, см3/об | Давление, МПа | Частота вращения, об/мин | Крутящий момент, развиваемый гидромотором, Н.м | КПД | ||||||
| номинальное | максимальное | номинальная | максимальное | Номинальный | максимальный | объемный | механический | |||
| 315,5 | 20 | 28 | 510 | 630 | 920 | 1110 | 0,95 | 0,93 | ||
4 Технологическая часть
4.1 Описание конструкции и назначение детали
Шестерня предназначена для передачи крутящего момента от вала гидромотора к опорно-поворотному устройству вращающей рукояти. В конструкции привода предусмотрены 2 шестерни. Приведем ниже расчет режимов механической обработки одной из них. Для получения данной детали выбираем заготовку из круглого проката стали 40 Х.
Рисунок 4.1 – Схема нумерации поверхностей
Производство единичное. Основными рабочими поверхностями являются поверхности 1и 3, остальные не являются рабочими, а образуют форму детали.
Размеры, необходимые для изготовления шестерни представлены на рисунке 4.2.
Рисунок 4.2 – Размеры шестерни
4.2 Маршрутизация технологического процесса изготовления шестерни
Последовательность изготовления детали:
1. Резка проката – газокислородная;
2. Фрезерование поверхностей 2 (с двух сторон);
3. Черновое точение поверхностей 2;
4. Чистовое точение поверхностей 2;
5. Сверление отверстия 3;
8. Фрезерование шлицев 3;
9. Точение фасок 4, 5;
10. Фрезерование зубьев 1.
4.3 Расчет режимов обработки
4.3.1 Расчет режимов фрезерования
Исходные данные для расчета:
-
станок – 6М82Г;
-
глубина резания – 0,1 мм;
Расчет начинается с определения знаменателя геометрической прогрессии:
для ступеней подач
, (4.1)
















