ПЗ (1222901), страница 9
Текст из файла (страница 9)
*Показывается верхняя желобчатая рядовая роликоопора в масштабе (1:4) (рисунок 3.12).
Рисунок 3.12 − Установка рядовых роликоопор на раме конвейера
*Откладывается расстояние А равное диаметру натяжного барабана А=400мм.
*Показывается нижняя рядовая роликоопора с лентой.
*Замеряется расстояние между кронштейнами и подбирается подходящий элемент.
В качестве рамы предварительно принимаются швеллеры с параллельными гранями полок по ГОСТ 8240-97 со следующими параметрами:
Рисунок 3.13 − Швеллер с параллельными гранями полок по ГОСТ 8240-97
Таблица 3.10 − Основные параметры швеллера
| Номер швеллера серии П | h | b | s | t | R | r | Площадь поперечного сечения F, см2 | Масса 1 м, кг | Справочные значения для осей | X0, см | ||||||||||||||||
| не более | Х-Х | Y-Y | ||||||||||||||||||||||||
| мм | Ix, см4 | Wx, см3 | ix, см | Sx, см3 | Iy, см4 | Wy, см3 | iy, см | |||||||||||||||||||
| 8П | 80 | 40 | 4,5 | 7,4 | 6,5 | 3,5 | 8,98 | 7,05 | 89,8 | 22,5 | 3,16 | 13,30 | 13,90 | 3,31 | 1,24 | 1,38 | ||||||||||
3.14.2Состовление расчетной схемы к тяговому расчету
*Без масштаба показывается трасса конвейера с нанесением направляющих устройств.
*Трасса разбивается на криволинейные и прямолинейные участки, точки их сопряжения нумеруются начиная с точки сбегания ленты с приводного барабана .
*На трассе показываются очистное устройство и загрузочное устройство, в этих местах местные сопротивления.
3.14.3Определение сопротивлений движению ленты
* Определение сопротивления от очистного устройства. Очистное устройство устанавливается в месте схода ленты с приводного барабана и прижимаются к ленте при помощи рычажного груза .
Так как данный груз не липкий принимается щеточное очистное устройство. Сопротивление от очистного устройства определяется по формуле:
(3.16)
где qщ – удельное сопротивления очитски, для щеточной очистки принимается qщ =200Н/м.
* Определяется сопротивление на отклоняющем барабане
Сопротивление на поворотном пункте определяется по формуле:
(3.17)
где Sнб – натяжение тягового органа в точке на барабан; kп – коэффициент увеличения натяжения тягового органа от сопротивлений на поворотном пункте.
Так как роликоопора отклоняющая угол обхвата меньше 90° принимается kп=1,02.
(3.18)
На участке 2-3 определяется распределенное сопротивление для холостой ветви.
(3.19)
где
− погонная масса вращающихся частей роликоопоры на холостой ветви;
− длина горизонтальной проекции холостого участка;
− погонная масса ленты;
− коэффициент сопротивления перемещения груза, зависящий от условий работы и типа роликовой опоры, т.к. условия работы конвейера тяжелые и роликоопора прямая, то принимается 0,03; Н – высота подъема груза.
(3.20)
где
− масса вращающихся частей одной роликоопоры;
− количество роликоопор на холостой ветви;
− длина холостого участка.
.
Поскольку H=0, то сопротивление на участке 2-3 определяется по формуле:
Участок 3 – 4 местное сопротивление.
На участке 3 − 4 лента огибает натяжной барабан на угол 180°, поэтому
=1,04. Натяжение на этом участке:
(3.21)
Определяется местное сопротивление в месте установки загрузочного устройства.
Поскольку участок загрузки по протяженности мал по сравнению с длинной конвейера, принимаем его по длине сведенным в точку 4´, совпадающую с точкой 4, так как участок расположен вблизи натяжного барабана.
Сопротивление в зоне загрузки 4'
, (3.22)
где
− сопротивление при сообщении поступающему по воронке грузу ускорения ленты,
,
− сопротивление от трения груза о неподвижные борта направляющего лотка.
, (3.23)
где
− коэффициент внешнего трения, согласно физико-механическим свойствам принимаем
=0,6;
− высота груза в лотке,
=0,3 h=0,09м (h-высота лотка);
− длина лотка;
− коэффициент бокового давления, равен 0,6.
,
− сопротивление от трения уплотнительных полос направляющего лотка о ленту конвейера.
,
,
Участок 4 − 5 имеет распределенное сопротивление движению ленты рабочей ветви конвейера. Определяется по формуле
, (3.24)
где ω − коэффициент сопротивления перемещения груза, зависящий от условий работы и типа роликовой опоры, т.к. условия работы конвейера тяжелые и роликоопора желобчатая, то принимается 0,03;
Lг –длина груженного участка; qг – погонная нагрузка от веса груза
(3.24)
qл – погонная масса выбранной ленты; qр – погонная масса вращающихся частей роликоопор груженной ветви конвейера.
, (3.25)
где
– масса вращающихся частей в роликовой опоре;
– количество роликовых опор на рабочей ветви;
– длина нагруженного участка.
кг/м
Поскольку H=0, то сопротивление на прямолинейном груженном участке 4–5:
Участок 5–1имеет местное сопротивление.
Так как барабан приводной угол обхвата 185° принимается kп=1,05.
3.14.4 Методика тягового расчета
Метод обхода трассы по контуру состоит в том, что натяжение в каждой последующей по ходу движения точке равное сумме натяжений в предыдущей точки и силы сопротивления на участке между ними.
(3.26)
Определение натяжений в характерных точках контура трассы конвейера начинается с точки 1, усилие в которой S1=Sсб пока не известно. Обходя последовательно контур от точки к точке по ходу движения ленты, выражаются натяжения в этих точках через неизвестное S1. Натяжение S1=S2 , так как на участке 1-2 не возникает сопротивлений.
Таким образом:
где A-числовой коэффициент от сопротивлений на барабанах; Б- числовой коэффициент на участках.
Для решения этого уравнения необходимо составить систему вторым уравнением в которой будет условие Эйлера.
где f – коэффициент трения между лентой и поверхностью приводного барабана, α – угол обхвата барабана лентой в радианах е = 2,72 – основание натуральных логарифмов.
Решив систему уравнений получим
Подставим значения S1, получим
Строим тяговую диаграмму выражающую закон изменения натяжения в ленте.
Рисунок 3.14 – Диаграмма выражающая закон изменения натяжения
Определяется окружная сила на приводном барабане с учетом сопротивлений.
,
3.15 Расчет привода
Проводится проверка предварительно выбранной ленты на прочность.
Необходимое число прокладок тягового каркаса.
(3.27)
Проверка выполняется, так как полученное количество прокладок меньше ранее принятого.
Выбор элементов привода конвейера.
Определяем необходимую мощность мотор-барабана.
(3.28)
.
3.16 Опорные металлоконструкции конвейера возврата чистого щебня
Жесткие ставы, состоящие из стального проката (уголки, швеллеры и др.) изготовляют отдельными секциями длиной 2 – 6 м, кратной шагу роликоопор. Опорные металлоконструкции подразделяются на следующие основные узлы: опору приводного барабана, секции средней части, опору натяжного устройства.
Однако в нашем случае конвейер должен быть цельнометаллический, выполненный в виде рамы из трубы стальной прямоугольной по ГОСТ 8645-68, включающий механизм поворота и конвейер возврата чистого щебня, кроме того, необходимо предусмотреть противовес и предложить вариант крепления этой конструкции к раме машины.
3.17 Выбор опорно-поворотного устройства
В качестве опор барабана рекомендуется использовать подшипники качения. При выборе подшипников необходимо учитывать:
— величину и направление нагрузки;
— характер нагрузки (постоянная, переменная, ударная);
— число оборотов подшипника;
— рабочие сроки подшипника (долговечность);
— другие требования определяемые конструкцией узла.
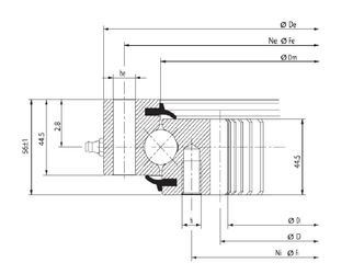
В качестве подшипника используем опорно-поворотное устройство RKS.062.20.0414 (рисунок 3.15), основные размеры и характеристики которого представлены в таблице 3.11.
Рисунок 3.15 – Устройство опорно-поворотное RKS.062.20.0414
Таблица 3.11 – Основные размеры и характеристики ОПУ RKS.062.20.0414
| Основные размеры, мм | Отверстия | Параметры зубчатого венца | Силы зацепления, кН | Масса, кг | Нагрузка, кН | |||||||||||||||
| De | Dm | Di | Fe | he | Fi | hi | D | Ne | Ni | m | Z | Норм | Макс | Динам. | Статич. | |||||
| 486 | 414 | 325 | 460 | 14 | 375 | М12 | 335 | 24 | 24 | 5 | 67 | 18 | 34 | 31 | 169 | 560 | ||||
3.18 Расчет гидравлической системы привода















