ПЗ (1222901), страница 7
Текст из файла (страница 7)
Таблица 3.3 – Показатели условий работы конвейера
| Показатель | Условия работы |
| тяжелые | |
| Время работы в сутки, ч | 12-18 |
| Насыпная плотность, т/м3 | 1,1-2 |
| Размер куска, мм | 60-120 |
| Абразивность и коррозионность | Средние |
| Влажность воздуха, % | 65-90 |
| Наличие в воздухе абразивной пыли, мг/м3 | 100-150 |
окончание таблицы 3.3
| Температура окружающего воздуха, °С | от -20 до +30 |
| Место установки конвейера и его характеристика | Работа в неотапливаемых помещениях с естественной вентиляцией, под навесами или легкими укрытиями с условиями близкими к условиям открытого воздуха, на открытом воздухе. Возможны большое количество абразивной пыли или повышенная влажность воздуха. Плохая доступность для обслуживания. |
3.3 Предварительное составление расчётной схемы конвейера
1 – приводной барабан; 2 – натяжное устройство; 3 – лента конвейера; 4 – загрузочное устройство; 5 – очистное устройство; 6– поддерживающие роликовые устройства; 7– груз
Рисунок 3.1 – Предварительная расчетная схема конвейера
3.4 Предварительный выбор тягового органа
Конвейерная лента – основной наименее долговечный и наиболее дорогостоящий элемент конвейера. Ленты должны обладать прочностью, гибкостью, и износостойкостью рабочей поверхности.
В соответствии с условиями работы конвейера, характеристиками перемещаемого груза (высокоабразивный, среднекусковой) и исходными данными принимается лента типа 2, подтип ленты 1.
Лента общего назначения, исходя из того, что груз не является высокотемпературным, самовозгораемым, не обладает химической и биологической активностью.
Лента типа 2.1 имеет резиновые обкладки рабочей и нерабочей поверхности, с резиновыми бортами, между тканевыми прокладками каркаса резиновые прослойки. Класс прочности по физико-механическим показателям для наружных обкладок ленты А.
Принимается каркас ленты, изготовленный из ткани с анидом типа TA с нитями основы и утка из синтетического волокна с прочностью прокладки по ГОСТ 20-85.
Прочность на разрыв для данной ленты будет равна
=100 Н/мм.
3.5 Определение расчетных параметров ленты
Определяется ширина ленты по производительности:
, (3.1)
где
− коэффициент, учитывающий уменьшение сечения груза на наклонном участке вследствие частичного скатывания груза в сторону, противоположную движению (так как угол наклона конвейера 0˚ и малая подвижность груза, то принимается, Кβ = 1);
− коэффициент типа роликовых опор, т.к. степень подвижности груза малая, то угол наклона роликов желобчатых опор α=20°, соответственно
= 640;
− скорость движения ленты;
− насыпная плотность груза, т\м3 .
Так как скорость ленты находится в пределах 0,5...1,8 м/с определим ширину ленты в крайних точках
;
.
Так как ширина ленты − параметр неизменный, дальнейшие расчеты ведем для В=700 мм.
3.6 Проверка ширины ленты по размерам кусков груза
, (3.2)
где x − коэффициент, зависящий от качественной характеристики груза (для рядового x
);
− размер наибольших кусков.
Bmin ≥ 2∙60+200=320 мм.
Из двух полученных значений по производительности и кусковатости груза ширина ленты округляется до ближайшего большего размера, предусмотренного
. По стандартному ряду принимается ширина ленты B=800 мм.
3.7 Предварительное определение мощности привода конвейера
, (3.3)
где Qрасч – расчетная массовая производительность, т/ч; Lг – длина горизонтальной трассы конвейера, м; H – высота подъёма груза, м;
– обобщенный коэффициент сопротивления движению для предварительного расчета, принимается
=0,65, т.к. дальность транспортирования лежит в пределах до 10 м (5м), а производительность равна 110 т/ч.
кВт.
Тяговое усилие на приводном барабане, Н
, (3.4)
где v – скорость движения ленты, м/c
Определяется натяжение ленты на приводном барабане:
(3.5)
где SНБ – усилие в набегающей на приводной барабан ветви ленты, Н; SСБ – усилие в сбегающей с приводного барабана ветви ленты, Н.
Усилие в набегающей ветви определяется исходя из теории работы фрикционных передач, через уравнение Эйлера:
(3.6)
Исходя из уравнений (3.5) и (3.6) выражается усилие в набегающей ветви являющейся максимальной (SНБ = Smax).
Таким образом
(3.7)
где
− тяговый фактор, принимается
=2,57, т.к. e = 2,72 – постоянная величина; f – коэффициент трения между лентой и поверхностью приводного барабана, принимается f = 0,3(стальной, гладкий, сухой или влажный, футерованный резиной барабан); α – угол обхвата барабана лентой, первоначально принимается α = 3,14, что соответствует углу обхвата 1800.
3.8 Предварительное определение числа прокладок тягового каркаса ленты
Потребное число прокладок тягового каркаса в резинотканевой ленте, исходя из условий прочности на разрыв, определяется по формуле:
, (3.8)
где
− максимально допустимая рабочая нагрузка одной тяговой прокладки каркаса ленты, Н\мм;
, (3.9)
где
− предел прочности ткани, кН; [n] – коэффициент запаса прочности ленты для горизонтальных конвейеров [n] =8.
Таким образом
Так как полученное число прокладок будет меньше минимального числа прокладок каркаса для данного типа ленты, то по ГОСТ 20 – 85 принимается лента с минимальным количеством прокладок i = 2.
3.9 Определение размерных и весовых параметров ленты
Толщина ленты определяется по формуле
, (3.10)
где
− толщина верхней рабочей защитной обкладки (таблица 3.4);
− толщина нижней обкладки (таблица 3.4);
− толщина одной прокладки тягового каркаса, для синтетической ткани типа ТА – 100, принимается
= 1,2 мм;
− число прокладок каркаса.
Таблица 3.4 − Толщина наружных обкладок резинотканевых лент общего назначения
Определяется масса одного погонного метра ленты, (кг/м), при её средней плотности равной 1000 кг/м3
(3.11)
3.10 Схема поперечного сечения данной ленты
1 – тяговый каркас из тканевых прокладок; 2 –резиновый борт; 3 – верхняя обкладка; 4 – нижняя обкладка; B–ширина;
- толщина ленты;
- толщина нижней обкладки;
- толщина верхней обкладки;
заполнитель из резино-каучуковой смеси.
Рисунок 3.2 – Конструкция и параметры резинотканевой ленты
Тогда лента будет иметь следующее условное обозначение: Лента 2.1 –800 – 2 – ТА – 100 – 5 – 2 –А – РБ ГОСТ 20 – 85*.
Согласно ГОСТ 20 – 85, лента конвейерная типа 2, подтип 2.1, общего назначения, шириной 800 мм, с 2 прокладками из ткани ТА – 100, с толщиной верхней рабочей обкладки 5 мм, и нижней – 2 мм из резины класса А, с резиновым бортами.
3.11 Выбор поддерживающих и направляющих устройств конвейера
3.11.1 Выбор направляющих устройств
Для резинотканевой ленты диаметр приводного барабана определяется по формуле
, (3.12)
где k' − коэффициент, зависящий от прочности тканевых прокладок ленты
т.к. σр= 100 Н/мм, k’=140; k" − коэффициент назначения барабана, для приводных барабанов k" = 1; i − число прокладок каркаса.
Согласно [1] для ленты шириной B = 800 мм выбирается мотор-барабан диаметром D = 325 мм. Однако такого диаметра недостаточно из-за не технологичности сборки. Принимаем мотор-барабан диаметром D = 420 мм.
Мотор-барабан (МБ) представляет собой механизм, включающий в себя встроенный электродвигатель, редуктор, клеммную коробку для подключения электропитания 3-х фазной сети.
Мотор-барабаны применяются в качестве приводов конвейеров различного назначения. Допускается как постоянная, так и переменная нагрузка в пределах допускаемого крутящего момента. Вращение барабана в любую сторону. Установка мотор-барабана − горизонтальная.
Преимущества и возможности мотор-барабана:
- малые габариты и вес, что удобно для применения в переносных и передвижных конвейерах;
- наружный корпус мотор-барабана полностью герметичен, что является необходимым требованием к эксплуатации механизмов в условиях повышенной влажности, агрессивности внешней среды, а также обеспечивает соблюдение необходимых норм при работе на предприятиях пищевой промышленности.
В данном случае необходимость применения мотор-барабана обусловлена ограниченными габаритными размерами компоновки конвейера возврата чистого щебня в путь.
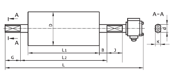
Рисунок 3.3 – Мотор-барабан МБ-4
Параметры и основные размеры приводного барабана сводятся в таблицу 3.5.
Таблица 3.5 – Параметры мотор-барабана МБ-4
| Вл, мм | Размеры, мм | Масса вращаю- щихся частей, кг | |||||||||
| D | L |
|
| d |
| G |
|
| |||
| 800 | 420 | 1190 | 950 | 1000 | 60 | 45 | 50 | 50 | 25 | 214 | |
3.11.2 Выбор типа натяжного устройства
Тип натяжного устройства определяется в соответствии с общим ходом натяжного устройства, который определяется по формуле:















