ПЗ (1214030), страница 12
Текст из файла (страница 12)
Интервал неодновременного прибытия
– минимальное время от момента прибытия поезда на раздельный пункт до момента прибытия или проследования через этот раздельный пункт поезда встречного направления.
Интервал неодновременного прибытия указан на рисунке 5.1
Рисунок 5.1. Интервал неодновременного прибытия с остановкой обоих встречных поездов и с остановкой одного поезда и проследования без остановки встречного поезда
На рисунке 5.2 указывается расположение поездов на раздельном пункте поперечного типа.
Рисунок 5.2. Схема расположения поездов на раздельном пункте поперечного типа
Продолжительность интервала неодновременного прибытия включает в себя время на выполнение технологических операций по контролю прибытия 1 поезда и время прохода встречным поездом расчетного расстояния.
Время, затрачиваемое на проход расчетного расстояния Lпр, мин.:
, (5.1)
где
- расчетное расстояние, м;
– скорость проследования поезда, км/ч.
Расчетное расстояние определяется по формуле, м:
, (5.2)
где lп – длина встречного поезда, м;
lв – расстояние, проходимое встречным поездом за время восприятия машинистом показания сигнала с момента его открытия, lв = 50 м;
– длина блок-участка, м;
lвх – расстояние от входного сигнала до ближайшего сигнала расположенного при входе на путь приема, м;
lпоп – длина приемо-отправочного пути, м;
Далее составляется технологический график расчета интервала неодновременного прибытия.
Расчет интервала неодновременного прибытия для станции Угловая:
-
время, затрачиваемое на проход расчетного расстояния Lпр, мин.:
мин.
-
расчетное расстояние определяется по формуле, м:
Полученное значение
округляется в большую сторону:
мин.
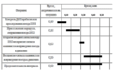
Технологический график расчета интервала неодновременного прибытия приведен на рисунке 5.3
Рисунок 5.3. Технологический график расчета интервала неодновременного прибытия
Так как на участке Угловая – Находка-Восточная существует однопутный участок Находка – Мыс Астафьева, рассчитывается интервал скрещения поездов.
Интервал скрещения
– минимальное время от момента прибытия или проследования поезда через раздельный пункт до момента отправления на тот же перегон поезда встречного направления. Интервал скрещения имеет разное значение при автоблокировке и полуавтоблокировке.
На участке от станции Находка до станции Рыбники используется полуавтоблокировка, расчеты выполняются отдельно для этого участка и отдельно для остального участка Крабовая – Мыс Астафьева, где используется автоблокировка.
На рисунке 5.4 указан интервал скрещения поездов с остановкой обоих встречных поездов и проследования без остановки одного встречного поезда.
Рисунок 5.4. Интервал скрещения: а – интервал скрещения с остановкой обоих встречных поездов, б – интервал скрещения с остановкой одного поезда и проследования без остановки встречного поезда
На рисунке 5.5 изображена схема расположения поездов на раздельном пункте.
Рисунок 5.5. Схема расположения поездов на раздельном пункте
Для определения значения интервала скрещения составляется технологический график расчета, указанный на рисунках 5.6, 5.7 для автоблокировки и полуавтоблокировки соответственно.
Рисунок 5.6. Технологический график расчета интервала скрещения поездов при автоблокировке
Полученное значение интервала скрещения
округляется в большую сторону:
мин.
Рисунок 5.7. Технологический график расчета интервала скрещения поездов при полуавтоблокировке
Полученное значение интервала скрещения составит
мин.
Для участка Находка – Рыбники необходимо рассчитать интервал попутного следования.
Интервал попутного следования
– минимальное время от момента прибытия или проследования поезда через раздельный пункт до момента отправления или проследования поезда попутного направления через соседний раздельный пункт.
Интервал попутного следования указан на рисунке 5.8
Рисунок 5.9. Интервал попутного следования
Расположение поездов на раздельных пунктах указано на рисунке 5.10.
Рисунок 5.10. Схема расположения поездов на раздельных пунктах
Интервал попутного следования определяется по формуле:
, (5.3)
где
– расстояние от середины поезда до оси станции, м;
– средняя скорость прохода поезда, км/ч;
– время на выполнение операций между станциями по движению поездов,
= 1 мин.
Расстояние от середины поезда до оси станции определяется по формуле:
, (5.4)
где
– полезная длина пути, м;
– длина входной стрелочной горловины, м;
– длина тормозного пути, м;
– расстояние, проходимое поездом за время восприятия показаний сигнала машинистом,
= 50 м;
– длина поезда, м.
Для станции Рыбники расстояние от середины поезда до оси станции составит:
Тогда интервал попутного следования составит:
= 3,04 ≈ 4 мин.
На двухпутных участках рассчитываются станционные интервалы попутного прибытия и попутного отправления поездов.
Интервал попутного прибытия поездов
при автоблокировке – это минимальное время от момента прибытия или проследования на станцию одного поезда до момента прибытия на эту же станцию другого поезда попутного направления.
Интервал попутного отправления поездов
при автоблокировке – минимальное время от момента отправления или проследования со станции одного поезда до момента отправления с этой же станции другого поезда попутного направления.
Данные интервалы указаны на рисунке 5.11.
Рисунок 5.11. Интервалы попутного прибытия и отправления поездов
Схема расположения поездов на раздельных пунктах указана на рисунке 5.12
Рисунок 5.12. Схема расположения поездов при интервале попутного прибытия (а) и отправления (б)
Время, затрачиваемое на проход расчетного расстояния Lпр, мин.:
, (5.5)
Расчетное расстояние для интервала попутного прибытия определяется по формуле, м:
, (5.6)
Расчетное расстояние для интервала попутного отправления определяется как, м:
, (5.7)
где
– длина пассажирского поезда, м.
Для определения интервала составляется расчет по технологическому графику.
Расчет интервала попутного прибытия для станции Угловая:
-
время, затрачиваемое на проход расчетного расстояния Lпр составит:
мин;
-
расчетное расстояние для интервала попутного прибытия составит
.
-
время, затрачиваемое на проход расчетного расстояния Lот составит:
мин;
-
расчетное расстояние для интервала попутного отправления составит:
5163 м
Расчет интервала попутного прибытия по технологическому графику указан на рисунке 5.13, интервала попутного отправления – на рисунке 5.14
Рисунок 5.13. Технологический график расчета интервала попутного прибытия
Рисунок 5.14. Технологический график расчета интервала попутного отправления
Полученное значение интервала попутного прибытия поездов составит
мин. Значение интервала попутного прибытия поездов составит
мин.
Для каждой станции рассчитываются станционные интервалы и сводятся в таблицу 5.2
Таблица 5.2
Станционные интервалы участка Угловая – Находка-Восточная
| Наименование раздельных пунктов | Интервал неодновременного прибытия, мин | Интервал скрещения, мин | Интервал попутного следования | Интервал попутного прибытия | Интервал попутного отправления | ||||
| оба с оста-новкой | второй на ходу | оба с оста-новки | оба на ходу | оба со стоян-кой | оба на ходу | оба со стоян-кой | оба на ходу | ||
| Мыс Астафьева | 10 | 5 | 1 | - | - | - | - | - | - |
| Крабовая | 4 | 2 | 1 | - | - | - | - | - | - |
| Рыбники | 7 | 4 | 2 | 6 | 5 | - | - | - | |
| Тихоокеанская | 6 | 4 | 2 | 6 | 2 | - | - | - | - |
| Бархатная | 5 | 2 | 2 | 4 | 2 | - | - | - | - |
| Порт Восточный | - | - | - | - | - | 4 | 5 | 7 | 5 |
| Находка-Восточная | - | - | - | - | - | 8 | 5 | 7 | 6 |
| Хмыловский | - | - | - | - | - | 3 | 2 | 5 | 5 |
| Находка | - | - | - | - | - | 7 | 5 | 6 | 5 |
| Кузнецово | - | - | - | - | - | 4 | 3 | 5 | 4 |
| Лозовый | - | - | - | - | - | 4 | 3 | 5 | 5 |
| Пост 132 км | - | - | - | - | - | 2 | 2 | 3 | 3 |
| Партизанск | - | - | - | - | - | 5 | 4 | 5 | 5 |
| Красноармейский | - | - | - | - | - | 4 | 5 | 5 | 5 |
| Фридман | - | - | - | - | - | 4 | 3 | 3 | 5 |
| Тигровый | - | - | - | - | - | 5 | 4 | 5 | 5 |
| Анисимовка | - | - | - | - | - | 4 | 3 | 5 | 3 |
| Новонежино | - | - | - | - | - | 5 | 3 | 5 | 5 |
| Смоляниново | - | - | - | - | - | 8 | 4 | 7 | 7 |
| Шкотово | - | - | - | - | - | 5 | 3 | 5 | 5 |
Окончание табл. 5.2
| Наименование раздельных пунктов | Интервал неодновременного прибытия, мин | Интервал скрещения, мин | Интервал попутного следования | Интервал попутного прибытия | Интервал попутного отправления | ||||
| оба с оста-новкой | второй на ходу | оба с оста-новки | оба на ходу | оба со стоян-кой | оба с оста-новкой | второй на ходу | оба со стоян-кой | ||
| Артем-Приморский III | - | - | - | - | - | 4 | 3 | 5 | 5 |
| Артем-Приморский II | - | - | - | - | - | 5 | 3 | 5 | 5 |
| Артем-Приморский I | - | - | - | - | - | 5 | 3 | 5 | 5 |
| Угловая | - | - | - | - | - | 5 | 4 | 5 | 4 |
-
Расчет межпоездных интервалов
Межпоездной интервал – это минимальное время, которым разграничивается поезда при следовании один за другим, используется на линиях, оборудованных автоблокировкой или полуавтоблокировкой при наличии путевых блок-постов.
















