Лекция 19 (1174047)
Текст из файла
20
Лекция № 19
Кузнечно-штамповочное отделение (общие положения). Компоновка площадей, на которых предполагается установить производственное оборудование, должна производиться по следующим признакам [2]:
1. Последовательность основных процессов изготовления поковок. Для сохранения общей поточности производства кузнечно-штамповочного цеха последовательность расположения обособленных участков его площадей должна находиться в соответствии с последовательностью технологических процессов.
2. Однотипность оборудования. Для однотипного оборудования отводятся обособленные площади, на которых это оборудование устанавливается по убывающей мощности, считая по направлению от склада металлов, т.е. на плане будут отдельные участки, занятые штамповочными молотами, ГКМ, КГШП и другим кузнечно-прессовым оборудованием.
3. Мощность оборудования одного типа, например, участок крупных молотов, участок мелких молотов и т.п. Это облегчит при необходимости переброску штампов с одного молота на другой ближайший по мощности.
Термический участок (отжиг, нормализация поковок) – отдельный участок. Как было сказано выше, для дипломного проекта условно принимаем две линии нормализации поковок (конвейерные печи сопротивления) и две печи (газовые, камерные) для отжига поковок.
Следующими по технологии идут участки доделочных операций: очистка поковок от окалины – изолированный (огороженный) участок и участок обрезки (холодной), прошивки, правки, чеканки.
Далее идет склад готовой продукции (поковок) и проезд для вывоза поковок из цеха.
Рассмотрим участки более подробно.
Участок горячей штамповки. Кузнечно-штамповочное оборудование в цехе может располагаться продольно пролету и поперек него. На рис.9, 10 [1], 11 [5] представлены схемы линий на базе КГШП для продольного и поперечного и расположения линий.
Рис.9. Продольное расположение линий на базе КГШП в однопролетном здании: 1 – индукционный нагреватель; 2 – ковочные вальцы; 3 – КГШП; 4 – обрезной пресс; 5 – тара для облоя; 6 – тара для поковок; 7 – мостовой кран.
При продольном расположении все технологическое оборудование устанавливается параллельно оси пролета. Технологические процессы направлены также вдоль оси пролета. При поперечном расположении оборудования технологическое оборудование размещается перпендикулярно оси пролета и технологические процессы направлены также перпендикулярно оси пролетов (а в целом по цеху – вдоль пролетов).
Рис.10. Схемы линий на базе КГШП: а – при поперечном расположении линий в пролете; б – при продольном расположении линий в пролете; 1 – индукционный нагреватель; 2 – транспортер; 3 – КГШП; 4 – обрезной пресс.
Рис.11. Планировка (компоновка) механизированной линии на базе КГШП с предварительной вальцовкой: 1 – заготовка; 2 – лоток накопитель; 3 – индукционный нагреватель; 4 – индуктор; 5 – склиз; 6 – транспортер; 7 – стол; 8 – КГШП; 9 – штамп; 10 – тара; 11 – педаль; 12 – приемник холодной заготовки; 13 – пневмотолкатель; 14 – пресс обрезной;
15 – ковочные вальцы; 16 – рабочий.
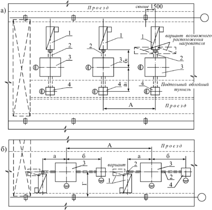
На рис.12 представлены схемы линий на базе ГКМ [1]. Около ГКМ с вертикальным разъемом матриц нагревательную установку следует размещать справа, а не слева, чтобы рабочему не приходилось делать лишних поворотов при подаче нагретых заготовок (прутков) в ГКМ. В определенных условиях возможен вариант размещения нагревательной установки слева.
Рис. 12. Схемы линий на базе ГКМ: а – фронт работы от проезда; б – фронт работы от стены или колонн; вариант 1 – сбор поковок в тару; вариант 2 – сбор поковок на общий пластинчатый транспортер; 1 – нагревательная печь (если заготовки мерной длины – индукционный нагреватель); 2 – ГКМ; 3 – транспортер; 4 – тара; 5 – пластинчатый транспортер.
Таблица 36
Линии на базе КГШП
| Сила пресса, МН | Расстояния, мм | ||||||||
| Коленчатый вал пресса | |||||||||
| Параллелен фронту пресса | Перпендикулярен фронту пресса | ||||||||
| 1 | 2 | 3 | 4 | 5 | 6 | 7 | |||
| Поперечное расположение линий в пролете* | |||||||||
| 10 16 25 40 63 | 4000 4500 6000 6500 7000 | 2500 3000 3500 4000 5000 | 4000 4000 4500 5000 6000 | 2500 2500 3000 3500 4000 | 7000 8000 9000 10000 12000 | - - - - - | |||
| Продольное расположение линий в пролете** | |||||||||
| 1 | 2 | 3 | 4 | 5 | 6 | 7 | |||
| 10 16 25 40 63 | 4000 4500 6000 6500 7000 | 2500 3000 3500 4000 5000 | 4000 4000 4500 5000 6000 | 2500 2500 3000 3500 4000 | 10500 11000 13000 15000 16000 | 6000 6000 6500 8000 10000 | |||
Примечания. 1. Размер Г дан для расположения индукционного нагревателя перпендикулярно оси пролета (показано сплошной линией); при расположении индукционного нагревателя параллельно оси пролета (показано штриховой линией расстояние Г должно быть увеличено в соответствии с габаритами нагревателя. 2. При включении в состав линии ковочных вальцов расстояния б, б1 и Г должны быть увеличены в зависимости от типа и габарита вальцов. 3. При использовании на линиях роботов их грузоподъемность должна составлять: для прессов силой 1025 МН – 10 кг, для прессов 4063 МН – 40 кг. * См. рис.9, а. ** См. рис.9, б.
Рис.13. Планировка (компоновка) линии горячей штамповки на ГКМ поковок с длинной осью: 1 – индуктор; 2 – конвейер; 3 – стол; 4 – штамп; 5 – боковой ползун; 6 – главный ползун;7 – ГКМ; 8 – склиз; 9 – тара; 10 – приямок; 11 – индуктор с автозагрузкой; 12 – клещи-перекладчик; 13 – загрузочное автоматическое устройство; 14 – рабочий.
На рис.13 представлена схема расположения нагревательного устройства слева от ГКМ, а также вариант автоматизации межоперационной передачи [5].
Таблица 37
Линии на базе ГКМ
Примечания. Размер А = 8200 мм при длине прутка до 6000 мм и А = 6200 мм при длине прутка до 1500 мм. * См. рис.12, а. ** См. рис.12, б.
Характеристики
Тип файла документ
Документы такого типа открываются такими программами, как Microsoft Office Word на компьютерах Windows, Apple Pages на компьютерах Mac, Open Office - бесплатная альтернатива на различных платформах, в том числе Linux. Наиболее простым и современным решением будут Google документы, так как открываются онлайн без скачивания прямо в браузере на любой платформе. Существуют российские качественные аналоги, например от Яндекса.
Будьте внимательны на мобильных устройствах, так как там используются упрощённый функционал даже в официальном приложении от Microsoft, поэтому для просмотра скачивайте PDF-версию. А если нужно редактировать файл, то используйте оригинальный файл.
Файлы такого типа обычно разбиты на страницы, а текст может быть форматированным (жирный, курсив, выбор шрифта, таблицы и т.п.), а также в него можно добавлять изображения. Формат идеально подходит для рефератов, докладов и РПЗ курсовых проектов, которые необходимо распечатать. Кстати перед печатью также сохраняйте файл в PDF, так как принтер может начудить со шрифтами.
















