2.6.4. Вероятностный метод планирования ИП (1086612), страница 5
Текст из файла (страница 5)
Rcij = Tpj – Tpi – tij.
Свободный резерв времени работы Rcij – это максимальный период времени, на который можно увеличить продолжительность работы или отсрочить ее начало, не изменяя при этом ранних сроков начала последующих работ, при условии, что начальное событие этой работы наступило в свой ранний срок.
Используя свободный резерв времени, ответственные исполнители могут маневрировать в его пределах сроками начала данной работы, ее окончания или ее продолжительностью. Это важное свойство свободного резерва времени должно учитываться исполнителями при автономном выполнении отдельно взятых работ, располагающих этим резервов.
Возможности смещения сроков начала и окончания каждой работы определяются с помощью ранних и поздних сроков наступления событий, между которыми выполняется данная работа:
Ранний срок начала работы
Трн ij = Трi
Поздний срок начала работы
Тпн ij = Тпj - tij
Ранний срок окончания работы
Тро ij = Трi + tij
Поздний срок окончания работы
Тпо ij = Тпj
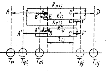
Графически резервы времени, сроки начала и окончания работ могут быть пояснены с помощью рис.2.12. Вдоль шкалы абсцисс на рис.2.12 расположены в масштабе времени возможные сроки наступления события i и события j. Между этими событиями, показанными в кружках, выполняется работа tij. Время работы меньше, чем период времени между поздним сроком наступления предшествующего события Tпi и ранним сроком наступления последующего события Tpj. Проведя вертикальные линии из точек возможного наступления событий и точек начала и окончания работы tij, получим отрезки AB, A′B, CD и CF, с помощью которых легко представить себе величины полного и свободного резерва времени работ.
R′ij = Tпj - Tпi - tij – частный резерв первого вида;
R′′ij = Tрj - Tпi - tij - частный резерв второго вида.
Рис.2.12. Резервы времени работы
Анализ и оптимизация сетевого графика. Анализ сетевого графика
Получение параметров сетевого графика позволяет перейти к следующему этапу сетевого планирования. На этом этапе, который раскрывает одну из основных идей СПУ, выполняется всесторонний анализ сетевого графика и предпринимаются меры для его оптимизации. Анализ сетевого графика, опирающийся на результаты расчетов, позволяет оценить целесообразность структуры графика, загрузку исполнителей работ на всех этапах выполнения проекта, возможность смещения начала работ некритической зоны.
Анализ имеет целью, в первую очередь, выявление возможностей сокращения сроков разработки в целом.
Определить степень сложности выполнения каждой группы работ некритического пути можно с помощью коэффициентов напряженности работ. Коэффициент напряженности работы - это соотношение продолжительностей несовпадающих, заключенных между одними и теми же событиями отрезков путей, одним из которых является путь максимальной продолжительности, проходящий через данную работу, а другим - критический путь.
Если совпадающую с критическим путем величину отрезка пути обозначить t′(Lкр), длину критического пути - t(Lкр), а протяженность максимального пути, проходящего через данную работу, - t(Lmax), то коэффициент напряженности работы ij (Kнij) будет равен:
Kнij = [t(Lmax) - t′(Lкр)] / [t(Lкр) - t′(Lкр)].
Чем выше коэффициент напряженности, тем сложнее выполнить данную работу в установленные сроки. И наоборот, чем меньше коэффициент напряженности, тем большими относительными резервами обладает данный путь в сети.
Расчет вероятности свершения события в заданный срок
На практике чаще всего пользуются методикой расчета вероятности свершения завершающего события в заданный срок (рк), основанного на учете работ критического пути.
Расчет вероятности свершения завершающего события в заданный срок оказывается тем более необходимым, когда установленный руководством директивный срок Тд оказывается меньше наиболее раннего срока свершения завершающего события Трк. В этих случаях приходится принять Тпк, т.е. наиболее поздний допустимый срок свершения завершающего события, равным директивному сроку.
Резервы времени событий критической зоны, а может быть и некоторых событий некритических путей оказываются отрицательными. Это означает, что события не могут свершаться в заданные сроки без сокращения продолжительности лимитирующих работ.
Предпосылкой для пересмотра продолжительности этих работ является расчет величины рк.
Дисперсия срока выполнения завершающего события Тк рассчитывается как сумма дисперсий всех работ, лежащих на критическом пути, по следующей теореме теорий вероятностей: дисперсия суммы независимых случайных величин равна сумме дисперсий слагаемых:
б2Тк = Σб2t ож.кр
Тк = Σ ti ож.кр
i кр
Тк = Σ tож ij
Ij Lкр.
Распределение величины Тк предполагается близким к нормальному. Тогда можно использовать “закон о трех сигмах” (3б) для расчета предела изменения величины ожидаемого срока свершения завершающего события. Пределы изменения величины ожидаемого срока свершения завершающего события равны (Тк - 3б) и (Тк + 3б). Очевидно, если заданный срок Тз Tк - 3б, то вероятность свершения конечного события в заданный срок равна 0, а при ТзTк+3б эта вероятность равна 1. Следовательно, имеет смысл рассматривать задачу лишь в случае, когда Tк - 3бTз Tк+ 3б.
Из статистики известно, что аргумент нормальной функции распределения вероятностей (функции Лапласа):
х
= (Тд –Тк )/ б2tож.кр
И вероятность свершения завершающего события в заданный срок находится по х из таблицы функции Лапласа:
| х | рк | х | рк |
| 0,0 0,1 …… 2,9 3,0 | 0,5000 0,5398 …… 0,9981 0,9987 | -3,0 -2,9 …… -0,1 -0,0 | 0,0013 0,0019 …… 0,4602 0,5000 |
Считается нормальным значение рк в пределах 0,35 рк
По данным практики выполнения работ по сетевым графикам при рк 0,65 можно утверждать, что на работах критического пути имеются избыточные ресурсы, следовательно, общая продолжительность работ может быть сокращена. При рк 0,35 опасность срыва заданного срока выполнения завершающего события настолько велика, что необходимо повторное планирование с перераспределением ресурсов. Если после неоднократного повторения процедуры не удается достичь желаемых результатов, то принимается решение о перенесении срока окончания работ.
Основы оптимизации сетевого графика
Оптимизация сетевого графика в зависимости от полноты решения задач может быть условно разделена на частную и комплексную. Видами частной оптимизации сетевого графика являются:
-
минимизация времени выполнения разработки при заданной ее стоимости;
-
минимизация стоимости всего комплекса работ при заданном времени выполнения проекта.
Комплексная оптимизация сетевого графика - это нахождение оптимума в соотношениях величин затрат и сроков выполнения проекта в зависимости от конкретных целей, ставящихся при его реализации. Решение задачи полной оптимизации всецело зависит от народнохозяйственной значимости и степени срочности выполнения комплекса работ. В одних случаях целесообразно значительное превышение затрат по сравнению с нормальными затратами в целях сокращения сроков, в других – превалирующей будет экономия затрат, а с некоторым увеличением сроков разработки можно мириться.
Полное решение всех трех сформулированных выше задач (минимизация сроков, минимизация стоимости, комплексная оптимизация) пока неизвестно. Методом последовательных итераций на основе симплекс-метода линейного программирования эти задачи получают приближенное, достаточное для практических целей решение.
Для выявления возможности сокращения времени разработки используют метод исследования ненапряженных путей. Этот метод может выполняться как без учета, так и с учетом влияния на стоимость разработки.
Метод анализа ненапряженных путей позволяет определить теоретически возможные величины сокращения времени выполнения работ, лежащих на критическом пути. Сокращения времени выполнения разработки можно добиться путем неограниченного расширения фронта работ критического пути и увеличения затрат. Тем не менее, даже таким образом не всегда оказывается реальным сократить сроки сверх определенных пределов.
Может быть рассмотрен вопрос и о переброске части ресурсов с работ ненапряженных путей на работы критического пути.
Сокращение затрат без изменения установленных сроков разработки может быть выполнено за счет выравнивания загрузки участников разработки с помощью смещения начала выполнения работ ненапряженных путей.
На сетевом графике можно по каждой работе показать не только ее длительность, но и потребность в рабочей силе.
Для исследования возможностей смещения начала работ во времени сетевой график преобразуется в т.н. «карту проекта » (календарный график). В «карте проекта » отражается не только календарное время, но и потребность в работниках. Такая картина может быть получена из обычной сети только после нахождения критического пути.
Произведем оценку потребного количества работников для выполнения каждой отдельной работы комплекса и покажем это на сетевом графике (см. рис.2.13).
Преобразуем этот сетевой график в календарный график («карту проекта»), используя данные, приведенные в таблице. Изобразим критический путь на графике (36 дней) жирной прямой линией по оси абсцисс в масштабе времени.
Тогда все остальные работы можно отложить выше и ниже критического пути. Пунктирные линии играют вспомогательную роль (соединение работы с событиями) и дают наглядное представление об имеющихся резервах времени. Если по каким-то причинам некритическая работа начинается не сразу после совершения предшествующего события, ее обозначают так, как показаны работы 2,7; 3,5 и 5,6. При отсутствии резерва они изображаются на карте вертикальной пунктирной линией.
















