Лекция_1 (1048769)
Текст из файла
СПИСОК РЕКОМЕНДОВАННОЙ ЛИТЕРАТУРЫ
-
Пановко Я.Г. «Введение в теорию механических колебаний»
-
Бидерман В.А. «Теория механических колебаний»
-
Тимошенко С.П. «Колебания в инженерном деле»
Лекция №1
Сегодня мы начинаем изучение нового для Вас курса «Динамика механических систем». Остановимся на самом понятии «динамика». Что это такое? Если использовать терминологию таких классических курсов как «Теоретическая механика» или «Теория механизмов и машин», то под этим термином подразумеваются разделы, изучающие законы изменения внешних и внутренних сил, действующих на какую-либо механическую систему при ее работе. Однако, в общем случае термин «динамика» имеет более широкий смысл и подразумевает изменение во времени любого параметра, характеризующего состояние того или иного физического тела. Так что все процессы, происходящие вокруг нас, носят динамический характер, так как все они развиваются во времени. Поэтому практически в любой науке есть разделы, изучающие развитие во времени тех или иных процессов, то есть их динамику.
Однако в нашем курсе мы значительно сузим круг задач, решаемых динамикой механических систем, и рассмотрим только их колебания, то есть будем изучать теорию колебаний механических систем.
Не будет, вероятно, большим преувеличением сказать, что среди процессов, протекающих в природе и технике, колебания занимают особое место. Не обходятся без них и гусеничные машины. Причем для них существует несколько форм колебаний, требующих пристального изучения. Это, прежде всего, колебания корпуса машины при движении по ровной дороге, не говоря уже о бездорожье. Далее весьма опасны так называемые крутильные колебания валов двигателя и агрегатов трансмиссии, возникающие в результате неравномерности работы двигателя и перематывания гусеничного обвода.
Однако все эти колебательные процессы Вы будете изучать в специальных курсах. Курс же «Динамика механических систем» относится к фундаментальным курсам. Поэтому мы будем изучать в нем наиболее общие подходы к решению задач и закономерностей колебаний механических систем.
Следует отметить, что, несмотря на кажущуюся простоту названия курса, теория колебаний механических систем включает в себя достаточно большое количество разделов, занимающихся изучением различных форм колебаний. В каждом из них решаются, как правило, три главные задачи:
-
Определение максимальных отклонений системы от положения равновесия.
-
Определение частоты колебаний системы.
-
Устойчивость колебательного процесса той или иной механической системы.
Первые две задачи позволяют перейти в дальнейшем к расчету конструкции на прочность, поскольку дают возможность определить максимальные напряжения и количество циклов. Третья задача позволяет ответить на вопрос о работоспособности конструкции с точки зрения ее функционального назначения.
В теории колебаний механических систем выделяют два достаточно больших и самостоятельных раздела: свободные колебания и вынужденные колебания.
В первом разделе изучается движение системы под действием только внутренних сил, которые определяются параметрами движения этой системы. В общем случае к этим силам можно отнести следующие:
-
силы инерции;
-
восстанавливающие силы;
-
диссипативные силы.
Если все перечисленные силы линейно зависят от параметров движения, то такая система называется линейной. Если хотя бы одна из сил имеет нелинейную зависимость, то система будет нелинейной. В общем случае практически все механические системы являются нелинейными. Однако принятие ряда допущений позволяет многие из них рассматривать как линейные.
Примеры свободных колебаний:
Во втором разделе изучаются колебания механических систем, вызываемые и поддерживаемые вынуждающими силами, то есть внешними силами, заданными в виде явных функций времени и не зависящими от параметров движения системы:
Кроме того, существует раздел, изучающий параметрические колебания, возникающие в системах, параметры которых заданным образом периодически изменяются во времени:
Ярким примером параметрических колебаний можно считать раскачивание качелей, которое происходит за счет периодического изменения положения центра масс системы. Следует отметить, что необходимым условием для возникновения параметрических колебаний является наличие хотя бы малейшего отклонения системы из положения равновесия. Если такого не будет, то никакое изменение параметров системы не приведет к возникновению колебаний. Главной задачей, которую решают при исследовании параметрических колебаний, является определение условий, при которых колебания становятся неустойчивыми.
Другой раздел теории механических колебаний изучает автоколебания. Это незатухающие колебания, поддерживаемые за счет энергии, которая подводится к системе от источников неколебательного характера. Классическим примером автоколебательной системы может служить груз, находящийся на транспортере:
Еще одним примером автоколебательной системы могут служить механические часы: там к маятнику постоянно подводится энергия упругой пружины. Кроме того, самый простой и наглядный пример автоколебаний – колебания веток деревьев под действием ветра.
Существует довольно большой раздел, занимающийся изучением колебаний механических систем при случайном воздействии на них. Очевидно, к задачам этого раздела относятся и задачи расчет колебаний корпуса машины, движущейся по профилю со случайными параметрами.
Кроме того, имеется раздел, в котором изучается поведение механической системы при ударном воздействии на нее. Как видно, и этот раздел имеет непосредственное отношение к нашей специальности.
Помимо перечисленных разделов, курс теории колебаний механических систем разделяется на три независимых части по признаку числа степеней свободы:
-
Системы с одной степенью свободы:
-
Системы с конечным числом степеней свободы;
системы с двумя степенями свободы:
системы с тремя степенями свободы:
-
Системы с бесконечным числом степеней свободы или системы с распределенными параметрами.
Вот и все, что касается разделов и построения курса теории колебаний механических систем. Теперь остановимся на последовательности решения задачи колебаний механической системы.
Составление физической модели
Любая реальная механическая система состоит из бесконечного числа материальных точек. Так как связи между ними не являются абсолютно жесткими, то число степеней свободы такой системы бесконечно велико. Однако в зависимости от постановки задачи и требуемой точности можно ограничить число учитываемых степеней свободы, выбирая в качестве расчетной схемы реальной механической системы систему, обладающую несколькими или даже одной степенью свободы. Часто в реальных конструкциях можно выделить массивные элементы, деформацией которых можно пренебречь, и упругие элементы, массу которых можно не учитывать. В этом случае расчетная схема представляется рядом жестких массивных тел, соединенных упругими связями.
Так в качестве примера рассмотрим массивную балку, опирающуюся на две шарнирные опоры:
В первом приближении при исследовании ее можно представить в виде одномассовой системы с одной степенью свободы:
То есть вся масса балки сосредоточена в одной точке и она соединена с шарнирными опорами посредством невесомых пружин. Такое представление балки является весьма грубым, однако неоспоримым достоинством такого моделирования является простота дальнейшего решения. Правда, результат будет довольно приближенным, но позволяющим приближенно оценить параметры колебательного движения балки.
Более точный результат можно получить, если представить балку как многомассовую систему с несколькими степенями свободы:
В данном случае получились две степени свободы. Получаемое решение будет уже более близко к точному. Но здесь возникают и свои сложности: неясно, как разбить массу балки.
Более точное решение можно получить, если представить балку как систему с распределенными по всей длине параметрами. В этом случае решение задачи усложняется.
Таким образом, в заключение можно отметить, что выбор расчетной схемы и есть процесс составления физической модели.
Составление математической модели
Следующим шагом в направлении решения задачи является составление математической модели, то есть уравнений, описывающих движение системы в любой момент времени.
Наиболее универсальным для этого является уравнение Лагранжа II-го рода, которое для системы с i степенями свободы имеет вид:
t – текущее время;
Т – кинетическая энергия системы, определяемая как обобщенными координатами, так и обобщенной скоростью;
U – потенциальная энергия системы, определяемая только обобщенными координатами;
и
- обобщенные координаты и скорости системы;
– обобщенная сила, действующая в направлении обобщенной координаты и определяемая обобщенными координатами, скоростями и временем.
Иногда для получения математической модели используют квазистатические методы, основанные на изменении принципа Д’Аламбера. В этом случае рассматривается равновесие системы с приложенными к ней силами инерции:
– сила, приложенная к i-й массе системы.
Следует отметить, что с квазистатическим способом следует обращаться очень аккуратно, и использовать его только в тех случаях, когда Вы на все 100% уверены в том, что знаете все силы, действующие на систему.
Теперь рассмотрим два примера, на которых поясним вышесказанное.
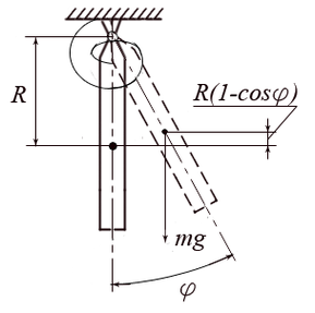
Пример 1.
Д
ля заданной системы составить дифференциальное уравнение движения. Трением в системе пренебречь.
Уравнение Лагранжа II-го рода
В качестве обобщенной координаты удобнее выбрать угол отклонения стержня от положения равновесия – угол φ. В этом случае, используя известные из курса «Теоретической механики» зависимости, можно определить кинетическую и потенциальную энергии системы.
Кинетическая энергия определяется только угловой скоростью поворота стержня:
Характеристики
Тип файла документ
Документы такого типа открываются такими программами, как Microsoft Office Word на компьютерах Windows, Apple Pages на компьютерах Mac, Open Office - бесплатная альтернатива на различных платформах, в том числе Linux. Наиболее простым и современным решением будут Google документы, так как открываются онлайн без скачивания прямо в браузере на любой платформе. Существуют российские качественные аналоги, например от Яндекса.
Будьте внимательны на мобильных устройствах, так как там используются упрощённый функционал даже в официальном приложении от Microsoft, поэтому для просмотра скачивайте PDF-версию. А если нужно редактировать файл, то используйте оригинальный файл.
Файлы такого типа обычно разбиты на страницы, а текст может быть форматированным (жирный, курсив, выбор шрифта, таблицы и т.п.), а также в него можно добавлять изображения. Формат идеально подходит для рефератов, докладов и РПЗ курсовых проектов, которые необходимо распечатать. Кстати перед печатью также сохраняйте файл в PDF, так как принтер может начудить со шрифтами.















