Лекция_7 (1048780)
Текст из файла
Лекция 7.
Супергармонические колебания
В некоторой технической литературе колебания нелинейной системы с высшими гармониками называются еще ультрагармоническими.
Для того, чтобы отразить в решении супергармонические колебания, будем искать временную функцию
в виде суммы соответствующих гармоник. Для симметричной характеристики восстанавливающей силы оно может быть записано в следующем виде:
То есть, изменение обобщенной координаты во времени будет иметь некоторый периодический закон с периодом, равным периоду первой гармоники.
Периодическое изменение обобщенной координаты приведет, однако, к периодическому закону изменения восстанавливающей силы во времени. Причем периоды этих двух функций будут одинаковыми. Это обстоятельство позволяет разложить нелинейную зависимость восстанавливающей силы в ряд Фурье:
где
и коэффициенты разложения в ряд Фурье
.
Теперь потребуем, чтобы записанное выше решение дифференциального уравнения удовлетворяло его:
Для того, чтобы полученное равенство тождественно удовлетворялось, необходимо потребовать равенство коэффициентов при одинаковых гармониках, стоящих слева и справа:
Таким образом, мы получили i уравнений относительно такого же количества неизвестных амплитуд
. Решение этой системы уравнений и позволяет определить эти неизвестные величины.
Определим амплитуды колебаний нелинейной системы с кубической зависимостью восстанавливающей силы:
При решении задачи ограничимся только двумя первыми гармониками, то есть
В этом случае:
Коэффициенты разложения в ряд Фурье:
Из условия равенства коэффициентов при одинаковых гармониках имеем:
или:
Решение полученной системы уравнений относительно неизвестных
и
представляет достаточно сложную задачу. Однако, на сегодняшний день разработаны численные методы, позволяющие решить записанную систему уравнений с помощью ЭВМ.
Субгармонические колебания
Так же, как и в предыдущем случае, рассмотрим систему с симметричной характеристикой восстанавливающей силы. Положим, что на основную гармонику накладываются гармоники с частотами
, где
. Для простоты исследования рассмотрим основные колебания совместно только с первой субгармоникой, то есть:
В этом случае система будет совершать периодические колебания с периодом, равным периоду низшей гармоники
. Закон изменения восстанавливающей силы во времени также будет периодическим и с тем же периодом
. Это обстоятельство позволяет разложить функцию
в ряд Фурье. Ограничиваясь только двумя первыми гармониками, получим:
где
Далее, поступая точно так же, как и для супергармонических колебаний, снова получаем систему двух нелинейных алгебраических уравнений с двумя неизвестными амплитудами
и
.
Исследования субгармонических колебаний показали, что в системах с жесткой (мягкой) характеристикой они возможны лишь при достаточно больших (малых) значениях возбуждающей частоты
. Однако, если субгармонические колебания возникают, то их амплитуды могут значительно превосходить амплитуды основных колебаний.
Появление в системе диссипативных сил приводит не только к значительному уменьшению амплитуды субгармонических колебаний, но и, в некоторых случаях, к их полному подавлению.
Параметрические колебания
Прежде чем приступить к исследованию такого вида колебаний, рассмотрим предварительно несколько примеров, в которых возникающие колебания обусловлены изменениями параметров системы.
Пусть к некоторой балке приложена горизонтальная сила
, изменяющаяся по некоторому временному закону. При малых отклонениях балки от положения равновесия на угол
на нее действуют момент сил упругости пружин
и момент от продольной силы
. Таким образом, используя квазистатический метод, получим дифференциальное уравнение движения балки:
где
момент инерции балки относительно ее точки опоры.
Как видим, в полученном уравнении коэффициент обобщенной жесткости является функцией как конструктивных параметров системы, так и времени:
В
о втором примере пусть точка подвеса маятника совершает вертикальные перемещения по некоторому закону
. Тогда, используя квазистатический метод, составим уравнение движения маятника. Для этого определим сумму моментов, действующих на систему относительно точки подвеса маятника:
Таким образом, коэффициент обобщенной жесткости
так же, как и в предыдущем случае, является функцией конструктивных параметров системы и времени.
Итак, колебания механической системы, возникающие в результате изменения во времени коэффициента обобщенной жесткости, называются параметрическими. Если внимательно проанализировать рассмотренные два примера, то можно прийти к выводу, что необходимым условием возникновения параметрических колебаний является наличие отклонения системы от положения равновесия. Если такого не будет, то, как бы мы ни изменяли силу
, приложенную к балке, или положение точки подвеса маятника, никаких колебаний без начального отклонения системы от положения равновесия не возникнет.
Используя дифференциальные уравнения движения систем в рассмотренных примерах, можно записать уравнение параметрических колебаний любой механической системы в общем виде:
Особый интерес представляют параметрические колебания системы в случае периодического изменения во времени коэффициента обобщенной жесткости, когда
, где T – период изменения обобщенной жесткости системы. При этом амплитуда таких колебаний может либо оставаться постоянной, либо неограниченно возрастать. Во втором случае, очевидно, речь можно вести о резонансных режимах движения системы. Эти режимы в теории колебаний называют параметрическим резонансом. Основной задачей исследования параметрических колебаний и является выявление режимов параметрических резонансов.
Итак, займемся сначала исследованием консервативной механической системы. Приведем записанное выше дифференциальное уравнение к виду:
Следует, однако, отметить, что получить решение исходного дифференциального уравнения при произвольной периодической функции
невозможно. Это уравнение решается только в двух случаях: при изменении функции
по закону прямоугольного синуса и по закону тригонометрического синуса.
Параметрическое возбуждение по закону прямоугольного синуса
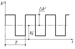
Пусть функция
изменяется по закону прямоугольного синуса с периодом T:
В этом случае исходное дифференциальное уравнение можно записать в следующем виде:
На каждом полупериоде движения системы
дифференциальное уравнение имеет постоянные коэффициенты и его можно разбить на два уравнения:
Решение каждого из этих двух уравнений имеет хорошо известный вам вид:
Итак, в полученном решении имеются четыре постоянные интегрирования:
, для определения которых необходимо составить 4 уравнения.
Два уравнения отыскиваются сравнительно просто из условий стыковки решений при
:
.
Или:
Для составления еще двух уравнений запишем следующие соотношения:
где
– некоторая неизвестная пока величина.
Принятое условие предполагает, что за один период обобщенная координата и обобщенная скорость системы изменяются в
раз. При этом в случае
колебания на каждом периоде будут усиливаться и можно говорить о параметрическом резонансе. При
колебания будут затухающими и не представляющими опасности. В случае
колебания системы будут установившимися.
Таким образом, на основании принятых условий можно записать:
В итоге наших рассуждений мы получили четыре алгебраических уравнения с четырьмя неизвестными величинами:
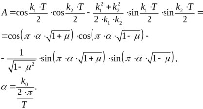
Из курса математики известно, что для получения нетривиального решения, то есть решения, отличного от нуля, необходимо, чтобы определитель, составленный из коэффициентов при неизвестных, был равен нулю:
Раскрыв этот определитель, получим квадратное уравнение относительно неизвестной величины
:
где
Записанное уравнение будет иметь следующие корни:
Очевидно, что для того, чтобы числа
и
были вещественными, как это мы предполагали по смыслу решаемой задачи, должно быть
, то есть либо
и тогда
, либо
и тогда
.
Из этого следует, что, если условие
выполняется, то колебания будут носить расходящийся характер. Таким образом, это условие является условием возникновения параметрического резонанса.
Коэффициент A зависит от двух параметров системы:
и
, это означает, что их значения полностью определяют устойчивость системы.
Для нахождения значений
и
, при которых система устойчива, используют диаграмму устойчивости, которая строится в координатах
.
В незаштрихованных областях значения параметров
и
таковы, что условие
выполняется, то есть система неустойчива. Заштрихованные области диаграммы соответствуют устойчивым состояниям системы.
Характеристики
Тип файла документ
Документы такого типа открываются такими программами, как Microsoft Office Word на компьютерах Windows, Apple Pages на компьютерах Mac, Open Office - бесплатная альтернатива на различных платформах, в том числе Linux. Наиболее простым и современным решением будут Google документы, так как открываются онлайн без скачивания прямо в браузере на любой платформе. Существуют российские качественные аналоги, например от Яндекса.
Будьте внимательны на мобильных устройствах, так как там используются упрощённый функционал даже в официальном приложении от Microsoft, поэтому для просмотра скачивайте PDF-версию. А если нужно редактировать файл, то используйте оригинальный файл.
Файлы такого типа обычно разбиты на страницы, а текст может быть форматированным (жирный, курсив, выбор шрифта, таблицы и т.п.), а также в него можно добавлять изображения. Формат идеально подходит для рефератов, докладов и РПЗ курсовых проектов, которые необходимо распечатать. Кстати перед печатью также сохраняйте файл в PDF, так как принтер может начудить со шрифтами.















