АСУ13Т1 (991599), страница 2
Текст из файла (страница 2)
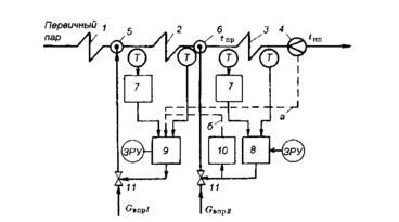
Схема автоматической системы регулирования температуры теплоносителя одного из циркуляционных контуров установки для получения пара с двумя впрысками изображена на рис. 13.5. Введение дополнительного входного сигнала по заданию (расходу пара — линия а) для регулятора 9, первого по ходу пара впрыска, позволяет поддерживать температуру пара на выходе промежуточной ступени пароперегревателя в соответствии с тепловой нагрузкой агрегата. Переменный сигнал по заданию может быть сформирован и по положению регулирующего органа регулятора, второго по ходу пара впрыска (линия б). В этом случае сигнал от датчика положения исполнительного механизма поступает на вход вспомогательного корректирующего регулятора, а с его выхода — на вход регулятора первого впрыска.
Рис. 13.5. Схема автоматической системы регулирования температуры первичного пара
1 — 3 — ступени пароперегревателя, 4 — сужающее устройство; 5,6— пароохладитель; 7 -- дифференциатор; 8 — регулятор температуры перегрева первичного пара на выходе когла; 9 — предвключенный регулятор температуры перегрева пара; 10 — вспомогательный корректирующий регулятор, 11- регулирующий клапан
















