ВС и МПТ (775155), страница 4
Текст из файла (страница 4)
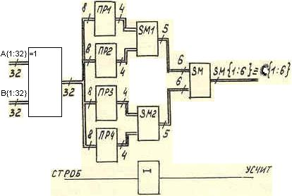
C{1:6}
ППЗУ
A{1:32}
B{1:32}
СТРОБ УСЧИТ
Объем ПЗУ для вычислителя с параллельной работкой разрядов будет
VПЗУ = 232 * 6 (бит) = 25769803776 (бит) 25,8 (Гбит).
Для построения сумматоров SM1 и SM2 воспользуемся микросхемой
К155ИМ3 (4-разрядный сумматор), а для построения сумматора SM – микросхемами К155ИМ3 и К155ИМ2 (К155ИМ2 — 2-разрядный сумматор). Задержка в формировании выходного сигнала этими сумматорами составляет не более 40 нс.
Преобразователи кодов ПРi являются нестандартными устройствами. Анализ показывает, что использование логических элементов (элементов с "жесткой" структурой) приводит к очень объемной реализации. Поэтому, используют программируемые структуры — электрически программируемые постоянные запоминающие устройства (ППЗУ) или программируемых логических матриц. Первая структура более доступна, поэтому будем
использовать микросхему КР556РТ4. Эта микросхема совместима с ТТЛ-элементами (ТТЛ - транзисторно-транзисторная логика) и обеспечивает задержку не более 70 нс. Программирование этого ППЗУ будем проводить по таблице истинности функции преобразования 8-разрядного кода в 4-разрядный.
Проектируемое устройство строится на 16-ти корпусах микросхем: по
восемь микросхем К155ЛП5, по четыре микросхемы КР556РТ4, по три
микросхемы К155ИМ3 и одна микросхема К155ИМ2.
Таблица истинности.
| C0 | C1 | C2 | C3 | C4 | C5 | C6 | C7 | D0 | D1 | D2 | D3 | |
| 0 | 0 | 0 | 0 | 0 | 0 | 0 | 0 | 0 | 0 | 0 | 1 | |
| 1 | 0 | 0 | 0 | 0 | 0 | 0 | 0 | 1 | 1 | 1 | 0 | |
| 0 | 1 | 0 | 0 | 0 | 0 | 0 | 0 | 1 | 1 | 1 | 0 | |
| 1 | 1 | 0 | 0 | 0 | 0 | 0 | 0 | 0 | 1 | 1 | 0 | |
| - | - | - | - | - | - | - | - | - | - | - | - | |
| 1 | 1 | 1 | 1 | 1 | 1 | 1 | 1 | 0 | 0 | 0 | 0 |
Оно может использоваться в системах, в которых допустимое время формирования выходного кода не превышает 180 нс:
= (AB) +(ППЗУ) + (SM1,SM2) + (SМ) = К155ЛП5) + (КР556РT4) + + (К155ИМ3) + (К155ИМ3 + К155ИМ2) = 30 + 70 + 40 + 40 = 180 нс.
Построение устройства в виде микропроцессорного вычислителя, работающего на языке “Ассемблер”.
Микропроцессорный вычислитель имеет стандартную структуру. Поэтому, его схему строить не надо. Единственной задачей остается
создание программируемого контроллера интерфейса, обеспечивающего
подключение к вычислителю источника и потребителя информации,
управляющей программы обмена контроллера, называемой драйвером, и
обрабатывающей программы.
В отличие от рассмотренных ранее вариантов построения преобразо-вателя в виде самостоятельного устройства, для микропроцессорного варианта подсчет числа совпадений входных кодов A{1:32} и B{1:32} осуществляется с помощью обрабатывающей программы. Поэтому ее написание и отладка является важным этапом в построении устройства.
Разработка обрабатывающего алгоритма.
0
1
0
1
0
1
Сч_байт = n (РОН B)
Сч_ед = 0 (РОН С)
Инициализация данных
Акк = байт А
[сч_байт]
Акк = Акк байт B
[сч_бит]
Флаг C = бит Акк
При составлении алгоритма учтем, что микропроцессорный вычислитель имеет байтовую организацию памяти и 8-разрядную шину данных. Обобщим исходную задачу, положив, что входные коды, число совпадений которых подсчитывается после размещения его в памяти, занимает массив из n байтов.
Схема алгоритма изображена выше. Алгоритм включает в себя два цикла: подсчет количества совпадений счетчиком единиц СЧ ЕД в текущем байте и накопление количества совпадений в регистре C при просмотре всех байтов. Входные коды размещаются в массиве БАЙТ ДАННЫХ. Положение текущих байтов в массиве определяется счетчиком байтов СЧ БАЙТ. Положение текущего бита каждого из байтов, предварительно помещенного в аккумулятор, определяется счетчиком бит СЧ БИТ.
Программа, реализованная по данному алгоритму, представлена ниже. Просмотр битов текущего байта осуществляется путем сдвига аккумулятора, при этом анализируемый бит кода формирует значение признака переноса C. Окончание просмотра байтов кода завершается, когда обнуляется счетчик байтов, расположенный в регистре B. Программа загружается в ОЗУ по адресу 0800.
Программа на языке “Ассемблер”.
ORG 0800H {программа загружается в ОЗУ по адресу 0800}
XRA A {очистка аккумулятора}
MOV C, A {очистка счетчика единиц}
LXI H, QBITES {в регистровую пару H записывается адрес ячейки QBITES}
MOV B, M {загрузка в регистр B числа байтов во входном коде}
LXI H, DATA1 {загрузка адреса первого байта из ячейки DATA1 в регистр HL}
LXI D, DATA2 {загрузка адреса первого байта из ячейки DATA2 в регистр DE}
M1 MOV A, M {данные регистра HL переписываются в аккумулятор – загрузка
текукщего байта в аккумулятор}
XCHG {обмен данными между регистрами HL и DE}
XRA M {операция “исключающее или” аккумулятора и ячейки ОЗУ с
адресом DE}
INX H {увеличение содержимого регистровой пары HL на 1 – подготовка
следующего байта}
INX D {увеличение содержимого регистровой пары DE на 1 – подготовка
следующего байта}
CMA {команда дополнения (инверсии) содержимого аккумулятора}
M2 ADD A {содержимое аккумулятора складывается само с собой (удваивается)}
JNC M3 {переход к метке M3}
INX B {увеличение содержимого регистра C на 1}
M3 JNZ M2 {переход к метке M2}
DCR B {уменьшение содержимого регистра B на 1}
JNZ M1 {переход к метке M1}
LXI H, RES {в регистр HL записывается адрес ячейки RES, где будет храниться
результат}
MOV M, C {данные из регистра С помещаются в память – запись результата}
HLT {конец}
Список литературы.
-
Мельников Б.С, Щеглов А.В. Методические указания к курсовой работе по дисциплине «вычислительные системы и микропроцессорная техника». – М.: МАИ, 1991.
-
Лекции и семинары по курсу “Вычислительные системы и микропроцессорная техника”.
-
Цифровые интегральные микросхемы: Справочник /
М. И. Богданович и др. – Мн.: Беларусь, 1991.
-
Интегральные микросхемы: Справочник / Под ред. В. В. Тарабрина. – М.: Радио и связь, 1984.
-
Караваев А.П., Мельников Б.С, Щеглов А.В. Изучение аппаратных и программных средств микропроцессорных вычислителей на базе микропроцессора КР580ВМ80А. – М.: МАИ, 1994.
-
Караваев А.П., Мельников Б.С, Щеглов А.В. Лабораторные работы «программные средства организации данных, ввода-вывода и прерываний микропроцессора КР580ВМ80А» по курсу «вычислительные системы и микропроцессорная техника». – М.: МАИ, 1993.
24















