ВС и МПТ (775155), страница 2
Текст из файла (страница 2)
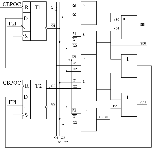
Т.к. используется D – триггер, то Qn+1 Dn.
Q1n+1 = f1 (P,Q1,Q2) = D1
Q2n+1 = f2 (P,Q1,Q2) = D2
Q1n+1 = (Q1 * Q2 * P2 + Q1 * Q2 * P2 + Q1 * Q2)n =
= (Q1 * Q2 + Q1 * Q2)n = Q2n D1n
Q2n+1 = (Q1 * Q2 * P1 + Q1 * Q2 * P2 + Q1 * Q2 * P2 + Q1 * Q2 * P3)n =
= (Q1 * Q2 * P1 + Q1 * Q2 + Q1 * Q2 * P3)n D2n
Функция внешних переходов.
Определим четыре управляющих сигнала.
УЭ1 = Q1 * Q2 * P1
УСЛ = Q1 * Q2 * P2
УЭ2 = Q1 * Q2
УСЧИТ = Q1 * Q2 * P3
Функциональная схема управляющего автомата приведена ниже, сигнал СБРОС является установочным и формируется при включении питания или от кнопки.
Управляющий автомат с программируемой логикой.
Составим каноническую форму микропрограммы синтезируемого операционного устройства в виде таблицы:
| Номер | Метка | Управляющие сигналы | Переход |
| 0 1 2 3 4 5 6 7 | М1 М2 М3 | УЭ1 УСЛ УЭ2 УСЧИТ | если Р1, то М1 если Р2,то М3 если Р3, то М2 идти к М1 (конец) |
В случае принудительной адресации строки 6 и 7 можно объединить. Тогда каноническая форма операционного описания будет на одну строку короче.
Управляющий автомат с принудительной адресацией.
| Номер | Метка | Управляющие сигналы | Переход |
| 0 1 2 3 4 5 6 | М1 М2 М3 | УЭ1 УСЛ УЭ2 УСЧИТ | если Р1, то М1 если Р2,то М3 если Р3, то М2 идти к М1 (конец) |
Формат команды с принудительной адресацией.
| Код операции | Маска признаков | Адрес | ||||||||
| МК | УЭ1 | УСЛ | УЭ2 | УСЧИТ | MP1 | MP2 | MP3 | A2 | A1 | A0 |
Кодирование ПЗУ.
| Метка | Адрес | Разряды микрокоманд | ||
| Код операции | Маска признаков | Адресная часть | ||
| М1 М2 М3 | 000 001 010 011 100 101 110 | 0000 1000 0000 0100 0010 0000 0001 | 100 000 010 000 000 001 000 | 000 010 100 100 101 010 000 |
Объем ПЗУ для принудительной адресации: VПЗУ = 10 * 7 = 70 (бит).
Функциональная схема управляющего автомата
с принудительной адресацией.
Ниже приведена функциональная схема УА с принудительной адресацией. Управляющие сигналы формируются регистром микрокоманды (РМК), в котором микрокоманда переписывается из ПЗУ микрокоманд по адресу, находящемуся в счетчике адреса (СЧ АДР). Регистр РМК тактируется последовательностью τ1, а счетчик адреса СЧ АДР – последовательностью τ2: τ1&τ2 = 0. Начальный адрес микропрограммы, равный 000, устанавливается сигналом ПУСК (СБРОС), и УА ждет прихода сигнала СТРОБ для продолжения работы.
При построении принципиальной схемы выберем УА с жесткой логикой, так как он имеет более простую организацию, чем УА с программируемой логикой.
УС к ОА
РМК{5:7}
РМК{1:4}
от ОА
P1 P2 P3
РМК{8:10}
3
3
3
РМК
Формирователь условного перехода
τ1
3
4
10
ПЗУ
микрокоманд
1
УП
3
БП
СЧ АДР
PE R +1
1
&
ПУСК
(СБРОС)
Атек
УП + БП
τ2
Управляющий автомат с естественной адресацией.
| Номер | Метка | Управляющие сигналы | Переход |
| 0 1 2 3 4 5 6 7 | М1 М2 М3 | УЭ1 УСЛ УЭ2 УСЧИТ | если Р1, то М1 если Р2,то М3 если Р3, то М2 идти к М1 (конец) |
Формат команды с естественной адресацией.
Для естественной адресации имеем два формата микрокоманд:
| Операционные МК | 0 | УЭ1 | УСЛ | УЭ2 | УСЧИТ | – | – |
| Управляющие МК | 1 | MP1 | MP2 | MP3 | А2 | А1 | А0 |
Первый разряд формата микрокоманды УА с естественной адресацией определяет признак микрокоманды: 0 – операционная микрокоманда, 1 – управляющая микрокоманда.
Кодирование ПЗУ.
| Метка | Адрес | Код операции | Разряды микрокоманд | |
| Маска признаков | Адресная часть | |||
| М1 М2 М3 | 000 001 010 011 100 101 110 111 | 1 0 1 0 0 1 0 1 | 100 100 010 010 001 001 000 000 | 000 0-- 100 0-- 0-- 010 1-- 000 |
Объем ПЗУ для естественной адресации: VПЗУ = 7 * 8 = 56 (бит).
Минимизация операционной части микрокоманды.
Из таблицы с канонической формой микропрограммы видно, что все команды УЭ1, УСЛ, УЭ2, УСЧИТ несовместимы друг с другом во времени. Значит, при прямом включении сегмента получим множество сигналов:
Y = {УЭ1, УСЛ, УЭ2, УСЧИТ, У0}. Закодируем эти сигналы тремя двоичными разрядами.
Таблица кодировки сегмента.
| УЭ1 | УСЛ | УЭ2 | УСЧИТ | S1* | S0* | УЭ1 | |
| 0 | 0 | 0 | 0 | 0 | 0 | 0 | |
| 1 | 0 | 0 | 0 | 0 | 1 | 1 | |
| 0 | 1 | 0 | 0 | 1 | 0 | 0 | |
| 0 | 0 | 1 | 0 | 1 | 1 | 0 | |
| 0 | 0 | 0 | 1 | 0 | 0 | 0 |
Минимизация поля признаков.
| MP1 | MP2 | MP3 | S1 | S0 | |
| 0 | 0 | 0 | 0 | 0 | |
| 1 | 0 | 0 | 0 | 1 | |
| 0 | 1 | 0 | 1 | 0 | |
| 0 | 0 | 1 | 1 | 1 |
Реализация регистра микрокоманд.















