62362 (597558), страница 20
Текст из файла (страница 20)
Характерною особливістю схеми є такий вибір режиму роботи відкритих транзисторів VT4 і VT5, який забезпечує надійне відмикання цих транзисторів, не доводячи до насичення.
Відмикання хоч би одного з транзисторів VT1 - VT3 приводить до підвищення падіння напруги на резисторі R3 і забезпечує замикання транзистора VT4 (оскільки потенціал емітера цього транзистора стає вищим, ніж потенціал бази, підключеної до низьковольтного джерела опорної напруги). У зв'язку з цим струм від джерела живлення різко перемикається з транзистора VT4 на транзистори VT1-VT3. Падіння напруги на резисторі R1 зростає, потенціал бази транзистора VT5 знижується, транзистор VT5 закривається, а величина напруги на виході у2 (на резисторі R4) падає до рівня логічного нуля.
Таким чином, схема дозволяє реалізувати логічну операцію АБО - НЕ. Вихід у1 (з колектора транзистора VT4) - прямій. Знімаючи вихідну напругу з цього виходу, можна реалізувати функцію «АБО».
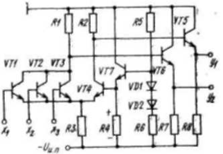
Складніша схема транзисторної логіки, що працює за принципом перемикання струму, показана на Рис. 11.15. Ця схема (типу ТЛЕЗ) вважається однією з найбільш швидкодіючих логічних ІМС. У схемі чотири емітерно-зв'язані каскади (VТ1 -VТ4), два вихідних каскади (VT5, VT6) з навантаженням в ланцюзі емітера і джерело опорної напруги на транзисторі VT7. Робота даної схеми багато в чому аналогічна роботі схеми на Рис. 11.14.
Рис. 11.14. Логічна схема типу ТЛПТ
Рис 11.15. Схема типу ТЛЕЗ
Якщо на входи х1, х2, х3 подані потенціали, відповідні рівню логічного нуля, то транзистори VT1 - VT3 закриті, транзистор же VT4 відкритий, оскільки на його вхід подана опорна напруга з резистора R4, включеного в ланцюг емітера транзистора VТ7. Якщо хоч би на один з входів подати позитивну напругу, рівну рівню логічної одиниці, то відповідний вхідний транзистор відкриється (але не увійде до режиму насичення), а транзистор VT4 закриється.
Схема має два виходи. На одному з них y1 напруга відповідатиме логічній одиниці тільки у тому випадку, коли замкнутий транзистор VT4. Для цього, як вже наголошувалося, достатньо подати одиничну напругу хоч би на один вхід схеми. Отже, по виходу у1 схема реалізує логічну операцію АБО. Неважко переконатися в тому, що по виходу у2 схема дозволяє виконати логічну операцію АБО - НЕ. Тому можна вважати, що схема типу ТЛЕЗ в цілому здатна реалізувати функцію АБО/АБО - НЕ. Звернемо увагу на те, що в схемі на рис 11.15 заземлений не негативний, а позитивний полюс джерела живлення, так що всі робочі потенціали, що відлічуються щодо нульового потенціалу заземленого позитивного полюса джерела, виявляються негативними. Зрозуміло, це не міняє принципу дії схеми, проте заземлення позитивної шини живлення істотно зменшує вплив перешкод, що проходять по ній.
Контрольні запитання:
-
Яку логічну функцію дозволяє реалізувати схема ІМС типу ТЛНС?
-
Привести схему типу ТЛНС?
-
Які основні недоліки схеми типу ТЛНС?
-
Що собою являють логічні ІМС з емітерними зв'язками?
Інструкційна картка №26 для самостійного опрацювання навчального матеріалу з дисципліни «Основи електроніки та мікропроцесорної техніки»
І. Тема: 4 Основи цифрової електронної схемотехніки
4.3 Цифрові пристрої
Мета: Формування потреби безперервного, самостійного поповнення знань; розвиток творчих здібностей та активізації розумової діяльності.
ІІ. Студент повинен знати:
-
Призначення лічильників імпульсів;
-
Область застосування лічильників імпульсів;
-
Способи реалізації лічильників імпульсів;
-
Будову та принцип роботи схем лічильників імпульсів різних типів.
ІІІ. Студент повинен уміти:
-
Застосовувати лічильники імпульсів при побудові електричних схем;
-
Будувати та викреслювати схеми на основі лічильників імпульсів.
ІV. Дидактичні посібники: Методичні вказівки до опрацювання.
V. Література: [1, с. 174-178].
VІ. Запитання для самостійного опрацювання:
-
Лічильники імпульсів
VІІ. Методичні вказівки до опрацювання: Теоретична частина.
VІІІ. Контрольні питання для перевірки якості засвоєння знань:
-
Що являє собою лічильник імпульсів?
-
Що таке послідовний лічильник імпульсів?
-
Що таке паралельний лічильник імпульсів?
-
На які типи поділяються лічильник імпульсів?
ІХ. Підсумки опрацювання:
Теоретична частина: Цифрові пристрої
План:
-
Лічильники імпульсів
Література
1. Лічильники імпульсів
Однією з найрозповсюдженіших операцій у пристроях інформаційно-обчислювальної і цифрової вимірювальної техніки є фіксування кількості імпульсів-підрахунок їх кількості. Ревізують таку операцію лічильники імпульсів. Лічильники також забезпечують представлення інформації про кількість імпульсів у вигляді двійкового коду (завдяки принципу побудови).
Лічильники бувають прості (підсумовуючі, у яких код збільшується на одиницю після надходження на вхід кожного імпульсу; віднімаючі, у яких код відповідно зменшується після надходження на вхід кожного імпульсу) і реверсивні (суміщають властивості підсумовуючих і віднімаючих - можуть працювати в тому або іншому режимі за зовнішньою командою). Як правило, лічильники будують на основі тригерів. Схема чотирирозрядного підсумовуючого послідовного двійкового лічильника, виконаного на комбінованих RST-тригерах з імпульсними інверсними входами синхронізації наведена на рис. 8.7, його умовне позначення - на рис. 8.8, часові діаграми роботи - на рис. 8.9, таблиця переходів - у табл. 8.1.
Рис. 8.7 - Чотирирозрядний послідовний двійковий лічильник
Рис. 8.8 - Умовне позначення чотирирозрядного послідовного двійкового лічильника
Таблиця 8.1 Таблиця переходів чотирирозрядного послідовного двійкового лічильника
Лічильник називається послідовним, тому що вихід тригера кожного попереднього розряду з'єднано з лічильним входом (входом синхронізації) тригера наступного розряду, в результаті чого передача інформації - перемикання тригерів розрядів лічильника - відбувається послідовно одного за одним. Це визначає низьку швидкодію лічильника.
Рис. 8.9 - Часові діаграми роботи чотирирозрядного підсумовуючого послідовного двійкового лічильника з імпульсним інверсним лічильним входом
У паралельних лічильників інформація з розряду в розряд передасться за допомогою спеціальної комбінаційної схеми, а входи синхронізації тригерів з'єднано разом і перемикання всіх тригерів відбувається одночасно.
Як видно з таблиці переходів і часових діаграм, при безперервній роботі лічильника на його виходах Q1, Q2, Q4, Q8 формується послідовний двійковий код.
Вхід R призначений для встановлення лічильника в нульовий стан (у даному разі - подачею сигналу логічної 1).
Входи D1, D2, D4, D8 призначені для паралельного занесення чисел у лічильник - для задання початкового стану, що відрізняється від нульового.
Послідовну роботу лічильника можна порушити, обмеживши кількість його станів. Це можна зробити, вводячи зворотний зв'язок, як, наприклад, показано на рис. 8.10. Тепер при досягненні десятого стану лічильник одразу переходить в нульовий стан - отримано двійково-десятковий лічильник, який має не 16, а 10 станів і формує на виходах двійково-десятковий код. Його таблиця переходів наведена в табл. 8.2, а часові діаграми роботи - на рис. 8.11.
Рис. 8.10 - Отримання двійково-десяткового лічильника з двійкового (а) і умовне позначення двійково-десяткового лічильника (б)
Рис. 8.11- Часові діаграми роботи чотирирозрядного двійково-десяткового лічильника
Таблиця 8.2 Таблиця переходів чотирирозрядного послідовного двійково-десяткового лічильника
Застосування таких лічильників разом з двійково-десятковими або двійково-семисегментними дешифраторами дозволяє на основі стандартних ІМС будувати схеми керування багаторозрядними десятковими індикаторами (розряди десяткові, а у межах десяткового розряду рахунок двійковий).
На рис. 8.12 наведено схему лічильника, який також має десять станів, але працює не в послідовному двійковому коді, бо після надходження восьмого імпульсу переходить з 7 стану у 14, після дев'ятого - у 15, а після десятого - у 0.
Рис. 8.12 - Чотирирозрядний лічильник, що має десять станів
Рис. 8.13 - Реверсивний лічильник К561ИЕ14
У вигляді ІМС випускається досить широка номенклатура лічильників. На рис. 8.13 як приклад наведене умовне позначення чотирирозрядного реверсивного лічильника К561ИЕ14. Він має входи:
1) запису інформації з входів паралельного вводу інформації D1, D2, D4, D8 - WR;
2) паралельного вводу інформації - D1, D2, D4, D8;
3) синхронізації (тактовий) - C;
4) дозволу лічення - V;
5) напрямку лічення (підсумовування чи віднімання) - ± 1;
6) задання роботи в двійковому чи двійково-десятковому коді - 2/10. Виходи:
1) інформаційні - Q1, Q2, Q4, Q8;
2) переносу (займу) в старшин (із старшого) розряду - р.
Контрольні запитання:
-
Що являє собою лічильник імпульсів?
-
Що таке послідовний лічильник імпульсів?
-
Що таке паралельний лічильник імпульсів?
-
На які типи поділяються лічильник імпульсів?
Інструкційна картка №27 для самостійного опрацювання навчального матеріалу з дисципліни «Основи електроніки та мікропроцесорної техніки»
І. Тема: 4 Основи цифрової електронної схемотехніки
4.3 Цифрові пристрої
Мета: Формування потреби безперервного, самостійного поповнення знань; розвиток творчих здібностей та активізації розумової діяльності.
ІІ. Студент повинен знати:
-
Призначення регістрів;
-
Область застосування регістрів;
-
Способи реалізації регістрів;
ІІІ. Студент повинен уміти:
-
Застосовувати регістри при побудові електричних схем;
-
Будувати та викреслювати схеми на основі регістрів.
ІV. Дидактичні посібники: Методичні вказівки до опрацювання.
V. Література: [1, с. 178-179].
VІ. Запитання для самостійного опрацювання:
-
Регістри
VІІ. Методичні вказівки до опрацювання: Теоретична частина.
VІІІ. Контрольні питання для перевірки якості засвоєння знань:
-
Що називається регістром?
-
Область застосування регістрів?
-
Яким чином класифікуються регістри?
ІХ. Підсумки опрацювання:
Теоретична частина: Цифрові пристрої
План:
-
Регістри
Література
1. Регістри
Регістри призначені для запам'ятовування і зберігання інформації, представленої у вигляді багаторозрядних двійкових чисел (двійкового коду) та їх видачі за зовнішньою командою - це елементи короткочасної (оперативної) пам'яті.
Залежно від способу запису і видачі інформації регістри бувають:
1) послідовні - запис інформації в яких виконується послідовно – одного двійкового розряду за іншим через один вхід;
2) паралельні - запис інформації в яких виконується одночасно (паралельно) у всі розряди;
3) послідовно-паралельні - можуть працювати як послідовні або паралельні, залежно від сигналу на спеціальному вході керування.
















