62362 (597558), страница 19
Текст из файла (страница 19)
Рис. 10.5 - Часові діаграми роботи контуру примусового запирання тиристора
Контрольні запитання:
-
Що називається керованим випрямлячем?
-
Які основні методи регулювання напруги постійного струму керованих випрямлячів?
-
Принцип роботи однофазного двопівперіодного керованого випрямляча з нульовим виводом?
-
Призначення та класифікація автономних інверторів?
-
Призначення та принцип роботи однофазного інвертора струму?
-
Що собою являє півмостовий однофазний інвертор напруги?
Інструкційна картка №24 для самостійного опрацювання навчального матеріалу з дисципліни «Основи електроніки та мікропроцесорної техніки»
І. Тема: 4 Основи цифрової електронної схемотехніки
4.1 Імпульсні пристрої
Мета: Формування потреби безперервного, самостійного поповнення знань; розвиток творчих здібностей та активізації розумової діяльності.
ІІ. Студент повинен знати:
-
Призначення тригерів;
-
Область застосування тригерів;
-
способи реалізації тригерів;
-
Будову та принцип роботи схеми тригера на дискретних елементах.
ІІІ. Студент повинен уміти:
-
Застосовувати тригери при побудові електричних схем;
-
Будувати та викреслювати схеми тригерів.
ІV. Дидактичні посібники: Методичні вказівки до опрацювання.
V. Література: [1, с. 158-161].
VІ. Запитання для самостійного опрацювання:
-
Загальні відомості про тригери та їх призначення
-
Тригер на біполярних транзисторах
VІІ. Методичні вказівки до опрацювання: Теоретична частина.
VІІІ. Контрольні питання для перевірки якості засвоєння знань:
-
Що таке тригер?
-
Які є способи реалізації тригерів?
-
Яка область застосування тригерів?
-
Схема та принцип роботи тригерів на дискретних елементах?
ІХ. Підсумки опрацювання:
Теоретична частина: Імпульсні пристрої
План:
-
Загальні відомості про тригери та їх призначення
-
Тригер на біполярних транзисторах
Література
1. Загальні відомості про тригери та їх призначення
Основою послідовних логічних пристроїв (пристроїв з пам'яттю) є тригери. Тригер забезпечує запам'ятовування елементарного об'єму інформації - 1 біт.
Тригери (від англійського trigger - заслінка) - це спускові імпульсні пристрої з позитивним зворотним зв'язком, що мають два сталих стани рівноваги і можуть переходити із одного стану в інший під дією сигналу, який перевищує по величині деякий рівень - поріг спрацьовування пристрою.
Тригери можуть бути побудовані на напівпровідникових приладах, які мають ділянку з негативною крутизною характеристики (наприклад, на тиристорах). Сучасні тригери, як правило, будують на основі двокаскадних підсилювачів з додатнім зворотним зв'язком. Тригери в інтегральному виконанні будують на логічних цифрових елементах.
Використовуються тригери для наступних цілей:
1) перетворення імпульсу довільної форми у прямокутну, тобто застосовуються як формувачі імпульсів прямокутної форми (тригери Шмітта - див розділ 5.3.4);
2) створення електронних реле;
3) створення пристроїв підрахунку імпульсів і ділення частоти надходження імпульсів;
4) зберігання інформації у двійковому коді.
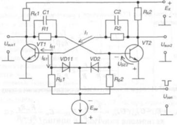
2. Тригер на біполярних транзисторах (симетричний тригер з лічильним запуском)
Схема симетричного тригера зображена на рис. 7.1. Тригер являє собою двокаскадний підсилювач з додатнім зворотним зв'язком виконаний на біполярних транзисторах VT1 і VT2, увімкнених за схемою з ЗЕ.
Додатній зворотний зв'язок забезпечується ланцюжками R1, С1, та R2, С2, які з'єднують колектор одного транзистора з базою іншого.
Напруга Eзм, призначена для надійного утримання у закритому стані одного з транзисторів схеми.
Коло, до якого входять діоди VD1 і VD2, призначене для запуску тригера при подачі напруги Uзап.
Тригер є симетричним, бо:
RК1= RК2= RК; R1= R2= R; RБ1= RБ2= RБ; С1= С2= С.
Він має два сталих стани:
1) VT1 відкритий, VT2 закритий, при цьому Uвих1=0, Uвих2=1;
2) VTI закритий, VT2 відкритий, Uвих1=1, Uвих2=0;
Після підминання джерела живлення тригер може опинитися у будь-якому стані і, за відсутності зовнішніх сигналів керування, може знаходитися у сталому стані скільки завгодно часу (але тільки за наявності живлення - енергозалежна пам'ять).
Рис. 7.1 - Симетричний тригер на біполярних транзисторах
Розглянемо роботу тригера за наявності запускаючої напруги. Припустимо, схема знаходиться у першому сталому стані рівноваги. У цьому випадку діод VD1 зміщений у прямому напрямку під дією позитивної напруги Uбе1, а діод VD2 закритий напругою Uбе2. Якщо подати негативний запускаючий імпульс, він через діод VD1 потрапить до бази VТ1, який закриється (матимемо I1=0). Напруга на колекторі VT1 зросте і через R1 та прискорюючий конденсатор C1 потрапить на базу VT2 і відкриє його.
Рис. 7.2 - Часові діаграми роботи лічильного тригера
У результаті - схема перейде до другого сталого стану.
Тепер діод VD1 закритий напругою Uбе1 і наступний негативний імпульс запуску буде діяти на базу VT2 через діод VD2 і закриє VT2, переводячи тригер у перший сталий стан.
Таким чином, кожен імпульс запуску змінює стан тригера на протилежний. Такий вид запуску називається лічильним запуском, а тригер має назву тригера Т-типу. Його роботу ілюструють часові діаграми, зображені на рис. 7.2, з яких видно, що період вихідних імпульсів Твих у два рази більший за період запускаючих Тзап, (тому такий тригер ще називають тригером дільником на два).
Поряд з лічильним запуском існує роздільний запуск, котрий можна реалізувати двома способами:
1) подачею імпульсів однієї полярності віл двох різних генераторів на бази кожного з транзисторів у різні моменти часу;
2) подачею імпульсів змінної полярності на базу одного з транзисторів.
Контрольні запитання:
-
Що таке тригер?
-
Які є способи реалізації тригерів?
-
Яка область застосування тригерів?
-
Схема та принцип роботи тригерів на дискретних елементах?
Інструкційна картка №25 для самостійного опрацювання навчального матеріалу з дисципліни «Основи електроніки та мікропроцесорної техніки»
І. Тема: 4 Основи цифрової електронної схемотехніки
4.2 Логічні елементи
Мета: Формування потреби безперервного, самостійного поповнення знань; розвиток творчих здібностей та активізації розумової діяльності.
ІІ. Студент повинен знати:
-
Призначення логічних елементів;
-
Область застосування логічних елементів;
-
Способи реалізації логічних елементів;
-
Будову та принцип роботи схем логічних елементів різних типів.
ІІІ. Студент повинен уміти:
-
Застосовувати логічні елементи при побудові електричних схем;
-
Будувати та викреслювати схеми логічних елементів.
ІV. Дидактичні посібники: Методичні вказівки до опрацювання.
V. Література: [2, с. 222-231].
VІ. Запитання для самостійного опрацювання:
-
Логічні ІМС типу ТЛНС, РТЛ і РЕТЛ
-
Логічні ІМС з емітерними зв'язками
VІІ. Методичні вказівки до опрацювання: Теоретична частина.
VІІІ. Контрольні питання для перевірки якості засвоєння знань:
-
Яку логічну функцію дозволяє реалізувати схема ІМС типу ТЛНС?
-
Привести схему типу ТЛНС?
-
Які основні недоліки схеми типу ТЛНС?
-
Що собою являють логічні ІМС з емітерними зв'язками?
ІХ. Підсумки опрацювання:
Теоретична частина: Логічні елементи
План:
-
Логічні ІМС типу ТЛНС, РТЛ і РЕТЛ
-
Логічні ІМС з емітерними зв'язками
Література
1. Логічні ІМС типу ТЛНС, РТЛ і РЕТЛ
Простий, історично перший, варіант логічних ІМС типу ТЛНС показаний на Рис. 11.8. Неважко переконатися, що дана схема дозволяє реалізувати функцію АБО - НЕ. Будь-який з вхідних сигналів позитивної полярності (позитивна логіка) буде інвертований на виході. Дійсно, надходження хоч би на один вхід сигналу позитивної полярності приводить до відмикання відповідного транзистора і переходу його в режим насичення. При цьому різко зростає падіння напруги на загальному для всіх транзисторів опорі навантаження Rн, а вихідна напруга знизиться практично до нуля. Таким чином, високий рівень напруги на вході, відповідний логічній одиниці, призводить до зниження напруги на виході схеми до рівня логічного нуля. У негативній логіці, тобто у тому випадку, коли на вхід (входи) поступає напруга негативної полярності, схема, побудована на транзисторах типу n-p-n виконує функцію І - НЕ: високий рівень напруги на виході буде тільки за умови, що всі три транзистори замкнуто, тобто на всі входи поступили сигнали низького рівня. Зміна характеру функції при заміні позитивної логіки на негативну (і навпаки) є загальною властивістю логічних схем, в чому неважко переконатися при подальшому розгляді їх різновидів.
Рис. 11.8. Схема типу ТЛНС
Не дивлячись на певні переваги (простота, мала споживана потужність, висока швидкодія), транзисторні логічні мікросхеми з безпосереднім зв'язком застосовуються рідко. Їх недоліком є значний розкид вхідних характеристик (а, отже, і вхідних опорів) транзисторів. В результаті при одній і тій же вхідній напрузі базові струми транзисторів можуть істотно відрізнятися один від одного. Крім того, схеми типу ТЛНС мають низьку завадостійкість і невелику навантажувальну здатність.
Для підвищення завадостійкості і вирівнювання вхідних опорів транзисторів в ланцюзі баз включають додаткові резистори з опором близько декількох сотень Ом (Рис. 11.9). В цьому випадку утворюється схема типу РТЛ, принцип роботи якої і виконувані нею логічні функції нічим не відрізняються від розглянутої вище схеми типу ТЛНС. Слідує, проте, відзначити, що схеми типу РТЛ мають відносно невелику швидкодію. Пояснюється це тим, що ділянка база - емітер кожного транзистора володіє помітною паразитною ємністю (показано пунктиром на рис 11.9).
Рис. 11.9. Схема типу РТЛ
Рис. 11.10. Схема типу РЕТЛ
Під час надходження вхідного сигналу ця ємність заряджає через відповідний базовий резистор. Постійна часу заряду при чималому опорі базового резистора може перевищити тривалість вхідного сигналу. В результаті відбуваються спотворення форми вхідного сигналу, затягування процесу відмикання транзистора і зниження швидкодії схеми. Для усунення цього недоліку базові резистори шунтують конденсаторами (Рис. 11.10). Схеми такого типу називаються схемами РЕТЛ. У момент перемикання конденсатори (їх називають прискорюючими) на деякий час закорочують резистори і тим самим як би виключають їх з схеми. Тому постійна часу заряду паразитних базових ємностей різко зменшується, а час перемикання транзисторів із замкнутого стану у відкритий і навпаки, помітно скорочується.
Розглянуті варіанти логічних інтегральних мікросхем використовувалися на першому етапі розвитку мікросхемотехніки. У напівпровідникових ІМС і особливо в мікросхемах з високим ступенем інтеграції (ВІС) вони виявилися безперспективними.
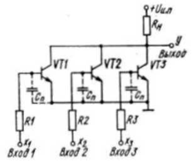
2. Логічні ІМС з емітерними зв'язками (перемикачі струму)
Розглянуті вище типи логічних ІМС володіють загальним недоліком: транзистори в цих схемах, знаходячись у відкритому стані, працюють в режимі насичення. У зв'язку з цим в областях бази і колектора накопичуються значні заряди, для розсмоктування яких під час переходу транзистора в закритий стан потрібний додатковий час. Для усунення цього недоліку використовуються схеми типу ТЛПТ (перемикачі струму), які називаються також транзисторними логічними схемами з емітерними зв'язками (типу ТЛЕЗ). Основна особливість цих схем полягає в тому, що відкриті транзистори в них не входять в режим насичення. Завдяки цьому, підвищується швидкодія схеми.
Одна з простих схем подібного типу - логічна схема типу ТЛПТ показана на Рис. 11.14. У початковому стані транзистори VT1-VT3 замкнуті і струм від джерела проходить через транзистор VT4, який відкритий опорною напругою. Оскільки всі вхідні транзистори (VTI - VT3) замкнуті, то на базу вихідного транзистора VT5 подається високий позитивний потенціал, рівний потенціалу колекторів транзисторів VT1-VT3. Транзистор VT5 при цьому відкритий, через резистор R4 (опір навантаження) проходить великий струм, напруга на резисторі R4 підвищується, що відповідає рівню логічної одиниці на виході у2.
















