62362 (597558), страница 17
Текст из файла (страница 17)
Теоретична частина: Випрямлячі. Стабілізатори
План:
-
Керовані випрямлячі
-
Однофазний двопівперіодний керований випрямляч з нульовим виводом
-
Автономні інвертори. Призначення та класифікація
-
Однофазний інвертор струму
-
Півмостовий однофазний інвертор напруги
Література
1. Керовані випрямлячі
У розглянутих нами випрямних схемах у якості вентилів використано діоди і тому вони с некерованими випрямлячами, бо не дозволяють регулювати величину напруги на навантаженні.
Можливість зміни величини постійної напруги на навантаженні за необхідним законом у заданих межах може бути реалізована за допомогою керованих випрямлячів, які будуються на керованих вентилях, наприклад, на тиристорах.
Перед тим, як розглядати конкретні схемні рішення керованих випрямлячів, спочатку ознайомимось з основними методами регулювання напруги постійного струму, які, перш за все, можна розділити на два види: такі, що забезпечують регулювання з боку змінного струму і такі, що забезпечують регулювання з боку постійного струму.
Регулювання з боку змінного струму можливе при використанні випрямних схем на некерованих вентилях, але при цьому необхідно вводити додаткові силові пристрої. Так можна:
1) змінювати величину змінної напруги, що подається на вентильну схему, перемиканням під навантаженням виводів вторинної обмотки трансформатора, змінюючи тим самим коефіцієнт трансформації останнього;
2) застосовувати регулятори змінного струму з рухомим струмознімачем (автотрансформатори) або з рухомою магнітною системою (індукційні регулятори).
З боку постійного струму можливе регулювання безперервними методами й імпульсними.
При безперервних методах застосовують:
1) реостати і дільники напруги:
2) компенсаційні регулятори (наприклад, розглянуті нами в розділі 9.8.2 стабілізатори).
Через великі втрати енергії в елементах регулятора (надлишок напруги тут гаситься на увімкнених послідовно з навантаженням елементах регулятора, що принципово обумовлює низьке значення к.к.д.), такі методи застосовують в малопотужних регуляторах.
У наш час найвживанішими є імпульсні методи регулювання, що зумовлено отриманням на основі стрімкого розвитку напівпровідникових технологій силових електронних напівпровідникових приладів, які можуть працювати у ключовому режимі за досить високих напруг (тисячі вольт) і частот (десятки і сотні кілогерц) - польові і біполярні транзистори, СІТ-транзистори і БТІЗ, спеціальні види тиристорів.
Оскільки регулюючий елемент при реалізації імпульсних методів працює як ключ, то втрати енергії в ньому мінімальні, що визначає високий к.к.д. перетворюючих пристроїв.
Середнє значення постійної напруги на навантаженні Ud регулюється за цими методами за рахунок зміни співвідношення між тривалостями замкненого і розімкненого станів ключа, коли постійна напруга (наприклад, з виходу фільтра некерованого випрямляча) підмикається до навантаження або ні.
Напруга на виході регулятора має форму прямокутних імпульсів з амплітудою, що дорівнює е.р.с. джерела постійного струму.
Є декілька таких методів регулювання. Розглянемо основні з них.
1. Метод широтно-імпульсного регулювання (ШІР) полягає у тому, що при сталому періоді надходження імпульсів змінюють їх тривалість - ширину. У результаті маємо
,
де Е - е.р.с. джерела постійного струму;
- тривалість імпульсу;
Т - період надходження імпульсів;
- коефіцієнт заповнення.
Змінюючи
, можна змінювати
від нуля (при
= 0) до Е (при
= 1).
2. При частотно-імпульсному регулюванні (Ч1Р) змінюють частоту (період) надходження імпульсів при їх фіксованій тривалості.
Середнє значення напруги при цьому становить
,
де
- частота імпульсів.
Мінімальне значення що наближається до нуля, отримують при частоті
→0, а максимальне, що наближається до величини
, при
.
3. За комбінованого регулювання змінюють період і тривалість імпульсів.
Останній метод найпростіший в реалізації (так, наприклад, працює термобіметалічннй регулятор у прасці) але при регулюванні постійної напруги отримання її постійного значення у часі на навантаженні, що забезпечується, як відомо, за допомогою фільтрів, вимагає використання елементів фільтра з масо-габаритними параметрами, далекими від мінімально можливих. Це ж стосується і методу ЧІР.
Мінімальні параметри елементів фільтра забезпечує метод ШІР, оскільки регулятор працює на фіксованій частоті.
До речі, ця частота, як правило, у багато разів перевищує частоту мережі змінного струму, що тим більше забезпечує мінімальні параметри елементів фільтра.
У порівнянні з іншими методами, метод ШІР забезпечує також кращі умови узгодження регулятора з мережею живлення (полегшене подолання радіоперешкод, що передаються з регулятора в мережу).
Виходячи з наведеного, метод ШІР застосовують найчастіше.
Рис. 9.36 - Імпульсний регулятор постійної напруги
Схема простого імпульсного регулятора наведена на рис. 9.36. Тут у якості фільтра використано Г-подібний LС-фільтр.
При замкненому ключі К навантаження живиться від джерела постійного струму Е (струм /л), а елементи фільтра накопичують енергію. Коли ключ розімкнений, то навантаження живиться енергією, накопиченою в конденсаторі та дроселі. Для забезпечення подачі енергії, накопиченої в дроселі, у навантаження (струм Id1), в схему введено діод VD, який називають зворотним.
Регулювати вихідну напругу випрямляча можна також, застосовуючи фазо-імпульсний метод. При цьому до складу перетворюючого пристрою не вводять додаткових силових вузлів, а лише у якості вентилів випрямної схеми використовують керовані ключі - як правило, тиристори. Принцип дії регулятора полягає у тому, що за допомогою спеціальної схеми керування забезпечується регульована затримка на вмикання тиристорів відносно переходу через нуль змінної синусоїдної напруги. Тобто фаза послідовності імпульсів керування змінюється щодо фази синусоїдної напруги.
Зазначимо, що цей метод регулювання можна розглядати як різновид методу ШІР, коли імпульси напруги мають не прямокутну, а синусоїдну форму з обмеженням.
Перевагою імпульсних методів регулювання є те, що, перш за все, надлишок енергії тут просто не береться від джерела живлення (а не гаситься на баластному елементі, як, наприклад, у компенсаційному стабілізаторі. Це в ідеалі (якщо вважати елементи регулятора такими, що не мають, наприклад, опору) за принципом побудови регулятора обумовлює величину к.к.д. у 100 відсотків.
В імпульсних регуляторах більш ефективно використовуються силові елементи. Вони мають (особливо при методі ШІР за високих частот комутації ключа) менші масо-габаритні показники.
Тиристорні фазо-імпульсні регулятори до недавнього часу мали домінуюче застосування при побудові потужних регуляторів. До їх недоліків слід віднести те, що вони вносять значні викривлення форми пульсуючої напруги на виході вентильної схеми, що вимагає збільшення габаритів і маси фільтра, особливо за великого діапазону регулювання. Також викривляється форма струму, що споживається з мережі, а це вимагає установки вхідних фільтрів для забезпечення умов електромагнітної сумісності з іншими споживачами мережі. Крім того, затримка на вмикання вентилів веде до того, що основна гармоніка споживаного з мережі струму має зсув фази відносно напруги мережі. В результаті, навіть за активного навантаження, останнє мережею сприймається як активно-індуктивне - погіршується cosφ.
Тепер зрозуміло, чому в останній час намагаються якнайширше застосовувати регулятори, побудовані за методом ШІР, використовуючи при цьому, як ми вже зазначали, сучасні високочастотні потужні напівпровідникові прилади.
Хоча такі регулятори вимагають введення в схему додаткових силових вузлів, що, зрозуміло, веде до зниження перш за все к.к.д., проте масо-габаритні показники, показники якості вихідної напруги і умови узгодження з мережею живлення у них значно кращі.
Наприкінці зазначимо, що електронні регулятори, які не мають рухомих механічних елементів, називають статичними регуляторами.
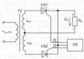
2. Однофазний двопівперіодний керований випрямляч з нульовим виводом
Рис. 9.37 - Однофазний двопівперіодний керований випрямляч з нульовим виводом
Роботу фазо-імпульсного регулятора постійної напруги розглянемо на прикладі однофазного двопівперіодного керованого випрямляча з нульовим виводом, схема якого зображена на рис. 9.37, де позначено VS1 і VS2 - тиристори, СК - схема керування, яка забезпечує подачу на тиристори керуючих імпульсів з регульованою затримкою. На рис. 9.38 наведені часові діаграми, що ілюструють роботу випрямляча.
Зверніть увагу на форму напруги на тиристорі uVS1 На відрізку часу, що відповідає куту регулювання α, він закритий і до нього прикладена напруга u21 за додатньої півхвилі, або u22 за від'ємної. Після закінчення відліку α і видачі відповідного керуючого імпульсу напруга на тиристорі за додатної півхвилі відсутня, бо він тут працює як замкнений ключ, а за від'ємної півхвилі дорівнює (u21+ u22), бо за рахунок того, що другий тиристор знаходиться у відкритому стані, даний закритий виявляється підімкненим до обидвох півобмоток трансформатора.
Рис. 9.38 - Часові діаграми роботи однофазного двопівперіодного керованого випрямляча з нульовим виводом
Подібні керовані випрямлячі будують також і на основі трифазних вентильних схем. Закони зміни пульсуючої напруги на виході, а також специфіка роботи вентилів при цьому складніші.















