62362 (597558)
Текст из файла
Інструкційна картка №1 для самостійного опрацювання навчального матеріалу з дисципліни «Основи електроніки та мікропроцесорної техніки»
І. Тема: 1 Фізичні властивості електроніки
1.1 Основи електронної теорії
Мета: Формування потреби безперервного, самостійного поповнення знань; розвиток творчих здібностей та активізації розумової діяльності.
ІІ. Студент повинен знати:
-
Що називається роботою виходу електрону;
-
Як визначається робота виходу;
-
Види електронної емісії;
-
Рух електрона в однорідному електричному полі;
-
Рух електрона в однорідному магнітному полі.
ІІІ. Студент повинен уміти:
-
Виконувати розрахунки роботи виходу;
-
Відрізняти види електронної емісії;
-
Використовувати рух електронів в електричному і магнітному полях.
ІV. Дидактичні посібники: Методичні вказівки до опрацювання.
V. Література: [3, с. 7-8], [4, с. 5-12].
VІ. Запитання для самостійного опрацювання:
-
Робота виходу електронів.
-
Види електронної емісії.
-
Рух електронів в електричному і магнітному полях.
VІІ. Методичні вказівки до опрацювання: Теоретична частина.
VІІІ. Контрольні питання для перевірки якості засвоєння знань:
-
Що таке робота виходу електронів, що вона характеризує?
-
Що таке термоелектронна, фотоелектронна, електростатична та вторинна електронна емісія?
-
В чому полягає суть фізичних процесів руху електрона в однорідному електричному та магнітному полях?
ІХ. Підсумки опрацювання:
Підготував викладач: Бондаренко І.В.
Теоретична частина: Основи електронної теорії
План:
-
Робота виходу електронів.
-
Види електронної емісії.
-
Рух електронів в електричному і магнітному полях.
Література
1. Робота виходу електронів
Принцип дії електронних приладів заснований на явищі електронної емісії - процесі виходу електронів з поверхні твердого тіла у вакуум.
Як відомо, вільні електрони в провідних матеріалах знаходяться в безперервному хаотичному русі. За звичайних умов електрони не можуть вийти за межі поверхні тіл, оскільки цьому перешкоджають електричні сили взаємодії електрона з тілом. Щоб електрон вилетів за межі металу, він повинен володіти енергією, достатньою для подолання сил, що утримують його в металі. Внутрішній енергії електрона для цього недостатньо. Тому йому потрібно надати додаткову енергію ззовні. Найменша додаткова енергія, яку необхідно надати електрону ззовні для подолання сил, що утримують його в металі, називається роботою виходу і позначається W0. Вона вимірюється в електронвольтах. Робота виходу є однією з основних характеристик електронної емісії. Чим менше W0, тим краще емісійні властивості матеріалу. Значення роботи виходу для різних металів, використовуваних в електронних приладах, коливається в межах від 1,8 еВ для цезію до 4,5 еВ для вольфраму.
Залежно від виду додаткової енергії, використовуваної для того, щоб електрони могли зробити роботу виходу, розрізняють декілька видів електронної емісії: термоелектронну, фотоелектронну, вторинну і електростатичну.
2. Види електронної емісії
Термоелектронною емісією називається процес випромінювання електронів з поверхні нагрітого металу. Цей вид електронної емісії широко використовується в електровакуумних і деяких іонних приладах. При нагріванні металу електрони отримують додаткову енергію, швидкість електронів, а отже, їх кінетична енергія зростає, і деяке число електронів долає сили, що перешкоджають їх виходу з металу в зовнішній простір. Чим вище температура і менше робота виходу металу, тим більше число електронів володітиме енергією, достатньою для подолання сил, що перешкоджають виходу електронів з металу.
Фотоелектронною емісією називається процес виходу електронів з поверхні металу, що опромінюється променистою енергією. Явище фотоелектронній емісії носить назва зовнішнього фотоефекту. За рахунок поглиненої енергії світлового потоку збільшується енергія електронів в металі. При цьому електрони, що отримали енергію, достатню для здійснення роботи виходу, вилітають за межі металу, створюючи потік вільних електронів.
Фотоелектронна емісія може виникати при опромінюванні металу променями видимого спектру, інфрачервоними, ультрафіолетовими і рентгенівськими. Цей вид емісії використовується у фотоелементах, фотопомножувачах і в телевізійних трубках.
Вторинна електронна емісія - це емісія електронів з поверхні металу при опромінюванні його потоком електронів. Якщо електрони, рухомі з великою швидкістю, ударяються об поверхню металу, то їх кінетична енергія руху передається електронам металу. Електрони, що отримали необхідну додаткову енергію, вилітають з поверхні металу. При цьому електрони, падаючі на поверхню металу, називаються первинними, а що вилітають з металу - вторинними.
Струм вторинної емісії залежить від властивостей металу, стану його поверхні, швидкості і кута падіння первинних електронів. Кількісно вторинна емісія оцінюється коефіцієнтом вторинної емісії а, рівним відношенню кількості вторинних електронів n2 до кількості первинних електронів n1 Цей вид емісії використовується в електронних помножувачах і деяких спеціальних радіолампах. У деяких лампах вторинна емісія порушує нормальну їх роботу.
Електростатична (автоелектронна) емісія – це емісія електронів з поверхні металу (холодного) під дією сильного прискорюючого електричного поля (106-108 В/см). Дія зовнішнього електричного поля еквівалентна зменшенню роботи виходу електрона. Під дією цього поля відбувається як би виривання електронів з металу. Цей вид емісії використовується в рентгенівських трубках, а також в деяких, газорозрядних і напівпровідникових приладах.
3. Рух електронів в електричному і магнітному полях
Рух електрона в однорідному електричному полі
У електронних приладах рух вільних електронів відбувається під дією електричних або магнітних полів. Залежно від напряму початкової швидкості електрона електричне поле може його рух прискорювати, гальмувати або змінювати напрям.
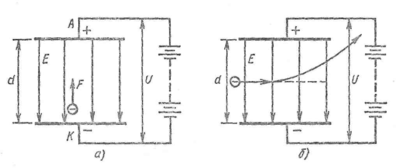
Для з'ясування фізичних процесів розглянемо рух електрона в однорідному електричному полі. Уявимо собі, що в балоні, в якому створений вакуум, розташовані два взаємно паралельних електроду - катод К і анод А (мал. 1.1, а).
Мал. 1.1
Якщо до цих електродів приєднати батарею з напругою плюсом до анода і мінусом до катода, то в просторі між анодом і катодом буде створено електричне поле з напруженістю
де U - різниця потенціалів, d - відстань між електродами.
Якщо в електричне поле з напруженістю Е помістити електрон, заряд якого рівний е, то на нього діятиме сила електричного поля, рівна добутку заряду на напруженість поля:
Сила електричного поля направлена від катода до анода.
Якщо початкова швидкість електрона рівна нулю і співпадає з напрямом сили електричного поля, то електрон, поміщений в дане поле, зазнає прискорення і переміщатиметься з точок з меншим потенціалом до точок з вищим потенціалом. При цьому швидкість електрона і його кінетична енергія зростатимуть. Рух електрона буде рівномірно прискореним, тому таке поле називають прискорюючим.
На підставі закону збереження енергії приріст кінетичної енергії електрона повинен дорівнювати роботі, яку здійснює електричне поле при переміщенні електрона, тобто
де m - маса електрона; υн, υ - початкова і кінцева швидкості електрона; U=U2 – U1 - різниця потенціалів, пройдена електроном, в електричному полі.
Якщо початкова швидкість електрона рівна нулю, то електрон рухатиметься тільки під дією сили поля. В цьому випадку кінетична енергія електрона визначається виразом
З (1.4) можна визначити швидкість електрона в кінці його шляху
Підставляючи е/т= 1,759·1011 К/кг, отримаємо вираз для швидкості електрона при русі його в прискорюючому електричному полі:
З (1.6) витікає, що швидкість руху електрона умовно можна виражати не тільки в км/с, але і у В.
Для визначення часу прольоту електрона в однорідному прискорюючому полі виразимо силу електричного поля через масу і прискорення:
Звідси
Шлях, пройдений електроном за час t, можна визначити з виразу d=at2/2, сюди підставимо значення з (1.7), отримаємо
звідки
Підставивши в отриманий вираз значення m і е, отримаємо формулу для визначення часу прольоту електрона:
Час прольоту t дуже малий, в багатьох практичних електронних пристроях не враховується, звідси електронну лампу можна вважати безінерційним приладом.
Якщо під дією початкової швидкості електрон рухається уздовж напряму ліній поля (від точок з великим потенціалом до точок з меншим потенціалом), то він здійснює роботу проти сил поля, при цьому його швидкість і запас кінетичної енергії зменшуються і він рухається прямолінійно і рівносповільнено. Поле, в якому електрон здійснює рівносповільнений рух, називають гальмуючим.
При повній втраті кінетичної енергії швидкість електрона впаде до нуля і він під дією сили поля рухатиметься рівноприскорено у зворотному напрямі, набуваючи втраченої кінетичної енергії.
Коли вектор початкової швидкості електрона перпендикулярний напряму дії сили електричного поля (мал. 1.1,6), траєкторія руху електрона матиме вид параболи. Таке поле називають поперечним.
Характеристики
Тип файла документ
Документы такого типа открываются такими программами, как Microsoft Office Word на компьютерах Windows, Apple Pages на компьютерах Mac, Open Office - бесплатная альтернатива на различных платформах, в том числе Linux. Наиболее простым и современным решением будут Google документы, так как открываются онлайн без скачивания прямо в браузере на любой платформе. Существуют российские качественные аналоги, например от Яндекса.
Будьте внимательны на мобильных устройствах, так как там используются упрощённый функционал даже в официальном приложении от Microsoft, поэтому для просмотра скачивайте PDF-версию. А если нужно редактировать файл, то используйте оригинальный файл.
Файлы такого типа обычно разбиты на страницы, а текст может быть форматированным (жирный, курсив, выбор шрифта, таблицы и т.п.), а также в него можно добавлять изображения. Формат идеально подходит для рефератов, докладов и РПЗ курсовых проектов, которые необходимо распечатать. Кстати перед печатью также сохраняйте файл в PDF, так как принтер может начудить со шрифтами.
















