62362 (597558), страница 8
Текст из файла (страница 8)
Контрольні запитання:
-
Який має вплив температура на роботу транзистора?
-
Частотні властивості транзистора?
-
В чому суть роботи транзистора в ключовому режимі?
Інструкційна картка № 8 для самостійного опрацювання навчального матеріалу з дисципліни «Основи електроніки та мікропроцесорної техніки»
І. Тема: 2 Електронні прилади
2.3 Транзистори. Тиристори
Мета: Формування потреби безперервного, самостійного поповнення знань; розвиток творчих здібностей та активізації розумової діяльності.
ІІ. Студент повинен знати:
-
Що собою являє польовий транзистор;
-
Принцип роботи ПТ;
-
Графічні позначення;
-
Основні характеристики ПТ.
ІІІ. Студент повинен уміти:
-
Вибирати транзистори;
-
Застосовувати польові транзистори.
ІV. Дидактичні посібники: Методичні вказівки до опрацювання.
V. Література: [3, с. 44-49].
VІ. Запитання для самостійного опрацювання:
-
Польові транзистори.
VІІ. Методичні вказівки до опрацювання: Теоретична частина.
VІІІ. Контрольні питання для перевірки якості засвоєння знань:
-
На чому ґрунтується принцип роботи уніполярних транзисторів?
-
Які бувають типи польових транзисторів?
-
Їх принцип роботи?
-
Як графічно позначаються польові транзистори?
ІХ. Підсумки опрацювання:
Підготував викладач: Бондаренко І.В.
Теоретична частина: Транзистори. Тиристори
План:
-
Польові транзистори.
Література
1. Польові транзистори
До класу уніполярних відносять транзистори, принцип дії яких ґрунтується на використанні носіїв заряду лише одного знаку (електронів або дірок). Керування струмом в силовому колі уніполярних транзисторів здійснюється зміною провідності каналу, через який протікає струм під впливом електричного поля. Тому уніполярні транзистори ще називаються польовими (ПТ).
Розрізняють ПТ з керуючим р-п переходом (з затвором у вигляді р-п переходу) та з ізольованим затвором. Останні, в свою чергу, поділяються на ПТ із вбудованим каналом та індукованим каналом. ПТ з ізольованим затвором належать до різновиду МДН-транзисторів: конструкція «метал - діелектрик - НП». Коли в якості діелектрика використовують оксид кремнію: конструкція «метал - оксид - НП», ПТ називають відповідно МОН-транзистором.
Характерною рисою ПТ є великий вхідний опір (108 – 1014 Ом).
Широкого розповсюдження ПТ набули завдяки високій технологічності у виробництві, стабільності характеристик і невеликій вартості за масового виробництва.
Польові транзистори з керуючим р-п переходом
Конструкція та принцип дії ПТ з керуючим р-п переходом пояснюється на моделі, наведеній на рис. 2.23.
Рис. 2.23 - ПТ з керуючим р-п переходом
У такого ПТ канал протікання струму являє собою шар НП, наприклад, n-типу, вміщений між двома р-п переходами. Канал має контакти із зовнішніми електродами. Електрод, від якого починають рух носії заряду (у даному разі - електрони), називається витоком В, а електрод, до якого вони рухаються - стоком С.
НП шари p-типу, що створюють із n-шаром два р-п переходи, виконані з більш високою концентрацією основних носіїв, ніж n-шар. Обидва p-шари електрично з'єднані і мають зовнішній електрод, що називається затвором З.
Вихідна напруга підмикається між стоком і витоком, а вхідна напруга (керуюча) - між витоком та затвором, причому на затвор подається зворотна щодо витоку напруга.
Принцип дії такого ПТ полягає у тому, що зі змінами вхідної напруги змінюється ширина р-п переходів, які являють собою ділянки НП, збіднені носіями зарядів (запірний шар). Оскільки p-шар має більшу концентрацію домішки, зміна ширини р-п переходів відбувається головним чином за рахунок більш високоомного n-шару. При цьому змінюється переріз струмопровідного каналу, а отже і його провідність і відповідно вихідний струм приладу.
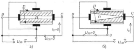
Особливість цього транзистора полягає у тому, що на провідність каналу впливає як керуюча напруга так і напруга Uсв.
На рис. 2.24,а зовнішню напругу прикладено лише у вхідному колі транзистора. Зміна напруги призводить до зміни провідності каналу за рахунок зміни на однакову величину його перерізу вздовж усього каналу. Та оскільки ІІСВ=0У вихідний струм /-Н).
Рис. 2.24 - Вплив напруг на провідність каналу ПТ з керуючим р-п переходом: а) при Uсв =0; б) при Uзв =0
Аналогічно працюють транзистори з каналом р-типу, лише полярність напруг повинна бути зворотною.
На рис. 2.25 наведені умовні позначення ПТ з керуючим р-п переходом.
Рис. 2.25 - Умовні позначення ПТ з керуючим р-п переходом:
а) з каналом n-типу, б) з каналом р-типу
Роботу зазначених транзисторів визначають сім'ї ВАХ двох видів: стокові і стік-затворні.
Стокові (вихідні) характеристики, наведені на рис. 2.26 показують залежність струму стоку від напруги стік-витік за фіксованої напруги затвор-витік:
Рис. 2.26 - Стокові ВАХ ПТ з керуючим p-п переходом
На ділянці 1 неробоча ділянка для випадку використання приладу у якості підсилюючого елементу. Тут його використовують як керований резистор.
На ділянці 2 робоча ділянка у режимі підсилення.
Ділянка 3 відповідає пробою приладу.
Стік-затворні (вхідні) ВАХ відображають залежність струму стоку від напруги затвор-витік за фіксованої напруги стік-витік:
Вхідна ВАХ зображена на рис. 2.27.
Рис. 2.27-Вхідна ВАХ ПТ з керуючим р-п переходом
Параметри ПТ з керуючим р-п переходом:
- максимальне значення струму стоку, сягає від десятків міліампер до одного ампера;
- максимальне значення напруги стік-витік, становить до 100 В;
- напруга відтинання ;
-внутрішнійопір;
- крутизна стік-затворної характеристики;
- вхідний опір, становить десятки мегаом.
СІТ-транзистори
У середині 70-х років минулого століття багаторічні дослідження (Японія, США) завершились створенням ПТ із статичною індукцією: СІТ-транзистора. Цей транзистор, будучи по суті ПТ з керуючим р-п переходом, є твердотільним аналогом електронновакуумної лампи - тріода, у якої вихідна характеристика при нульовому значенні сигналу керування за формою нагадує характеристику р-n переходу. З ростом від'ємного значення напруги керування характеристики зсуваються вправо.
На відміну від площинної горизонтальної конструкції ПТ з керуючим р-п переходом, СІТ-транзистор має вертикальну конструкцію. Наприклад, p-шари затвору вводяться в n-шар вертикально. Таке виконання забезпечує приладу роботу при напругах до 2000 В й частотах до 500 кГц. А розміщення на одному кристалі великого числа елементарних транзисторів з наступним їх паралельним з'єднанням забезпечує робочі струми до 500 А - це вже є силовим електронним приладом!
Крім роботи в режимі ПТ, цей транзистор може працювати і в режимі біполярного транзистора, коли на затвор подасться додатне зміщення. При цьому падіння напруги на приладі у відкритому стані зменшується.
Умовне позначення СІТ-транзистора наведене на рис. 2.28.
Рис. 2.28 - Умовне позначення СІТ-транзистора
МДН-транзистори
На відміну від ПТ з керуючим р-п переходом, у яких затвор має безпосередній електричний контакт із суміжною областю струмопровідного каналу, у МДН-транзисторів затвор, що являє собою, наприклад, алюмінієву плівку (Аl), ізольований від зазначеної області шаром діелектрика. Тому МДН-транзистори відносять до класу ПТ з ізольованим затвором. Наявність діелектрика забезпечує високий вхідний опір цих транзисторів (1012 - 1014 Ом).
Частіше у якості діелектрика використовують оксид кремнію і тоді ПТ називають МОН-транзистором (метал - окисид - НП). Такі транзистори бувають із вбудованим і індукованим каналами. Останні більш розповсюджені.
Конструкція МОН-транзистораз індукованим каналом n-типу зображена на рис. 2.29.
Рис. 2.29 - Конструкція МОН-транзистора з індукованим каналом
При позитивній напрузі на затворі відносно витоку поверхневий шар на межі НП з діелектриком збагачується електронами, які притягуються з глибини p-шару (де вони є завдяки тепловій генерації вільних носіїв заряду) до затвору: виникає явище інверсії НП у примежовій зоні, коли p-шар стає n-шаром. Таким чином, між зонами n-шарів наводиться (індукується) канал, по якому може протікати струм від стоку до витоку.
Вихідні ВАХ ПТ з ізольованим затвором подібні до ВАХ ПТ з керуючим р-п переходом, тільки характеристики проходять вище зі збільшенням напруги.
Умовні позначення МДН-транзисторів наведені на рис. 2.30.
Рис. 2.30 - Умовні позначення МДН-транзисторів з каналами: вбудованим n-типу (а); вбудованим р-типу (б); індукованим n-типу (в); індукованим р-типу (г)
ПТ широко використовують як дискретні компоненти електронних пристроїв, а також у складі інтегральних мікросхем.
Контрольні запитання:
-
На чому ґрунтується принцип роботи уніполярних транзисторів?
-
Які бувають типи польових транзисторів?
-
Їх принцип роботи?
-
Як графічно позначаються польові транзистори?
Інструкційна картка №9 для самостійного опрацювання навчального матеріалу з дисципліни «Основи електроніки та мікропроцесорної техніки»
І. Тема: 2 Електронні прилади
2.4 Електровакуумні та іонні прилади
Мета: Формування потреби безперервного, самостійного поповнення знань; розвиток творчих здібностей та активізації розумової діяльності.
ІІ. Студент повинен знати:
-
Що таке розряд;
-
Види розрядів у газах;
-
Газорозрядні прилади.
ІІІ. Студент повинен уміти:
-
Розрізняти основні газорозрядні прилади прилади.
ІV. Дидактичні посібники: Методичні вказівки до опрацювання.
V. Література: [5, с. 35-50].
VІ. Запитання для самостійного опрацювання:
-
Іонні прилади з самостійним розрядом – неонова лампа, стабілітрони, тиратрони тліючого розряду
VІІ. Методичні вказівки до опрацювання: Теоретична частина.
VІІІ. Контрольні питання для перевірки якості засвоєння знань:
-
В чому суть роботи газорозрядних приладів?
-
Які бувають розряди в газах?
-
Які прилади належать до приладів самостійного розряду?
-
Які прилади належать до приладів тліючого розряду?
ІХ. Підсумки опрацювання:















