62362 (597558), страница 5
Текст из файла (страница 5)
Мал. 2.15
За час позитивних напівперіодів вхідної напруги стабілітрон VD1 відкритий, а стабілітрон VD2 вихідна напруга обмежує по амплітуді на рівні напруги стабілізації. За час негативних напівперіодів вхідної напруги вихідна напруга буде обмежена по амплітуді на рівні напруги стабілізації стабілітрона VD1. Таким чином, вихідну напругу приймає вид змінної напруги трапецеїдальної форми, амплітуда якої визначається напругою стабілізації вживаних стабілітронів і не залежить від амплітуди вхідної напруги. Стабілізацію постійної напруги можна також отримати за допомогою діода, включеного в прямому напрямі. Кремнієві діоди, призначені для цієї мети, називають стабісторами. Для виготовлення стабісторів застосовують кремній з більшою концентрацією домішок. На відміну від стабілітронів стабістори мають малу напругу стабілізації (близько 0,7 В). Для розширення діапазону напруги стабілізації використовують послідовне з'єднання в одному корпусі декілька стабісторів. Параметри стабісторів аналогічні стабілітронам, а їх максимальний струм, потужність і теплові характеристики ті ж що і у випрямних діодів.
Маркування кремнієвих стабілітронів складається з чотирьох елементів.
Перший елемент - буква К або цифра 2.
Другий елемент - буква С.
Третій елемент - число, указує призначення і електричні властивості стабілітрона.
Для стабілітронів малої потужності Рстmах = 0,3 Вт для напруги стабілізації 0,1-9,9 В, 10-99 В і 100-199 ставлять числа відповідно 101 - 199, 210-299 і 300-399, Для стабілітронів середньої потужності (0 Вт < Рст mах < 5 Вт) на ту ж напругу ставлять числа відповідно 401-499, 510-599 і 600-699. Для стабілітронів великої потужності (Рстmах>5 Вт) на ту ж напругу ставлять числа відповідно 01-799, 810-899 і 900-999.
Четвертий елемент позначення - буква, що вказує на різновид стабілітрона.
Контрольні запитання:
-
Що називається стабілітроном?
-
Основними параметрами стабілітрона?
-
Як графічно позначається стабілітрон на принципіальних електричних схемах?
-
Привести схему стабілізації напруги.
Інструкційна картка №5 для самостійного опрацювання навчального матеріалу з дисципліни «Основи електроніки та мікропроцесорної техніки»
І. Тема: 2 Електронні прилади
2.2 Напівпровідникові діоди
Мета: Формування потреби безперервного, самостійного поповнення знань; розвиток творчих здібностей та активізації розумової діяльності.
ІІ. Студент повинен знати:
-
Способи з’єднання діодів;
-
Призначення варикапа
-
Основні параметри варикапа.
ІІІ. Студент повинен уміти:
-
Будувати схеми з’єднання діодів;
-
Використовувати при побудові схем варикапи.
ІV. Дидактичні посібники: Методичні вказівки до опрацювання.
V. Література: [2, с. 145-148].
VІ. Запитання для самостійного опрацювання:
-
Схеми з’єднання діодів
-
Варикапи.
VІІ. Методичні вказівки до опрацювання: Теоретична частина.
VІІІ. Контрольні питання для перевірки якості засвоєння знань:
-
Які використовуються способи з’єднання діодів при розробці схем випрямлячів?
-
Що таке варикап?
-
Будова та призначення варикапа?
-
Які основні параметри варикапа?
ІХ. Підсумки опрацювання:
Підготував викладач: Бондаренко І.В.
Теоретична частина: Напівпровідникові діоди
План:
-
Схеми з’єднання діодів
-
Варикапи.
Література
1. Схеми з’єднання діодів
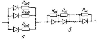
Мал. 9.3. Паралельне (а) і послідовне (б) з'єднання випрямних діодів.
При розробці схем випрямлячів може виникнути необхідність отримати випрямлений струм, що перевищує граничне допустиме значення для одного діода. В цьому випадку застосовують паралельне включення однотипних діодів (мал. 9.3, а).
Для вирівнювання струмів, що протікають через діоди, послідовно з діодами включаються омічні додаткові резистори близько декілька Ом. Це дозволяє штучно зрівняти прямі опори діодів, які для різних зразків приладів можуть бути істотно різними.
У високовольтних ланцюгах часто використовують послідовне з'єднання діодів (мал. 9.3, б). При такому з'єднанні напруга розподіляється між всіма діодами. Для забезпечення надійної роботи діодів паралельно кожному з них слід включити резистор (близько 100 кОм) для вирівнювання зворотних опорів, В цьому випадку напруга на всіх діодах буде рівною.
2. Варикапи
Варикапами називають напівпровідникові діоди, у яких використовується бар'єрна ємність замкнутого р-п-прехода, що залежить від величини прикладеної до діода зворотної напруги. Конструкція варикапа показана на рис, 9.12. У кристал кремнію 5 з однієї його сторони вплавляють у вакуумі алюмінієвий стовпчик 4 для отримання р - п -перехода, а з іншого боку - сплав золото - сурма для отримання омічного контакту 6. Ця структура вплавляється у вакуумі в коваровий позолочений кристалотримач 7. До алюмінієвого стовпчика прикріплений внутрішній вивод 5. З'єднання кристалотримача з балоном 3 і виводом 1 здійснюється сплавом у водні.
Рис 9.14 Дія зволротньої напруги на р - п-перехід:
а - подвійний шар зарядів в р - п-переході; б - зміна потенціалу φ уздовж переходу; в - зміна щільності об'ємного заряду р.
Для використання властивостей варикапа до нього необхідно підвести зворотну напругу (мал. 9,13)
Як відомо, за відсутності зовнішньої напруги між областями р і п існує контактна різниця потенціалів (потенційний бар'єр) і внутрішнє електричне поле. Якщо до діода прикласти зворотну напругу (рис, 9.14, а), то висота потенційного бар'єру між областями р і п зросте на величину прикладеної напруги (мал. 9,14, б), зросте і напруженість електричного поля в р - n-переході.
Рис, 9.12. Конструкція варикапа.
Мал. 9.13. Схема включення варикапа.
Зовнішня зворотна напруга відштовхує електрони глибше всередину області п, а дірки - всередину області р. В результаті відбувається розширення області р - n-переходу і тим більше, чим вище напруга (мал. 9.14, б і в).
Таким чином, зміна зворотної напруги, прикладеної до р, - n-переходу, приводить до зміни бар'єрній ємності між областями р і п.
Ширина р - п-переходу залежить від величини прикладеної до нього напруги, отже, бар'єрна ємність залежить від напруги: при зростанні замикаючої напруги ширина р - n-переходу збільшується, а його бар'єрна ємність зменшується .
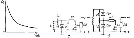
Основною характеристикою варикапа є залежність його ємності від величини зворотної напруги (вольт-фарадна характеристика). Типова характеристика показана на мал. 9.15. Залежно від призначення величина номінальної ємності варикапів може бути в межах від декількох пікофарад до сотень пікофарад.
Мал. 9.15. Залежність ємності варикапа від величини зворотної напруги.
Мал. 9.16. Схеми електронної настройки коливальних контурів
Залежність ємності варикапа від прикладеної напруги визначається технологією виготовлення р - п-переходу.
Параметри варикапів:
Номінальна ємність - ємність між виводами варикапа при номінальній напрузі зсуву.
Максимальна ємність - ємність варикапа при заданій мінімальній напрузі зсуву.
Мінімальна ємність - ємність варикапа при заданій максимальній напрузі зсуву.
Коефіцієнт перекриття - відношення максимальної ємності діода до мінімальної.
Добротність - відношення реактивного опору варикапа до повного опору втрат, зміряне на номінальній частоті при температурі 20° С.
Максимально допустима напруга - максимальне миттєве значення змінної напруги, що забезпечує задану надійність при тривалій роботі.
Температурний коефіцієнт ємності (ТКЕ) - відношення відносної зміни ємності при заданій напрузі до того, що викликав його абсолютній зміні температури навколишнього середовища.
Максимально допустима потужність - максимальне значення потужності, що розсіюється на варикапі, при якому забезпечується задана надійність при тривалій роботі.
Основне застосування варикапа - електронна настройка коливальних контурів. На рис, 9.16, а приведена схема включення варикапа в коливальний контур. Контур утворений індуктивністю і місткістю варикапа Св. Розділовий конденсатор Ср служить для того, щоб індуктивність не шунтувала варикап по постійному струму. Ємність конденсатора Ср повинна бути в декілька десятків разів більше ємності варикапа.
Дана схема має істотний недолік - напруга високої частоти впливає на варикап, змінюючи його ємність. Це веде до розладу контура. Включення варикапів по схемі, показаній на мал. 9.16, б, дозволяє значно зменшити розлад контура при дії змінної напруги. Тут варикапи включені по високій частоті послідовно назустріч один одному. Тому при будь-якій зміні напруги на контурі ємність одного варикапа збільшується, а іншого зменшується. По постійній напрузі варикапи включені паралельно.
Найбільший випрямлений струм - найбільше допустиме середнє значення випрямленого струму за період.
Пряме падіння напруги - напруга на діоді при встановленому випрямленому струмі, що протікає через нього .
Найбільша зворотна напруга - напруга, яка може бути прикладене до діода у зворотному напрямі протягом тривалого часу без небезпеки порушення нормальної роботи діода.
Найбільший зворотний струм - струм через діод у зворотному напрямі при прикладеному до нього найбільшій допустимій зворотній напрузі.
Найбільша допустима потужність розсіювання - допустиме значення розсіюваної потужності, при якій забезпечується задана надійність при тривалій роботі діода.
Діапазон частот - смуга частот, в межах якої випрямлений струм, діода не зменшується нижче заданого рівня.
Контрольні запитання:
-
Які використовуються способи з’єднання діодів при розробці схем випрямлячів?
-
Що таке варикап?
-
Будова та призначення варикапа?
-
Які основні параметри варикапа?
Інструкційна картка №6 для самостійного опрацювання навчального матеріалу з дисципліни «Основи електроніки та мікропроцесорної техніки»
І. Тема: 2 Електронні прилади
2.2 Напівпровідникові діоди
Мета: Формування потреби безперервного, самостійного поповнення знань; розвиток творчих здібностей та активізації розумової діяльності.
ІІ. Студент повинен знати:
-
Призначення та конструкцію світлодіода;
-
Призначення та конструкцію фотодіода;
-
Маркування.
ІІІ. Студент повинен уміти:
-
Визначати приналежність елемента за його умовними позначеннями;
-
Використовувати при побудові схем фото- та світлодіоди.
ІV. Дидактичні посібники: Методичні вказівки до опрацювання.
V. Література
















