62362 (597558), страница 16
Текст из файла (страница 16)
Для збільшення вихідної потужності застосовуються двотактні схеми автогенераторів, які по суті є поєднанням однотактних схем із загальним контуром, загальним живленням і іншими загальними елементами. Побудова такої схеми ілюструється мал. 18.6.
Контрольні запитання:
-
Що собою являють трьохточкові схеми автогенераторів?
-
Як здійснюються режим за постійним струмом і його термостабілізація?
-
Які схеми автогенераторів застосовуються для збільшення вихідної потужності?
Інструкційна картка №22 для самостійного опрацювання навчального матеріалу з дисципліни «Основи електроніки та мікропроцесорної техніки»
І. Тема: 3 Основи аналогової електронної схемотехніки
3.3 Випрямлячі. Стабілізатори
Мета: Формування потреби безперервного, самостійного поповнення знань; розвиток творчих здібностей та активізації розумової діяльності.
ІІ. Студент повинен знати:
-
Призначення випрямлячів;
-
Область застосування випрямлячів з помноженням напруги;
-
Область застосування трифазних випрямлячів;
-
Будову та принцип роботи схем.
ІІІ. Студент повинен уміти:
-
Застосовувати схеми випрямлячів при побудові електричних схем;
-
Викреслювати схеми випрямлячів.
ІV. Дидактичні посібники: Методичні вказівки до опрацювання.
V. Література: [1, с. 199-205], [2, с. 360-362].
VІ. Запитання для самостійного опрацювання:
-
Випрямлячі з помноженням напруги.
-
Трифазні випрямлячі.
VІІ. Методичні вказівки до опрацювання: Теоретична частина.
VІІІ. Контрольні питання для перевірки якості засвоєння знань:
-
Навіщо використовуються випрямлячі з помноженням напруги?
-
Який принцип роботи найпростішої схеми випрямляча з помноженням напруги?
-
Яка область застосування трифазних випрямлячів?
-
Що собою являє схема Міткевича та Ларіонова?
ІХ. Підсумки опрацювання:
Теоретична частина: Випрямлячі. Стабілізатори
План:
-
Випрямлячі з помноженням напруги.
-
Трифазні випрямлячі.
Література
1. Випрямлячі з помноженням напруги
Для підвищення випрямленої напруги на навантаженні при заданій напрузі на вторинній обмотці трансформатора або за відсутності трансформатора, що підвищує, з необхідним коефіцієнтом трансформації застосовують схеми випрямляння з помноженням напруги. Як додаткові джерела ерс, призначених для збільшення вихідної напруги, в цих схемах використовують конденсатори, що періодично заряджають через діоди.
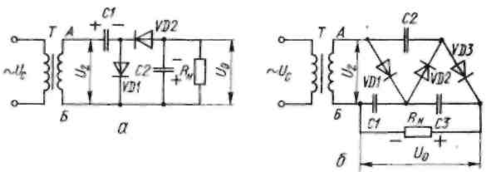
Мал. 19.6. Схеми випрямлячів з помноженням напруги:
а - с подвоєнням; б - з потроєнням.
Проста схема випрямляча з помноженням напруги приведена на мал. 19.6, а. Діє така схема таким чином. Протягом позитивного напівперіоду, коли потенціал точки А вторинної обмотки силового трансформатора позитивний щодо точки Б, конденсатор С1 заряджається через діод VD1 до напруги, рівної амплітуді напруги на вторинній обмотці трансформатора U2m. У другий напівперіод, коли потенціал точки А стає негативним, а точки Б - позитивним, вторинна обмотка трансформатора виявляється сполученою з конденсатором С1 таким чином, що напруга на їх виводах складається. Під впливом цієї сумарної напруги конденсатор С2 через діод VD2 заряджається майже до подвоєного значення амплітудної напруги на виводах вторинної обмотки трансформатора 2U2m. В процесі заряду конденсатора С2 відбувається розряд конденсатора С1. Потім процес повторюється. При цьому напруга на опорі навантаження, підключеному паралельно конденсатору С2, пульсує з частотою напруги мережі.
На мал. 19.6, б приведена схема з потроєнням напруги. У позитивний напівперіод, коли потенціал точки А позитивний щодо точки Б, конденсатор С1 заряджає через діод VD1 до напруги U2m. У наступний напівперіод конденсатор С2 заряджає через діод VD2 до напруги, рівної сумі напруги конденсатора С1 і вторинної обмотки трансформатора, тобто приблизно до напруги 2U1m. Конденсатор С1 в цей час розряджається. У подальший напівперіод, коли відбувається повторна зарядка конденсатора С1 через діод VD1, закритим опиниться діод VD2 і конденсатор С2 розрядиться через діод VD3 на конденсатор C3, зарядивши його до напруги 2U2m. Після закінчення заряду конденсатора С1 (до кінця третього напівперіоду) опір навантаження опиниться під сумарною напругою конденсаторів С1 і С2 тобто приблизно під потрійною напругою U2m.
По аналогії з розглянутими схемами можуть бути побудовані схеми з більшою кратністю множення напруги - скільки завгодно великою. Проте чим вище кратність множення напруги, тим більше діодів і конденсаторів повинні бути в схемі і тим більше високу напругу вони повинні витримувати.
Схеми з помноженням напруги не можуть забезпечити на навантаженні великий випрямлений струм. Пояснюється це тим, що при великому струмі навантаження конденсатори, що входять в схему випрямляча, повинні мати дуже велику ємність. Інакше вони швидко розряджатимуться і пульсації напруги на навантаження стануть неприпустимо великими. Тому такі схеми застосовуються в основному для отримання високої напруги при малому струмі навантаження.
2. Трифазні випрямлячі
Для живлення навантажень середньої і великої потужності використовують трифазні випрямні схеми, які мають порівняно з однофазними ряд переваг:
- краще використовуються вентилі за струмом;
- суттєво нижчий коефіцієнт пульсацій;
- ефективне використання габаритної потужності трансформатора;
- більш ефективне використання зглажуючих фільтрів.
До мережі трифазні випрямлячі підминаються через трифазні трансформатори, обмотки яких вмикаються зіркою або трикутником.
Найрозповсюдженішими є такі два типи схем трифазних випрямлячів:
1) однопівнеріодна з нульовим виводом (схема Міткевича);
2) двопівперіодна мостова (схема Ларіонова).
Схема Міткевича
Однопівнеріодна схема з нульовим виводом (схема Міткевича) зображена на рис. 9.10.
Рис. 9.10- Трифазна схема з нульовим виводом (схема Міткевича)
Ця схема складається із трифазного трансформатора ТV, випрямних діодів VD1-VD3 та навантаження Rн , яке вмикається між спільним виводом вторинних обмоток трансформатора (нульовим виводом) та спільною точкою з'єднання випрямних діодів. Фактично ця схема являє собою три однофазних однопівперіодних випрямляча, увімкнених паралельно. Тому первинні обмотки трансформатора можуть з'єднуватися як зіркою, так і трикутником (забезпечуючи, наприклад, підминання до мережі з фазною напругою 220 чи 127 вольт), а вторинні - лише зіркою.
Рис. 9.11 - Часові діаграми роботи схеми Міткевича
Випрямні діоди працюють по черзі. За період напруги живлення кожен діод знаходиться у провідному стані третину періоду, причому проводить той діод, до анода якого на даний момент прикладена найбільш позитивна фазна напруга.
Частота пульсації випрямленої напруги в три рази перевищує частоту мережі.
Недоліком даної схеми є наявність постійного підмагнічування магнітопроводу трансформатора, зумовленого тим, що, як і у будь-якої однотактної схеми, вторинною обмоткою трансформатора струм за період проходить лише один раз і в одному напрямку, тобто цей струм має постійну складову. Це вимагає використання трансформатора із підвищеним перерізом магнітопроводу (підвищеної встановленої потужності).
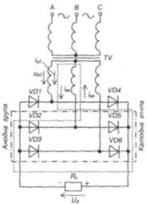
Схема Ларіонова
Трифазна мостова (двотактна) схема (схема Ларіонова) зображена на рис. 9.12. У цій схемі і первинна, і вторинна обмотки трансформатора можуть вмикатися як зіркою, так і трикутником. Можливість вмикання вторинної обмотки двома способами забезпечує можливість отримання двох різних вихідних напруг випрямляча, значення яких відрізняються у
раз.
Надалі будемо розглядати схему при вмиканні вторинних обмоток у зірку.
Тут шість випрямних діодів увімкнені у трифазну мостову схему і утворюють дві групи: анодну - VD1.VD2, VD3 та катодну - VD44 VD5, VD6.
Рис. 9.12 - Трифазна мостова схема (схема Ларіонова)
Навантаження вмикається між спільними точками анодної і катодної груп діодів. Можна виділити три однофазних мости, що підімкнені до лінійних (у даному разі) вторинних напруг і паралельно до навантаження. Один з таких мостів на схемі обведено штрих-пунктирною лінією.
У провідному стані завжди знаходяться два діоди: один з анодної групи і один з катодної. Причому струм у схемі протікає від фази з найбільш позитивною на даний момент напругою до фази з найбільш негативною напругою, як, наприклад, струм і у момент часу, що відповідає &/t показаний на часових діаграмах, які ілюструють роботу схеми і наведені на рис. 9.13. На діаграмі и, також вказано проміжки, на яких у провідному стані знаходяться відповідні діоди.
Рис. 9.13 - Часові діаграми роботи схеми Ларіонова
Час протікання струму через кожен з діодів відповідає
. Струм навантаження в даній схемі викликаний лінійною напругою. Основні розрахункові співвідношення можна отримати із часової діаграми випрямленої напруги, наведеної на рис. 9.14.
Рис. 9.14 - Розрахункова часова діаграма випрямленої напруги схеми Ларіонова
Частота пульсації випрямленої напруги перевищує частоту мережі у шість разів.
У цій схемі відсутнє підмагнічування магнітопроводу, оскільки у вторинному колі кожної обмотки трансформатора за період напруги мережі струм протікає двічі, причому у різних напрямках.
Схема Ларіонова у порівнянні зі схемою Міткевича маэ такі переваги:
1) за рівних фазних напруг середнє значення випрямленої напруги у два рази вище (потрібно задавати меншу кількість витків вторинних обмоток трансформатора);
2) більш низький коефіцієнт пульсацій (менш ніж шість відсотків), що часто дозволяє використовувати схему Ларіонова без фільтра;
3) краще використання трансформатора за потужністю за рахунок відсутності підмагнічування осердя.
Щоправда, кількість діодів у схемі Ларіонова в два рази більша, але, як було зазначено раніше, на даний час це несуттєво (за винятком випрямлення малих за значенням напруг), оскільки вартість діодів невелика порівняно з вартістю трансформатора, який в схемі Міткевнича повинен бути приблизно на сорок відсотків потужнішим.
Контрольні запитання:
-
Навіщо використовуються випрямлячі з помноженням напруги?
-
Який принцип роботи найпростішої схеми випрямляча з помноженням напруги?
-
Яка область застосування трифазних випрямлячів?
-
Що собою являє схема Міткевича та Ларіонова?
Інструкційна картка №23 для самостійного опрацювання навчального матеріалу з дисципліни «Основи електроніки та мікропроцесорної техніки»
І. Тема: 3 Основи аналогової електронної схемотехніки
3.3 Випрямлячі. Стабілізатори
Мета: Формування потреби безперервного, самостійного поповнення знань; розвиток творчих здібностей та активізації розумової діяльності.
ІІ. Студент повинен знати:
-
Призначення випрямлячів;
-
Область застосування керованих випрямлячів;
-
Основні методи регулювання напруги постійного струму керованих випрямлячів;
-
Призначення та класифікація автономних інверторів;
-
Будову та принцип роботи схем.
ІІІ. Студент повинен уміти:
-
Застосовувати схеми випрямлячів при побудові електричних схем;
-
Викреслювати схеми випрямлячів та інверторів.
ІV. Дидактичні посібники: Методичні вказівки до опрацювання.
V. Література: [1, с. 252-260].
VІ. Запитання для самостійного опрацювання:
-
Керовані випрямлячі
-
Однофазний двопівперіодний керований випрямляч з нульовим виводом
-
Автономні інвертори. Призначення та класифікація
-
Однофазний інвертор струму
-
Півмостовий однофазний інвертор напруги
VІІ. Методичні вказівки до опрацювання: Теоретична частина.
VІІІ. Контрольні питання для перевірки якості засвоєння знань:
-
Що називається керованим випрямлячем?
-
Які основні методи регулювання напруги постійного струму керованих випрямлячів?
-
Принцип роботи однофазного двопівперіодного керованого випрямляча з нульовим виводом?
-
Призначення та класифікація автономних інверторів?
-
Призначення та принцип роботи однофазного інвертора струму?
-
Що собою являє півмостовий однофазний інвертор напруги?
ІХ. Підсумки опрацювання:
Підготував викладач: Бондаренко І.В.















