62362 (597558), страница 15
Текст из файла (страница 15)
Мета: Формування потреби безперервного, самостійного поповнення знань; розвиток творчих здібностей та активізації розумової діяльності.
ІІ. Студент повинен знати:
-
Принцип роботи простих ППС?
-
Принцип роботи диференційного підсилювача.
ІІІ. Студент повинен уміти:
-
Читати схеми де використовуються підсилювачі;
-
Будувати схеми ППС.
ІV. Дидактичні посібники: Методичні вказівки до опрацювання.
V. Література: [1, с. 110-111].
VІ. Запитання для самостійного опрацювання:
-
Підсилювачі постійного струму прямого підсилення.
-
Диференційні підсилювачі.
VІІ. Методичні вказівки до опрацювання: Теоретична частина.
VІІІ. Контрольні питання для перевірки якості засвоєння знань:
-
Що являється найпростішим представником підсилювача постійного струму?
-
В чому суть роботи двокаскадного ППС прямого підсилення?
-
Принцип роботи диференційного підсилювача?
ІХ. Підсумки опрацювання:
Підготував викладач: Бондаренко І.В.
Теоретична частина: Підсилювачі
План:
-
Підсилювачі постійного струму прямого підсилення.
-
Диференційні підсилювачі.
Література
1. Підсилювачі постійного струму прямого підсилення
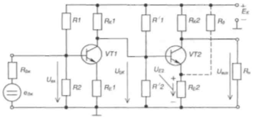
Найпростішим представником ППС є підсилювач прямого підсилення з безпосередніми зв'язками. Розглянемо схему двокаскадного підсилювача прямого підсилення, зображену на рис. 4.2.
Рис. 4.2 - Двокаскадний підсилювач постійного струму прямого підсилення
Він складається з двох каскадів, виконаних за схемою з СЕ. Призначення елементів те ж саме, що і у підсилювачах змінного струму. Вхідний сигнал, що надходить до входу першого каскаду, підсилюється і з колектора транзистора VT 1 подається на вхід другого каскаду, виконаного на транзисторі VT2. Після повторного підсилення, сигнал надходить на навантаження R .
На відміну від підсилювача змінного струму, де режим спокою вибирається за умов найліпшого підсилення вхідного сигналу і не впливає на навантаження завдяки наявності реактивних елементів зв'язку, у цьому підсилювачі процеси протікають по іншому.
Напруга спокою першого каскаду U0K безпосередньо подасться на вхід другого і, якщо не прийняти спеціальних заходів, під її дією транзистор насичується. Тобто ні про яке підсилення не може йти мови. Для того, щоб виключити це явище, до емітерного кола VT2 вводять резистор Rе2 на якому виділяється напруга UЕ2 що компенсує напругу UОК, оскільки спрямована зустрічно.
Наявність великих Rе1 та Rе2 призводить до виникнення в схемі глибоких ВЗЗ, що значно знижує коефіцієнт підсилення. Тому такі підсилювачі мають обмежену кількість каскадів (зазвичай не більше двох).
Для того, щоб знизити величину емітерної напруги, можна використати дільник напруги (зображений на рис. 4.2 пунктиром). У цьому випадку навіть на малому опорі Rе2 можна одержати потрібний рівень напруги. Але зменшення ВЗЗ призводить до підвищення втрат потужності, а отже, до зниження к.к.д.
Даний підсилювач має велике значення дрейфу нуля і використовується у випадках, коли немає високих вимог до якості підсилення. Для підвищення стабільності схеми в якості RЕ1 і RE2, використовують терморезистори.
2. Диференційні підсилювачі
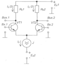
Балансний підсилювач, у емітерне коло якого замість RЕ увімкнене джерело струму (наприклад, транзистор, якому задано фіксоване значення струму бази), має назву диференційного (різницевого - бо підсилює різницю напруг між входами) підсилювача. Його схему наведено на рис. 4.6.
Рис. 4.6 - Диференційний підсилювач
Щодо нього слід зазначити наступне. Вхідний сигнал може бути подано не тільки як диференційний (між входами Вх.1 і Вх.2). Його можна також подавати на будь-який з входів відносно точки з нульовим потенціалом.
Навантаження також може бути підімкнене не тільки між обома виходами (симетричний вихід), але й до одного виходу і нульової точки (несиметричний вихід). При цьому, якщо це, наприклад, Вих.2, то Вх.1 для нього буде неінвертуючим: зміни сигналу на виході співпадають по знаку (фазі - для змінного струму) зі змінами вхідного сигналу; Вх.2 буде інвертуючим: зміни вихідного сигналу по знаку (фазі) протилежні змінам вхідного.
При несиметричному вході один з колекторних резисторів (від якого не робиться вихід) можна не встановлювати.
Якщо на обидва входи подані відносно нульової точки однакові по знаку і величині сигнали (синфазний сигнал), то напруга на виході дорівнюватиме нулю - підсилювач підсилює тільки різницевий сигнал.
Диференцінні підсилювачі знайшли широке використання при побудові ППС в інтегральному виконанні.
Контрольні запитання:
-
Що являється найпростішим представником підсилювача постійного струму?
-
В чому суть роботи двокаскадного ППС прямого підсилення?
-
Принцип роботи диференційного підсилювача?
Інструкційна картка №20 для самостійного опрацювання навчального матеріалу з дисципліни «Основи електроніки та мікропроцесорної техніки»
І. Тема: 3 Основи аналогової електронної схемотехніки
3.1 Підсилювачі
Мета: Формування потреби безперервного, самостійного поповнення знань; розвиток творчих здібностей та активізації розумової діяльності.
ІІ. Студент повинен знати:
-
Принцип роботи балансного підсилювача.
-
Будову балансного підсилювача.
ІІІ. Студент повинен уміти:
-
Читати схеми де використовуються підсилювачі;
-
Будувати схеми балансного підсилювача.
ІV. Дидактичні посібники: Методичні вказівки до опрацювання.
V. Література: [1, с. 106-110].
VІ. Запитання для самостійного опрацювання:
-
Балансні підсилювачі
VІІ. Методичні вказівки до опрацювання: Теоретична частина.
VІІІ. Контрольні питання для перевірки якості засвоєння знань:
-
Що собою являє балансний підсилювач?
-
На основі чого будуються балансні підсилювачі?
-
Принцип роботи простого балансного підсилювача?
ІХ. Підсумки опрацювання:
Підготував викладач: Бондаренко І.В.
Теоретична частина: Підсилювачі
План:
-
Балансні підсилювачі
Література
1. Балансні підсилювачі
Балансні ППС будуються на основі чотириплечого моста з паралельним балансом, схема якого наведена на рис. 4.3.
Рис. 4.3 - Чотириплечий міст
Напруга на виході мосту не залежить від змін напруги живлення чи від пропорційних змін параметрів плечей.
На рис. 4.4 зображена найпростіша схема балансного підсилювача.
Рис. 4.4 - Балансний підсилювач
Він складається з двох каскадів на транзисторах VTI і VT2. Причому параметри елементів обох каскадів повинні бути практично однаковими (в тому числі і транзисторів, що досить важко виконати).
Підсилювач являє собою чотириплсчий міст, де роль резистора R1 виконує Rk1, R2 - опір транзистора VT1 R4 - опір транзистора VT2.
Якщо вхідний сигнал відсутній, напруга на навантаженні дорівнює нулю (коли схема абсолютно симетрична). Дрейф нуля практично у 20 - 30 разів менший, ніж у підсилювача з безпосередніми зв'язками, оскільки визначається різницею І0К1 та І0К2.
За наявності вхідного сигналу з полярністю, що вказана на рис. 4.4, транзистор VT1 трохи відкривається, його колекторний струм зростає, а транзистор VT2 пропорційно закривається і його колекторний струм зменшується. Внаслідок цього на навантаженні Rh з'являється напруга розбалансу .
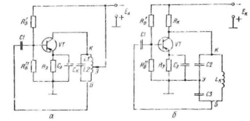
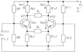
Недоліком такого ППС є наявність значного ВЗЗ, зумовленого великими значеннями R1 і R2. Виключити цей недолік дозволяє схемо-технічне рішення, наведене на рис. 4.5.
Рис. 4.5 - Вилучення впливу ВЗЗ у балансному підсилювачі
Таким чином, відносні зміни струмів емітерів під дією вхідного сигналу взаємно компенсуються, виключаючи ВЗЗ за підсилюваним сигналом. ВЗЗ за постійним струмом залишається.
R0, крім того, що вирівнює потенціали емітерів, як і в попередній схемі, у даному разі ще й забезпечує балансування схеми при незначних відхиленнях параметрів елементів.
Контрольні запитання:
-
Що собою являє балансний підсилювач?
-
На основі чого будуються балансні підсилювачі?
-
Принцип роботи простого балансного підсилювача?
Інструкційна картка №21 для самостійного опрацювання навчального матеріалу з дисципліни «Основи електроніки та мікропроцесорної техніки»
І. Тема: 3 Основи аналогової електронної схемотехніки
3.2 Генератори синусоїдальних коливань
Мета: Формування потреби безперервного, самостійного поповнення знань; розвиток творчих здібностей та активізації розумової діяльності.
ІІ. Студент повинен знати:
-
Трьохточкові схеми автогенераторів;
-
Будову автогенераторів.
ІІІ. Студент повинен уміти:
-
Читати схеми де використовуються автогенератори;
-
Будувати схеми транзисторних автогенераторів.
ІV. Дидактичні посібники: Методичні вказівки до опрацювання.
V. Література: [2, с. 338-340].
VІ. Запитання для самостійного опрацювання:
-
Різновиди схем транзисторних автогенераторів
VІІ. Методичні вказівки до опрацювання: Теоретична частина.
VІІІ. Контрольні питання для перевірки якості засвоєння знань:
-
Що собою являють трьохточкові схеми автогенераторів?
-
Як здійснюються режим за постійним струмом і його термостабілізація?
-
Які схеми автогенераторів застосовуються для збільшення вихідної потужності?
ІХ. Підсумки опрацювання:
Підготував викладач: Бондаренко І.В.
Теоретична частина: Генератори синусоїдальних коливань
План:
-
Різновиди схем транзисторних автогенераторів
Література
1. Різновиди схем транзисторних автогенераторів
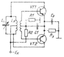
Крім схеми з трансформаторним зв'язком, широкого поширення в електронній апаратурі набули так звані трьохточкові схеми з автотрансформаторним (мал. 18.5, а) і ємнісним зв'язком (мал. 18.5.б).
Мал. 18.5. Трьохточкові схеми автогенераторів:
а - з автотрансформаторним, би - із ємнісним зв'язком.
Мал. 18.6. Двотактна схема автогенератора
Режим за постійним струмом і його термостабілізація здійснюються в приведених схемах так само, як і в схемі мал. 18.1. По змінному струму високої частоти контур приєднується до трьох електродів транзистора - емітеру, базі, колектору - трьома точками: Е, Б, К. У схемі, приведеній на мал. 18.5, а, вивід від відповідного витка контурної котушки підключено до емітера транзистора через малий внутрішній опір джерела живлення.
Напруга зворотного зв'язку (мал. 18.5, а) знімається з частини витків контурної котушки (L2) і через конденсатор С1 поступає на базу транзистора. Оскільки знаки миттєвої напруги на L1 і L2 щодо середньої точки протилежні, тобто зсунуті між собою по фазі на 180º, а підсилювальний каскад повертає фазу ще на 180°, то зворотний зв'язок буде позитивним, тобто умова балансу фаз виконується. Аналогічно працює і схема, приведена на мал. 18.5, б, тільки тут напруга зворотного зв'язку знімається з конденсатора ЗЕ.















