62362 (597558), страница 18
Текст из файла (страница 18)
Рис. 9.39 - Регулювальна характеристика керованого випрямляча
Залежність середньої випрямленої напруги на навантаженні від кута α називається регулювальною характеристикою, яка має вигляд синусоїди, зміщеної на величину Ud0/2. Регулювальна характеристика наведена на рис. 9.39. Вона нелінійна, бо лінійним змінам кута α відповідають нелінійні зміни площі під кривою синусоїди.
Керовані випрямлячі широко використовуються для створення регульованих джерел напруги при регулюванні нагрівачів, освітлювальних приладів, швидкості обертання електродвигунів і т.п.
3. Автономні інвертори. Призначення та класифікація
Автономні інвертори - це пристрої, що працюють на автономне навантаження і призначені для перетворення напруги постійного струму в напругу змінного струму заданої або регульованої частоти.
Застосовують автономні інвертори:
1) у системах електропостачання споживачів змінного струму, коли єдиним джерелом живлення є джерело напруги постійного струму (наприклад, акумуляторна або сонячна батарея);
2) у системах гарантованого електропостачання при зникненні напруги мережі живлення (наприклад, для особистих потреб електростанцій - для живлення пристроїв контролю, вимірювання, захисту, ЕОМ);
3) для живлення технологічного устаткування, частота напруги якого відрізняється від промислової частоти 50 Гц;
4) для частотного регулювання швидкості асинхронних двигунів;
5) для живлення споживачів змінного струму від ліній електропостачання постійного струму;
6) для перетворення постійної напруги одного рівня у постійну напругу іншого рівня (конвертування напруг).
Комутаційними елементами в інверторах є тиристори або силові транзистори.
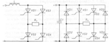
Залежно від специфіки електромагнітних процесів розрізняють інвертори струму та інвертори напруги. На рис. 10.1 зображені приклади їхніх схем.
В інверторах струму силове коло схеми підминається до джерела постійної напруги через дросель L з великим індуктивним опором (як відомо, джерело струму повинно мати великий опір).
Рис. 10.1 - Автономні інвертори струму (а) та напруги (б)
В інверторах напруги паралельно джерелу живлення вмикається конденсатор великої ємності, чим виключається вплив на роботу пристрою внутрішнього опору джерела (отримуємо джерело напруги за змінним струмом).
Таким чином, комутація тиристорів в інверторах струму проводиться за сталого струму, а в інверторах напруги - за сталої напруги.
При роботі інвертора схема керування почергово вмикає пари тиристорів VS1, VS4 або VS2, VS3, завдяки чому на навантаженні Rн виникає змінна напруга - за допомогою ключової схеми навантаження підмикається таким чином, щоб в ньому протікав струм різних напрямків.
Якщо навантаження інвертора напруги має індуктивний або активно-індуктивнин характер, то паралельно тиристорам вмикають зворотні діоди (VD1-VD4 на рис. 10.1,б). Цим забезпечується передача накопичуваної в індуктивності енергії назад у джерело живлення.
Основною проблемою при проектуванні інверторів є забезпечення надійного вимикання тиристорів, що знаходяться у провідному стані, перед вмиканням тиристорів, що не проводили струм. Це реалізується використанням схем примусової комутації, що забезпечують запирання тиристорів у колах постійного струму (див. розділ 2.6.2).
Зверніть увагу на те, що вентильна схема в наведених інверторах є мостовою, як і у випрямлячі (що є перетворювачем напруги змінного струму в напругу постійного струму). Звідси висновок - керовані вентильні схеми є зворотними. Вони можуть передавати енергію як в одному, так і в іншому напрямку, залежно від місця вмикання джерела і навантаження і від алгоритму керування.
4. Однофазний інвертор струму
Схема однофазного інвертора струму з трансформаторним виходом зображена на рис. 10.2. Почергово вмикання тиристорів VSI або VS2 забезпечує виникнення на навантаженні Rн змінної напруги.
Рис. 10.2 - Однофазний інвертор струму з трансформаторним виходом
Дросель L забезпечує незмінність величини струму у силовому колі. С - комутуючий конденсатор, який забезпечує примусове вимикання тиристорів.
Первинні пів обмотки трансформатора ТV
підімкнені до тиристорів VS1 і VS2 відповідно, а його вторинна обмотка w2 - до навантаження Rн.
Схема керування тиристорами СК забезпечує подачу керуючих імпульсів на тиристори (у найпростішому випадку цe може бути симетричний мультивібратор, що працює в автоколивальному режимі).
Працює інвертор наступним чином.
При надходженні від СК керуючого імпульсу до VS1 він вмикається і напруга джерела живлення подається на півобмотку
. Потік у магнітопроводі трансформатора змінюється і наводить у обмотках w2 і
ЕРС із полярністю, яка на схемі вказана без дужок. При цьому комутуючий конденсатор Ск, який підімкнено паралельно до первинної обмотки трансформатора, заряджається до напруги 2Uдж, а на навантаженні з'являється позитивний сплеск напруги.
Після закінчення проміжку часу, що відповідає додатній півхвилі змінної напруги навантаження, СК вмикає тиристор VS2 і напруга джерела живлення подається на півобмотку
Конденсатор Ск через VS2 підмикається паралельно до VSl, причому полярність напруги на ньому є такою, що вимикає останній.
Полярність ЕРС, наведеної в обмотках трансформатора після вмикання VS2, на схемі показана у дужках. Конденсатор С починає перезаряджатись до напруги 2Uдж із зворотною полярністю(вказана на схемі також у дужках). На навантаженні виникає негативний сплеск напруги.
По закінченні проміжку часу, що відповідає від'ємній півхвилі змінної напруги, СК знову вмикає тиристор VSI і процеси повторюються.
Роботу однофазного інвертора струму ілюструють часові діаграми, наведені на рис. 10.3.
Рис. 10.3 - Часові діаграми роботи однофазного інвертора струму
Таким чином, інвертор формує на навантаженні змінну напругу, форма якої визначається формою напруги на конденсаторі Ск і залежить від величини опору навантаження. Зі збільшенням останнього постійна часу заряду конденсатора збільшується і форма напруги на ньому наближається до трикутної. Її амплітуда при цьому збільшується (при збереженні середнього за півперіода значення напруги). У результаті, при холостому ході за відсутності втрат в елементах пристрою напруга на навантаженні і конденсаторі безмежно зростає (реально виникають значні перенапруги) - джерело струму намагається підтримувати величину струму незмінною. Це може призвести до виходу інвертора з ладу.
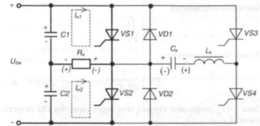
5. Півмостовий однофазний інвертор напруги
Схема півмостового однофазного інвертора напруги зображена на рис. 10.4. Силові ланцюги виділені на ній більш товстими.
Такого типу схеми називають півмостовими, бо половину мосту в них складають вентилі (тут - тиристори VS1 і VS2), а другу - інші елементи (тут - конденсатори С1 і С2).
Решта елементів є елементами схеми примусової комутації. Так тиристор VS3, діод VD1 разом з комутуючими конденсатором Ск і дроселем Lk утворюють контур примусового вимикання тиристора a VS4 і VD2 разом з Ск і Lк - контур примусового вимикання тиристора VS2.
Почергове вмикання тиристорів VS1 і VS2 призводить до підмикання до навантаження напруги конденсатора C1 (протікає сгрум Ін1) або конденсатора С2, з такою ж напругою (протікає струм Ін2).
Рис. 10.4 - Півмостовий однофазний інвертор напруги
Робота схеми полягає у наступному.
Після підмикання джерела живлення і заряду конденсаторів С1 і С2, схема керування (на рисунку не показана) вмикає спочатку, наприклад, тиристор VS4.
Конденсатор Ск заряджається до напруги Uдж/2 з полярністю, вказаною на рисунку без дужок по контуру (+С2, Rн, Ск, Lк, VS4, -С2). Після закінчення заряду Cк VS4 сам вимикається, бо струм через нього знижується до нуля.
Це є підготовчим етапом роботи пристрою.
Далі схема керування вмикає тиристор VS1 і на навантаженні з'являється додатна напруга (полярність вказана без дужок).
По закінченні тривалості півперіоду схема керування вмикає тиристор VS3.
Відкритий тиристор VS3 і зустрічно-паралельно увімкнені тиристор VS1 та діод VD1 утворюють контур коливального перезаряду кондесатора Ск. Струм розряду Ск змінюється за синусоїдним законом, бо Lk з Ск являють собою послідовний резонансний коливальний контур.
Як тільки виявиться, що
струм тиристора VS1 потече через VD1. До тиристора VS1 тепер прикладається зворотна напруга, яка дорівнює падінню напруги на VD1 (до одного вольта) і VSI закривається. Час протікання струму через VD1 називається часом запирання тиристора VS1 Він повинен перевищувати час вимикання тиристора.
По закінченні коливального перезаряду конденсатора Ск струм ік=0, а Ск виявляється зарядженим до напруги зі зворотною полярністю (на схемі у дужках), a VS3 сам вимикається.
Тепер схема готова до наступного циклу роботи, коли на навантаженні буде формуватись від'ємна півхвиля напруги (полярність вказана у дужках), для чого схема керування спочатку вмикає тиристор VS2, а по закінченні тривалості півхвилі - тиристор VS4 і т. д.
Тиристори VS3 і VS4 мають потужність значно меншу за VS1 і VS2, бо працюють короткочасно (тільки на час запирання силових тиристорів).
Інвертор напруги формує на навантаженні напругу, а форма струму залежить від характеру навантаження.
Часові діаграми роботи контуру примусового запирання тиристорів наведені на рис. 10.5.
















