Васюков В.Н. - Теория электрическо связи - Часть 1. Теория сигналов (1275347), страница 8
Текст из файла (страница 8)
Очевидно, спектр напряжения содержит одну гармоническую составляющую (гармонику) с частотой
, а спектр крутизны – две составляющие с частотами 0 и
.
Тогда ток, протекающий через элемент, равен сумме гармонических составляющих (гармоник), амплитуды и начальные фазы которых образуют соответственно амплитудный и фазовый спектры:
Как видно, в спектре тока присутствуют гармонические составляющие с частотой
, а также с суммарной
и разностной
частотами. Очевидно, что в случае более сложного спектрального состава напряжения и/или крутизны количество новых частот будет больше (в любом случае спектральные коэффициенты можно найти по тригонометрическим формулам, раскрывая произведения косинусов и/или синусов).
Наличие в спектре колебания составляющих с суммарной и разностной частотами позволяет использовать параметрические цепи для переноса спектра (называемого также преобразованием частоты). При этом на практике сигнал, подлежащий преобразованию, имеет спектр конечной ширины; после умножения сигнала на
при помощи фильтра выделяется спектр такой же формы, но сдвинутый по оси частот на
вверх или вниз. Частный случай переноса спектра вниз называется синхронным детектированием (см. п. 7.5)
-
Нелинейные элементы и их аппроксимации
К нелинейным элементам, наиболее широко применяемым в технике генерирования и обработки сигналов, относятся в первую очередь полупроводниковые приборы (диоды, транзисторы и т.п.), которые описываются характеристиками (чаще всего рассматриваются вольт-амперные характеристики – ВАХ), имеющими весьма сложный вид. Для целей анализа эти характеристики аппроксимируют математическими зависимостями, которые должны быть достаточно простыми и в то же время сохранять существенные черты характеристик. Рассмотрим наиболее часто применяемые аппроксимации.
-
Полиномиальная аппроксимация
Характеристика нелинейного элемента (НЭ) представляется полиномом [8] некоторой степени
Во всех случаях аппроксимирующая функция
приближает истинную ВАХ (заданную графически или таблично) не на всей числовой оси, а только на некотором конечном интервале значений независимой переменной, или рабочем участке. Выберем на этом участке
точек, обозначив их
. Для каждого из этих значений напряжения обозначим соответствующие значения тока (взятые из таблицы или найденные по заданному графику ВАХ), как
. Тогда согласно можно составить
уравнение
с
неизвестными
. Решив систему уравнений, можно найти полиномиальную функцию .
Во многих реальных задачах удобно рассматривать чётную и нечётную части характеристики. Любую нелинейную характеристику можно представить в виде суммы чётной и нечётной функций
где чётная и нечётная части удовлетворяют следующим выражениям
Из с учётом – можно записать
откуда, складывая и вычитая выражения и , получаем
Пример функции
и ее четной и нечетной частей приведены на Рис. 28
| |
| Рис. 28. Нелинейная функция и ее четная и нечётная части |
Очевидно, при полиномиальной ВАХ её четная и нечётная части складываются из чётных и нечётных степеней
Выделение чётной и нечётной частей ВАХ полезно, когда работа рассматриваемого устройства определяется либо только чётной, либо только нечётной частью. Например, при амплитудной модуляции полезная составляющая колебания определяется только четной частью ВАХ. Тогда аппроксимацию можно проводить только для чётной части, предварительно выделив её графически или по таблице значений, при этом расчет коэффициентов аппроксимации требует решения системы уравнений меньшего порядка. Кроме того, вид нужной (чётной или нечётной) части ВАХ позволяет оценить «на глаз» пригодность данного НЭ для реализации требуемого преобразования сигналов.
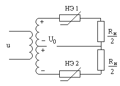
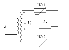
Важность выделения чётной и нечётной частей ВАХ не ограничивается только теоретическим рассмотрением, так как существуют схемные решения, позволяющие получать чётные или нечётные характеристики нелинейных цепей путем согласного или встречного включения одинаковых нелинейных элементов. Так строятся, например, балансные, мостовые и кольцевые схемы.
| | |
| а | б |
| Рис. 29. Балансные схемы | |
Для реализации четной ВАХ необходимо использовать два НЭ с одинаковыми ВАХ. Пусть ВАХ каждого элемента имеет вид
. Четную характеристику можно получить в соответствии с в виде
Это означает, что необходимо сложить токи двух НЭ, на которые входное напряжение подается с противоположными знаками (противофазно), что реализуется в схеме, показанной на Рис. 29,а. путем соответствующего подключения вторичной обмотки трансформатора к нелинейным элементам. Сложение токов происходит в общем для них сопротивлении нагрузки.
Реализация нечётной ВАХ осуществляется схемой Рис. 29,б за счет вычитания (противофазного сложения) на нагрузке напряжений, создаваемых токами различных НЭ.
что соответствует выражению
Если на нелинейный элемент подаётся сигнал в сумме с постоянным напряжением смещения
, определяющим рабочую точку ВАХ, удобно аппроксимирующий полином представлять в форме
при этом упрощаются математические операции при нахождении спектра тока.
-
Экспоненциальная аппроксимация
Аппроксимирующими функциями могут быть любые функции. Одним из критериев выбора является простота аналитического выражения при приемлемой точности. ВАХ некоторых нелинейных элементов достаточно хорошо представляются экспоненциальными функциями вида
Очевидно, при
значение тока равно
. Таким образом, значение константы
определяется непосредственно по заданной ВАХ, как ток при нулевом напряжении. Для нахождения константы
воспользуемся методом приведения к линейному виду. Прологарифмировав отношение
, получим
По имеющейся заданной ВАХ можно построить график зависимости левой части выражения от напряжения при различных
. Если экспоненциальная аппроксимация является подходящей для данной ВАХ, полученный график будет практически линейным, а константа
представляет собой тангенс угла наклона графика (или хотя бы касательной к нему в рабочей точке).
Для полупроводниковых диодов характерным является то, что ток при нулевом напряжении равен нулю. Тогда применяют аппроксимацию вида
где
– обратный ток диода. Константа
находится, как в вышеописанном случае.
-
Кусочно-линейная аппроксимация
Эта аппроксимация заключается в замене реальной ВАХ совокупностью отрезков прямых линий, которые выбираются, как касательные к ВАХ в некоторых точках. Наибольшее распространение получила аппроксимация вида
-
Воздействие гармонических колебаний на НЭ
-
Полиномиальная аппроксимация
-
Рассмотрим НЭ с вольт-амперной характеристикой, аппроксимируемой степенным полиномом
на который воздействует гармоническое напряжение вида
Подставляя напряжение в ВАХ и раскрывая степени и произведения тригонометрических функций, получим
где
Таким образом, спектр тока НЭ при гармоническом воздействии содержит кратные гармоники (гармонические составляющие с частотами
при
).
Если ток НЭ протекает через частотно-избирательную нагрузку (фильтр), то напряжение на нагрузке определяется теми составляющими, для которых нагрузка составляет значительное сопротивление. Например, включая последовательно с НЭ параллельный колебательный контур, настроенный на 2-ю (3-ю, 4-ю и т.д.) гармонику, получаем умножение частоты на 2 (3,4 …). Нередко применяют нелинейный активный элемент (транзистор) с нагрузкой в виде параллельного колебательного контура, настроенного на основную гармонику
; таким образом осуществляется нелинейное усиление узкополосных сигналов.
В таких случаях рассматривают ВАХ как линеаризованную зависимость, то есть как линейную функцию, крутизна которой определяется относительно соответствующей гармоники и называется средней крутизной. Ввиду того, что функция линейна, её крутизна равна просто отношению амплитуды выбранной гармоники тока к амплитуде воздействующего гармонического напряжения. Очевидно, что средняя крутизна, например, по 1-й гармонике определяется из как
















