Васюков В.Н. - Теория электрическо связи - Часть 1. Теория сигналов (1275347), страница 9
Текст из файла (страница 9)
-
Кусочно-линейная аппроксимация
При кусочно-линейной аппроксимации ВАХ НЭ протекающий через него ток представляется импульсами, описываемыми отрезками гармонической функции. Примем для определённости, что приложенное напряжение описывается выражением
тогда ток протекает через НЭ только в пределах временных интервалов, определяемых уравнением
Величину интервала протекания тока принято характеризовать углом
(углом отсечки), определяемым следующим из этого условия уравнением
или
Обозначим максимальное значение тока
, а буквой
обозначим амплитудное значение тока, который протекал бы через нелинейный элемент, если бы он был линейным и описывался бы функцией
. Тогда, очевидно,
а ток в пределах угла отсечки
Разлагая его (на интервале от
до
), как четную функцию, в ряд Фурье
имеем
Коэффициенты пропорциональности, связывающие максимальное значение импульса тока с амплитудами гармоник тока, зависят от угла отсечки и называются функциями Берга (коэффициентами Берга). Функции Берга можно рассчитать по формулам
Несколько первых функций Берга показаны на Рис. 30,а. Видно, что, выбирая значение угла отсечки (путем соответствующего задания
и
), можно добиться максимума нужной гармоники в спектре тока. Такой оптимальный угол отсечки для
-й гармоники определяется выражением
|
|
|
| Рис. 30. Функции Берга | |
Учитывая и , можно записать ток в пределах угла отсечки в виде
тогда амплитуды гармонических составляющих тока
где
представляет собой коэффициент пропорциональности между
и
. Функции
, показанные на Рис. 30,б, также носят название функций Берга. Максимума
-я функция достигает при
Выбор формулы для определения оптимального угла отсечки определяется решаемой задачей. Если проектируется мощный усилитель или умножитель частоты, когда задан максимальный ток, определяемый требованиями максимальной рассеиваемой мощностью или электрической прочностью, и изменять угол отсечки можно изменением
и
, поддерживая заданное значение
, следует пользоваться формулой ; если задано амплитудное значение входного напряжения, что характерно для маломощных каскадов, и можно для выбора угла отсечки оперировать только смещением
, справедлива формула .
-
Бигармоническое воздействие на НЭ
Рассмотрим теперь воздействие на НЭ с вольт-амперной характеристикой, аппроксимируемой степенным полиномом, бигармонического напряжения вида
Подставляя это выражение в ВАХ и раскрывая степени суммы гармонических функций по формуле бинома Ньютона
находим, что в спектре тока будут присутствовать комбинационные частоты вида
причем порядок комбинационной частоты
ограничивается порядком полинома, аппроксимирующего ВАХ:
Наличие комбинационных частот позволяет использовать НЭ для переноса спектра колебаний.
-
Нелинейный элемент в качестве параметрического
В подавляющем большинстве случаев на практике в качестве параметрических элементов используются элементы нелинейные, при этом должны выполняться определенные условия.
Предположим для определенности, что на НЭ подается сумма двух гармонических сигналов
, причем один из них имеет настолько малую амплитуду (например,
), что изменение напряжения за счет первого слагаемого происходят на участке ВАХ, который можно считать линейным, а второй сигнал большой амплитуды смещает рабочую точку и изменяет крутизну этого линейного участка.
Таким образом, при воздействии на НЭ сильного и слабого сигналов элемент ведет себя по отношению к слабому сигналу как линейный параметрический элемент, управляемый по крутизне сильным сигналом.
-
Амплитудная модуляция гармонического переносчика
Гармонические переносчики часто используются в радиотехнике и связи в силу ряда причин, среди которых главная заключаются в том, что только гармонические колебания не изменяют формы при прохождении через линейные стационарные цепи и каналы связи. Амплитудная модуляция заключается в изменении амплитуды гармонического колебания
в соответствии с изменениями первичного (информационного) сигнала. Для простоты анализа примем, что первичный сигнал представляет собой гармоническое колебание низкой (в сравнении с частотой несущего колебания
) частоты. Это случай так называемой тональной модуляции. Тогда амплитудно-модулированное (АМ) колебание имеет вид
где
– коэффициент модуляции. На Рис. 31 показано АМ-колебание с коэффициентом модуляции 0,5.
| |
| Рис. 31. Амплитудно-модулированное колебание |
Нетрудно получить выражение для определения коэффициента модуляции по веременной диаграмме. Очевидно, огибающая АМК достигает максимума при условии
и минимума при
, поэтому
Складывая и вычитая эти равенства, получаем систему
откуда
Очевидно,
должно лежать в интервале от 0 до 1. При
имеет место искажение огибающей, называемое перемодуляцией, Рис. 32.
| |
| Рис. 32. Амплитудно-модулированное колебание с перемодуляцией |
Найдём спектр тонального АМК. Напомним, что спектр – это совокупность коэффициентов, определяющих амплитуды гармонических колебаний, составляющих рассматриваемое колебание. Тогда «найти спектр» – означает представить АМК в виде суммы гармонических колебаний и найти их амплитуды. Раскроем выражение и получим
Следовательно, амплитудная спектральная диаграмма тонального АМК имеет вид, показанный на Рис. 33,а, а фазовая – на Рис. 33,б.
| а б |
| Рис. 33. Амплитудная (а) и фазовая (б) спектральные диаграммы |
Другой формой наглядного представления АМ-колебаний служит векторная диаграмма, показанная на Рис. 37. Здесь принято, что комплексная плоскость вращается по часовой стрелке со скоростью
, тогда вектор несущего колебания длиной
неподвижен, а векторы боковых колебаний вращаются в противоположных направлениях с одинаковыми скоростями
и
, так, что их сумма всегда лежит на линии, вдоль которой направлен вектор несущего колебания. Таким образом, сумма всех трех векторов со временем изменяет только длину, оставаясь на той же линии, т.е. имеет место модуляция (изменение) только амплитуды. Очевидно, то же справедливо и при любом первичном сигнале, который всегда можно представить суммой гармонических колебаний. При этом векторная диаграмма приобретает сложный вид и на практике не используется. Спектральная диаграмма может быть найдена с использованием теоремы умножения (см. свойства преобразования Фурье).
Предположим, что первичный сигнал
имеет спектральную плотность
. При модуляции происходит умножение колебания
на колебание
(для простоты начальную фазу положим равной 0). Согласно теореме умножения спектральная плотность результата равна свёртке спектральных плотностей сомножителей.
Спектральная плотность первого сомножителя, очевидно, равна
. Спектральная плотность несущего колебания равна
.
| а б |
| Рис. 34. Спектральные плотности несущего и модулирующего сигналов (а) амплитудно-модулированного колебания (б) |
Поэтому результат модуляции имеет спектральную плотность (Рис. 34)
Таким образом, спектральная плотность АМК имеет вид двух масштабированных (в
раз) копий спектральной плотности первичного сигнала, сдвинутых вправо и влево по оси частот на величину несущей частоты. Несущее колебание представлено в спектральной плотности АМК двумя
-функциями с весом
.
Реализовать амплитудную модуляцию можно при помощи структурной схемы, показанной на Рис. 35, где полосовой фильтр ПФ предназначен для подавления ненужных составляющих спектра колебания. (Если перемножитель идеальный, фильтр не нужен, однако на практике умножение осуществляется при помощи нелинейных элементов, что приводит к возникновению комбинационных частот, в том числе ненужных.)
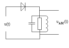
Другой способ получения АМ-колебания можно реализовать, подавая на НЭ сумму несущего и модулирующего колебаний и выделяя на частотно-зависимой нагрузке (фильтре) полезные составляющие. В схеме на Рис. 36 нелинейным элементом является диод, а фильтром – параллельный контур.
| |
| Рис. 36. Схема модулятора |
Пусть ВАХ нелинейного элемента имеет квадратичный вид
















