Васюков В.Н. - Теория электрическо связи - Часть 1. Теория сигналов (1275347), страница 10
Текст из файла (страница 10)
а сумма напряжений
Подставим в и после преобразований получим (пренебрегая всеми составляющими, лежащими вне полосы пропускания контура)
где
. Видно, что, во-первых, глубина модуляции пропорциональна амплитуде первичного сигнала, так что модуляция на квадратичном элементе является линейной13. Во-вторых, модуляция тем глубже, чем больше отношение коэффициентов аппроксимации ВАХ. Для выбора рабочей точки ВАХ используется постоянное напряжение смещения, прибавляемое к входному напряжению.
При любом законе модуляции вектор несущего колебания не меняется во времени и поэтому не может нести информацию. Мощность несущего колебания равна
, в то время как суммарная мощность боковых составляющих при тональной модуляции равна
и при
составляет лишь половину мощности несущего колебания. Таким образом, 2/3 мощности передатчика затрачивается впустую14. Поэтому на практике часто применяют частичное или полное подавление несущего колебания (во втором случае амплитудная модуляция называется балансной, поскольку реализуется в балансных схемах).
Сущность балансной модуляции легко понять, если подойти к построению схемы модулятора с точки зрения обеспечения четности ВАХ. В самом деле, частоты боковых составляющих АМ-колебания являются комбинационными частотами второго порядка, т.е.
, а частота несущего колебания представляет собой комбинационную частоту первого порядка (
,
). Поэтому если ВАХ нелинейного элемента имеет четный характер, в спектре тока будут отсутствовать все нечетные комбинационные частоты, включая несущую. Схема, показанная на Рис. 38,а и повторяющая Рис. 29,а, реализует четную характеристику и применяется для балансной модуляции.
| | |
| а | б |
| Рис. 38. Балансные модуляторы | |
Другая разновидность балансной схемы, показанная на Рис. 38,б, применяется для подавления вредных составляющих, имеющих комбинационные частоты. Например, если нелинейные элементы имеют кубическую ВАХ, то появляются нежелательные комбинационные частоты, самые вредные из которых – частоты
, так как их трудно подавить (они слишком близки к несущей частоте). Выход заключается в том, чтобы сделать схему модулятора нечетной по отношению к модулирующему колебанию. При этом относительно несущей частоты схема является четной, вследствие чего подавляется само несущее колебание.
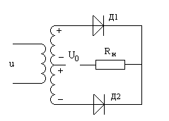
Выходное напряжение равно
где
и
– токи, протекающие через верхний и нижний НЭ,
.
Обозначим напряжение на половине вторичной обмотки через
, а напряжение несущей частоты через
. Полагая
малым, можно записать напряжение, приложенное к первому диоду, в виде
а напряжение, приложенное ко второму диоду, в виде
Полагая, что
а ВАХ диода имеет вид кубического полинома, запишем токи диодов
Разность токов равна
Тогда напряжение на выходе схемы
Учитывая выражения и , замечаем, что в это напряжение входят спектральные составляющие с частотами
,
,
и
. Отсутствуют четные гармоники частоты
и соответствующие комбинационные частоты (в том числе
), а также нечетные гармоники частоты
(в том числе сама частота
). Все составляющие, кроме полезных с частотами
, легко подавляются резонансной нагрузкой в виде параллельного контура, включаемой вместо
.
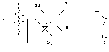
Предельная степень компенсации ненужных составляющих достигается в кольцевом модуляторе, показанном на Рис. 39
| |
| Рис. 39. Схема кольцевого модулятора |
Считая по-прежнему, что сопротивление нагрузки пренебрежимо мало, и обозначая
напряжение несущей частоты (с частотой
) , а
– напряжение на половине вторичной обмотки, запишем для токов, протекающих через диоды Д 1 – Д 4
где
– ВАХ одного диода (диоды считаются одинаковыми), а направления токов соответствуют прямому включению диодов. Тогда выходное напряжение равно
Учитывая, что токи
и
по-прежнему определяются выражениями – , а
и
отличаются от них знаком аргумента (см. – ), видим, что
откуда
Складывая выражения и и умножая на
, получаем выходное напряжение
Таким образом, если ВАХ диодов имеют кубический вид, то кольцевая схема является точным перемножителем сигналов. Балансно-модулированное колебание имеет вид (при тональной модуляции)
график показан на Рис. 40
| |
| Рис. 40. Балансно-модулированное колебание |
-
Детектирование АМ-колебаний
Детектирование, или демодуляция, представляет собой процесс, обратный модуляции. Результатом детектирования, следовательно, должен быть первичный (модулирующий) сигнал. В случае АМ это означает, что при детектировании должен получиться сигнал, повторяющий по форме огибающую АМ-колебания.
Известны методы детектирования АМК на основе нелинейных и параметрических устройств.
Детектирование АМК параметрической цепью имеет много общего с модуляцией. В самом деле, амплитудная модуляция представляет собой фактически перенос спектра первичного сигнала на несущую частоту без изменения его формы (см. Рис. 34). Демодуляции соответствует, очевидно, обратный перенос спектра на такую же величину. Поэтому умножение АМ-колебания на опорное гармоническое колебание несущей частоты с последующей фильтрацией нижних частот позволяет получить первичный сигнал, т.е. выполнить детектирование, при помощи параметрического устройства, показанного на Рис. 41.
Умножив АМ-сигнал на опорное колебание, получим
Очевидно, первое слагаемое не представляет интереса и должно быть подавлено фильтром нижних частот. Второе слагаемое представляет собой полезный сигнал, при этом, очевидно, полезный эффект будет максимальным, если опорное колебание будет иметь не только ту же частоту, что и несущее колебание АМ-сигнала, но и ту же начальную фазу, то есть должно выполняться условие
. Поэтому такое детектирование называется синхронным или когерентным.
Другой способ детектирования АМ-сигналов основан на использовании нелинейного элемента с последующей фильтрацией нижних частот. Пусть ВАХ нелинейного элемента аппроксимируется полиномом второго порядка
Ток, протекающий через НЭ при воздействии на него АМ-сигнала, равен
где символом ВЧ для краткости обозначены высокочастотные составляющие, подавляемые фильтром НЧ. Из полученного выражения видно, что помимо постоянной составляющей и полезного сигнала (в данном случае это колебание с частотой
), а также высокочастотных составляющих, в спектре тока содержится также колебание с частотой
, которое и является наиболее вредным, так как его трудно подавить фильтром НЧ (частота
находится слишком близко от частоты полезного колебания
). Если модулирующий сигнал отличается от гармонического тонального колебания (а на практике это всегда так) и имеет спектр конечной ширины, то полезные и вредные составляющие разделить практически невозможно. Таким образом, нелинейное (квадратичное) детектирование сопровождается нелинейными искажениями. Нелинейные искажения принято характеризовать коэффициентом нелинейных искажений
где
– амплитуда
-й гармоники тока. В данном случае
%. Такой уровень нелинейных искажений в большинстве практических приложений (в частности, в радиовещании) совершенно недопустим. Заметим, что реальные ВАХ полупроводниковых приборов могут быть аппроксимированы квадратичным полиномом лишь в пределах небольшого участка (при малом сигнале).
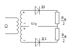
При сильном сигнале более подходящей является кусочно-линейная аппроксимация (см. п. 7.2.3). Рассмотрим детектор на биполярном транзисторе, принципиальная схема которого показана на Рис. 42.
Полагая, что зависимость тока коллектора от напряжения база – эмиттер аппроксимируется кусочно-линейной функцией
и что напряжение смещения
равно напряжению начала линейного участка характеристики
, видим, что угол отсечки
согласно равен 90°, тогда при воздействии на вход схемы напряжения АМ-сигнала ток коллектора имеет вид импульсов гармонической формы с частотой следования
, скважностью 2 и амплитудой
меняющейся медленно (по закону модулирующего сигнала).
Постоянная составляющая15 импульсов также медленно меняется и равна
















