Васюков В.Н. - Теория электрическо связи - Часть 1. Теория сигналов (1275347), страница 12
Текст из файла (страница 12)
что и реализуется схемой Армстронга.
Увеличить девиацию частоты УМ-колебания можно, подав его на умножитель частоты (см. п. 7.3.1). При этом преобразовании частты всех составляющих сигнала увеличиваются в определенное целое число раз. Поэтому во столько же раз увеличивается и ширина спектра. Если нужно, несущую частоту затем можно понизить путем переноса спектра вниз (см. п. 7.1).
-
Детектирование УМ-колебаний
Детектирование УМ-сигналов осуществляется несколькими способами.
-
Синхронное детектирование
При малом индексе модуляции можно использовать синхронный детектор, подобный применяемому для детектирования АМК, за исключением фазы опорного колебания. Пусть на вход синхронного детектора, Рис. 49, воздействует фазомодулированное колебание
Умножая его на опорный сигнал, получим
Учитывая, что индекс модуляции мал и ВЧ составляющие подавляются фильтром, можно записать
-
Диодное детектирование
Для детектирования ФМ-сигналов может быть использован диодный детектор, на вход которого подается сумма ФМ-сигнала и опорного колебания.
Принцип детектирования поясняется векторной диаграммой (Рис. 50), где опорное напряжение равно
а угол
определяется первичным сигналом
. При изменении угла суммарное напряжение изменяется по амплитуде в соответствии с выражением
При
характеристика детектора близка к линейной.
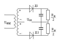
Для расширения линейного участка применяют балансную схему фазового детектора (Рис. 51), где амплитуды напряжений на входах диодов плеч определяются выражениями
где
и
– напряжения на секциях вторичной обмотки трансформатора. Выходное напряжение детектора пропорционально разности
. Зависимость выходного напряжения от угла показана сплошной линией на Рис. 52 (амплитуды опорного и модулированного напряжения приняты равными друг другу). Штриховые линии соответствуют выражениям – . Видно, что детекторная характеристика практически линейна при изменении угла от 0 до 180°.
-
Детектирование при помощи перемножителя
Если на перемножитель подать напряжения
и
, то выходное напряжение
При условии, что индекс модуляции не превышает 20…30°, можно принять
; ВЧ составляющая может быть подавлена фильтром нижних частот.
| |
| Рис. 52. Характеристика балансного фазового детектора |
Детектирование ЧМ-сигналов можно выполнить при помощи фазового детектора, после чего выходной сигнал следует продифференцировать. Второй вариант заключается в преобразовании частотной модуляции в фазовую. Для этого ЧМ-сигнал подается на цепь с линейной ФЧХ. Роль такой цепи может выполнить резонансный усилитель, настроенный на среднюю частоту ЧМ-сигнала, если добротность колебательного контура не слишком высока, так чтобы изменения мгновенной частоты ЧМ-колебания происходили в пределах линейного участка ФЧХ. Выходной сигнал оказывается модулированным как по частоте, так и по фазе, поэтому для получения правильного результата в качестве опорного колебания нужно использовать входной ЧМ-сигнал. Кроме того, при прохождении контура сигнал приобретает ещё паразитную амплитудную модуляцию, которую устраняют путем жесткого амплитудного ограничения сигнала (до фазового детектрирования).
Еще один способ частотного детектирования состоит в преобразовании ЧМ-сигнала в АМ-сигнал, который затем детектируется обычным диодным детектором. Преобразование ЧМ-сигнала в АМ-сигнал производится путем подачи ЧМ-сигнала на резонансный усилитель с расстроенным контуром. Резонансная частота контура выбирается таким образом, чтобы изменения мгновенной частоты ЧМ-колебания происходили в пределах линейного участка на склоне резонансной кривой. Перед таким преобразованием ЧМ-сигнал пропускают через усилитель-ограничитель с тем, чтобы избавиться от паразитной АМ, возникающей при прохождении сигнала через канал связи, в котором действуют помехи, замирания и другие вредные факторы, приводящие к изменениям амплитуды сигнала.
ЛИТЕРАТУРА
-
Владимиров В.С. Обобщенные функции в математической физике. – М.: Наука, 1976. – 280 с.
-
Френкс Л. Теория сигналов. – М.: Сов. радио, 1974. – 344 с.
-
Колмогоров А.Н., Фомин С.В. Элементы теории функций и функционального анализа. – М.: Наука, 1972. – 496 с.
-
Ратынский М.В. Основы сотовой связи. М.: Радио и связь, 2000. – 248 с.
-
Оппенгейм А.В., Шафер Р.В. Цифровая обработка сигналов.– М.: Связь, 1979. – 416 с.
-
Вентцель Е.С. Теория вероятностей. М.: Наука, 1969. – 576 с.
-
Баскаков С.И. Радиотехнические цепи и сигналы. М.: Высш. шк., 2002.
-
Андреев В.С. Теория нелинейных электрических цепей. – М.: Связь, 1972. – 328 с.
1 В простых системах проводной телефонии первичный сигнал передается непосредственно
2 Это устройство часто называют передатчиком; тогда модулятором называют ту часть передатчика, где происходит собственно модуляция, т.е. управление параметрами несущего колебания
3 Как станет ясно в дальнейшем, прямоугольные импульсы на практике получить невозможно
4 Назван в честь Ж.М.Э. Бодо (1845 — 1903) – известного французского инженера
5 Минимальное значение сигнала определяется шумами (помехами), действующими в канале
6 Заметим, что в частных случаях это можно сделать, если имеются дополнительные сведения, например, о том, что
есть вещественная функция
7 Говоря здесь об одновременности, мы для простоты не учитываем время передачи сигнала по каналу связи
8 Часто употребляется также термин «среднее», например, типично выражение «случайный процесс с нулевым средним»
9 Исключение составляют гауссовские и марковские процессы, а также процессы с распределением Гиббса
10 Ни в коем случае не следует путать понятия АКФ для случайных процессов и для детерминированных сигналов, которые имеют совершенно разный смысл !
11 В данном случае они просто совпадают, т.к. являются вещественными
12 Специальный случай демодуляции ЛИС-цепью будет особо рассмотрен позднее
13 Имеется в виду линейная зависимость огибающей от первичного сигнала; операция АМ является, конечно, нелинейной
14 В случае модуляции реальным речевым сигналом доля полезной мощности составляет всего около 0.1% полной мощности [Error: Reference source not found]
15 На самом деле это не постоянная, а низкочастотная составляющая сигнала, но для каждого отдельного импульса она находится, как постоянная составляющая тока на протяжении одного периода
16 См. предыдущую сноску
17 Диодный детектор можно считать линейным только при сильном сигнале, когда ВАХ диода удовлетворительно аппроксимируется линейно-ломаной функцией
18 Э. Армстронг – известный американский инженер, автор идеи супергетеродинного приемника [Error: Reference source not found]
















