Васюков В.Н. Введение в теорию сигналов (1275344), страница 5
Текст из файла (страница 5)
где
также называемое рядом Фурье.
Все базисы, упомянутые в данном примере, полны в пространстве
Следует, однако, отметить, что, например, в
они не полны [3]. ◄
Представление сигнала (вектора) относительно произвольного полного ортонормального базиса
называется обобщенным рядом Фурье:
Набор
коэффициентов разложения называется спектром сигнала
относительно базиса
. Аналогично совокупность всех коэффициентов называется спектром сигнала относительно комплексного ряда Фурье .
Ортонормальные базисы обладают и другим замечательным свойством: зная коэффициенты разложения относительно такого базиса, легко найти нормы и скалярные произведения векторов.
Действительно, пусть вектор
представлен рядом . Его норма
Таким образом доказано равенство Парсеваля. В пространствах
и
равенство Парсеваля принимает соответственно вид
Пусть два вектора представлены в ортонормальном базисе выражениями
и
. Тогда их скалярное произведение
Это выражение носит название обобщенной формулы Рэлея. Значение этих равенств состоит в возможности оперировать вместо сигналов коэффициентами их представления в ортонормальных базисах (спектрами), даже не интересуясь конкретным видом базиса.
(Упражнение. Запишите обобщенную формулу Рэлея для пространств
и
.)
Обобщенный ряд Фурье (ОРФ), представляющий сигнал из бесконечномерного пространства
, содержит в общем случае бесконечно много слагаемых. Часто на практике приходится рассматривать усеченный ряд, аппроксимирующий данный сигнал:
Усеченный ОРФ представляет сигнал в виде конечной линейной комбинации базисных векторов, поэтому
принадлежит
-мерному пространству
. Поскольку все базисные векторы взаимно ортогональны, ошибка аппроксимации
ортогональна
и принадлежит ортогональному дополнению
, такому, что
, (рис. 12). Символ
обозначает прямую сумму пространств (например, трехмерное евклидово пространство можно представить прямой суммой плоскости и прямой, ортогональной этой плоскости). Очевидно,
откуда следует неравенство Бесселя
которое означает, что при аппроксимации сигнала конечной суммой обобщенного ряда Фурье энергия аппроксимирующего сигнала не может превзойти энергию аппроксимируемого сигнала. Равенство возможно только в том случае, если сам сигнал принадлежит подпространству
.
С увеличением размерности подпространства
, то есть с увеличением числа слагаемых, входящих в конечную сумму обобщенного ряда Фурье, норма ошибки стремится к нулю (в этом и состоит практический смысл требования полноты базиса). Таким образом, располагая полным ортонормальным базисом, можно обеспечить сколь угодно точную аппроксимацию сигнала суммой конечного числа наперед заданных функций с соответствующими весовыми коэффициентами; при этом гарантируется, что при заданном числе слагаемых ошибка аппроксимации будет минимальной.
Пример 10. Прямоугольный импульс длительности
и амплитуды
, изображенный на рис. 13, на интервале
можно представить рядом с коэффициентами, найденными согласно :
Диаграмма, отображающая спектр прямоугольного импульса относительно ортонормального базиса Фурье, приведена на рис. 14. Аппроксимации прямоугольного импульса, полученные как конечные суммы
при
,
, и
показаны различными линиями на рис. 15.◄
| Рис. 14. Спектральная диаграмма | Рис. 15. Аппроксимации прямоугольного |
П
Рис. 16. Функции Уолша
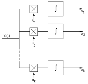
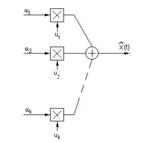
ример 11. Базис, составленный из функций Уолша, является ортонормальным полным базисом дляРазложение сигналов в различных ортонормальных или ортогональных базисах применяется на практике в тех случаях, когда оперировать спектром сигнала удобнее, чем его временной функцией. Устройство, вычисляющее спектральные коэффициенты сигнала, называется анализатором спектра, рис. 17. Зная спектральные коэффициенты и базисные функции, можно восстановить сигнал, то есть выполнить его синтез, рис.18.
Существует алгоритм, называемый процедурой Грама-Шмидта, позволяющий по имеющемуся набору линейно независимых функций (векторов) построить ортонормальный базис.
Пусть
– совокупность линейно независимых векторов. Введем обозначение
для вспомогательной совокупности, а также обозначение
для ортонормального базиса, который получается в результате выполнения следующих шагов:
-
первый вспомогательный вектор приравнивается первому вектору исходного линейно независимого базиса
; первый вектор результирующего ортонормального базиса получается нормировкой
; -
второй вспомогательный вектор
получается вычитанием из второго вектора
исходной совокупности его проекции на уже построенный вектор
ортонормального базиса, после чего производится его нормировка и получается второй вектор ортонормального базиса
-
третий вспомогательный вектор
формируется путем вычитания из очередного вектора
исходной совокупности его проекций на уже построенные векторы
и
ортонормального базиса, после чего этот вектор нормируется
Продолжая процедуру Грама-Шмидта, можно построить ортонормальный базис любой размерности.
П
Рис. 19. Базис, полученный применением
процедуры Грама-Шмидта к совокупности
степенных функций
ример 12. Множество
Очевидно, в пространствах аналоговых и дискретных сигналов можно построить бесконечно много ортонормальных базисов. Выбор наиболее подходящего базиса определяется конкретной решаемой задачей.
-
Непрерывные представления сигналов
Обобщенный ряд Фурье представляет сигнал в виде взвешенной суммы счетного) множества базисных функций. Иногда счетный базис неудобен для представления сигнала. Например, счетный базис Фурье, полный в
, не полон в
и поэтому непригоден для представления сигналов бесконечной длительности. С другой стороны, известные полные в
счетные базисы не обладают теми привлекательными свойствами, которые обусловили широкое применение базиса Фурье в теории и практике и о которых далее будет сказано подробно.
Гармонические функции, аналогичные функциям базиса Фурье, могут применяться для представления сигналов из
, но для этого их множество должно быть более чем счетно (иначе говоря, оно должно быть непрерывным).
Таким образом, понятие обобщенного ряда Фурье подвергается дальнейшему обобщению. Суть этого обобщения заключается в замене суммы бесконечного счетного множества базисных функций, умноженных на спектральные коэффициенты, интегралом от функции двух переменных, которая представляет собой как бы несчетное множество базисных функций, умноженной на функцию одной переменной, называемой спектральной плотностью.
Ниже приведены попарно термины и формулы, соответствующие дискретному и непрерывному (интегральному) представлениям аналоговых сигналов.
Таким образом, интегральное представление имеет много общего с обобщенным рядом Фурье.
Пример 13. Для пространства сигналов
известно базисное ядро
(вместо переменной
использовано общеупотребительное обозначение частоты буквой
). Легко убедиться, что оно является самосопряженным (читателю рекомендуется проделать это самостоятельно). Поэтому спектральная плотность сигнала
относительно данного ядра, которую обозначим
, определяется выражением
















