слайды циклов обр (1253023), страница 8
Текст из файла (страница 8)
Функцию G81 можно программировать одну или вместе с другой информацией в одном кадре. Все путевые размеры в цикле программируются как абсолютные величины (G90), т.к. при активной G81 программирование G91 не разрешается.
Последовательность движений при цикле G81: (см. рис. 9.56)
-
оси позиционирования перемещаются на ускоренной подаче, и одновременно включается шпиндель.
-
после достижения позиции позиционирования происходит перемещение на ускоренной подаче к верхней кромке детали (значение R)
-
после достижения значения R с запрограммированной рабочей подачей F происходит перемещение к рабочей глубине (значение Z)
-
после достижения рабочей глубины (значение Z) на ускоренной подаче происходит обратное перемещение к верхней кромке детали (значение R).
Формат: G81 R…X…Y…Z…F…
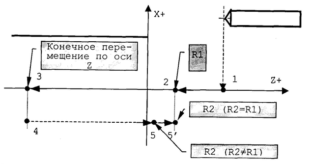
где R – верхняя кромка детали (начальная координата отверстия) и координата
точки возврата
Z – рабочая глубина сверления
X, Y – значения позиционирования
F – рабочая подача
Пример G81 (рис.9.57)
| N10 | G90 | S1000 | M42 | LF | ||||
| N20 | G81 | X85 | Y45 | Z-25 | R-55 | F300 | M3 | LF |
| N30 | X45 | Y30 | Z-15 | R-40 | LF | |||
| N40 | X25 | LF | ||||||
| N50 | G80 | Z-60 | H0 | LF | ||||
| N60 | G0 | X150 | Y0 | M30 | LF |
Выполнение перемещений в кадрах:
| N20 P0→P1 P1→P2 P2→P3 P3→P2 | G0 и шпиндель ВКЛ G0 G1 G0 |
| N30 P2→P4 P4→P5 P5→P6 P6→P5 | G0 G1 G0 G0 |
| N40 P5→P7 P7→P8 P8→P7 | G0 G1 G0 |
| N50 P7→P9 | G0, шпиндель ВКЛ стирается |
| N60 P9→P0 | G0 |
Рис. 9. 56. Пример формирования постоянных расточных циклов (G91-G89).
Рис.9.57. Пример задания постоянного цикла сверления.
9.7.1.2. Цикл растачивания (G82).
G82 можно программировать одну или с другой информацией в одном кадре. Все путевые размеры задаются как абсолютные величины (G90), т.к. во время активной G82 нельзя программировать G91.
Последовательность движений при цикле растачивания G82:
-
оси позиционирования перемещаются на ускоренной подаче и одновременно
включается шпиндель.
-
после достижения позиции позиционирования происходит перемещение на
ускоренной подаче к верхней кромке детали (значение R).
-
после достижения значения R на запрограммированной подаче (значение F) происходит перемещение к рабочей глубине (значение Z).
-
после достижения Z активируется запрограммированное через адрес Р время свободного резания.
Значения времени Р могут быть:
Рмин=Р01=0,001 сек
Рмах=Р99.99=99,99 сек
-
по истечении времени свободного резания происходит обратное перемещение на ускоренной подаче к верхней кромке детали (значение R).
Формат: G82 R…X…Y…Z…Р…
где R – верхняя кромка детали (начальная координата отверстия) и координата
точки возврата;
X, Y – значения позиционирования;
Z – глубина расточки;
Р – время свободного резания;
F – рабочая подача между R и Z
Пример G82 (рис.9.58)
| N10 | G90 | S1000 | M42 | LF | ||||
| N20 | G82 | X90 | Y35 | Z-20 | R60 | P3 | F400 | M3 LF |
| N30 | X40 | Z10 | R50 | P500 | LF | |||
| N40 | G80 | Z70 | H0 | LF | ||||
| N50 | G0 | X150 | Y0 | M30 | LF |
Выполнение перемещений в кадрах:
| N20 P0→P1 P1→P2 P2→P3 P3→ P3→P2 | G0 и шпиндель ВКЛ G0 G1 Время своб. рез. 3сек G0 |
| N30 P2→P4 P4→P5 P5→P6 P6→ P6→P5 | G0 G0 G1 Время своб. рез. 3сек G0 |
| N40 P5→P7 | G0 |
| N50 P7→P0 | G0 |
Рис. 9.58. Пример задания постоянного цикла растачивания (G82).
9.7.1.3. Цикл глубокого сверления (G83).
Последовательные движения при цикле глубокого сверления (G83):
G83 можно программировать одну или с другой информацией в одном кадре. Все путевые размеры должны программироваться как абсолютные величины (G90). При активной G83 программировать G91 нельзя.
-
оси позиционирования перемещаются на ускоренной подаче и одновременно включается шпиндель.
-
после достижения позиции позиционирования происходит перемещение на
ускоренной подаче к верхней кромке детали (значение R).
-
после достижения позиции R происходит первое перемещение запрограммированной рабочей подачей F на отдельную глубину расточки (значение R-K) . где K-отдельная глубина расточки.
-
после достижения первой глубины расточки происходит обратное перемещение на ускоренной подаче на позицию R.
-
потом на ускоренной подаче происходит перемещение с интервалом безопасности 1 мм на первую глубину расточки ( значение R-K+1 мм).
-
по достижении этой точки происходит перемещение с рабочей подачей (F на вторую глубину расточки (значение R- 2K).
-
после достижения второй глубины расточки происходит обратное перемещение на ускоренной подаче на позицию R и т.д.
Формат кадра : G83 R…X…Y…Z…K…F…
где R – верхняя кромка детали (начальная координата отверстия) и координата
точки возврата (как для G81);
Z- общая глубина сверления(координата дна отверстия);
K-отдельная глубина сверления(положительный знак К не обязателен, отрицательный нужно программировать).Отрицательный знак, если R < Z;
X, Y – значения позиционирования;
F-рабочая подача.
Пример (G83)(рис. 9.59)
| N10 | G90 | S1000 | M42 | LF | |||
| N20 | G83 | X65 | Y32.5 | Z20 | R95 | F500 | M3 LF |
| N30 | G80 | Z110 | H0 | LF | |||
| N40 | G0 | X150 | Y0 | Z-100 | M30 | LF |
Выполнение перемещений в кадрах:
| N20 P0→P1 P1→P2 P2→P3 P3→P2 P2→P4 P4→P5 P5→P2 P2→P6 P6→P7 P7→P2 | G0 и ВКЛ шпинделя G0 G1 G0 G0 G1 G0 G0 G1 G0 |
| N30 P2→P8 | G0 |
| N40 P8→P0 | G0 |
К+1)
Рис. 9.59. Пример задания постоянного цикла глубокого сверления(G83).
9.7.1.4. Цикл нарезания внутренней резьбы (G84) метчиком.
G84 можно программировать одну или вместе с другой информацией в одном кадре. Все путевые размеры программируются как абсолютные величины .Во время активной G84 программирование G91 запрещено.
Последовательные движения при цикле нарезания внутренней резьбы метчиком (G84):
-
оси позиционирования перемещаются на ускоренной подаче и одновременно включается шпиндель.
-
после достижения позиции позиционирования происходит перемещение на
ускоренной подаче к верхней кромке детали (значение R).
-
после достижения позиции R происходит перемещение на запрограммированной рабочей подачей F к рабочей глубине (значение Z) .
-
после достижения позиции Z направление вращения шпинделя меняется и включается запрограммированное время реверса шпинделя (значение Р).
-
по истечении времени реверса шпинделя происходит перемещение на запрограммированной подаче F.
Формат кадра : G84 R…X…Y…Z…F…Р…
где R – верхняя кромка детали (начальная координата отверстия) (как для G81);
Z - глубина резания;















