Раздел 10 (исправлено) (1252998)
Текст из файла
Раздел 10: «Контроль УП и настройка станка с ЧПУ на изготовление детали».
10.1. Контроль УП для станков с ЧПУ.
Контроль УП проводится как вне станка, так и непосредственно на станке с ЧПУ.
Контроль УП вне станка с ЧПУ
При ручном программировании проводится на специальных графопостроителях, связанных с системой ЧПУ. Целью контроля является визуальная проверка соответствия вычерчиваемой траектории обрабатываемому контуру, а также проверка координат опорных точек траектории по показаниям индикации системы ЧПУ.
При автоматизированном программировании контроль УП проводится на экране дисплея ЭВМ: имитацией обработки; проверкой контуров моделируемых зон обработки; проверкой координат автоматически рассчитанных опорных точек траекторий; созданием следа движения инструмента и т.д.
Контроль УП на станке осуществляется:
1) при отработке УП «вхолостую», т.е. без установки инструмента, оснастки, заготовки. Целью является выявление грубых ошибок связанных с расчетами и нанесением программы на программоноситель. При движении рабочих органов контролируется правильность показаний лимбов на пульте станка по всем координатам в соответствующих контрольных точках УП и контролируется возвращение органов станка в исходную точку программы. Если рабочие органы станка не возвращаются в исходную точку и показания лимбов в контрольных точках не соответствуют РТК, то возможны несколько причин вызвавших эти ошибки, например: некачественная запись связанная с неисправностью аппаратуры записи, дефекты перфоленты, ошибки при расчете УП, кодировании информации, перфорации.
2) При отработке УП на листе металла (или другом материале). Для этого в шпиндель станка устанавливается режущий инструмент (например, фреза расчетного диаметра). Осуществляется подвод инструмента в металл для получения «следа» инструмента. Затем отключается на станке ось, отвечающая за последующее врезание инструмента. После отработки УП, проверяются размеры фрезеруемого контура детали.
Наиболее характерными ошибками является: несоответствие расчетного и фактического диаметров инструмента, ошибки расчета и записи программ, ошибки расчета и кодирования величины подачи.
3) При отработке УП изготовлением контрольной детали. Обработка производится с применением оснастки и инструмента, отвечающим требованиям РТК. Целью является проверка принятых технологических решений, режимов резания, внедряемой оснастки, а также соответствие всех размеров изготовленной детали чертежу.
10.2. Настройка станка с ЧПУ на изготовление детали.
Настройка станка включает:
1) Выбор (согласно разработанной РТК и карте наладки инструментов) необходимого режущего инструмента определенного диаметра D и вылета L и инструментальной оснастки (смотри раздел 7.1.3).
2) Сборку инструментальных оправок и режущих инструментов.
3) Измерение собранных инструментальных оправок с режущим инструментом (определение реального положения фиксированной точки В для каждого инструмента)
4) Задание в систему ЧПУ измеренных параметров D и L для каждого инструмента с целью проведения последующей коррекции.
5) Установку и точную ориентацию приспособления на столе станка.
6) Установку и закрепление заготовки в приспособлении.
7) Определение на станке нулевой точки детали, исходной точки инструмента, исходной точки программы и их взаимного расположения (увязка системы координат станка с системой координат программируемой детали).
10.2.1. Сборка инструментальных оправок и режущих инструментов.
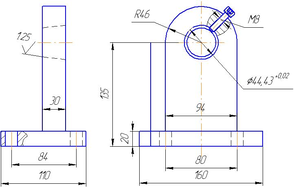
Выбранный режущий инструмент и необходимая для его базирования инструментальная оправка собираются в специальном приспособлении, устанавливаемом на столе станка. Чертеж такого приспособления представлен на рис.10.1. В приспособлении имеется ответное отверстие под конус оправки для ее базирования. Для закрепления оправки в приспособлении имеется винт, который фиксирует оправку в определенном положении. В оправку до упора вворачивается цанга с определенным усилием, для контроля усилия затяжки используется специальный динамометрический ключ. Инструмент вставляется в оправку и затягивается сверху гайкой. Гайка заворачивается также с определенным моментом. Контроль момента затяжки проверяется с помощью динамометрического ключа.
Последовательность сборки оправки с осевым инструментом (сверла) показана на рис.10.2. Полученная сборочная единица “оправка – инструмент” (рис.10.2 e.) может быть измерена либо непосредственно на станке, либо вне станка на специальном приборе для настройки инструментов.
Рис 10.1. Чертеж приспособления для сборки инструментальной оправки.
Рис 10.2. Последовательность сборки оправки с осевым инструментом (сверлом).
10.2.2. Измерение параметров инструментов.
А) Измерение на станке.
Для точного измерения инструментов на станке используются различные измерительные системы типа инструментальной системы ТТ 130 фирмы HEIDENHAIN (рис.10.3.). Данная система может использоваться для измерения вылета L и диаметра D любого типа инструмента в случае остановленного или вращающегося шпинделя, измерение зубьев фрез, износа инструмента и контроля поломки инструмента (рис.10.4.). Система ЧПУ автоматически сохраняет результаты измерения в памяти для использования в УП.
Б) Измерение вне станка.
Для измерения инструментов вне станка используются измерительные приборы для размерной настройки инструмента типа: Meccanica speron, SDI 300, TOOLSET TS 240, и т.п. Они предназначены для контроля геометрии инструментов, измерения линейных размеров, углов и радиусов, а также измерения радиального и торцевого биения режущих кромок инструмента.
На рис.10.5 показан внешний вид одного из приборов для настройки инструментов.
В состав приспособления входят пять основных узлов:
-
станина;
-
подвижная каретка;
-
средство измерения инструмента;
-
электронный блок индикации;
-
подставка для державки инструмента.
Станина является основным несущим узлом конструкции приспособления, на котором монтируются все прочие узлы.
Подвижная каретка является несущим элементом для средства измерения инструмента. Она имеет возможность перемещаться относительно станины в двух взаимно перпендикулярных направлениях. При этом величина каждого перемещения отсчитывается по измерительным линейкам.
Средство измерения инструмента позволяет зафиксировать момент совмещения заданного и фактического положения вершины режущего инструмента. Конструкция и принцип действия средства измерения инструмента могут быть самыми разными. Это может быть микроскоп, проектор, индикатор часового типа, шаблон и т.п. В некоторых измерительных приспособлениях используется не одно, а несколько средств измерения инструмента – с различными принципами действия.
Рис 10.3. Импульсная система ТТ130 (фирмы Heidenhain) для измерения и проверки инструмента.
а) б)
в) г)
Рис 10.4. Измерение параметров инструмента на станке с ЧПУ системой ТТ130.
а) длины инструмента с постоянным или вращающимся шпинделем
б) радиуса инструмента с постоянным или вращающимся шпинделем
в) износа инструмента
г) контроль поломки инструмента
Рис 10.5. Измерительное приспособление для настройки инструмента вне станка.
Электронный блок имеет табло цифровой индикации, на котором отображается информация о направлении и величине перемещения каретки со средством измерения.
Подставка для державки инструмента имитирует присоединительные поверхности шпинделя или суппорта станка. Для этого она снабжена таким же посадочным местом для державки с инструментом и имеет такую же фиксированную точку N для инструмента, что и станок.
Порядок работы на приборе для настройки инструмента вне станка.
Рассмотрим прядок работы на примере измерения токарного резца при использовании прибора настройки с оптической системой измерения. Производится измерение величины вылета резца в двух направлениях: в направлении оси Z – LZ; в направлении оси X – LX; и измерение радиуса закругления вершины резца – R. (рис 10.6.)
Последовательность действий при измерении вылета резца следующая:
-
Установить и закрепить измеряемый токарный резец в державке, которая после измерения будет установлена на станке.
-
Установить державку в сборе с резцом в подставке измерительного приспособления.
-
Откалибровать средство измерения инструмента, совместив его нулевую точку (центр перекрестия в оптическом окуляре) с исходной точкой инструмента В.
-
Переместить подвижную каретку в положение, при котором центр перекрестия в оптическом окуляре окажется совмещенным с теоретической вершиной резца (рис 10.7.).
-
Зафиксировать координаты данного положения каретки по показаниям табло цифровой индикации электронного блока. Данные значения координат соответствуют величинам коррекции вылета инструмента по координатным осям X и Z.
Измерение геометрии вершины резца производится при помощи кольцевых линий и перекрестия оптического окуляра (рис 10.8.).
При помощи кольцевых линий выполняется измерение радиуса закругления вершины резца. Для этого необходимо перемещать каретку приспособления до совмещения изображения закругленной части вершины резца с одной из кольцевых линий окуляра. Кольцевые линии в окуляре выполняются с определенными диаметрами, поэтому зная размерный шаг кольцевых линий определяют величину закругления вершины резца.
Рис. 10.6. Измерение вылета токарного резца.
| Рис. 10.7. Совмещение центра перекрестия с теоретической вершиной резца. | Рис. 10.8. Измерение радиуса вершины резца. |
Последовательность действий при измерении осевого инструмента (на примере сверла):
• установить в шпиндель прибора эталонную оправку (рис. 10.9.)
• настроить прибор на эталонную оправку (в центре перекрестья оптического окуляра должна быть середина верхней кромки оправки).
• обнулить показания координат вылета и диаметра эталонной оправки.
• установить измеряемую оправку с осевым инструментом в шпиндель прибора (рис. 10.10.).
• выставить центр перекрестия оптического окуляра на край - для фрезы, или к вершине – для сверла (рис10.11.).
• поворачивая оправку с инструментом, определить максимальную длину кромки, она будет задавать абсолютный диаметр.
• зафиксировать координаты положения каретки по показаниям цифровой индикации. Данные значения соответствуют абсолютному значению диаметра и вылета инструмента, которые в дальнейшем заносятся в регистры коррекции СЧПУ (см. раздел 9.11.).
Рис. 10.9. Эталонная оправка для настройки осевого инструмента.
а) б)
Рис. 10.10. Измерение параметров осевого инструмента на приборе настройки
а) Установка эталонной оправки.
б) установка измеряемого инструмента.
Рис. 10.11. Совмещение центра перекрестия с вершиной сверла.
10.2.3. Установка и точная ориентация приспособления на столе станка (выравнивание).
Точная ориентация приспособления относительно координатных осей станка (выравнивание) необходима для устранения погрешности базирования приспособления на столе станка.
Рассмотрим процесс ориентации приспособления на фрезерном станке с ЧПУ с горизонтальной компоновкой шпинделя.
Последовательность действий.
-
Установить приспособление на столе станка (рис.10.12. а, б).
На рисунке базирование приспособления осуществляется по центральному базовому отверстию, расположенному в центре зеркала стола и базовому цилиндрическому пальцу на нижней поверхности приспособления (после установки приспособление на столе может иметь разворот вокруг своей оси).
-
Вставить в шпиндель станка прибор для контроля параллельности оси приспособления (рис.10.13.).
-
Выполнить точную ориентацию приспособления в направлении оси X. Для этого на величину разницы в показаниях индикатора в точках 1, 2 (рис.10.14.) сместить приспособление в нужном направлении.
-
Выполнить точную ориентацию приспособления в направлении оси Y. Для этого измерит контрольные точки 3, 4 на приспособлении (рис.10.15.). Если существует разница в показаниях индикатора, необходимо проверит базы и сместить приспособления в нужном направлении.
Использование на станках с ЧПУ специальных измерительных систем, таких как, например, импульсная система TS 220 “ HEIDENHAIN ” (рис.10.16.) позволяет устранить трудоемкое ручное выравнивание приспособления (заготовки). Измерительный щуп системы TS 220 исследует поверхность (либо отверстие) и дает сигнал для ЧПУ на проведение компенсации. Компенсация возможна либо вращением системы координат детали (рис.10.17. а), либо вращением поворотного стола (рис.10.17. б).
Характеристики
Тип файла документ
Документы такого типа открываются такими программами, как Microsoft Office Word на компьютерах Windows, Apple Pages на компьютерах Mac, Open Office - бесплатная альтернатива на различных платформах, в том числе Linux. Наиболее простым и современным решением будут Google документы, так как открываются онлайн без скачивания прямо в браузере на любой платформе. Существуют российские качественные аналоги, например от Яндекса.
Будьте внимательны на мобильных устройствах, так как там используются упрощённый функционал даже в официальном приложении от Microsoft, поэтому для просмотра скачивайте PDF-версию. А если нужно редактировать файл, то используйте оригинальный файл.
Файлы такого типа обычно разбиты на страницы, а текст может быть форматированным (жирный, курсив, выбор шрифта, таблицы и т.п.), а также в него можно добавлять изображения. Формат идеально подходит для рефератов, докладов и РПЗ курсовых проектов, которые необходимо распечатать. Кстати перед печатью также сохраняйте файл в PDF, так как принтер может начудить со шрифтами.















