Раздел 10 (исправлено) (1252998), страница 2
Текст из файла (страница 2)
а) б)
Рис. 10.12. Установка приспособления на стол фрезерного станка:
а) стол станка.
б) приспособление.
Рис. 10.13. Прибор для контроля параллельности приспособления.
Рис. 10.14. Точки измерения положения приспособления в направлении оси Х.
Рис. 10.15. Точки измерения положения приспособления в направлении оси Y.
Рис. 10.16. Измерительная импульсная система TS220 (фирмы Heidenhain).
а) б)
Рис. 10.17. Автоматическое ”выравнивание“ приспособления (заготовки) при использовании измерительной системы TS220.
а) Компенсация через вращение системы координат детали.
б) Компенсация за счет вращения стола.
10.2.4. Определение на фрезерном станке с ЧПУ положений нулевой точки детали W, исходной точки инструмента E и исходной точки программы Ps.
Последовательность действий при настройке.
Система координат детали W задана программистом на углах детали (рис. 10.18.).
10.2.4.1. Определение положения нуля детали W и исходной точки программы Ps по оси X и Y на станке (рис. 10.19. а, б; рис. 10.20. а, б).
1) Возвратить оси станка в нулевую точку станка М.
2) Вставить инструмент в шпиндель станка.
3) В шаговом режиме переместить инструмент к плоскости Х-оси детали на расстояние не более 25 мм, причем эта плоскость пересекается с углом, используемым в качестве относительного положения.
4) Наложить на плоскость Х-оси детали прокладку.
5) Ручным маховичком переместить инструмент к детали, так чтобы он слегка коснулся прокладки. При смещении прокладки должно ощущаться слабое сопротивление.
6) Определить по системе индикации ЧПУ текущее значение положения шпинделя станка по оси Х.
7) Пересчитать данное значение координаты с учетом радиуса режущей части инструмента и значение толщины прокладки внести в систему ЧПУ в качестве смещения нуля отсчета. Например, если радиус фрезы равен 15 мм, а толщина прокладки 3 мм, то в систему ЧПУ вносится значение Xw = -12.
8) Нажать клавишу обнуления системы отсчета координат на пульте управления станка.
9) Ручным маховичком отвести от детали инструмент минимум на 25 мм.
10) В шаговом режиме переместить инструмент к плоскости Y-оси детали на расстояние максимум 25 мм причем эта плоскость пересекается с углом, используемым в качестве относительного положения.
11) Наложить на плоскость Y-оси детали прокладку.
12) Ручным маховичком переместить инструмент к детали, так чтобы он слегка коснулся прокладки. При смещении прокладки должно ощущаться слабое сопротивление.
13) Отметить в регистре положений станка координату Y-оси.
14) Пересчитать данные значения координаты инструмента с учетом радиуса инструмента и толщины прокладки и внести полученное значение в систему ЧПУ.
14) Нажать клавишу обнуления системы отсчета координат на пульте станка.
16) Ручным маховичком отвести от детали инструмент в исходную точку программы Ps по координатам Xps Yps, заданным в РТК.
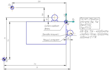
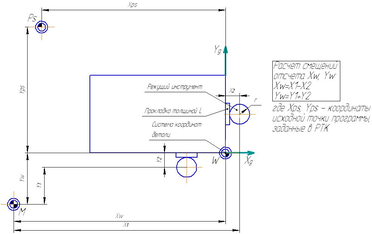
Согласно представленным рисункам:
Xps – координата X исходной точки программы Ps, заданная программистом в РТК и используемая при подготовке УП.
Yps – координата Y исходной точки программы Ps, заданная программистом в РТК и используемая при подготовке УП.
r – радиус режущего инструмента, используемый при настройке.
L - толщина мерной пластины, используемой при настройке.
X2,Y2 – настроечное перемещение.
X1 – вычисляемое перемещение по координате X, на которое необходимо переместить рабочий орган станка, чтобы найти исходную точку программы.
Y1 – вычисляемое перемещение по координате Y, на которое необходимо переместить рабочий орган станка, чтобы найти исходную точку программы.
Рис. 10.18. Расположение нуля детали в углу детали.
а)
б)
Рис. 10.19. Вычисление величины смещений рабочих органов станка при определении нуля детали W и исходной точки программы Ps:
а) Ноль детали W задан в переднем левом углу детали.
б) Ноль детали W задан в переднем правом углу детали.
а)
б)
Рис. 10.20. Вычисление величины смещений рабочих органов станка при определении нуля детали W и исходной точки программы Ps:
а) Ноль детали W задан в заднем левом углу детали.
б) Ноль детали W задан в заднем правом углу детали.
10.2.4.2. Определение положения нуля детали W и исходной точки программы Ps по оси Z на станке (рис. 10.21.).
Последовательность действий при определения положения по координате Z поводим аналогично пункту 10.2.4.1.
Рис. 10.21. Определение положения системы.
274
















