ПОЯСНИТЕЛЬНАЯ ЗАПИСКА (1226285), страница 2
Текст из файла (страница 2)
Воздух из питательной магистрали через разобщительные краны КН13 для первой колесной пары, КН14 для второй, КН15 для третьей и КН16 для четвертой (см. рисунок 1.4) поступает к электропневматическим клапанам песочниц КЭП16,17,18,19, подача воздуха перекрывается разобщительными кранами, расположенными под клапанами. Клапаны песочниц расположены по правой стороне кузова, для первой тележки за блоком низковольтных аппаратов №4, для второй тележки за модулем охлаждения ТЭД 3 и 4. На электровозе предусмотрен электропневматический способ подачи песка на каждой секции только под 1-ю и 3-ю колесные пары по направлению движения путем включения клапанов КЭП16 и КЭП18 и под все нечетные по ходу движения колесные пары включением соответствующих клапанов. В обоих случаях воздух из клапанов попадает в форсунки песочниц соответствующих колесных пар ФП1-ФП8, которые направляют песок под колеса. Форсунки песочниц предназначены для дозированной подачи песка под колеса электровоза при необходимости увеличения сцепления их с рельсами. Форсунка допускает предварительную регулировку подачи песка на определенный режим. Применение сжатого воздуха для нагнетания делает подачу песка устойчивой и уменьшает потери песка. Наибольшее допустимое давление в системе пескоподачи 0,9 МПа. Для подачи песка непосредственно под колеса используются резиновые рукава РУ19, РУ24, РУ25 и РУ28.
Рисунок 1.4 – Схема питания системы пескоподачи
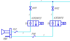
Звуковыми сигналами на электровозе являются тифон и свисток (см. рисунок 1.5). Каждый из них имеет электропневматический привод, который включается только на той секции, из которой ведется управление. Подвод сжатого воздуха производится от трубопровода цепей управления. Отключение клапанов сигналов КЭП2 и КЭП3 производится соответствующими разобщительными кранами КН11 и КН12.
Рисунок 1.5 – Звуковые сигналы
Также из питательной магистрали через фильтр Ф3 разобщительный кран КН4 (в шкафу УКТОЛ, справа от БЭПП) воздух поступает к блоку вспомогательного тормоза, через фильтр Ф2 разобщительный кран КН1 (под полом в тамбуре) к блоку электропневматических приборов (БЭПП), разобщительный кран КН2 (под полом в тамбуре) к блоку тормозного оборудования. Через фильтр Ф1 в кабину управления к электропневматическому клапану ЭПК и крану вспомогательного тормоза усл.№ 215.
1.4 Тормозное оборудование
Тормозная пневматическая система включает в себя автоматические тормоза и вспомогательный тормоз локомотива. Обеспечивает служебное, экстренное, автостопное торможения электровоза, торможение при непредусмотренном разъединении секций, дистанционное управление тормозами, взаимодействие с электрическим тормозом локомотива, дистанционный отпуск автотормоза электровоза из кабины машиниста, в том числе отпуск тормоза электровоза, при приведении в действие тормозов состава поезда.
Управление тормозной пневматической схемой осуществляется через унифицированный комплекс тормозного оборудования (УКТОЛ), который состоит из управляющих органов, размещенных на унифицированном пульте управления машиниста (УПУ), и исполнительной части, размещенной на правой задней стенке кабины машиниста со стороны тамбура.
Управляющие органы устанавливаются на УПУ (унифицированном пульте управления) в кабине машиниста и включают в себя:
- контроллер крана машиниста (ККМ);
- два клапана аварийного экстренного торможения (КАЭТ1, КАЭТ2), расположенные в зоне прямого доступа машиниста и помощника машиниста;
- резервный кран управления (КРУ);
- выключатель цепей управления (ВЦУ);
- кран вспомогательного тормоза с дистанционным управлением (КВТ);
- переключатель отпуска тормозов.
Контроллер крана машиниста, клапан аварийного экстренного торможения и переключатель отпуска тормозов встраиваются в верхнюю панель пульта управления.
Кроме того, на верхней панели УПУ расположен пневматический кран управления 215, управляющий исполнительной частью крана вспомогательного тормоза локомотива 224 (для управления прямодействующими пневматическими тормозами локомотива независимо от действия автоматического тормоза).
Резервный кран управления и выключатель цепей управления встраиваются в переднюю панель тумбы пульта управления справа от машиниста.
Кроме вышеуказанных приборов и оборудования на передней панели УПУ справа от машиниста размещается электропневматический клапан автостопа (ЭПК) 153А, закрытый дверцей тумбы с отверстием для выключателя ЭПК. При открытой дверце обеспечивается свободный доступ к разобщительным кранам тормозной и питательной магистралей к ЭПК.
1.4.1 Управляющие органы
Контроллер крана машиниста (см. рисунок 1.6).
Секторного типа (ККМ) предназначен для дистанционного управления тормозами. Управление осуществляется передачей электрических сигналов на БУ 130,60-1, расположенном в БЭПП.
Рукоятка контроллера имеет 7 положений:
1 – сверхзарядка (с самовозвратом);
2 – поездное;
3 – перекрыша без питания;
4 – перекрыша с питанием;
5 – служебное торможение;
5А – замедленное торможение;
6 – экстренное торможение.
Рисунок 1.6 – Контроллер крана машиниста
Каждому положению соответствует определенное состояние ТМ.
Выключатель цепей управления представлен на рисунке 1.7.
ВЦУ предназначен для управления устройством блокировки тормозов. Ключ поз 4. ВЦУ съемный, Ключ один на две кабины или секции локомотива. В выключателе предусмотрено три положения ключа: 1-включение устройства блокировки тормозов, 2-выключение и 3-«смена кабин» В положениях 1 и 2 ключ блокируется, и только в третьем положении «смена кабин» его можно вынуть из гнезда после совершения всех действий по Инструкции ЦТ-ЦВ-ЦЛ-ВНИИЖТ/277 МПС России при смене кабин. К выключателю цепей управления подведен трубопровод от импульсной магистрали, на котором расположен электропневматический вентиль В9. При создании давления в импульсной магистрали воздух через штуцер подходит к поршню ВЦУ, его хвостовик входит в вырез рамки, которая перемещаясь освобождает рукоятку управления. При отсутствии воздуха в ИМ за счет усилия пружины поршень перемещается вместе с рамкой и блокирует ВЦУ. У выключателя имеются электрические контакты поз.2, которые управляют вентилями устройства блокировки тормозов В1, В2 и вентилем В9 (вентиль управления ВЦУ). В первом и третьем положениях В9 находится без напряжения и сообщает камеру перед поршнем ВЦУ с атмосферой, во втором положении вентиль под напряжением (при условии полной разрядки тормозной магистрали) и воздух из импульсной магистрали поступает к поршню, освобождая рукоятку выключателя для перемещения в третье или первое положение. Он обеспечивает правильное включение тормозной системы электровоза при смене машинистом кабины управления – отключение крана машиниста и вспомогательного тормоза в нерабочей кабине с разрывом контактов электрической цепи управления электровозом.
1 – корпус; 2 – пакетный выключатель; 3 – поршень; 4 – ключ
Рисунок 1.7 – Выключатель цепей управления
При перекрытых кранах к тормозным цилиндрам и наличии воздуха в импульсной магистрали возможно выключение ВЦУ (смена кабин при незаторможенном электровозе).
Перезагрузка МСУЛ производится при 3 положении ключа ВЦУ.
При переводе ключа управления ВЦУ из положения 1 в положение 2 и наоборот будет теряться цепь управления включением БВ и поднятия токоприемников.
Резервный кран управления (см. рисунок 1.8).
КРУ является аварийным краном и предназначен для управления тормозами при отказе контроллера крана дистанционного управления. Рукоятка КРУ (см. рисунок 1.8 поз. 1) имеет три положения: отпуск, перекрыша и торможение.
Положения рукоятки фиксированные. Рукоятка вращается в вертикальной плоскости и соединена со стержнем, хвостовик которого воздействует в зависимости от положения рукоятки на два клапана расположенных в средней части крана (см. рисунок 1.8 поз. 2). При открытии первого клапана происходит сообщение уравнительного резервуара через кран с редуктором и с возбудительной камерой реле давления БЭПП (отпуск, верхнее положение ручки крана). При закрытом положении клапанов (среднее положение ручки крана) уравнительный резервуар с редуктором не сообщается (перекрыша). При открытии второго клапана происходит сообщение уравнительного резервуара через КРУ с атмосферой через калиброванное отверстие (торможение, нижнее положение ручки), первый клапан перекрывает сообщение уравнительного резервуара с редуктором.
При управлении контроллером ККМ рукоятка крана резервного управления находится в тормозном положении. Для перехода на работу краном резервного управления необходимо: поставить ручку крана в положение «перекрыша», отключить автоматы или выключатели УКТОЛ, перевести в вертикальное положение кран КПР, расположенный на блоке электропневматических приборов и включить блокировку тормозов на БЭПП рабочей кабины нажатием на грибок вентиля В1.
1 – корпус; 2 – кронштейн; 3, 4 – клапан; 5 – ручка; 6 – кулачек
Рисунок 1.8 – Кран резервного управления
Клапан аварийного экстренного торможения (см. рисунок 1.9).
1 – корпус; 2 – клапан; 3 – кнопка; 4 – микровыключатель
Рисунок 1.9 – Клапан аварийного экстренного торможения:
КАЭТ предназначен для осуществления торможения экстренным темпом при возникновении аварийной ситуации. КАЭТ имеет два фиксированных положения. При нажатии на рукоятку клапана происходит сообщение ТМ с атмосферой с одновременным отключением тяги, блокировки тормозов (получает питание вентиль В2 на БЭПП при давлении в ТЦ локомотива 0,3МПа) и включением песочницы. Проходное сечение клапана соответствует отверстию диаметром 25мм. При возврате кнопки клапана в прежнее положение разрядка ТМ прекратится и восстанавливается предыдущее состояние крана машиниста.
При потере питания в блокировках КАЭТ будут обесточены вентили В4 и В5 на УКТОЛ. Проверка наличия контакта в блокировках последовательной перестановкой ККМ по положениям и проверкой появления напряжения на соответствующих вентилях.
Управляющая часть крана вспомогательного тормоза (см. рисунок 1.10).
1 – Пружина, 2 – Корпус, 3 – Клапан, 4 – Манжета, 5 – Дросель, 6 – Болт, 7 – Фланец, 8 – Крышка,9 – Обойма, 10 – Ручка, 11 – Пружина, 12 – Толкатель, 13 – Кожух, 14 – Колпачок, 15 – Гайка, 16 – Винт регулировочный, 17 – Стакан, 18 – Упорка, 19 – Пружина, 20 – Упорка, 21 – Шайба, 22 – Кольцо стопорное, 23 – Шайба, 24 – Диск диафрагмы, 25 – Диафрагма, 26 – Прокладка, 27 – Кронштейн, 28 – Пробка, 29 – Фильтр, 30 – Кольцо, 31 – Заглушка, 32 – Манжета, 33 – Шайба
Рисунок 1.10 – Управляющая часть крана вспомогательного тормоза
Кран управления вспомогательного тормоза локомотива 215 предназначен для управления прямодействующим тормозом локомотива. Ручка крана управления имеет пять положений: одна - отпуск и четыре ступени торможения.
Кран управления вспомогательного тормоза локомотива 215 предназначен для управления прямодействующим тормозом локомотива. Ручка крана управления имеет пять положений: одна - отпуск и четыре ступени торможения. Тормозные положения фиксируются толкателем ручки крана (см. рисунок 1.10, поз. 12). К нижней части крана подсоединен трубопровод от питательной магистрали. От крана отведен трубопровод к исполнительной части.
В средней части крана управления имеется диафрагма, диск которой с одной стороны упирается в питательный клапан, а с другой в регулировочный стакан. Питательный клапан в отпускном положении сообщает импульсную магистраль с атмосферой, в тормозном положении с питательной магистралью. Диск диафрагмы выполнен полым, в верхней части канала имеются отверстия, сообщающие камеру под диафрагмой через канал в диске и отверстие в стакане с атмосферой.














