040-041 (1085812)
Текст из файла
устанавливают на каждой тележке. Информация адреса заключена в комбинации дисков, штырей, клавиш, магнитов, отверстий. Считыватели (С) располагают перед исполнительными механизма-
Рис. 13.12. Подвесной толкающий конвейер
ми (ИМ) (рис. 13.14,а). При прохождении подвески через считы
ватель последний в случае совпадения адреса дает команду в блок
управления БУ на включение исполнительного механизма. Сбра
сыватель адреса СА разме
щают после пунктов раз
грузки перед началом ново
го маршрута. Адрес груза
задает оператор, который
либо сам настраивает на
адресоносителе требуемые
комбинации, либо нажимает
соответствующий набор
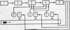
Рис. 13.13. Схема централизованного управления адресования грузов: 1 — пульт управления; 2 — кодирующая схема; 3 — запоминающее устройство; 4 — орган сравнения; 5 — дешифратор; 6 — датчики положения груза; 7 — исполнительные механизмы
40
кнопок на пульте настройки, если адрес устанавливается автоматическим адре-сователем А. Способы счи-
тывания адреса бывают контактные (электрический,
механический, электромеханический, пневмомеханический) и бесконтактные (фотоэлектрический, индукционный, радиоактивный). Исполнительные механизмы переводят стрелки, а также загружают и разгружают подвески, подъемные столы, поворотные захваты. Например, автоматическая навеска или съем платформы кузова
Рис. 13.14. Децентрализованное управление адресованием: а — схема расстановки аппаратов; б — контактное считывание адреса
грузового автомобиля (рис. 13.15) осуществляется следующим образом. При движении конвейера подвеска нажимает на концевой выключатель /, останавливающий подвеску и включающий механизм поворота 4 рамы кантователя с грузовой платформой. Окончание поворота фиксируется концевым выключателем 2 с одновременным включением механизма, который поднимает 3 выступ платформы выше уровня упора подвески. Затем подвеску отклоняют 5 так, чтобы ее упор оказался под выступом платформы, после чего все действия производят в обратном порядке.
Для обеспечения нормальной работы поточных и автоматических линий и равномерной их загрузки подвесные толкающие конвейеры работают непрерывно. Несущие подвески, проходя мимо рабочего места и не получая сигнала об остановке, отправляются на склад, где автоматически останавливаются при упоре друг в друга. Как только путь окажется свободным, происходит захватывание очередного упора непрерывно движущегося тягового элемента и подвеска снова отправляется в путь. В том месте, где изделие надо опустить к рабочему месту 5, грузовой путь делают
Характеристики
Тип файла документ
Документы такого типа открываются такими программами, как Microsoft Office Word на компьютерах Windows, Apple Pages на компьютерах Mac, Open Office - бесплатная альтернатива на различных платформах, в том числе Linux. Наиболее простым и современным решением будут Google документы, так как открываются онлайн без скачивания прямо в браузере на любой платформе. Существуют российские качественные аналоги, например от Яндекса.
Будьте внимательны на мобильных устройствах, так как там используются упрощённый функционал даже в официальном приложении от Microsoft, поэтому для просмотра скачивайте PDF-версию. А если нужно редактировать файл, то используйте оригинальный файл.
Файлы такого типа обычно разбиты на страницы, а текст может быть форматированным (жирный, курсив, выбор шрифта, таблицы и т.п.), а также в него можно добавлять изображения. Формат идеально подходит для рефератов, докладов и РПЗ курсовых проектов, которые необходимо распечатать. Кстати перед печатью также сохраняйте файл в PDF, так как принтер может начудить со шрифтами.















